Биполярный транзистор с оптической накачкой
- Авторы: Альтудов Ю.К.1, Гаев Д.С.1, Псху А.В.2, Рехвиашвили С.Ш.2
-
Учреждения:
- Кабардино-Балкарский государственный университет им. Х.М. Бербекова
- Институт прикладной математики и автоматизации КБНЦ РАН
- Выпуск: Том 52, № 6 (2023)
- Страницы: 489-496
- Раздел: ПРИБОРЫ
- URL: https://journals.rcsi.science/0544-1269/article/view/231917
- DOI: https://doi.org/10.31857/S0544126923600240
- EDN: https://elibrary.ru/CSXYVP
- ID: 231917
Цитировать
Полный текст
Аннотация
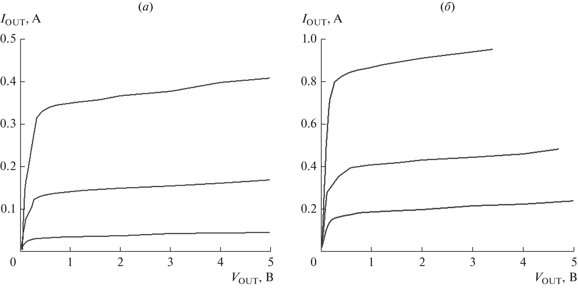
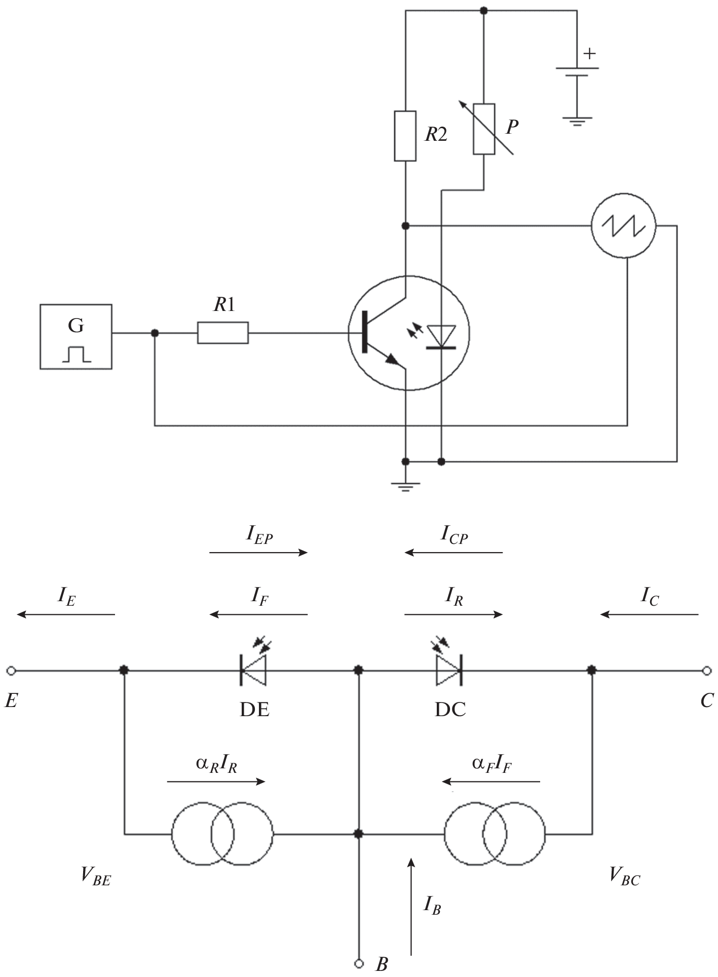
Исследованы свойства биполярного n-p-n-транзистора при воздействии на него немодулированного некогерентного излучения, создаваемого “белым” светодиодом. Измерены статические и динамические характеристики транзистора при различных интенсивностях воздействия. Показано, что изменение характеристик транзистора при оптическом воздействии обусловлено увеличением времени жизни неравновесных носителей заряда и фотовольтаическим эффектом в p-n-переходах. По указанным причинам происходит возрастание коэффициента усиления, снижение порога переключения и повышение быстродействия транзистора. Полученные результаты применимы как для создания быстродействующих транзисторов, так и интегральных микросхем принципиально нового типа.
Об авторах
Ю. К. Альтудов
Кабардино-Балкарский государственный университет им. Х.М. Бербекова
Email: rsergo@mail.ru
Россия, 360004, Нальчик, ул. Чернышевского, 173
Д. С. Гаев
Кабардино-Балкарский государственный университет им. Х.М. Бербекова
Email: rsergo@mail.ru
Россия, 360004, Нальчик, ул. Чернышевского, 173
А. В. Псху
Институт прикладной математики и автоматизации КБНЦ РАН
Email: rsergo@mail.ru
Россия, 360000, Нальчик, ул. Шортанова, 89А
С. Ш. Рехвиашвили
Институт прикладной математики и автоматизации КБНЦ РАН
Автор, ответственный за переписку.
Email: rsergo@mail.ru
Россия, 360000, Нальчик, ул. Шортанова, 89А
Список литературы
- Электроника. Энциклопедический словарь. Гл. ред. Колесников В.Г. М.: Сов. энциклопедия, 1991. С. 348–351.
- Носов Ю.Р. Оптоэлектроника. М.: Радио и связь, 1989. 360 с.
- Розеншер Э., Винтер Б. Оптоэлектроника. М.: Техносфера, 2004. 592 с.
- Agrawal G.P., Dutta N.K. Photonic and optoelectronic integrated circuits. In: Semiconductor Lasers. Springer, Boston, MA. 1993. P. 530–546.
- Zimmermann H. Silicon optoelectronic integrated circuits. Springer International Publishing, 2018. 441 p.
- Рехвиашвили С.Ш., Нарожнов В.В. Способ повышения быстродействия транзисторов и транзисторных интегральных схем. Патент РФ № 2799113. Приоритет от 18.03.2022.
- Косяченко Л.А., Грушко Е.В., Микитюк Т.И. Поглощательная способность полупроводников, используемых в производстве солнечных панелей // ФТП. 2012. Т. 46. № 4. С. 482–486. [пер. Kosyachenko L.A., Grushko E.V., Mikityuk T.I. Absorptivity of semiconductors used in the production of solar cell panels // Semiconductors. 2012. V. 46. № 4. P. 466–470.]
- Тилл У., Лаксон Дж. Интегральные схемы. Материалы, приборы, изготовление. М.: Мир, 1985. 504 с.
- Бородовский П.А., Булдыгин А.Ф., Токарев А.С. О некоторых эффектах, наблюдаемых при СВЧ-измерениях времени жизни в слитках кремния // Микроэлектроника. 2006. Т. 35. № 6. С. 403–408. [пер. Borodovskii P.A., Buldygin A.F., Tokarev A.S. On some effects observed in microwave measurements of the lifetime in silicon ingots // Russian Microelectronics. 2006. V. 45. № 6. P. 345–349.]
- Бородовский П.А., Булдыгин А.Ф., Голод С.В. Аномальная релаксация фотопроводимости в кремнии при высоких уровнях инжекции // ФТП. 2009. Т. 43. № 3. С. 329–331. [пер. Borodovskii P.A., Buldygin A.F., Golod S.V. Anomalous relaxation of photoconductivity in silicon at high excitation levels // Semiconductors. 2009. V. 43. № 3. P. 310–312.]
- Кобелева С.П., Юрчук С.Ю., Ярынчак М.А., Калинин В.В. Влияние поверхностной рекомбинации на измерение времени жизни в слитках монокристаллического кремния // Известия ВУЗов. Материалы электронной техники. 2006. № 4. С. 17–20.
- Анфимов И.М., Кобелева С.П., Пыльнев А.В., Щемеров И.В., Егоров Д.С., Юрчук С.Ю. К вопросу об определении объемного времени жизни по спаду фотопроводимости на непассивированных образцах монокристаллического кремния // Известия ВУЗов. Материалы электронной техники. 2016. Т. 19. № 3. С. 210–216. [пер. Anfimov I.M., Kobeleva S.P., Pylnev A.V., Schemerov I.V., Egorov D.S., Yurchuk S.Yu. On the problem of determining the bulk lifetime by photoconductivity decay on the unpassivated samples of monocrystalline silicon // Russian Microelectronics. 2017. V. 46. № 8. P. 585–590.]
- Пашенцев В.Н. Изменение характеристик полупроводниковых структур СВЧ-усилителей под воздействием импульсного лазерного излучения // ЖТФ. 2021. Т. 91. № 11. С. 1715–1721. [пер. Pashentsev V.N. Changes in the characteristics of semiconductor structures of microwave amplifiers under the action of pulsed laser radiation // Technical Physics. 2022. V. 67. № 14. P. 2236–2242.]
- Евстропов В.В., Киселев К.В., Петрович И.Л., Царенков Б.В. Скорость рекомбинации через многоуровневый (многозарядный) центр // ФТП. 1984. Т. 18. № 5. С. 902–912.
- Бьюб Р. Фотопроводимость твердых тел. М.: Изд-во иностр. лит., 1962. 558 с.
- Fan H.Y. Effect of traps on carrier injection in semiconductors // Phys. Rev. 1953. V. 92. № 6. P. 1424–1428.
- Дьяконова Н.В., Левинштейн М.Е., Румянцев С.Л. Природа объемного шума 1/f в GaAs и Si (обзор) // ФТП. 1991. Т. 25. № 12. С. 2065–2104. [пер. Dyakonova N.V., Levinshtein M.E., Rumyantsev S.L. Nature of the bulk 1/f noise in GaAs and Si // Sov. Phys. Semicond. 1991. V. 25. № 12. P. 1241–1265.]
Дополнительные файлы









