Conductivity Study of Carbon Nanotubes Deposited on Iridium Silicon-Silicide Substrate
- Authors: Kerimov E.A.1
-
Affiliations:
- Azerbaijan Technical University
- Issue: Vol 53, No 6 (2024)
- Pages: 570-576
- Section: ТЕХНОЛОГИИ
- URL: https://journals.rcsi.science/0544-1269/article/view/282113
- DOI: https://doi.org/10.31857/S0544126924060095
- ID: 282113
Cite item
Full Text
Abstract
Realization of any elements at the nanometer level at this stage of nanoelectronics development is possible only under the condition of integration with industrial microelectronics technology. The limiting factor becomes the realization of the interface of two levels of technology: nano and micro. The crisis of metallic interconnects entering a new phase, associated with increasing delays in wiring, levels the merits of nanostructures possessing ballistic conduction mechanism [1–4]. Nanotubes possess metallic or semiconductor type conductivity depending on the chirality angle in diameter. Accordingly, the former can fulfill the role of ideal contacts to devices based on molecular or tunnel structures or radiation sources, while the latter claim to be active elements of nanoelectronics rectifying diodes, transistors, chemical and biological sensors.
Full Text
ВВЕДЕНИЕ
В работе были реализованы три методики измерения электрических характеристик нанотрубок, различающихся диапазоном измеряемых токов.
Основным измерительными инструментами при выявлении электрических свойств нанотрубок были:
– четырехзондовым держатель с цифровым измерителем вольтамперных характеристик на основе платы Lcad;
– многозондовая установка с системой оптического позиционирования и аналоговым универсальным ампервольтметром US68003 и источником TEC23;
– четырехзондовым держатель, подключенный к цифровой системе измерения ВАХ на основе контроллера СОЛВЕР-Р7(HT-MDT).
Подробно методика измерения с использованием платы, Lcad задействованная ранее в исследованиях статических электрических характеристик титановых наносужений описана в работе [5–7]. Однако ввиду того, что плата встроена в системный блок управляющего компьютера и имеет слабую систему подавления, находятся в пределах 10 мкА, которые как будет показано ниже, являются критическими для протекания через исследуемую структуру.
Основным устройством, используемым в работе, стала зондовая установка, с системой оптического позиционирования тестового кристалла и встроенным держателем. Разработанная конструкция позволяла проводить высаживание смеси нанотрубок на контактном дорожке, измерять статические электрические характеристики и исследовать эффект полевого управления проводимостью нанотрубки.
ЭКСПЕРИМЕНТ
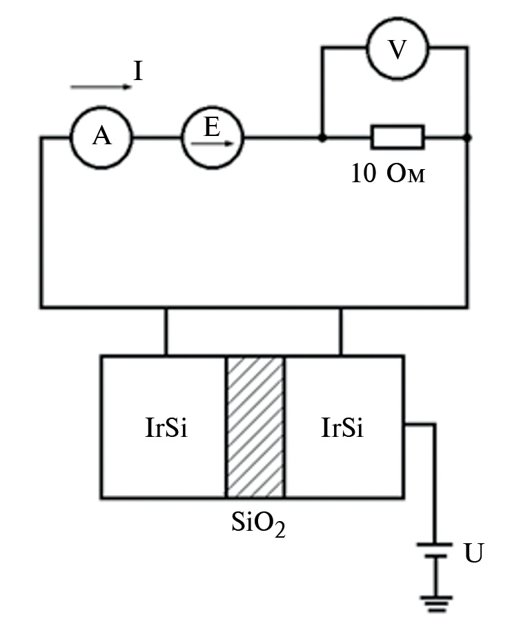
Реализация схемы, позволяющей измерять токи от 0,1 до 10 мкА приведена на рис. 1. При этом на пару электродов подавалось напряжение USi через резистор сопротивлением 10 МОм, последовательно подключенному к источнику напряжения Е. При этом ток, протекающий в цепи, ограничивался – сопротивлением на источнике и был равен 1 мкА для USi = 10 В. Данное ограничение введено с целью уменьшения разогрева контакта между иридиевой дорожкой и нанотрубкой.
Рис. 1. Схема измерения электрических характеристик в средник полях.
Система на основе многозондовой установки в дельнейшем использовалась для измерения проводимости структур в средних полях, а также для измерения транзисторного эффекта и при формировании логических элементов. Ограничение на измерения накладывали используемые приборы. Минимальный ток, который способен регистрировать аналоговый амперметр равен 0,1 мкА, что ниже, возможностей платы Lcad, но недостаточно для измерения наноамперных токов при напряжениях несколько десятков милливольт.
Для измерения в слабых полях и высокоомных структур на основе нано трубок использовалась цифровая система измерений токов, встроенная в аппаратное обеспечение СЗМ СОЛВЕР-Р47. Данная система предназначена для регистрации туннельного тока между иглой и проводящим образцом. Схема позволяет подавать напряжение от –10 до +10 В с шагом 0,3 эВ (16 битный ЦАП), ограничивая при этом модуль протекающего тока до 0,05 мкА. Многослойные углеродные нанотрубки можно рассматривать как несколько коаксиально вложенных друг в друга однослойных нанотрубок различного диаметра. Однако относительно большой диаметр нанотрубок (около 20 нм) предполагает важное преимущество: многослойные нанотрубки предпочтительнее образуют низкоомный контакт с электродами.
Во-первых, учитывая большую поверхность контакта, можно увеличить значения проходящих токов как минимум на два порядка, во-вторых, большая внутренняя жесткость нанотрубок, обуславливает меньшую подверженность деформациям за счет сил Ван-дер-Ваальса.
ОБСУЖДЕНИЕ РЕЗУЛЬТАТОВ
При интеграции в схемы стандартной микроэлектроники становится существенным также тот факт, что транспорт в многослойной нанотрубки остается баллистическим на расстояниях, превышающих 1 мкм [8, 9]. При этом возможно пропускание токов до 1000 мкА. Заметим, что подобные «огромные» для нанотрубок значения получены в экспериментах с идеальными контактами, когда предварительно осажденные на подложку нанотрубки покрываются проводящими электродами. В обратном случае, возникает сопротивление контактов, равное нескольким МОм. Сопротивление структуры, состоящей из многослойной нанотрубки, лежащей на иридиевых электродах (рис. 2) малых токов равно 200 МОм, при переходе в область высоких плотностей токов дифференциальное сопротивление начинает падать и для U = 28 В равно 27 МОм [10, 11].
Рис. 2. ВАХ диода Шоттки на основе Ir электродов.
Многочисленные эксперименты на данном материале показали относительно высокую проводимость при комнатной температуре и отсутствие какой-либо управляемости проводимостью со стороны внешнего электрического поля. Благодаря наличию нескольких параллельных каналов проводимости, вид вольтамперной характеристики является принципиально линейным с сопротивлением 0,3 ÷ 1,2 МОм, что соответствует сопротивлению контакта нанотрубок, лежащих на электродах [12].
Особенностью проводимости пучков многослойной нанотрубки является возможность пропускания токов до нескольких десятков микроампер с сохранением термической стабильности контакта (рис. 3).
Рис. 3. ВАХ многослойной нанотрубки.
Для удобства исследований нанотрубок воспользуемся выражением для электронной волновой функции:
.
В нашем случае для вычисления электронных уровней нанотрубки надо решить одноэлектронное уравнение Шредингера:
Теперь гамильтониан примет вид следующим образом:
Чтобы вычислит электронную структуру многоатомной системы перед нами стоит очень важная проблема, проблема – выбора электронного потенциала u(r).
Будем строит этот u(r) потенциал. Для этого лучше всего воспользуемся так называемым методом линеаризованных присоединенных цилиндрических волн (ЛПЦВ). В этом методе чтобы построит u(r) потенциал, для обменного взаимодействия используются две приближение:
- ячеечное приближение,
- приближение локальной плотности.
Надо заметить, что вычисление зонных структур очень трудоемкое занятие. Для упрощения вычислений Слэтер в своей работе [13] для электронного потенциала кристаллов предложил весьма оригинальный подход: так называемое маффин-тин приближение.
Идея приближения Слэтера состоит в следующем. Пространство кристалла разбивается на два типа области:
- области атомов,
- межатомные области.
В этой приближенной схеме Слэтера каждый атом окружается маффин-тин сферой.
Понятно, что около атомных пространствах, т. е. в областях МТ-сфер, потенциал можно считать сферически симметричным. Тогда потенциал будет зависит только от расстояния до ядра.
В нашем случае это можно рассматривать как быстро меняющийся приближенно атомный потенциал.
В пространстве между маффин-тин сферами электронный потенциал изменяется существенно медленнее, по сравнению чем в области атомов. В этом случае в приближении Слэтера потенциал будем считать не меняющимся.
В большинство случаях отсчет энергии ведется с не меняющегося потенциала межсферной области.
При выборе радиусов маффин-тин сфер поступают следующим образом: сферы как можно больше соседних атомов должны соприкасаться. А это соответствует как правило, максимально большому объему неперекрывающихся маффин-тин областей.
Физическое объяснение такого выбора очень проста: только внутри маффин-тин сфер мы можем найти информацию о химической природе атомов. Это как информация об электронной плотности, так и информация об потенциале. К тому же эти атомы составляющие ячейки многоатомной системы.
Очевидно, что при максимально большом выборе маффин-тин областей содержится максимально количество этой информации.
Кристаллы и наноматериалы можем существенно различит следующим образом: электроны в кристалле движутся во всех направлениях неограниченно, а в наноматериале же на движение электронов налагаются некоторые ограничение связанные с размерами и геометрией материала.
Рассматривая углеродную нанотрубку как цилиндрический полимер с внутренним полостом, замечаем, что движение электронов ограничено. Это ограничение имеет порядок удвоенного атомного Ван–дер–Ваальсового радиуса.
Таким образом, движение электронов в пространстве межу маффин-тин сферами будем рассматривать как ограниченное движение. Этим непроницаемыми ограничениями для движения электронов считается два цилиндрических барьера:
- внешний барьер Ωa радиусом а;
- внутренний барьер Ωb радиусом b.
Барьеры выбираются следующим образом: внутри пространства, ограниченная этими барьерами, должна помещаться основная часть электронной плотности рассматриваемой системы.
Такой сферически симметричный в области атомов ΩI и постоянный в межатомном пространстве ΩII потенциал будем называть цилиндрическим МТ-потенциалом.
В межсферной области базисные функции являются решениями уравнения Шредингера для свободного движения электрона внутри бесконечной трубки с внешним и внутренним радиусами а и в.
Если мы используем для решения этого уравнение единиц Ридберга и цилиндрические координаты {Z, Ф, R} получим следующую формулу:
. (1)
Теперь электроны могут двигаться только в разрешенной области. А U(R) потенциал такой области выглядит так:
Для получения уравнения (1) воспользуемся цилиндрической системой координат. В силу цилиндрической симметрии потенциала U(R) решение уравнения (1) представляется в виде:
Здесь
. (*)
В выражении (*) волновая функция р = 0, ±1, ±2 описывает свободное движение электрона. Движения электрона направлена вдоль оси трансляционной симметрии Z (период движения с). А имеющий в выражение (*) место волновой вектор к принадлежит одномерной зоне Бриллюэна -π/с ≤ к ≤ ≤ π/с.
Функция
описывает вращение электрона вокруг оси симметрии системы, а функция Ψ|М|N (R), определяющая радиальное движение электрона, является решением управления:
(2)
Здесь N – радиального квантовое число, E|М|N – энергетический спектр; волновой функции Ψ(Z, Ф, R) отвечает энергия:
(3)
При b ≤ R ≤ a уровнение (2) записывается в виде:
(4)
где, .
Подставив к·R = х1 и Ψ(R) = у(х) уравнение (4) сводится к уравнению
Бесселя канонического вида:
.
Решения этого уравнения называются цилиндрическими функциями порядка М. Решение уравнения Бесселя можем представит в виде линейной комбинации его частных решений. Эти частные решения цилиндрические функций Бесселя первого JM и второго рода YM:
(5)
С ростом аргумента функции Бесселя JM и YM убывают с осцилляциями. Функции Бесселя второго рода YM в нуле по абсолютной величине стремятся к бесконечности. В уравнении (5) CJMN и CYMN – константы:
(6)
и ее обращение в нуль на внутреннем и внешнем потенциальном барьера:
(7)
Из системы (7) очевидным образом находим соотношение между CJMN и CYMN:
(8)
Наконец, для вычисления интеграла (6) воспользуемся выражением [14, 15]:
(9)
которое справедливо для двух любых цилиндрических функций, включая JM и YM. Кроме того, справедливы рекуррентные формулы [16]:
(10)
.
Используя которые, можно переписать (9) в виде:
(11)
В формуле и – производные от цилиндрических функций. В результате:
.
Так как при R = а и R = b функция равна нулю то имеем:
или
. (12)
Таким образом, рассмотренная в области Ω базисная функция Ψ(K, P, M, N) в общей цилиндрической системе координат описывается следующей формулой:
(13)
Здесь , значения находится из (8), CJMN из (14):
(14)
С помощью метода ЛПЦВ более детально изучена связь между переходами и диаметром металлических углеродных нанотрубок.
Интерес к получению возможно более точной теоретической информации о плотностях переходов в нанотрубках связан, в частности, с тем какие данные могут быть использованы в экспериментальных методах определения строения нанотрубок.
Эти методы особенно широко применяют при исследовании объемных образцов, включающих нанотрубки различного строения и различной ориентации.
При этом для определения строения нанотрубок берется экспериментальная информация о плотностях электронных состояний системы.
Величина энергетический щели EII между нижней сингулярностью зоны проводимости и верхней сингулярностью валентной зоны является важнейшим параметром плотности состояний.
В металлических нанотрубках EII гораздо больше, чем в полупроводниковых. Это условие позволяет различать в объемных образцах методами туннельной спектроскопии относительное содержание металлических и полупроводниковых нанотрубок, а методами оптической спектроскопии – даже процентное содержание нанотрубок. Чтобы определить диаметры нанотрубок с помощью величины EII обычно исходят из представлений о том, что энергия EII убывает с ростом d по эмпирическому соотношению EII ~ d–1. Эта корреляция была получена в ранних расчетах зонной структуры нанотрубок методом ЛКАО. Корреляция EII ~ d–1, но с низкой точностью ± 0,3 эВ также подтверждена экспериментально.
Для установления более падежной корреляции между энергией щели и диаметром металлических нанотрубок в работе [16] была рассчитана электронная структура (n, n) систем для n от 3 и до 12.
ЗАКЛЮЧЕНИЕ
- Исследуя проводимость углеродных нанотрубок, было установлено, что ВАХ многослойной нанотрубки до 7 В имеет линейный характер. По этой причине и благодаря баллистической проводимости нанотрубки она может заменить алюминий.
- Теоретическая информация об энергиях оптических переходов и плотности электронных состояний нанотрубок, полученная с помощью метода линеаризованных присоединенных цилиндрических волн (ЛПЦВ), была использована для изучения влияния оптических свойств нанотрубок на приборы с зарядовой связью.
About the authors
E. A. Kerimov
Azerbaijan Technical University
Author for correspondence.
Email: E_Kerimov.fizik@mail.ru
Azerbaijan, Baku
References
- Znidarsic A. et al. Spatially Resolved Transport Properties of Pristine and Doped Single-Walled Carbon Nanotube Networks // J. Phys. Chem. c. 2013, v. 117, 13324–13330 p.
- Bhattacharya A.R., Sreekumar T.V., Liu T., Kumar S., Erickson L.M., Hauge R.H., et al. Crystallization and orientation studies of polypropylene/single-walled carbon nanotube composites. Polymer 2003; 44: 2373–7.
- Yu M.-F. et al. Strength and Breaking Mechanism of Multiwalled Carbon Nanotubes Under Tensile Load // Science (80). 2000. Vol. 287, № 5453, 637 LP, 640 p.
- White C. M., Banks R., Hamerton I., & Watts J. F. (2016). Characterisation of commercially CVD grown multi-walled carbon nanotubes for paint applications. Progress in Organic Coatings, 90, 2015.09.020, 44–53 p.
- Lee J., Lee S., Bae G., et al. Exposure assessment of carbon nanotube manufacturing workplaces. Inhal Toxicol. 2010; 22(5): 369–381.
- Bello D., Wardle B., Yamamoto N., et al. Exposure to nanoscale particles and fibers during machining of hybrid advanced composites containing carbon nanotubes. J Nanopart Res. 2009; 11(1): 231–249.
- Ellenbecker M., Tsai S. Chapter 11: The regulatory environment for engineered nanoparticles. In: Health and Safety Considerations for Working with Engineered Nanoparticles in Industry. Wiley, in press, 2014.
- van Broekhuizen P., van Broekhuizen F., Cornelissen R., et al. Workplace exposure to nanoparticles and the application of provisional nanoference values in times of uncertain risks. J Nanopart Res. 2012; 14: 70.
- Khodakovskaya M., Dervishi E., Mahmood M., et al. Carbon nanotubes are able to penetrate plant seed coat and dramatically affect seed germination and plant growth. ACS Nano. 2009; 3(10): 3221–3227.
- Khodakovskaya M., de Silva K., Nedosekin D., et al. Complex genetic, photothermal, and photoacoustic analysis of nanoparticle-plant interactions. Proc Natl Acad Sci USA. 2011; 108(3): 1028–1033.
- Tripathi S., Sonkar S., Sarkar S. Growth stimulation of gram (Cicer arietinum) plant by water soluble carbon nanotubes. Nanoscale. 2011; 3(3): 1176–1181.
- Hansen S., Maynard S., Baun A., et al. Late lessons from early warnings for nanotechnology. Nat Nanotechnol. 2008; 3: 444–447.
- Jackson P., Jacobsen N., Baun A., et al. Bioaccumulation and ecotoxicity of carbon nanotubes. Chem Cent J. 2013; 13(7): 154.
- Petersen E., Zhang L., Mattison N., et al. Potential release pathways, environmental fate, and ecological risks of carbon nanotubes. Env Sci Technol. 2011; 45(23): 9837–9856.
- Kagan V., Tyurina Y., Tyurin V., et al. Direct and indirect effects of single walled carbon nanotubes on RAW 264.7 macrophages: role of iron. Toxicol Lett. 2006; 165: 88–100.
- Muller J., Delos M., Panin N., et al. Absence of carcinogenic response to multiwall carbon nanotubes in a 2-year bioassay in the peritoneal cavity of the rat. Toxicol Sci. 2009; 110: 442–448.
Supplementary files





