Design of integrated voltage multipliers using standard CMOS technologies
- Authors: Sinyukin A.S.1, Konoplev B.G.1, Kovalev A.V.1
-
Affiliations:
- Design Center for the Microelectronic Component Base for Artificial Intelligence Systems, Southern Federal University
- Issue: Vol 52, No 6 (2023)
- Pages: 508-517
- Section: ПРИБОРЫ
- URL: https://journals.rcsi.science/0544-1269/article/view/231921
- DOI: https://doi.org/10.31857/S0544126923600203
- EDN: https://elibrary.ru/HPMCNY
- ID: 231921
Cite item
Full Text
Abstract
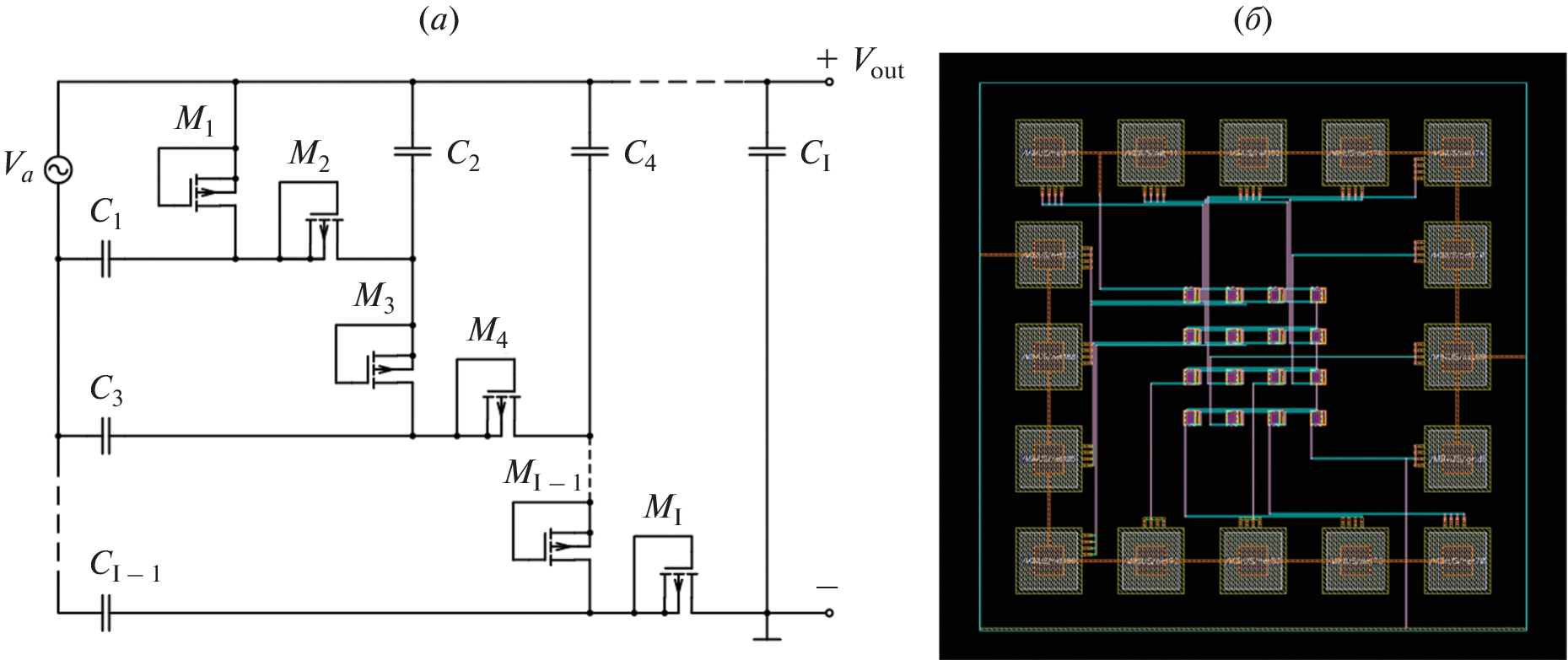
Results of the design of the integrated multistage voltage multipliers as components of supply modules for wireless passive microdevices are presented. Parameters of MOS transistors significant for the multipliers design and presented in three standard CMOS technologies, CM018G 180 nm, HCMOS8D 180 nm and C250G 250 nm, are considered. CAD Cadence simulation results have demonstrated that in the case of eight-stage multiplier implementation using CM018G technology minimum output voltage level requisite for microchip operation is achieved at input amplitude 250 mV and in the case of the similar device implementation using HCMOS8D technology - at 375 mV. Using sixteen-stages multiplier as example it is shown that voltage multiplication efficiency is from 20% to 54% for wide range of the input voltage, and the efficiency decreases only by 1-3% compared to eight-stage implementation. Proposed recommendations for the integrated voltage rectifiers-multipliers design could be applied at development of the passive supply units for microelectronic devices.
About the authors
A. S. Sinyukin
Design Center for the Microelectronic Component Base for Artificial Intelligence Systems, Southern Federal University
Email: sinyukin@sfedu.ru
Taganrog, Rostov oblast, 347922 Russia
B. G. Konoplev
Design Center for the Microelectronic Component Base for Artificial Intelligence Systems, Southern Federal University
Email: kbg@sfedu.ru
Taganrog, Rostov oblast, 347922 Russia
A. V. Kovalev
Design Center for the Microelectronic Component Base for Artificial Intelligence Systems, Southern Federal University
Author for correspondence.
Email: avkovalev@sfedu.ru
Taganrog, Rostov oblast, 347922 Russia
References
- Guler U., Jia Y., Ghovanloo M. A Reconfigurable Passive Voltage Multiplier for Wireless Mobile IoT Applications // IEEE Transactions on Circuits and Systems – II: Express Briefs. 2020. V. 67. № 4. P. 615–619.
- Chun A.C.C., Ramiah H., Mekhilef S. Wide Power Dynamic Range CMOS RF-DC Rectifier for RF Energy Harvesting System: A Review // IEEE Access. 2022. V. 10. P. 23948–23963.
- Li P. et al. RF Energy Harvesting for Batteryless and Maintenance-Free Condition Monitoring of Railway Tracks // IEEE Internet of Things J. 2021. V. 8. № 5. P. 3512–3523.
- Charthad J. et al. mm-Sized Wireless Implantable Device for Electrical Stimulation of Peripheral Nerves // IEEE Transactions on Biomedical Circuits and Systems. 2019. V. 12. № 2. P. 257–270.
- Takacs A. et al. Recent Advances in Electromagnetic Energy Harvesting and Wireless Power Transfer for IoT and SHM Applications // 2017 IEEE International Workshop of Electronics, Control, Measurement, Signals and their Application to Mechatronics (ECMSM), Donostia. 2017. P. 1–4.
- Dickson J.F. On-Chip High-Voltage Generation in MNOS Integrated Circuits Using an Improved Multiplier Technique // IEEE J. Solid-state Circuits. 1976. V. SC-11. № 3. P. 374–378.
- Curty J.-P. et al. Remotely Powered Addressable UHF RFID Integrated System // IEEE Journal of Solid-State Circuits. 2005. V. 40. № 11. P. 2193–2202.
- Hong Y. et al. Design of Passive UHF RFID Tag in 130 nm CMOS Technology // 2008 IEEE Asia Pacific Conference on Circuits and Systems (APCCAS 2008), Macao. 2008. P. 1371–1374.
- Teh Y.-K. et al. Design and Analysis of UHF Micropower CMOS DTMOST Rectifiers // IEEE Transactions on Circuits and Systems – II: Express Briefs. 2009. V. 56. № 2. P. 122–126.
- Yao Y. et al. A Fully Integrated 900-MHz Passive RFID Transponder Front End With Novel Zero-Threshold RF-DC Rectifier // IEEE Transactions on Industrial Electronics. 2009. V. 56. № 7. P. 2317–2325.
- Fahsyar P.N.A., Soin N. A Proposed Low Power Voltage Multiplier for Passive UHF RFID Transponder // 2010 IEEE International Conference on Semiconductor Electronics (ICSE2010), Malacca. 2010. P. 334–337.
- Yao W. et al. Design of a passive UHF RFID tag for the ISO18000-6C protocol // J. Semiconductors. 2011. V. 32. № 5. Article 055009. P. 1–6.
- Mabrouki A., Latrach M., Lorrain V. High Efficiency Low Power Rectifier Design using Zero Bias Schottky Diodes // 2014 IEEE Faible Tension Faible Consommation, Monaco. 2014. P. 1–4.
- Nicot J., Taris T. Remote RF Powering of Ambient Sensors // 2016 IEEE International Conference on Electronics, Circuits and Systems (ICECS), Monte Carlo. 2016. 760–763.
- Wang X., Abdelatty O., Mortazawi A. Design of a Wide Dynamic Range Rectifier Array with an Adaptive Power Distribution Technique // 2016 46th European Microwave Conference (EuMC), London. 2016. P. 922–925.
- Sinyukin A.S., Kovalev A.V. Method for the Iterative Refinement of Parameter Values in Analytical Models of Microelectronic Devices Based on Integrated MOS Transistors // Russian Microelectronics. 2022. V. 51. № 6. Р. 398–403.
- Технологии [Электронный ресурс]: https://www. mikron.ru/capabilities/technology // Сайт группы компаний “Микрон” (дата обращения 02.06.2023).
- 18-micron Technology [Электронный ресурс]: https://www.tsmc.com/english/dedicatedFoundry/technology/logic/l_018micron // TSCM Official Website (дата обращения 02.06.2023).
- Новые микроэлектронные технологии [Электронный ресурс]: https://nm-tech.org // Сайт производителя микроэлектронных компонентов “НМ-Тех” (дата обращения 02.06.2023).
- Weste N.H.E., Harris D.M. CMOS VLSI Design. A Circuits and Systems Perspective / N.H.E. Weste, D.M. Harris // Boston, Addison-Wesley, 2011. 839 p.
- Sinyukin A.S., Konoplev B.G. Integrated CMOS Microwave Power Converter for Passive Wireless Devices // Russian Microelectronics. 2021. V. 50. № 3. P. 219–227.
- Fang S., McVittie J.P. Thin-Oxide Damage from Gate Charging During Plasma Processing // IEEE Electron Device Letters. 1992. V. 13. № 5. P. 288–290.
- Синюкин А.С., Коноплев Б.Г., Ковалев А.В. Преобразователь радиочастотной энергии на наноразмерных МОП-транзисторах для пассивных беспроводных приложений // Проблемы разработки перспективных микро- и наноэлектронных систем (МЭС), Москва. 2020. С. 218–223.
- Baker R.J. CMOS: circuit design, layout, and simulation / R.J. Baker // Hoboken, Wiley, 2010. 1177 p.
- Dabhi C.K. BSIM4 4.8.1 MOSFET Model / C.K. Dabhi, S.S. Parihar, H. Agrawal, N. Paydavosi., T.H. Morshed, D.D. Lu, W. Yang, M.V. Dunga, X. Xi, J. He, W. Liu, Kanyu, M. Cao, X. Jin, J.J. Ou, M. Chan // Berkeley, University of California, 2017, 185 p.
- Коноплев Б.Г., Синюкин А.С. Умножитель напряжения для маломощных приложений. Патент РФ № 199930 от 29.09.2020.
Supplementary files







