Thermal Contact Resistance at Cryogenic Temperatures in the Presence of Strong Magnetic Fields
- Authors: Kolesov K.A.1, Mashirov A.V.1, Kuznetsov A.S.1, Koledov V.V.1, Petrov A.O.1, Shavrov V.G.1
-
Affiliations:
- Kotelnikov Institute of Radioengineering and Eletcronics, Russian Academy of Sciences
- Issue: Vol 68, No 4 (2023)
- Pages: 360-365
- Section: К 90-ЛЕТИЮ ВЛАДИМИРА ГРИГОРЬЕВИЧА ШАВРОВА
- URL: https://journals.rcsi.science/0033-8494/article/view/138192
- DOI: https://doi.org/10.31857/S0033849423040058
- EDN: https://elibrary.ru/PEZNZB
- ID: 138192
Cite item
Abstract
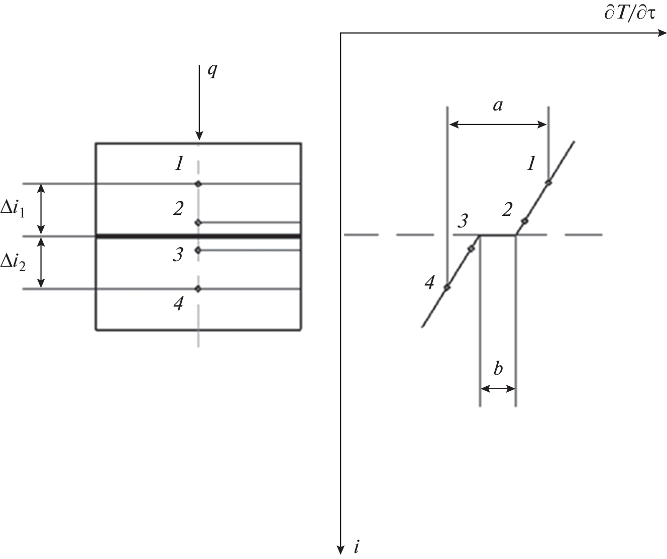
A physical model of a mechanical thermal switch at cryogenic temperatures is studied. In the model, heat is transferred due to contact heat conduction in a detachable contact pair of two copper cylinders. A mechanical thermal switch is developed using a cryomagnetic system with a 10-T superconducting solenoid, and the values of thermal contact conductance are determined in a temperature interval of 10–160 K, including values at a magnetic field of 5 T. In an experimental temperature interval of 60–80 K, close to the phase transition of the DyAl2 and GdNi2 compounds, the thermal contact conductance is 2300–3300 W/(m2 K). The effect of magnetic field of up to 5 T on thermal contact resistance is experimentally determined under vacuum conditions
About the authors
K. A. Kolesov
Kotelnikov Institute of Radioengineering and Eletcronics, Russian Academy of Sciences
Email: kolesovkka@mail.ru
Moscow, 125009 Russia
A. V. Mashirov
Kotelnikov Institute of Radioengineering and Eletcronics, Russian Academy of Sciences
Email: kolesovkka@mail.ru
Moscow, 125009 Russia
A. S. Kuznetsov
Kotelnikov Institute of Radioengineering and Eletcronics, Russian Academy of Sciences
Email: kolesovkka@mail.ru
Moscow, 125009 Russia
V. V. Koledov
Kotelnikov Institute of Radioengineering and Eletcronics, Russian Academy of Sciences
Email: kolesovkka@mail.ru
Moscow, 125009 Russia
A. O. Petrov
Kotelnikov Institute of Radioengineering and Eletcronics, Russian Academy of Sciences
Email: kolesovkka@mail.ru
Moscow, 125009 Russia
V. G. Shavrov
Kotelnikov Institute of Radioengineering and Eletcronics, Russian Academy of Sciences
Author for correspondence.
Email: kolesovkka@mail.ru
Moscow, 125009 Russia
References
- Klinar K., Swoboda T., Munoz M., Kitanovski A. // Adv. Electronic Mater. 2021. V. 7. № 3. Article No. 2000623. https://doi.org/10.1002/aelm.202000623
- Lambert M.A., Fletcher L.S. // J. Thermophysics Heat Transfer. 1997. V. 11. № 2. P. 129. https://doi.org/10.2514/2.6221
- Xian Y., Zhang P., Zhai et al. // Appl. Therm. Engineering. 2018. V. 130. P. 1530. https://doi.org/10.1016/j.applthermaleng.2017.10.163
- Clausing A.M., Chao B.T. // J. Heat Transfer. 1965. V. 87. № 2. P. 243. https://doi.org/10.1115/1.3689082
- Bahrami M., Culham J.R., Yananovich M.M., Schneider G.E. // Appl. Mechanics Rev. 2006. V. 59. № 1. P. 1. https://doi.org/10.1115/1.2110231
- Tariq A., Asif M. // Heat Mass Transfer. 2016. V. 52. № 2. P. 291. https://doi.org/10.1007/s00231-015-1551-1
- Drobizhev A., Reiten J., Singh V., Kolomensky Y.G. // Cryogenics. 2017. V. 85. P. 63. https://doi.org/10.1016/j.cryogenics.2017.05.008
- Попов В.М. Теплообмен в зоне контакта разъемных и неразъемных соединений. М.: Энергия, 1971.
- Gmelin E., Asen-Palmer M., Reuther M., Villar R. // J. Phys. D: Appl. Phys. 1999. V. 32. № 6. R19. https://doi.org/10.1088/0022-3727/32/6/004
- Koshkid’ko Yu.S., Dilmieva E.T. et al. // J. Alloys Compounds. 2022. V. 904. Article No. 164051. https://doi.org/10.1016/j.jallcom.2022.164051
- Кошкидько Ю.С., Дильмиева Э.Т., Каманцев А.П. и др. // РЭ. 2023. Т. 68. № 4. С.
- Fukuoka T., Nomura M. // J. Pressure Vessel Technol. 2013. V. 135. № 2. P. 021403. https://doi.org/10.1115/1.4007958
- Berman R., MacDonald D. // Proc. Royal Soc. A: Math., Phys., Engineering Sci. 1952. V. 211. № 1104. P. 122. https://doi.org/10.1098/rspa.1952.0029
Supplementary files









