Mathematical model for validating ADS-B messages on the airfield surface
- Authors: Plyasovskih A.P.1, Koposov A.V.1, Katricheva A.A.1
-
Affiliations:
- St. Petersburg State University of Civil Aviation named after Air Chief Marshal A.A. Novikov
- Issue: No 4 (2024)
- Pages: 93-115
- Section: Air traffic surveillance and management systems
- URL: https://journals.rcsi.science/2312-1327/article/view/278347
- DOI: https://doi.org/10.51955/2312-1327_2024_4_93
- ID: 278347
Cite item
Full Text
Abstract
The article proposes a mathematical model for validation of messages of automatic dependent surveillance of broadcasting type (ADS-B). The relevance of the study is due to the growing requirements for the security and reliability of information systems, as well as the need to ensure the integrity and reliability of transmitted information in the context of modern threats. The paper presents the main components of the model, including information sources, data transmission channels and error detection mechanisms. The proposed model describes the processes occurring in the ADS-B systems, taking into account artificial and natural interference that affects the reliability of surveillance information, allows you to predict the actions of intruders trying to violate the integrity of the ADS-B systems, and to predict the operation of the ADS-B system under interference, provides the possibility of developing effective methods to validate ADS-B messages in the terminal area. Thus, the presented mathematical model for validating ADS-B messages serves as an important step towards improving the reliability of information systems and protecting critical information from unauthorized access and distortion.
Keywords
Full Text
Введение
С целью повышения уровня безопасности движения на летном поле, в аэропортах используется усовершенствованная система управления наземным движением и контроля за ним (A-SMGCS). Эта система предназначена для обеспечения наблюдения, прокладки маршрута в целях управления воздушным движением (УВД) [Advanced Surface…, 2004]. Согласно глобальному аэронавигационному плану АЗН-В, являясь элементом системы А-SMGCS, предлагает менее затратное решение в плане наблюдения на аэродромах со средним уровнем сложности движения. Также при наличии АЗН-В в системах A-SMGCS на аэродроме улучшается ситуационная осведомленность пилотов для уменьшения времени руления, уменьшается количество столкновений на взлетно-посадочной полосе, что в свою очередь повышает безопасность полетов [Aeronautical Surveillance..., 2020; Global air..., 2016].
Но АЗН-В имеет недостатки в соответствии с [Aeronautical Surveillance..., 2020]:
- a) она зависит от надлежащей оснащенности всех воздушных судов. Это может быть серьезной проблемой, так как требуется установка и сертификация навигационного средства, способного предоставлять информацию о местоположении и скорости наряду с указанием на целостность и точность такой информации;
- b) существующие установки при получении данных о местоположении и скорости полагаются исключительно на GNSS. Поэтому возможны отказы в случаях, когда уровень характеристик или геометрия спутниковой группировки недостаточны для поддержки того или иного вида применения. Этот недостаток должен быть устранен в будущих системах, позволяющих интегрировать информацию GNSS с данными от других навигационных датчиков. Кроме того, появление системы «Галилео» должно улучшить работу GNSS;
- c) следует предусмотреть возможность проверки точности передаваемых данных о местоположении.
В работе предлагается математическая модель подтверждения достоверности сообщений АЗН-В на поверхности аэродрома. Эта модель с использованием формул описывает происходящие в системах АЗН-В процессы с учетом искусственных и естественных помех, влияющих на достоверность информации наблюдения, позволяет прогнозировать действия злоумышленников, пытающихся нарушить целостность систем АЗН-В и прогнозировать поведение системы АЗН-В в условиях помех. Новизна данной модели состоит в том, что она содержит модуль источника помех (спуфинга), модуль подтверждения достоверности сообщений АЗН-В и определения точности координат ВС.
Модель обеспечивает возможность разработки эффективных методов подтверждения достоверности сообщений АЗН-В и противодействия спуфингу в районе аэродрома. Это обеспечивает возможность использования АЗН-В в качестве самостоятельного средства наблюдения в аэропортах с невысокой интенсивностью воздушного движения в условиях неустойчивой работы GNSS, а также при наличии кибератак (спуфинга) на систему АЗН-В, которые могут повлечь за собой снижение уровня безопасности полетов.
Материалы и методы
Модель – это инструмент, с помощью которого можно изучать свойства интересующих нас системы или процесса.
В состав математической модели подтверждения достоверности сообщений АЗН-В на поверхности аэродрома входит:
- модуль бортового сегмента АЗН-В;
- модуль источника помех;
- модуль наземного сегмента АЗН-В, обеспечивающий подтверждение достоверности.
Рассмотрим представленную на рисунке 1 модель подтверждения достоверности сообщения АЗН-В на поверхности аэродрома, где отображены основные компоненты, а также в математической форме описаны процессы, происходящие в каждой ее составной части.
Введем условные обозначения:
– координата в момент времени ti-го ВС k-го сообщения, (м);
– истинные широта, долгота и высота i-го воздушного судна (ВС) (широта, долгота [°], высота[м]);
– начальная координата, [м];
– геометрическая высота [м];
– скорость ВС в данный момент времени, [м/с];
– начальный момент времени, [с];
– погрешность определения места навигационной системы, случайная величина;
– среднее квадратическое отклонение погрешности определения места ВС;
c – скорость света [м/с];
– широта, долгота, высота ложного ВС (широта, долгота [°], высота[м]);
t – момент времени, [с];
N – радиус кривизны первого вертикала эллипсоида;
– большая полуось Эллипсоида WGS-84 [м];
– малая полуось Эллипсоида WGS-84 [м];
– радиус Земли [м];
– квадрат эксцентриситета;
a – действительная полуось;
b – мнимая полуось;
– координаты станций в прямоугольной системе координат (СК);
– координаты ВС в прямоугольной СК;
– координаты точек гиперболы;
– расстояние от первой станции до ВС [м];
– расстояние от второй станции до ВС [м];
– время приема на станциях;
– время передачи сообщения;
– минимальное расстояние от гиперболы до ВС [м];
– минимальное допустимое расстояние от гиперболы до ВС [м].
Рисунок 1 – Модель подтверждения достоверности сообщения АЗН-В на поверхности аэродрома
Для понимания работы модели подтверждения достоверности сообщения АЗН-В на поверхности аэродрома рассмотрим детально каждый из ее сегментов.
Модель бортового сегмента АЗН-В
Пусть ВС движется по поверхности аэродрома. Исходные данные для модели:
– начальная координата, [м];
– геометрическая высота в метрах;
– проекция вектора скорости ВС на оси x, y, z соответственно в данный момент времени, [м/с]; – начальный момент времени, в секундах;
– начальный момент времени;
– разница между обновлением сообщений, шаг обновления равен 1 секунде;
– среднее квадратическое отклонение погрешности определения места ВС.
Так как воздушное судно находится в движении, зададим уравнения движения ВС в прямоугольной системе координат. Уравнения движения выглядят следующим образом:
Уравнения движения на аэродроме:
(1)
(2)
(3)
где – координата в момент времени t i-го ВС k-го сообщения, [м];
– начальная координата, [м];
– проекция вектора скорости ВС на оси x, y, z соответственно в данный момент времени, [м/с];
– момент времени передачи k-го сообщения [с];
– погрешность определения места навигационной системы, случайная величина, распределенная по нормальному закону c нулевым математическим ожиданием и с.к.о. .
Момент времени передачи сообщения определяется по формуле:
(4)
где – время передачи k-го – сообщения;
– начальный момент времени;
– шаг времени между сообщениями, равный 1 секунде;
k – номер сообщения.
Для возможности реализации процесса подтверждения достоверности сообщений, обрабатываемых АЗН-В, необходимо понимать, какая именно информация содержится в поступающем с борта ВС сигнале [EUROCONTROL…, 2015]:
- скорость ВС ();
- координаты ВС в WGS-84() – фактические координаты i-го ВС;
- время передачи сообщения ();
- информация о метеообстановке;
- номер борта;
- номер сообщения (k);
- магнитный курс;
- барометрическая высота ()
- геометрическая высота ().
Все эти вышеперечисленные данные определяются на борту ВС и передаются в сообщении АЗН-В.
Согласно [EUROCONTROL…, 2015], в сообщении АЗН-В передаются координаты в системе координат WGS-84, определенные при помощи спутниковой навигационной системы, как показано на рисунке 2.
(5)
(6)
где – координата в момент времени t i-го ВС k-го сообщения, [м];
– радиус земли;
N – радиус кривизны первого вертикала эллипсоида.
После расчета широты находится геодезическая высота:
(7)
И геодезическую долготу можно найти по формуле:
(8)
Рисунок 2 – Определение координат ВС при помощи ГНСС
На выходе бортового сегмента получаются фактические геодезические координаты в системе WGS-84, полученные при помощи ГНСС в соответствии с рисунком 2:
где – координаты, передаваемые в сообщении АЗН-В.
Ввиду того, что обрабатываемые станциями АЗН-В сообщения могут быть переданы не только ВС, но и злоумышленниками, ввиду того, что протокол передачи сообщений известен, появляется необходимость определения ложных сообщений. Рассмотрим помехи, которые могут влиять на безопасность движения на летном поле.
Модуль канала передачи данных
На входе данного модуля будет .
В качестве линии передачи данных с ВС на станцию АЗН-В используется беспроводная линия связи. В таком случае средой распространения сигнала является атмосфера. В атмосфере сообщение передается с помощью электромагнитной волны (радиоволны) с постоянной скоростью, равной скорости света ( м/c). Необходимым условием, учет которого обязателен при рассмотрении беспроводной линии связи, информация в которой передается с использованием радиоволны, является прямолинейность ее распространения.
Таким образом:
(9)
где – время передачи сообщения АЗН-В i-го ВС, k-го сообщения;
– координаты i-го ВС в момент передачи k-го сообщения;
– координаты j-ой станции;
c – скорость света.
Источник помех
На рисунке 3 приведена простейшая схема источника помех, отражающая сущность такого процесса, как спуфинг.
Рисунок 3 – Схема источника помех
Рассмотрим условные обозначения, отраженные на рисунке 3.
– истинные координаты i-го источника помех, k-го сообщения (злоумышленника);
– ложные координаты i-го ВС, k-го сообщения.
Источники помех могут быть разными. В данном случае рассматривается случай, когда злоумышленник вносит ложную информацию в сообщение, тем самым нанося ущерб авиационной системе и безопасности полетов. Одной из реализаций может быть спуфинг, когда в эфир передаются ранее перехваченные данные о ВС. В этом случае у диспетчера управления воздушным движением (УВД) на экране оборудования, отображающего радиолокационную обстановку, появятся две метки, обладающие одинаковыми данными, например, такими как бортовой номер. Такое вмешательство напрямую нарушает безопасность полетов, вводя диспетчера УВД в заблуждение ложной информацией.
Классификация основных атак, которые угрожают АЗН-В:
- Рекогносцировка воздушного судна, направленная на получение информации о движении ВС.
- Прямое подавление наземной станции, использующее источник помех на частоте передачи 1090 МГц с целью воздействия на наземное оборудование.
- Вброс ложной цели на наземной станции, что ведет к отображению на устройстве радиолокационной обстановки несуществующих ложных целей.
- Прямое подавление бортовой станции, использующее источник помех с целью воздействия на бортовое оборудование.
- Вброс ложной цели на бортовой станции, что влияет на анализ воздушной обстановки, информация о которой обрабатывается на борту ВС.
- Комбинации одного или нескольких обозначенных выше типов.
Анализируя приведенные возможные помехи, можно сделать вывод о большом спектре возможного влияния на процессы работы системы наблюдения на базе использования станций АЗН-В. Оценить влияние спуфинга на наземное оборудование или же на бортовое является необходимым для возможности предупреждения повторения подобных ситуаций, так как, в противном случае, может быть оказано негативное влияние на систему в целом: утрата конфиденциальности, снижение доверия к системе, потеря управления [Косьянчук и др., 2019].
Предлагаемая модель может защищать от вброса ложной цели. Таким образом, при обработке данных станциями АЗН-В есть вероятность получения одинаковых данных, источниками которых будут являться как реальное ВС, так и злоумышленник. Так, на рисунке 4 отображен процесс передачи ложной информации.
Рисунок 4 – Процесс внесения ложной информации
Данные, сформированные на борту воздушного судна и источника помех, поступают на станции АЗН-В для дальнейшей их передачи диспетчеру УВД. В связи с этим появляется необходимость рассмотрения модели наземного сегмента АЗН-В.
Модель наземного сегмента АЗН-В
Модель наземного сегмента состоит из двух модулей:
- модуля j-ых наземных станций АЗН-В;
- вычислительного модуля.
Рисунок 5 – Модель наземного сегмента
Рассмотрим модуль j-ых наземных станций АЗН-В.
На станции АЗН-В приходят сообщения с бортов ВС в формате согласно [EUROCONTROL…, 2015], описанные выше.
Поскольку подтверждение достоверности сообщения АЗН-В заключается в том, что необходимо подтвердить координатную информацию, то будем рассматривать координаты ВС.
Входом на блоке наземной станции будут координаты ВС и координаты ложного ВС:
где – координаты i-го ВС в ложном сообщении АЗН-В;
– координаты, передаваемые в сообщении АЗН-В от реального ВС.
Так как сообщения поступают на станции АЗН-В, для различия сообщений к каждому из передаваемых данных будет присвоен порядковый номер приемных станций, а также будет записываться время приема сообщений, поэтому на выходе данного блока будут:
где – координаты i-го ВС в ложном сообщении АЗН-В;
– координаты, передаваемые в сообщении АЗН-В от реального ВС.
– время приема k-го сообщения i-го ВС на j-ой станции.
Блок вычислителя
В вычислитель будут поступать данные из блока j-ых наземных станций АЗН-В, представленные выше. Координаты необходимо пересчитать на плоскость для подтверждения данных. Поэтому рассмотрим пересчет координат.
Пересчет координат из геодезической общеземной СК WGS-84 в топоцентрическую плоскую на местности
Так как в сообщении АЗН-В передаются геодезические координаты, необходимо выполнить пересчет координат в топоцентрическую систему координат (СК) для подтверждения достоверности. Для пересчета координат необходимо проанализировать координаты в геодезической СК и выбрать необходимые исходные данные.
Рисунок 6 – Геодезическая система координат, Источник: https://spbguga.ru/files/Geoinformatcionnye_osnovy_navigatcii_uchebnoe_posobie.pdf
Рассмотрим условные обозначения, приведенные на рисунке 5.
Геодезическая широта B – это угол, заключенный между плоскостью экватора и нормалью к поверхности эллипсоида в данной точке.
Геодезическая долгота L – это двугранный угол между плоскостями начального меридиана и меридиана данной точки.
Геодезическая высота Hг – расстояние от точки до поверхности эллипсоида по нормали к ней. Используется в случае, если измерения происходят не на поверхности эллипсоида [Сарайский, 2010].
Так как в сообщении АЗН-В передаются координаты в геодезической СК WGS-84, необходимо знать параметры эллипсоида WGS-84, для того чтобы перейти от СК WGS-84 к прямоугольной СК, в которой проводятся дальнейшие расчеты:
Большая полуось Эллипсоида WGS-84:
м.
Малая полуось Эллипсоида WGS-84:
м.
Радиус земли:
м.
Квадрат эксцентриситета:
Геоцентрическая прямоугольная система координат имеет начало координат в центре масс Земли, а оси имеют следующие направления:
- оси Х и Y лежат в плоскости Экватора перпендикулярно друг другу;
- ось Z проходит через направление вращения Земли и задает направление на север
(10)
(11)
(12)
(13)
где N – радиус кривизны первого вертикала эллипсоида.
Чтобы все преобразования получились, необходимо привести систему к топоцентрической СК. Топоцентрической СК называется такая СК, начало координат которой находится на поверхности Земли. В данной модели начало системы координат необходимо привести в середину базы между станциями АЗН-В. База – это линия, на которой находятся станции.
Рисунок 7 – Параллельный перенос и поворот системы координат, Источник: https://cyberleninka.ru/article/n/algoritm-preobrazovaniya-koordinat-iz-geotsentricheskoy-sistemy-v-topotsentricheskuyu-i-ego-primenenie-pri-stroitelstve-vo-vietname/viewer
На рисунке 7 представлен перенос и преобразование в плоскую систему координат. При помощи следующей матрицы преобразования [Чан и др., 2019]:
(14)
где – координаты точки преобразования в топоцентрической системе координат, i-го ВС сообщения на j-ой станции к-го сообщения;
– пространственные прямоугольные координаты пунктов в геоцентрической системе координат точки преобразования, i-го ВС сообщения на j-ой станции к-го сообщения;
– геодезические координаты центральной точки сетки (или начало топоцентрической системы координат);
N – радиус кривизны первого вертикала, проходящего через начало топоцентрической системы координат.
Из данной матрицы следует, что координаты на плоскости будут:
(15)
(16)
(17)
Подставив в представленные уравнения известные значения широты и долготы станций и ВС, получаются координаты на плоскости.
После пересчета координат, для подтверждения достоверности сообщения АЗН-В необходимо использовать разностно-дальномерный метод определения координат [Плясовских и др., 2023].
Разностно-дальномерный метод определения координат
Для реализации разностно-дальномерного метода определения координат нужен передатчик, установленный на борту ВС, который будет формировать сигнал и через антенну системы излучать его в пространство. Для приема и обработки переданного с борта ВС сигнала, на земле должны быть установлены станции, способные принимать и обрабатывать сигнал для получения информации о местоположении ВС.
Для подтверждения достоверности сообщения используется разностно-дальномерный метод, основанный на построении линии с постоянной разницей расстояний. Для получения разности расстояний воспользуемся следующими формулами1.
Найдём разницу времени прихода сообщения на разные станции АЗН-В:
(18)
(19)
(20)
где – время на первой станции;
– время на второй станции;
– время приема на станциях;
– время передачи сообщения.
Далее определим расстояние до каждой станции АЗН-В:
(21)
(22)
где – расстояние от первой станции до ВС;
– расстояние от второй станции до ВС;
– время приема на станциях;
– время передачи сообщения.
Так, появляется возможность определения разности расстояний:
(23)
где – расстояние от первой станции до ВС;
– расстояние от второй станции до ВС.
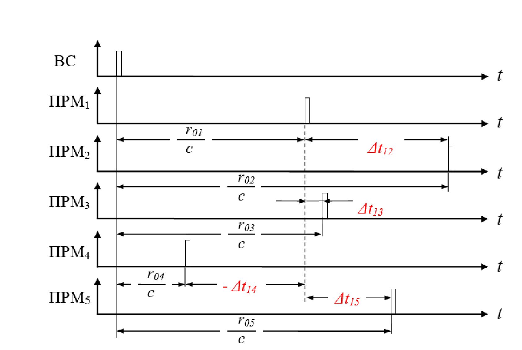
Представленный подход расчета разности расстояний и времени применяется при многопозиционном методе определения координат, временные диаграммы работы которого приведены на рисунке 8.
Рисунок 8 – Временная диаграмма работы многопозиционного метода определения координат, Источник: https://studylib.ru/doc/6578747/teoreticheskie-osnovy-radionavigacii-i-radiolokacii
Обязательным условием, необходимым для получения точной информации о местоположении ВС, является временная синхронизация всех наземных станций, так как в основе разностно-дальномерного метода заложен принцип определения разницы во времени прихода сигнала на все земные станции. Разница во времени прихода сигнала на разные наземные стации обуславливается различным расстоянием от источника до приемников. Таким образом, получив сведения от ВС, возникает возможность точного нахождения координат ВС.
Так как линия положения разностно-дальномерного метода представляет собой гиперболу, рассмотрим принцип построения гиперболы для определения точного местоположения источника передаваемой информации.
Уравнение гиперболы
Линия с постоянной разницей расстояний называется гиперболой. Гипербола является частным случаем сечением конуса. Для построения гиперболы необходимо вывести ее уравнение.
Зададим начальные условия, необходимые для построения гиперболы.
Пусть M (x, y) – произвольная точка, принадлежащая гиперболе, тогда, согласно известным свойствам гиперболы, можно записать условие:
где – фокусы гиперболы;
– фокусное расстояние;
a – действительная полуось гиперболы.
По определению гиперболы:
То есть,
где a – действительная полуось гиперболы;
d – мнимая полуось гиперболы.
Для получения канонического уравнения гиперболы выберем произвольную точку и получим для нее следующие математические выражения2:
,
,
Таким образом,
Упростив данное выражение, получаем каноническое уравнение гиперболы:
(24)
где h – это смещение центра гиперболы относительно оси абсцисс;
p – смещение центра гиперболы относительно оси ординат.
На рисунке 9 представлена гипербола вероятного местонахождения источника информации, которую обрабатывает наземная станция АЗН-В.
Рисунок 9 – Гипербола вероятного местоположения источника информации
Для построения гиперболы необходимо найти ее параметры, так называемое уравнение гиперболы. Чтобы найти уравнение, необходимо рассчитать параметры из формул, полученных ранее:
(25)
(26)
(27)
где d – это полуфокусное расстояние;
a– действительная полуось;
b– мнимая полуось;
– координаты станций при условии .
После нахождения точек гиперболы необходимо определить расстояние от точек гиперболы до ВС.
Нахождение расстояния от ВС до гиперболы
Для подтверждения координат из сообщения АЗН-В необходимо найти и сравнить расстояние между координатами гиперболы и координатами из сообщения. Чтобы найти расстояние между точками гиперболы и ВС, воспользуемся следующей формулой:
(28)
где – координаты воздушного судна, i-го ВС сообщения на j-ой станции к-го сообщения;
– координаты точек гиперболы k-го сообщения.
Из множества расстояний находится минимальное, по которому можно судить о достоверности сообщения:
В таком случае, зная значение , появляется возможность оценить достоверность полученного сообщения, учитывая условия [Копосов и др. 2023]:
Если
то принятое сообщение достоверно.
Если
то принятое сообщение недостоверно.
Используемое для оценки достоверности принятого сообщения значение величины выбирается исходя из данных, приведенных в сертификационных требованиях (БАЗИС) к широкозонным и аэродромным МПСН. Так, для площади аэродрома значения соответствуют 7,5 м (с доверительным уровнем 95%) и 12 м (с доверительным уровнем 99%) [Сертификационные требования…, 2018].
Результаты
В результате работы были получено:
- Получена математическая модель подтверждения достоверности сообщений АЗН-В на поверхности, отличающаяся от уже существующих аналогов тем, что в ней присутствуют модуль подтверждения достоверности, а также модуль помех.
- В модели рассмотрен источник помех, воздействующий на безопасность полетов. Учитывая возможность спуфинга, компоненты предложенной модели способствуют выявлению преднамеренно ложных сообщений.
- Предложено разделение математической модели на два сегмента: бортовой и наземный для более детального рассмотрения происходящих в системе наблюдения на базе наземных станций АЗН-В процессов.
- Учитывая возможность подтверждения достоверности сообщений АЗН-В, появляется возможность использования системы наземных станций АЗН-В в качестве самостоятельного средства наблюдения без привлечения дополнительных источников информации, таких как МПСН и ВРЛ.
Обсуждение
Вопрос достоверности сообщений АЗН-В актуален на сегодняшний день, так как системы АЗН-В являются перспективными и менее затратными средствами наблюдения [Aeronatical Surveillance…, 2020]. Так, например, организация процесса наблюдения при помощи МПСН на аэродроме Пулково стоит 130 млн рублей, а стоимость станции АЗН-В, для сравнения, составляет около 13 млн рублей [Плясовских и др., 2020]. Для организации наблюдения при использовании представленной модели понадобится минимум две станции. Соответственно, организация процесса наблюдения при помощи АЗН-В является более выгодной со стороны экономической составляющей в отличие от применения МПСН и ВРЛ.
Вопрос с подтверждением данных АЗН-В изучался в работах3 [Калинцев и др., 2021; Плясовских, 2022; Плясовских и др., 2019; A Study of…, 2013; Hammad et al., 2023], в результате были подробно рассмотрены проблемы подтверждения достоверности, а также предложены методы и методики подтверждения данных АЗН-В для полетов на эшелоне, в районе аэродрома.
Еще одним положительным аспектом использования АЗН-В является повышение ситуационной осведомленности, что, в свою очередь, позволяет увеличить пропускную способность, а также повысить уровень безопасности полетов. Как известно, повышение гибкости и эффективности использования воздушного пространства позволяет говорить о совершенствовании уже существующей авиационной системы.
Данная модель позволяет разработать методики и алгоритмы подтверждения достоверности сообщений АЗН-В, о чем планируются дальнейшие публикации.
Заключение
Ввиду того, что авиации, как сфере деятельности, присуще динамичное развитие, следует предпринимать шаги к решению актуальных вопросов, связанных с поддержанием высокого уровня безопасности полетов, а также учитывать возрастающие потребности в более эффективном использовании воздушного пространства.
Системы наблюдения, в особенности в аэродромной зоне, являются важным компонентом авиационной системы, который способен повлиять на безопасность в области авиации. Применение перспективных средств, таких как АЗН-В, является важным аспектом создания усовершенствованной системы контроля и управления воздушным движением.
Практическая значимость представленной работы напрямую связана с решением вопросов, касающихся безопасности, экономичности и эффективности выполнения полетов воздушных судов, что оказывает непосредственное влияние на авиационную систему в целом. Использование разработанной модели подтверждения достоверности сообщений АЗН-В на аэродроме позволяет оказать положительное влияние на существующие системы наблюдения путем использования новых методик и алгоритмов, которые позволят более эффективно использовать имеющиеся системы, а также использовать систему АЗН-В в качестве самостоятельного средства наблюдения на аэродроме.
1 Григорьев С. В. Теоретические основы радионавигации и радиолокации. Ч.1 Методы радионавигационных определений: Уч. пособие. СПб.: СПБГУГА, 2018. 279 с.
2 Мышкис А. Д. Лекции по высшей математике: учебное пособие. 6-е изд., испр. СПб.: Издательство «Лань», 2009. 688 с.
3 Григорьев С. В. Теоретические основы радионавигации и радиолокации. Ч.1 Методы радионавигационных определений: Уч. пособие. СПб.: СПБГУГА, 2018. 279 с.
About the authors
Alexander P. Plyasovskih
St. Petersburg State University of Civil Aviation named after Air Chief Marshal A.A. Novikov
Author for correspondence.
Email: al.plyasovskih@yandex.ru
ORCID iD: 0000-0003-2250-8852
Doctor of Technical Sciences, Professor
Russian Federation, 38, Pilotov Street Saint-Petersburg, 196210Artem V. Koposov
St. Petersburg State University of Civil Aviation named after Air Chief Marshal A.A. Novikov
Email: a.kop33@mail.ru
ORCID iD: 0009-0002-4886-9250
Postgraduate student
Russian Federation, 38, Pilotov Street Saint-Petersburg, 196210Alexandra A. Katricheva
St. Petersburg State University of Civil Aviation named after Air Chief Marshal A.A. Novikov
Email: a.katricheva@gmail.com
ORCID iD: 0009-0009-7737-4821
Postgraduate student
Russian Federation, 38, Pilotov Street Saint-Petersburg, 196210References
- Advanced Surface Movement Guidance and Control Systems (A-SMGCS) Manual. Doc 9830 AN/452/ ICAO, 2004. 89 p.
- Aeronautical Surveillance Manual. Doc. 9924 AN/474. ICAO, 2020. 372 p.
- Ali Busyairah Syd, Schuster Wolfgang, Ochien Washington, Majumdar Arnab Kian, Chiew Thiam. (2013). A Study of ADS-B Data Evaluation and Related Problems // Proceedings of the 2013 International Technical Meeting of The Institute of Navigation, San Diego, California, January 2013, рp. 444-455.
- Certification requirements (Basis) for multi-position airfield surveillance systems [according to the letter of the Department of Development Programs of the Ministry of Transport of the Russian Federation No. 08-04/5228-IS of 15 March 2018]. 7 с. (in Russian)
- Chan T. S., Kuzin A. A. (2019). Algorithm for converting coordinates from a geocentric system to a topocentric one and its application in construction in Vietnam. Bulletin of SGUGiT. 24(1): 59-71. (in Russian)
- EUROCONTROL Specification for Surveillance Data Exchange ASTERIX Part 12 Category 21 ADS-B Target Reports 2015
- Global air navigation plan 2016–2030. Doc. 9750 AN/963, Fifth Edition. ICAO, 2016. 142 p.
- Guidance on Systemic Risk Management and Government Oversight (A-SMGCS). Document 9830 AN/452/ICAO, 2004. 89 p.
- Hammad A. Kh., Haibat Kh., Salman G. (2023). Securing ADS-B Communications through a Novel Authentication Framework. IEEE journal on selected areas in communications. XX(X).
- Kalintsev A. S., Rubtsov E. A., Plyasovskih A. P. (2021). Confirmation of ADS-B data in the aerodrome traffic zone by gating method. T-Comm. 15(7): 39-49. doi: 10.36724/2072-8735-2021-15-7-39-49. (in Russian)
- Koposov A. V., Davidenko V. Y., Shaidurov I. G. (2023). Detection of ADS-B spoofing on the airfield surface using two receiving stations AZN-v. Radionavigation and time: Proceedings of the NWRC of the Almaz-Antey Concern. 13(21): 108-117. (in Russian)
- Kosianchuk V. V., Selvesiuk N. I., Khammatov R. R. (2019). An overview of the main ways to improve the ADS-B system security. Civil Aviation High Technologies. 22(1): 39-50. (in Russian).
- Plyasovskih A. P. Law of aberration and its applications in navigation and air traffic control. Moscow: Znanie-M, 2022. 70 с. (in Russian)
- Plyasovskih А. Р., Rubtsov Е. А. (2019). Reliability estimation method of ADS-B information for surface movement guidance and control system. Vestnik Saint Petersburg State University of Civil Aviation. 3(24): 90-102. (in Russian)
- Plyasovskih А. Р., Rubtsov Е. А. (2020). Theoretical substantiation of confirmation of the validity of information about the location of the object on the work area of the aerodrome. T-Comm. 14(3): 32-40. doi: 10.36724/2072-8735-2020-14-3-32-40. (in Russian)
- Sarayskiy Y. N. (2010). Geoinformation bases of navigation. Saint-Petersburg: University of Civil Aviation, 2010. 248 p. EDN QKJUUT.
Supplementary files












