VEGETATION AND CLIMATE CHANGES IN THE SOUTHERN URALS IN THE LATE GLACIAL AND HOLOCENE DERIVED FROM POLLEN RECORD OF LAKE BOLSHOE MIASSOVO1
- Авторлар: Nigamatzyanova G.R.1, Frolova L.A.1, Nigmatullin N.M.1, Yusupova A.R.1, Nurgaliev D.K.1
-
Мекемелер:
- Kazan Federal University
- Шығарылым: Том 54, № 4 (2023)
- Беттер: 179-194
- Бөлім: Paleolimnological research in Russia: from Kaliningrad to Kamchatka
- URL: https://journals.rcsi.science/2949-1789/article/view/232946
- DOI: https://doi.org/10.31857/S2949178923040060
- EDN: https://elibrary.ru/GPLFNE
- ID: 232946
Дәйексөз келтіру
Толық мәтін
Аннотация
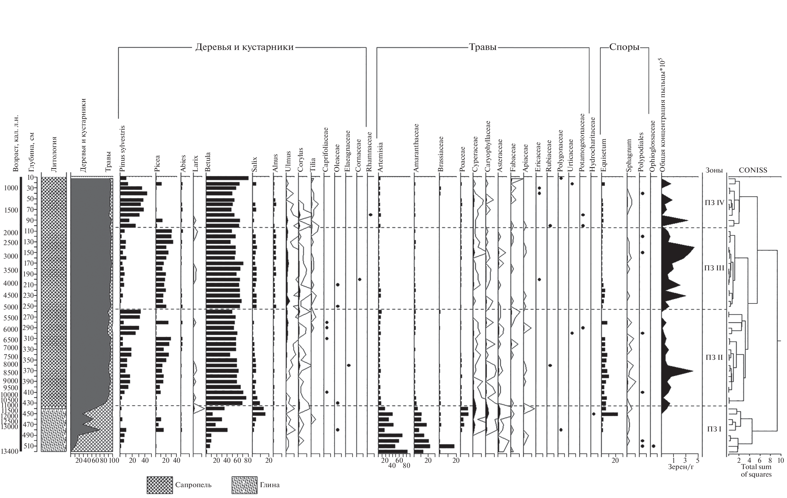
A spore-pollen analysis of a 526 cm sediment core retrieved from Lake Bolshoe Miassovo, Southern Urals, was carried out. The obtained data made it possible to reconstruct the vegetation cover in the lake’s catchment area and the climatic situation of the region for 13 400 cal yr BP, which significantly expands and complements the paleogeographic chronicle of the Southern Urals. It was found that in the range of 13 400–12 700 cal yr BP in the conditions of a relatively warm and dry climate of Allerød, periglacial forest-steppe formations were widespread in the studied region. Steppe herb communities and birch-pine sparse woodlands with spruce grew on open landscapes. The pine degradation and replacement of spruce with more cold-resistant larch was most likely caused by a cooling in the period of 12 700–11 700 cal yr BP, which corresponds to the Younger Dryas. The periglacial forest-steppe formations are replaced by birch forests since 11 700 cal yr BP. The significant changes in the vegetation cover of the lake’s catchment area indicate warming and humidification of the climate at the beginning of the Holocene. The dominance of birch forests in the interval of 11 300–10 300 cal yr BP, probably, corresponds to the second half of the Pre-Boreal period. The distribution of pine and spruce in the range of 10 300–8300 cal yr BP indicates a warming of climatic conditions in the Boreal period. Since 8400 cal yr BP the proportion of broad-leaved species in the tree stand increases. The broad-leaved species cover reached its peak between 6000–4500 cal yr BP at the end of the Atlantic - the beginning of the Sub-Boreal period (Holocene climatic optimum). Some cooling of the climate was observed in the range of 4500–2000 cal yr BP, which presumably corresponds to the Sub-Boreal and the beginning of the Sub-Atlantic period. The birch forest with spruce and broad-leaved species grew in the lake’s catchment area. Some aridization and warming of the climate in the Sub-Atlantic period in the range of 1800–1000 cal. yr BP led to an increase in the role of pine and a reduction of spruce in the area around the lake. Since 1800 cal yr BP the vegetation of the territory adjacent to Lake Bolshoe Miassovo was similar to the modern one: pine-birch forests with an admixture of dark coniferous and broad-leaved species prevailed on the territory.
Негізгі сөздер
Авторлар туралы
G. Nigamatzyanova
Kazan Federal University
Хат алмасуға жауапты Автор.
Email: GuRNigamatzyanova@kpfu.ru
Russia, Kazan
L. Frolova
Kazan Federal University
Email: GuRNigamatzyanova@kpfu.ru
Russia, Kazan
N. Nigmatullin
Kazan Federal University
Email: GuRNigamatzyanova@kpfu.ru
Russia, Kazan
A. Yusupova
Kazan Federal University
Email: GuRNigamatzyanova@kpfu.ru
Russia, Kazan
D. Nurgaliev
Kazan Federal University
Email: GuRNigamatzyanova@kpfu.ru
Russia, Kazan
Әдебиет тізімі
- Andreeva M.A., Veisberg E.I., Gavrilkina S.V. et al. (2000). Ekologiya ozera Bol’shoe Miassovo (Ecology of Lake Bolshoe Miassovo). Miass: IGZ UrO RAN (Publ.). 318 p. (in Russ.)
- Bjune A.E., Greve A.I., Brendryen J. et al. (2022). Rapid climate changes during the Lateglacial and the early Holocene as seen from plant community dynamics in the Polar Urals, Russia. Journal of Quaternary Science. Vol. 37. Iss. 5. P. 805–817. https://doi.org/10.1002/jqs.3352
- Borisov A.S. (2004). Sistema tekhnologicheskogo obespeche-niya paleomagnitnykh issledovanii otlozhenii sovremennykh ozer (The system of technological support for paleomagnetic studies of sediments of modern lakes). PhD thesis. Kazan: KGU (Publ.). 45 p. (in Russ.)
- Demezhko D.Yu., Golovanova I.V. (2007). Climatic changes in the Urals over the past millennium – an analysis of geothermal and meteorological data. Clim. Past. Vol. 3. P. 237–242. https://doi.org/10.5194/cp-3-237-2007
- Frolova L.A. (2016). Subfossil Cladocera (Branchiopoda, Crustacea) in climatic and palaeoenvironmental investigations in Eastern Siberia (Russia). 16th Int. Multidiscip. Sci. GeoConf. SGEM 2016. Book 4. Vol. 2. P. 601–606. https://doi.org/10.5593/SGEM2016/B42/S19.077
- Frolova L.A., Frolova A.A. (2017). Implification of ephippium analysis (Cladocera, Branchiopoda, Crustacea) for reconstruction of past environmental changes in Central Yakutia, Russia. 17th Int. Multidiscip. Sci. GeoConf. SGEM 2017. Vol. 17. Iss. 41. P. 481–486. https://doi.org/10.5593/sgem2017/41/S19.061
- Frolova L.A., Ibragimova A.G., Ulrich M. et al. (2017). Reconstruction of the history of a thermokarst lake in the Mid-Holocene based on an analysis of subfossil Cladocera (Siberia, Central Yakutia). Contemporary Problems of Ecology. Vol. 10. No. 4. P. 423–430. https://doi.org/10.1134/S1995425517040023
- Grichuk V.P., Zaklinskaya E.D. (1948). Analiz iskopaemykh pyl’tsy i spor i ego primenenie v paleogeografii (Analysis of fossil pollen and spores and its application in paleogeography). Moscow: Geografiz (Publ.). 224 p. (in Russ.)
- Grimm E. (1987). CONISS: a FORTRAN 77 program for stratigraphically constrained cluster analysis by the methods of incremental sum of squares. Comput. Geosci. Vol. 13. P. 13–15.
- Grimm E. (1991). Tilia TILIA and TILIAGRAPH. Springfield: Illinois State Museum. 56 p.
- Ivchenko T.G. (2013). Mire vegetation of the Il’menski State Nature Reserve, the Southern Urals. Rastitel’nost’ Rossii. No. 22. P. 38–62. (in Russ.)
- Kats N.Ya., Kats S.V. (1978). About vegetation changes in the eastern foothills of the Southern Urals in the post-glacial period. Bull. Soc. Imp. Nat. N.s. Mosc. Biol. Iss. 83. Vol. 3. P. 89–97. (in Russ.)
- Khomutova V.I., Andreeva M.A., Davydova N.N. et al. (1995). Southern Urals. Lake Uvildy. Istoriya ozer Se-vera Azii (Seriya: Istoriya ozer) (History of the Lakes of the North of Asia (Series: History of Lakes)). Saint Petersburg: Nauka (Publ.). P. 22–40. (in Russ.)
- Khotinskii N.A. (1977). Golotsen Severnoi Evrazii. Opyt transkontinental’noi korrelyatsii etapov razvitiya rastitel’nosti klimata. K X Kongressu INQUA (Velikobritaniya) (Holocene of Northern Eurasia. Experience of transcontinental correlation of stages of vegetation climate development. To the X Congress of INQUA (Great Britain)). Moscow: Nauka (Publ.). 198 p. (in Russ.)
- Khotinskii N.A., Nemkova V.K., Surova T.G. (1982). The main stages of the development of vegetation and climate of the Urals in the Holocene. Arkheologicheskie issledovaniya severa Evrazii. Sverdlovsk: UrGU (Publ.). P. 147–148. (in Russ.)
- Koroteeva E.V., Veisberg E.I., Kuyantseva N.B. (2005). Ilmen state nature reserve – regional phytomonitoring station. Izvestiya ChNC UrO RAN. 2005. Vol. 2. No. 28. P. 119–123. (in Russ.)
- Krivonogov S.K., Zhdanova A.N., Solotchin P.A. et al. (2023). The Holocene environmental changes revealed from the sediments of the Yarkov sub-basin of Lake Chany, south-western Siberia. Geosci. Front. Vol. 14. Iss. 2. No. 1015182023. https://doi.org/10.1016/j.gsf.2022.101518
- Kulikov P.V. (2005). Konspekt flory Chelyabinskoi oblasti (sosudistye rasteniya) (Abstract of the flora of the Chelyabinsk region (vascular plants)). Ekaterinburg–Miass: Geotur (Publ.). 538 p. (in Russ.)
- Kupriyanova L.A., Aleshina L.A. (1972). Pyl’tsa i spory rastenii flory SSSR. T. 1. (Pollen and spores of plants of the flora of the USSR. Iss. 1.) Leningrad: Nauka (Publ.). 171 p. (in Russ.)
- Kupriyanova L.A., Aleshina L.A. (1978). Pyl’tsa i spory rastenii flory SSSR. T. 2. (Pollen and spores of plants of the flora of the USSR. Iss. 2.) Leningrad: Nauka (Publ.). 184 p. (in Russ.)
- Lapteva E.G., Korona O.M. (2012). Holocene vegetation changes and anthropogenic influence in the forest-steppe zone of the Southern Trans-Urals based on pollen and plant macrofossil records from the Sukharysh cave. Vegetation History and Archaeobotany. Vol. 21. P. 321–336. https://doi.org/10.1007/s00334-011-0333-z
- Lapteva E.G., Korona O.M., Zhilin M.G. (2020). The Early Holocene vegetation changes in the vicinity of the Gorbunovo peat bog in the Middle Urals (Russia). The 5th Int. Conf. “Ecosystem dynamics in the Holocene”. IOP Conf. Series: Earth and Environmental Science. Vol. 438. No. 012013. https://doi.org/10.1088/1755-1315/438/1/012013
- Lapteva E.G., Zaretskaya N.E., Kosintsev P.A. et al. (2017). First Data on the Middle to Late Holocene Dynamics of Vegetation in the Upper Kama Region. Russ. J. Ecol. Vol. 48. No. 4. P. 326–334. https://doi.org/10.1134/S1067413617040099
- Markov K.K. (Ed.). (1950). Pyl’tsevoi analiz (Pollen analysis). Moscow: Gos. geollit (Publ.). 571 p. (in Russ.)
- Maslennikova A. (2022). Holocene environments in the Middle Urals: Palaeolimnological proxies from the Lake Tavatui (Russia). Quat. Int. Vol. 622. P. 51–64. https://doi.org/10.1016/j.quaint.2022.02.033
- Maslennikova A.V., Deryagin V.V., Udachin V.N. (2012). Reconstruction of Holocene lake sedimentation conditions of Southern Urals east slope. Litosfera. No. 2. P. 21–32. (in Russ.)
- Maslennikova A.V., Udachin V.N. (2017). Lakes ecosystem response to Holocene climate changes and human impact in the Southern Urals: Diatom and geochemical proxies. The Holocene. Vol. 27. Iss. 6. P. 847–859. https://doi.org/10.1177/0959683616675942
- Maslennikova A.V., Udachin V.N., Aminov P.G. (2016). Lateglacial and Holocene environmental changes in the Southern Urals reflected in palynological, diatom, geochemical records from the Lake Syrytkul sediment. Quat. Int. Vol. 420. Iss. 28. P. 65–75. https://doi.org/10.1016/j.quaint.2015.08.062
- Maslennikova A.V., Udachin V.N., Deryagin V.V. (2014). Paleoekologiya i geokhimiya ozernoi sedimentatsii golotsena Urala (Paleoecology and geochemistry of lake sedimentation of the Ural Holocene). Ekaterinburg: RIO UrO RAN (Publ.), 2014. 136 p. (in Russ.)
- Maslennikova A.V., Udachin V.N., Deryagin V.V. et al. (2018). Reconstruction of Turgoyak lake (the Southern Urals) ecosystem changes in Holocene. Litosfera. Iss. 18. No. 6. P. 914–927. (in Russ.). https://doi.org/10.24930/1681-9004-2018-18-6-914-927
- Maslennikova A.V., Udachin V.N., Pirogov D.V. et al. (2016). Paleolimnological reconstruction of Late Glacial and Holocene environments of Middle Urals. Litosfera. No. 6. P. 166–176. (in Russ.)
- Mukhin V.A., Veisberg E.I., Kuyantseva N.B. et al. (2013). The role of aquatic macrophytes in organic substance circulation in the foothill lake Big Miassovo (South Ural). Izvestiya SNC RAN. Iss. 15. No. 3 (2). P. 758–761. (in Russ.)
- Nazarova L.B., Frolova L.A., Palagushkina O.V. et al. (2021). Recent shift in biological communities: A case study from the Eastern European Russian Arctic (Bol’shezemelskaya Tundra). Pol. Biol. Vol. 44. Iss. 6. P. 1107–1125. https://doi.org/10.1007/s00300-021-02876-7
- Nazarova L.B., Frolova L.B., Kosareva L.R. et al. (2014). Magneto-Mineralogical and Biological Properties of Sediments of the Lake Bolshoy Kharbey. J. SFU. Bio-logy. Iss. 7. No. 4. P. 372–394. (in Russ.)
- Nemkova V.K. (1992). Flora and vegetation of the Urals in the Pliocene, Pleistocene and Holocene. Flora i fauna kainozoya Predural’ya i nekotorye aspekty magnitostratigrafii. Ufa: BNC UrO RAN (Publ.). P. 11–32. (in Russ.)
- Nigamatzyanova G.R., Frolova L.A., Nigmatullin N.M. et al. (2020). Vegetation and climate changes in the northeast European Russia (Nenets Autonomous Okrug, Russia). 20th Int. Multidiscip. Sci. GeoConf. SGEM 2020. Vol. 20. Iss. 4.1. P. 547–552. https://doi.org/10.5593/sgem2020/4.1/s19.068
- Nigamatzyanova G.R., Frolova L.A., Nigmatullin N.M. et al. (2023). Vegetation and climate changes in the Southern Urals in the Late Glacial and Holocene derived from pollen record of Lake Bolshoe Miassovo. Geomorfologiya i Paleogeografiya. Vol. 54. No. 4. P. 179–194. (in Russ.). https://doi.org/10.31857/S2949178923040060; https://elibrary.ru/GPLFNE
- Nigamatzyanova G., Frolova L., Nurgaliev D. (2019). Preliminary results of palynological investigation of bottom sediments from lake Big Miassovo (Chelyabinsk Oblast, Russia). 19th Int. Multidiscip. Sci. GeoConf. SGEM 2019. Vol. 19. Iss. 5.1. P. 567–572. https://doi.org/10.5593/sgem2019/5.1
- Nigamatzyanova G.R., Frolova L.A., Nurgaliev D.K. (2019). Preliminary results of spore-pollen analysis of the core of bottom sediments of the lake Bol’shoe Miassovo (Chelyabinsk region). Ozera Evrazii: problemy i puti ikh resheniya. Ch. 1. Казань: Izdatel’stvo Akademii nauk RT (Publ.). Vol. 1. P. 129–132. (in Russ.)
- Nigamatzyanova G.R., Nigmatullin N.M., Tumanov O.N. et al. (2020). Pollen data from bottom sediments of a tundra lake in the Yerkuta River basin on the Yamal Peninsula. Data Brief. Vol. 44. 108539. https://doi.org/10.1016/j.dib.2022.108539
- Nigamatzyanova G.R., Nigmatullin N.M., Valieva E.A. et al. (2022). Reconstruction of vegetation cover and climatic changes of the Late Glacial and Holocene of the Southern Urals based on spore-pollen analysis of bottom sediments of Lake Bolshoe Miassovo. GREG 2022: Mezhdunar. nauch.-issl. konf. “Emissiya parnikovykh gazov segodnya i v geologicheskom proshlom: istochniki, vliyanie na klimat i okruzhayushchuyu sredu”. Kazan: KFU (Publ.). P. 33. (in Russ.)
- Nigmatullin N.M., Nigamatzyanova G.R., Valieva E.A. et al. (2021). Recent Сladocera (Branchiopoda, Crustacea) in the taphocenoses of lakes of the Pechora River delta (Russia). Uch. Zap. Kazan. Un-ta. Ser. Estestv. Nauki. Vol. 3. Iss. 163. P. 527–537. https://doi.org/10.26907/2542-064X.2021.3.527-537 (in Russ.)
- Novenko E.Yu. (2020). Landscape and climatic changes in the forest zone of Central and Eastern Europe in the Holocene: a retrospective analysis and scenarios of the evolution of the natural environment. Ekosistema: ekologiya i dinamika. Iss. 4. No. 4. P. 57–80. (in Russ.)
- Nurgaliev D., Kuzina D., Krylov P. et al. (2019). Climate changes over the last 13500 years based on lake sediments studies (Lake Bolshoe Miassovo, South Ural, Russia). 19th Int. Multidiscip. Sci. GeoConf. SGEM 2019. Vol. 19. Iss. 4.1. P. 925–930. https://doi.org/10.5593/sgem2019/4.1/S19.117
- Palagushkina O.V., Nazarova L.B., Frolova L.A. (2014). Diatoms of Holocene Sediments of Lake Bolshoy Kharbei (Bolshezemelskaya Tundra, Russia). J. SF. Bio-logy. Iss. 7. No. 4. Iss. 7. P. 395–410. (in Russ.)
- Panova N.K. (2018). Transformation of vegetation communities in the taiga zone of the Urals during the Holocene. Mat-ly IV mezhdunar. nauch. konf. “Ekologiya i geografiya rastenii i rastitel’nykh soobshchestv”. Ekaterinburg: UUGI (Publ.). P. 648–652. (in Russ.)
- Panova N.K., Antipina T.G. (2014). Late glacial and Holocene environmental history on the eastern slope of the Middle Ural Mountains, Russia. The Quaternary of the Urals: global trends and Pan-European Quaternary records: Int. Conf. INQUA-SEQS. P. 110–112.
- Panova N.K., Antipina T.G. (2016). Late Glacial and Holocene environmental history on the eastern slope of the Middle Ural Mountains, Russia. Quat. Int. Vol. 420. P. 76–89. https://doi.org/10.1016/j.quaint.2015.10.035
- Panova N.K., Antipina T.G. (2017). Holocene history of forests on the eastern slope of the Middle Urals. Lesa Rossii i khozyaistvo v nikh. Iss.3. No. 62. P. 53–64. (in Russ.)
- Rasmussen S.O., Andersen K.K., Svensson A.M. et al. (2005). A new Greenland ice core chronology for the last glacial termination. J. Geophys. Res. Vol. III. D06102. https://doi.org/10.1029/2005JD006079.
- Reille M. (1992). Pollen et spores d’Europe et d’Afrique du nord. Laboratoire de botanique historique et palynologie. Marseille: URA CNRS (Publ.). 520 p.
- Reille M. (1995). Pollen et spores d’Europe et d’Afrique du nord Supplement 1. Laboratoire de botanique historique et palynologie. Marseille: URA CNRS (Publ.). 520 p.
- Reille M. (1998). Pollen et spores d’Europe et d’Afrique du nord Supplement 2. Laboratoire de botanique historique et palynology. Marseille: URA CNRS (Publ.). 530 p.
- Rogozin A.G. (2014). The ecological problems in the Kisegatch-Miassovo lake system (the Southern Urals, Russia). Ekologicheskaya otsenka i kartografirovanie. No. 5. P. 20–24. (in Russ.)
- Rogozin A.G., Gavrilkina S.V. (2015). Long-term Variations of the Thermal Regime of Lake Bol’shoe Miassovo (South Urals) as a Result of the Climate Warming. Russian Meteorology and Hydrology. Vol. 40. No. 8. P. 561–564. https://doi.org/10.3103/S1068373915080099
- Shumilovskikh L.S., Schmidt M., Pereskokov M. et al. (2020). Postglacial history of East Europeanboreal forests in the mid-Kama region, pre-Urals, Russia. Boreas. Vol. 49. P. 526–543. https://doi.org/10.1111/bor.12436
- Sladkov A.N. (1967). Vvedenie v sporovo-pyl’tsevoi analiz (Introduction to spore-pollen analysis). Moscow: Nauka (Publ.). 271 c. (in Russ.)
- Snitko L.V., Snitko V.P. (2014). Phytoplankton as an Indicator in Assessing Long-Term Variations in Water Quality of Lakes Bolshoye Miassovo and Turgoyak, the South Urals. Water Resour. Vol. 41. Iss. 2. P. 210–217. https://doi.org/10.1134/S0097807814020146
- Stockmarr J. (1972). Determination of spore concentration with in electronic particle counter. Geological. P. 87–89.
- Valieva E., Frolova L., Nigamatzyanova G. et al. (2020). Diatoms in bottom sediments of the arctic lake in the Pechora River delta (Nenets Autonomous Okrug, Russia). 4th Int. Multidiscip. Sci. GeoConf. SGEM 2004. Vol. 4. Iss. 1. P. 391–398. https://doi.org/10.5593/sgem2020/4.1/s19.049
- Valieva E.A., Frolova L.A., Palagushkina O.V. et al. (2023). Late Glacial and Holocene history of Lake Bolshoe Miassovo (Southern Urals) based on diatom analysis of bottom sediments. Geomorfologiya i Paleogeografiya. Vol. 54. No. 4. P. 195–206. https://doi.org/10.31857/S2949178923040151; https://elibrary.ru/YCGMKY
- Veisberg E.I. (2014). Water vegetation diversity of Big Miassovo – Small Miassovo lake system (South Ural). Turczaninowia. 2014. Vol. 17. No. 4. P. 84–96. (in Russ.). https://doi.org/10.14258/turczaninowia.17.4.15
- Velichko А.А. (Ed.) (2009). Paleoklimaty i paleolandshafty vnetropicheskogo prostranstva Severnogo polushariya. Atlas-monografiya (Paleoclimates and paleolandscapes of the extratropical space of the Northern Hemisphere. Atlas-monograph). Мoscow: GEOS (Publ.). 120 с. (in Russ.)
Қосымша файлдар






