Analysis of Work Parameters of the Device for Hydraulic Removal of Weed Vegetation
- Authors: Khort D.O.1, Izmaylov A.Y.1, Smirnov I.G.1, Filippov R.A.1, Kutyrev A.I.1
-
Affiliations:
- Federal Scientific Agroengineering Center VIM
- Issue: Vol 29, No 4 (2019)
- Pages: 614-634
- Section: Processes and Machines of Agroengineering Systems
- Submitted: 02.10.2025
- Accepted: 02.10.2025
- Published: 31.12.2019
- URL: https://journals.rcsi.science/2658-4123/article/view/316594
- DOI: https://doi.org/10.15507/2658-4123.029.201904.614-634
- ID: 316594
Cite item
Full Text
Abstract
Introduction. The justification of parameters and introduction of new environmentally friendly technologies and technical means for weed control in the stalk zone is a pressing issue of major economic importance. The aim of the study is to justify the effective modes of operation trailer machine for the hydraulic removal weeds on the industrial plantation of horticultural crops.
Materials and Methods. According to the analysis of existing technologies and technical means for weed vegetation removal from the stalk zone of garden plantings, a device for hydraulic removal of weed vegetation without the use of herbicides has been developed at Federal Scientific Agroengineering Center VIM.
Results. The statistical analysis of the factor experiment data showed that the following operating modes of the device are the most effective for performing the technological operation of hydraulic removal weeds: the distance between the soil and the spray head is 14.5 cm, the working fluid supply pressure is 759 bar, the movement speed is 2.4 km/h. The static treatment mode for estimating the penetration depth of the jets with exposures of 10, 5, and 3 sec showed a penetration depth of 62, 34 and 12 mm, respectively. The diameters of the track were: In the first case 350 mm external and 330 mm internal (cutting width 24 mm); in the second and third cases – 340 mm for the outer and 328 mm for the inner (cutting width 16 mm).
Discussion and Conclusion. As a result of the experiment, it was established that the machine is able to provide high-quality processing stalk zone when using water from the central water supply. After the unit cultivated the soil, 90% which was covered with weeds, only 20–30% of the visible green mass remains, the rest is mixed with the soil.
Full Text
Введение
Эффективная борьба с сорной растительностью в современных агротехнологиях основывается на биологических особенностях выращиваемых растений. В связи с этим учеными ведутся исследования по разработке новых приемов борьбы с сорняками, успешность которых напрямую зависит от конструкций и принципов работы специализированных машин. Также при использовании различных приемов учитывается степень засоренности приствольных зон, почвенно-климатические условия и требования к факторам роста и развития возделываемых культур [1; 2].
Известны различные методы борьбы с сорной растительностью в приствольной зоне садовых насаждений, каждый из них имеет как преимущества, так и недостатки (рис. 1):
Fig. 1. Methods for weed vegetation removal in the stalk zone
Существующие способы направлены на повышение эффективности и экономичности выполняемого процесса. Самым распространенным и эффективным является способ химического удаления сорняков. Однако в последнее время широкое применение гербицидов приводит к значительному загрязнению окружающей среды, изменению видового состава сорной растительности и снижению реакции многих видов сорняков на химические способы борьбы [3]. Относительно новым техническим решением для борьбы с сорными растениями является использование физических принципов воздействия, таких как огневая обработка, обработка электрическими токами и другое [4].
Современные производители сельскохозяйственных машин и оборудования большое внимание уделяют разработке машин для борьбы с сорными растениями без применения отравляющих веществ, что связано с переходом к экологически чистому (органическому) земледелию. Результатом развития этих принципов являются прицепные устройства, использующие энергию трактора и размещаемое на них газовое или гидравлическое оборудование для проведения обработки почвы в рядках виноградников, ягодников и в приствольных зонах плодовых деревьев с помощью воды центрального водоснабжения [5; 6].
Повышение эффективности работы устройства для гидравлического удаления сорной растительности в приствольной зоне возможно за счет использования оптимальных режимов работы. Обоснование параметров и внедрение новых экологически безопасных технологий и технических средств для борьбы с сорной растительностью в приствольной зоне является актуальной проблемой, имеющей важное научно-производственное значение.
Цель исследования – обосновать эффективные режимы работы прицепной машины для гидравлического удаления сорной растительности на промышленной плантации садовых культур.
Обзор литературы
Во многих зарубежных странах и в России используются различные технологии и технические средства для уничтожения сорной растительности в междурядьях и приствольной зоне садовых насаждений (рис. 2).
a) ECO GP 500-800L INOX, Италия; b) ENTREPRISE TECHNIQUE RIQUIER VITIFLAM, Франция;
e) Herbicide Spray Boom TELMA, Польша; f) TecnoVict SCHIUMONE, Италия;
g) Micron Group, Undavina 900, Великобритания; h) УВГ-600, ВИМ, Москва;
i) Rinieri, FS 130, Италия; j) Calderoni FPS, Италия; k) КИУ-2,5, ВИМ, Москва;
l) ES Cucchi, Италия
Fig. 2. Devices for removal of weeds in stalk zone: a) ECO GP 500-800L INOX, Italy;
b) Entreprise Technique Seasonal Vitiflam, France; c) Officine Mingozzi, Italy; d) Jaulent Industrie, France;
g) Micron Group, Undavina 900, UK; h) UVG-600, VIM, Moscow; i) Rinieri, FS 130, Italy;
j) Calderoni FPS, Italy, k) KIU-2,5, VIM, Moscow; l) ES Cucchi, Italy
Анализ литературных источников показал, что уничтожение сорной растительности с помощью огня, пара и пены более эффективно и менее опасно для окружающей среды, чем традиционные способы контроля сорняков, предусматривающие механическую обработку почвы, однако многие культуры достаточно устойчивы к кратковременному нагреву. Термическая обработка позволяет контролировать сорную растительность, при этом влияние на физические, химические, микробиологические характеристики почвы практически не оказывается. Термическая прополка обходится дороже, чем альтернативные механические способы контроля сорняков [7].
Наиболее энергоемким и рискованным к травмированию культурных растений является механический способ. Это обуславливается тем, что увеличенное тяговое сопротивление используемых тракторных агрегатов приводит к перерасходу топлива, а многократное выполнение технологических операций обработки почвы в междурядьях и приствольных зонах садовых насаждений к избыточному уплотнению почвы и снижению урожайности.
Повсеместное применение химических методов борьбы с сорной растительностью приводит к увеличению концентрации вредных веществ в почве, грунтовых водах и сельскохозяйственной продукции, способствует развитию высокой резистентности сорной растительности к гербицидам. При обработке в ветреную погоду осуществляется перенос капель раствора гербицида ветровыми потоками. Под воздействием бокового ветра неконтролируемый поток некоторой части капель раствора гербицидов оказывает отрицательное воздействие на окружающую среду [3].
Использование электрофизических способов борьбы с сорной растительностью, несмотря на экологическую чистоту, не находит широкого применения в сельскохозяйственном производстве, так как требует контактного воздействия с сорной растительностью. Данные способы не оказывают воздействия на проростки сорняков, находящиеся в поверхностном слое почвы [8; 9].
В результате проведенного анализа существующих технических средств и методов борьбы с сорной растительностью установлено, что наиболее эффективным и экологически безопасным методом удаления сорной растительности в приствольных зонах садовых насаждений является использование водопроводной воды (гидравлический метод). Химическое загрязнение почвы, грунтовых вод и воздуха при использовании данного метода исключено.
Материалы и методы
По результатам анализа существующих технологий и технических средств для удаления сорной растительности в приствольных полосах садовых насаждений в ФГБНУ «Федеральный научный агроинженерный центр ВИМ» разработано устройство для гидравлического удаления сорной растительности без использования гербицидов.
Устройство представляет собой конструкцию прицепного типа. На раме смонтированы основные составные части и сборочные единицы, крепление которых производится посредством болтовых и сварных соединений (рис. 3).
2 – бак для рабочей жидкости; 3 – направляющая выносной секции; 4 – привод вала отбора
мощности (ВОМ); 5 – головка распылителя; 6 – защитный кожух гидронасоса с распределителем
Fig. 3. Device for the hydraulic removal of weeds: 1 – frame; 2 – tank for the working fluid;
3 – guide rail extension section; 4 – wheel drive PTO (PTO); 5 – head of the atomizer;
6 – the protective casing of the pump with dispenser
Технические характеристики устройства представлены в таблице 1.
Таблица 1 Технические характеристики устройства для удаления сорной растительности
Table 1 Technical characteristics of the device for weed removal
Параметр / Parameter | Значение / Value |
Тип машины и агрегатирование / Machine type and aggregation | |
Тип / Type | Прицепная / Trailer |
Требование к ВОМ, мин–1 / Requirement for the PTO min–1 | 540 |
Дополнительное подключение / Additional connection | – гидросистема трактора / hydraulic system of the tractor; – электросистема трактора / tractor electrical system. |
Гидравлика / Hydraulics | |
Емкость бака, л / Tank capacity, l | 2000 |
Система фильтрации / Filtration system | – фильтр грубой очистки / coarse filter; – фильтр тонкой очистки / fine filter. |
Тип насоса / Pump type | Поршневой / Piston |
Штатное рабочее давление, МПа / Standard operating pressure, MPa | 100 |
Частота вращения вала насоса, мин–1 / | 500–600 |
Расход насоса, л / Pump flow, l | 13 (при 500 мин–1) / 13 (at 500 min–1) |
Предохранительный клапан, МПа / | 125 |
Другие клапаны / Other valve | Перепускной с электрогидравлическим управлением и возможностью сброса давления в системе до нуля / Electro–hydraulic bypass with pressure relief to zero in the system |
Управление / Controlling | |
Тип / Type | Дистанционное – проводное / Remote–wired |
Орган управления / Control | Выносная панель / Remote panel |
Возможности управления / Control capability | – положение рабочей головки / position of the working head; – наклон рабочей головки / tilt of the working head; – подача питания / energizing; – включение/выключение подачи воды / water supply on/off; – управление вращением сопел / control of rotation of nozzles; – экстренное отключение / emergency shutdown. |
Безопасность / Security | |
Эксплуатационная / Operational | Бесконтактный переключатель с контролем угла наклона головки / Non-contact switch with head angle control |
Защита растений / Plant protection | Механизм обхода растения рабочей головкой / Mechanism of plant bypass by the working head |
Привод устройства осуществляется от вала отбора мощности (ВОМ) и гидросистемы трактора, что обеспечивает передачу крутящего момента на насос сверхвысокого давления и привод головки распылителя. Головка распылителя состоит из ротационного блока с гидрораспределителем рабочей жидкости и масляного гидромотора. Для распыления рабочей жидкости используются четыре форсунки, вертикально установленные в корпусе головки распылителя (рис. 4).
2 – гидрораспределитель рабочей жидкости; 3 – масляный гидромотор; 4 – ролик вращения;
5 – форсунки; 6 – защитный кожух; 7 – копир приствольной зоны
Fig. 4. Device atomizer heads: 1 – unit rotating dispenser; 2 – hydraulic fluid regulator; 3 – oil
hydraulic motor; 4 – rotating roller; 5 – nozzle; 6 – cover; 7 – copier of stalk zone
При выполнении технологической операции удаления сорной растительности ротационный блок головки распылителя приводится в движение (вращение) двигателем от гидравлической системы трактора. Насос машины создает поток жидкости под высоким давлением в направлении сопла форсунок, которые, распыляя рабочую жидкость, оказывают механическое воздействие на сорную растительность и почву. Давление насоса регулируется скоростью вращения ВОМ, которое поддерживается на постоянной скорости от 500 до 600 об/мин. В случае избыточного давления в системе подачи форсунок клапан сброса давления откалиброван на давление 1250 бар. В качестве рабочей жидкости используется чистая водопроводная вода. Подача рабочей жидкости осуществляется из бака с предварительной очисткой фильтром грубой очистки.
Регулировка вертикального и горизонтального положения головки распылителя осуществляется с помощью гидроцилиндров двойного действия, закрепленных на направляющей выносной секции устройства. С помощью пружины, закрепленной на направляющей, осуществляется обработка приствольной зоны путем огибания (вращения) головки распылителя вокруг ствола дерева и ее обратного возврата в рабочее положение после преодоления препятствия.
Рабочая головка имеет следующие ограничения в перемещении: высота от уровня опорной поверхности – не более 600 мм, вылет за поперечные габариты – не более 700 мм от исходного положения, угол поворота относительно опорной поверхности – до 65˚, угол поворота относительно продольной оси – до 20˚ (рис. 5).
b) угловое перемещение; c) наклон относительно продольной оси машины
Fig. 5. Degree of freedom of sprayer working head: a) lateral displacement; b) angular displacement;
c) slope relative to the longitudinal axis of the machine
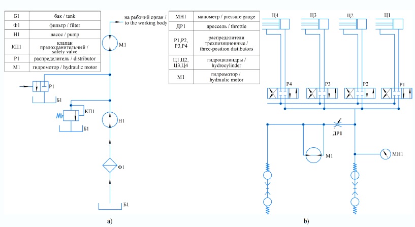
Прицепная машина оснащена электрической системой управления 12 В. Электромагнитные клапаны, используемые в гидравлической системе управления движениями, имеют двухпозиционный тип (рис. 6).
a) гидравлическая схема привода подачи рабочей жидкости; b) гидравлическая схема привода рабочих органов
Fig. 6. Hydraulic diagrams of working fluid and working device tools: a) hydraulic scheme of the supply drive of working fluid;
b) hydraulic diagram of the drive of the working tools
Управление скоростью вращения головки осуществляется с помощью панели управления, которая располагается в зоне управления на тракторе. Возможно как ручное, так и автоматическое управление подачей рабочей жидкости.
Расход воды, частота вращения ВОМ трактора и давление насоса контролируются поплавковым индикатором и информационным дисплеем пульта управления. Скорость движения контролируется по показаниям GPS спидометра, установленного в кабине трактора.
Для выявления наиболее эффективных режимов работы машины для гидравлического уничтожений сорной растительности на промышленной плантации яблоневого сада возрастом 5 лет в научно-производственном отделе испытаний ФГБНУ «Всероссийский селекционно-технологический институт садоводства и питомниководства» (Московская обл., Ленинский район, поселок Булатниково) проведен факторный эксперимент (рис. 7).
Fig. 7. The device performs a technological operation of hydraulic removal of weeds
Параметры насаждений представлены в таблице 2.
Таблица 2 Параметры насаждений промышленной плантации
Table 2 Parameters of industrial plantation plantations
Наименование показателей / Name of indicators | Значение показателей / Value of indicator |
Культура, сорт / Culture, variety | Яблоня, «Мелба» / Apple, “Melba” |
Состав агрегата / Assembly composition | МТЗ-82.1 + Устройство для ГУСР / |
Возраст насаждений, лет / Age of plantings, years | 5,0 |
Расстояния между деревьями, м / The distance between trees, m | 2,0 |
Отклонение штамба от осевой линии ряда, см / Deviation of the stem from the axial line of the series, cm | 5,3 |
Высота сорной растительности, см / The height of the weeds, cm | 12,0 |
Тип почвы / Soil type | Дерново-подзолистые почвы /Sod-podzolic soils |
Название по механическому составу / Name by mechanical composition | Суглинистая / Loamy |
Предшествующая обработка – глубина обработки, см / Prior to processing – depth of treatment, cm | Культивация (ранняя весна), 6 /Cultivation (early spring), 6 |
Угол наклона рельефа, градусы / The angle of elevation, degrees | Ровный склон, до 0,3 / Smooth slope, up to 0.3 |
В качестве изменяемых факторов выбраны давление подачи рабочей жидкости, расстояние до поверхности почвы и скорость движения агрегата. Интервал варьирования факторов установлен исходя из предварительных полевых испытаний машины. Эксперимент проведен в двукратной повторности, задействовано 16 рядков садовых насаждений по 100 м. Факторный план эксперимента с параметрами работы машинно-тракторного агрегата представлен в таблице 3.
Таблица 3 Условия планирования факторного эксперимента
Table 3 Сonditions for planning a factor experiment
| Нижний уровень (–1) / Lower level (–1) | Основной уровень (0) / Basic level (0) | Верхний уровень (+1) / Top level (+1) | Интервал варьирования / Variable interval | Наименование фактора / Name of factor |
x1: | 600 | 800 | 1000 | 200 | Давление, бар / Pressure, bar |
x2: | 10 | 20 | 30 | 10 | Расстояние, см / Distance, cm |
x3: | 2 | 4 | 6 | 2 | Скорость движения, км/ч / Speed, km/h |
В качестве выходного фактора принят коэффициент эффективности удаления сорной растительности кэ, найденный как процентное отношение площади участков почвы с сохранившимися растениями к общей площади обработанного участка (рис. 8):
, (1)
где – суммарная площадь отдельных участков обработанной поверхности с сохранившимися растениями и их корневой системой; – общая площадь обработанного участка.
Fig. 8. Scheme for determining the effectiveness of weed removal
Учет площади участков почвы с сохранившимися растениями проведен трехкратно инструментальным способом. Проходя по линии обработанного участка, на отмеченных местах накладывалась прямоугольная рамка площадью 0,25 м2 (со сторонами 0,5 х 0,5 м). Результаты подсчета всех повторностей проведенных замеров по рамке последовательно заносились в колонку ведомости первичного учета. После окончания обследования участка по ведомости вычислена средняя площадь участков почвы с сохранившимися растениями.
Статистическая обработка полученных результатов эксперимента проведена с помощью математического моделирования методом планирования полевых экспериментов, с использованием программы PlanExp v.1.0 [10]. План факторного эксперимента с кодированным значением входных и выходных факторов приведен в таблице 4.
Таблица 4 Планирование трехфакторного эксперимента
Table 4 Planning a three-factor experiment
Номер опыта / Experience number | Матрица планирования / Planning matrix | Значения переменных / Variable values | ||||
x1 | x2 | x3 | Давление, бар / Pressure, bar | Расстояние, см / Distance, cm | Скорость движения, км/ч / Speed of movement, km/h | |
1 | –1 | –1 | –1 | 600 | 10,0 | 2,00 |
2 | +1 | –1 | –1 | 1000 | 10,0 | 2,00 |
3 | –1 | +1 | –1 | 600 | 30,0 | 2,00 |
4 | –1 | –1 | +1 | 600 | 10,0 | 6,00 |
5 | –1 | 0,19 | 0,19 | 600 | 21,9 | 4,38 |
6 | 0,19 | –1 | 0,19 | 838 | 10,0 | 4,38 |
7 | 0,19 | 0,19 | –1 | 838 | 21,9 | 2,00 |
8 | –0,29 | +1 | +1 | 742 | 30,0 | 6,00 |
9 | +1 | –0,29 | +1 | 1000 | 17,1 | 6,00 |
10 | +1, | +1 | –0,29 | 1000 | 30,0 | 3,42 |
При обработке данных и расчете натуральных значений факторов использовались стандартные методы: линейная интерполяция, проверка адекватности моделей по критерию Стьюдента ‒ Фишера и дисперсия воспроизводимости в параллельных опытах.
Согласно нормативным документам крошение почвы до прохода машины и не ранее чем через 1 час после проведения технологической операции удаления сорной растительности определено по пробам, отбираемым в четырех точках участка. Размер учетной площадки для отбора пробы – 0,25 м2 на глубину обработки1. Отобранные пробы разделены при помощи комплекта решет в порядке уменьшения отверстий. Влажность почвы определена с помощью электронного измерителя PH300, твердость почвы определена с помощью Твердомера ИП-232.
Результаты исследования
Перед экспериментом проведена оценка величины давления воды, создаваемой водяным насосом машины, в зависимости от частоты вращения ВОМ трактора. Полученный график представлен на рисунке 9.
Fig. 9. Dependence of water pressure in the machine system on PTO speed
Установлен диапазон требуемых оборотов двигателя для соблюдения режимов работы для проведения эксперимента.
Внешний вид обработанных приствольных зон до и после однократного прохода агрегата представлен на рисунке 10.
Fig. 10. Appearance of stalk zone: a) before the unit pass; b) after a single pass of the unit
Основные показатели полученных в результате статистической обработки данных представлены в таблице 5.
Таблица 5 Результаты статистической обработки полученных данных
Table 5 The results of statistical processing of data
Показатель / Indicator | Значение / Value |
Степень свободы / Degree of freedom | 10,00 |
Значение критерия Стьюдента / Value of Student’s criterion | 2,23 |
Степень свободы при значимых коэффициентах / Degree of freedom with significant coefficients | 1,00 |
Табличное значение критерия Фишера / Table value of Fisher’s criterion | 4,96 |
Расчетное значение критерия Фишера / Estimated value of the Fisher’s criterion | 2,19 |
По результатам анализа полученных данных рассчитаны коэффициенты математической модели. Найдена функция отклика, уравнение математической модели:
y = (0,025) + (0,003) · x1 + (0,018) · x2 + (0,019) · x3 + (0,013) · x12 + (0,022) · x22 + (0,013) · x32 + (–0,013) · x1 · x2 +
+ (0,003) · x1 · x3 + (–0,008) · x2 · x3. (2)
По критерию Фишера математическая модель признана адекватной (F = 2,19 < Fтабл. = 4,96).
В результате преобразования получены три варианта математической модели: y = f (x2, x3) при x1 = const, y = f (x1, x3) при x2 = const и y = f (x1, x2) при x3 = const. Уравнения математической модели с учетом постоянного фактора:
при x1 = const:
y = (0,025) + (0) + (0,018) · x2 + (0,019) · x3 + (0) + (0,022) ·x22 + (0,013) · x32 + (0) · x2 +(0) · x3 + (–0,008) · x2 · x3; (3)
при x2 = const:
y = (0,025) + (0,003) · x1 + (0) + (0,019) · x3 + (0,013) · x12 + (0) +(0,013) · x32 + (0) · x1 + (0,003) · x1 · x3 + (0) · x3; (4)
при x3 = const:
y = (0,025) + (0, 003) · x1 + (0,018) · x2 + (0) + (0,013) · x12 + (0,022) · x22 + (0) +(–0,013) · x1 · x2 + (0) · x1 +(0) · x2. (5)
В результате проведенных исследований установлено что экстремум функции отклика находится в пределах варьирования факторов. Построена графическая интерпретация функции трех переменных и диаграмма проекции трехмерных поверхностей отклика на плоскости (рис. 11).
a) y = f(x2, x3) при x1=const; b) y = f(x1, x3) при x2 = const; c) y = f(x1, x2) при x3=const
Fig. 11. The graph of the surface section of the optimum response function:
a) y = f(x2, x3) at x1 = const; b) y = f(x1, x3) at x2 = const; c) y = f(x1, x2) at x3=const
В таблице 6 приведены значения экстремума функции отклика и соответствующие ему значения факторов в кодированном и натуральном виде
Таблица 6 Значения экстремума функции отклика и соответствующие ему значения факторов
Table 6 Values of the extrema response function and the corresponding values of factors
Экстремум функции отклика / Extreme response function | Давление в кодированном (натуральном виде), бар / Pressure coded (natural), bar | Расстояние в кодированном (натуральном виде), см / Distance coded (natural form), cm | Скорость движения в кодированном (натуральном виде), км/ч / Movement speed in coded (natural form), km/h |
Yопт. = 0,011; | x1 = 0; (800); | x2 = –0,574; (14,26); | x3 = –0,907; (2,186); |
Yопт. = 0,491; | x1 = –0,031 (793,8); | x2 = 0; (20); | x3 = –0,727 (2,546); |
Yопт. = 0,32; | x1 = – 0,375; (725); | x2 = –0,52; (14,8); | x3 = 0; (4); |
Проведена оценка рыхления почвы приствольной зоны и глубины проникновения струй.
Статический режим обработки для оценки глубины проникновения струй с экспозициями 10, 5 и 3 с. показал глубину проникновения соответственно 62, 34 и 12 мм. Диаметры следа составили: в первом случае 350 мм внешний и 330 мм внутренний (ширина реза 24 мм); во втором и третьем – 340 мм для внешнего и 328 мм для внутреннего (ширина реза 16 мм).
Обсуждение и заключение
В результате проведенного эксперимента установлено, что машина способна обеспечить качественную обработку приствольной зоны при использовании воды центрального водоснабжения (рис. 12). Расход воды на погонный метр составил 0,9 литра.
Fig. 12. Appearance of stalk zone
Статистический анализ данных факторного эксперимента показал, что для выполнения технологической операции гидравлического удаления сорной растительности наиболее эффективными являются следующие режимы работы устройства:
– расстояние между почвой и распыляющей головкой – 14,5 см;
– давление подачи рабочей жидкости – 759 бар;
– скорость движения – 2,4 км/ч.
В результате проведенных исследований выявлено, что качественное рыхление почвы на глубину 10 мм обеспечивается при скорости движения агрегата 2,5 км/ч. Оценка твердости, влажности и крошения почвы в приствольной зоне до и после проведения технологической операции гидравлического удаления сорной растительности представлена в таблице 7.
Таблица 7 Характеристики экспериментального участка до и после проведения технологической операции
Table 7 Characteristics of the experimental site before and after the technological operation
Наименование показателей /Name of indicators | Значение показателей до проведения технологической операции удаления сорной растительности / Value of the indicators before the technological operation of removal of weeds | Значение показателей после проведения технологической операции удаления сорной растительности / Value of the indicators after the technological operation of removal of weeds |
Влажность почвы на различной глубине, % / Soil moisture at different depths, % – от 0 до 5 см / 0 to 5 cm: – свыше 5 до 10 см / over 5 to 10 cm: – от 10 до 20 см / from 10 to 20 cm: |
8,1 13,4 16,2 |
37,5 28,4 21,3 |
Твердость почвы, МПа, в слоях / Soil hardness, MPa, in layers – от 0 до 5 см / from 0 to 5 cm: – свыше 5 до 10 см / over 5 to 10 cm: – от 10 до 20 см / from 10 to 20 cm: |
0,7 1,5 2,2 |
0,2 0,6 1,2 |
Крошение почвы, по фракциям, % / The crumbling of the soil fractions, % – более 50 мм / more than 50 mm: – 25–30 мм / 25–30 mm: – 10–25 мм / 10–25 mm: – 4–11 мм / 4–11 mm: – 1,5–4 мм / – 1.5–4 mm: Содержание эрозионно опасных частиц, % / Erosive particle content, %: |
41,2 18,9 13,6 11,5 7,7
7,1 |
16,4 21,2 20,9 17,3 16,6
7,6 |
Удаление сорной растительности в приствольной зоне, % / Removal of weeds in stalk zone, % | – | 87,9 |
В результате двукратного выполнения технологической операции гидравлического удаления сорной растительности в приствольной зоне процентное содержание сорной растительности не превышает 12,1 %. После прохода агрегата при изначально 90-процентном покрытии поверхности сорной растительностью остается только 20–30 % видимой зеленой массы, остальное перемешано с почвой. При двукратном проходе агрегата неповрежденной корневая система сорной растительности осталась на 10–13 % площади. Расчетная производительность агрегата составила 3,12 га/см. Твердость почвы в слоях от 5 до 20 см уменьшилась до 71,4 %. Содержание эрозионноопасных частиц не превышает 7,6 %.
Таким образом, приведенный выше анализ результатов работы устройства для гидравлического удаления сорной растительности свидетельствует, что устройство удовлетворяет требованиям технологической операции удаления сорной растительности в приствольной зоне без использования гербицидов при достаточно высоких технологических показателях.
1 СТО АИСТ 4.1-2010. Испытания сельскохозяйственной техники. Машины и орудия для глубокой обработки почвы. Методы оценки функциональных показателей. М., 2011. 36 с. URL: https://search.rsl.ru/ru/record/01005416677 (дата обращения: 20.11.2019); СТО АИСТ 4.4-2010. Испытания сельскохозяйственной техники. Машины и орудия для обработки почвы в садах, виноградниках, хмельниках и ягодниках. Методы оценки функциональных показателей. М., 2011. 39 с. URL: http://docs.cntd.ru/document/555623673 (дата обращения: 20.11.2019); СТО АИСТ 4.3-2010. Испытания сельскохозяйственной техники. Машины и орудия для обработки пропашных культур. Методы оценки функциональных показателей. М., 2011. 38 с. URL: http://docs.cntd.ru/document/555623672 (дата обращения: 20.11.2019).
About the authors
Dmitriy O. Khort
Federal Scientific Agroengineering Center VIM
Author for correspondence.
Email: dmitriyhort@mail.ru
ORCID iD: 0000-0001-6503-0065
ResearcherId: Q-2695-2017
Head of Department of Technology and Machinery for Horticulture, Ph.D. (Agriculture)
Russian Federation, 5, 1 Institutskiy Proyezd, Moscow 109428Andrey Yu. Izmaylov
Federal Scientific Agroengineering Center VIM
Email: im@vim.ru
ORCID iD: 0000-0003-1143-7286
ResearcherId: H-4602-2018
Head of Chair of General Science and Special Disciplines, Director, Academicia of RAS, D.Sc. (Engineering)
Russian Federation, 5, 1 Institutskiy Proyezd, Moscow 109428Igor G. Smirnov
Federal Scientific Agroengineering Center VIM
Email: vims@mail.ru
ORCID iD: 0000-0001-9992-1261
ResearcherId: K-5623-2018
Academic Secretary, Ph.D. (Agriculture)
Russian Federation, 5, 1 Institutskiy Proyezd, Moscow 109428,Rostislav A. Filippov
Federal Scientific Agroengineering Center VIM
Email: vim_sa@mail.ru
ORCID iD: 0000-0003-3586-3634
ResearcherId: Q-2722-2017
Leading Researcher of Department of Technologies and Machinery for Horticulture, Ph.D. (Agriculture)
Russian Federation, 5, 1 Institutskiy Proyezd, Moscow 109428Alexey I. Kutyrev
Federal Scientific Agroengineering Center VIM
Email: alexeykutyrev@gmail.com
ORCID iD: 0000-0001-7643-775X
ResearcherId: I-3699-2018
Researcher of Department of Technologies and Machinery for Horticulture, Viticulture and Nursery,Ph.D. (Engineering)
Russian Federation, 5, 1 Institutskiy Proyezd, Moscow 109428References
- Abouziena H.F., Hagaag W.M. Weed Control in Clean Agriculture: A Review. Planta Daninha.2016; 34(2):377-392. (In Eng.) DOI: http://dx.doi.org/10.1590/S0100-83582016340200019
- Hatcher P.E., Melander B. Combining Physical, Cultural and Biological Methods: Prospects for Integrated Non-Chemical Weed Management Strategies. Weed Research. 2003; 43(5):303-322. (In Eng.)DOI: http://doi.org/10.1046/j.1365-3180.2003.00352.x
- Schütte G. Herbicide Resistance: Promises and Prospects of Biodiversity for European Agriculture. Agriculture and Human Values. 2003; 20(3):217-230. (In Eng.) DOI: http://doi.org/10.1023/A:1026108900945
- Bond W., Grundy A.C. Non-Chemical Weed Management in Organic Farming Systems. Weed Research.2001; 41(5):383-405. (In Eng.) DOI: http://doi.org/10.1046/j.1365-3180.2001.00246.x
- Latsch R., Anken T., Herzog C., Sauter J. Controlling Rumex Obtusifolius by Means of Hot Water.Weed Research. 2017; 57(1):16-24. (In Eng.) DOI: http://doi.org/10.1111/wre.12233
- Baerveldt S., Ascard J. Effect of Soil Cover on Weeds. Biological Agriculture and Horticulture.1999; 17(2):101-111. (In Eng.) DOI: https://doi.org/10.1080/01448765.1999.9754830
- Blackshaw R.E., Anderson R.L., Lemerle D. Cultural Weed Management. In: Non-Chemical Weed Management: Principles, Concepts And Technology. 1 ed. Wallingford, England, CABI; 2007. p. 35-47.Available at: https://researchoutput.csu.edu.au/en/publications/cultural-weed-management (accessed 20.11.2019). (In Eng.)
- Astatkie T., Rifai M.N., Havard J., et al. Effectiveness of Hot Water, Infrared and Open Flame Thermal Units for Controlling Weeds. Biological Agriculture and Horticulture. 2007; 25(1):1-12. (In Eng.)DOI: http://doi.org/10.1080/01448765.2007.10823205
- Popay I., Field R. Grazing Animals as Weed Control Agents. Weed Technology. 1996; 10(1):217-231.(In Eng.) DOI: http://doi.org/10.1017/S0890037X00045942
- Dospekhov V.A. Field Experience Methods. 3rd ed. Moscow: Kolos; 1985. 336 p. Available at:https://mf.bmstu.ru/info/faculty/lt/caf/lt1/soil_books/uchebnik9.pdf (accessed 20.11.2019). (In Russ.)
Supplementary files






























