Improved precast reinforced concrete crossbar of reduced height. Results of full-scale loading tests
- Authors: Shepelev. A.P.1, Ibatullin R.R.1, Pischulev A.A.1
-
Affiliations:
- Samara State Technical University
- Issue: Vol 13, No 3 (2023)
- Pages: 35-41
- Section: BUILDING CONSTRUCTIONS, BUILDINGS AND FACILITIES
- URL: https://journals.rcsi.science/2542-0151/article/view/253340
- DOI: https://doi.org/10.17673/Vestnik.2023.03.05
- ID: 253340
Cite item
Abstract
The object of the study is an improved design of a reinforced concrete floor crossbar as part of a prefabricated frame of a residential building. The crossbar has a reduced height with undercuts in the support zones, which in combination with modified prefabricated multi-hollow plates allows you to perform the lower surface of the overlap without protruding ribs. This solution allows you to use precast reinforced concrete with all its advantages and compete with monolithic reinforced concrete girderless frames. To ensure the strength of inclined sections to the action of transverse force and bending moment, cage using rigid inserts made of sheet steel are used as transverse reinforcement. The results of the tests showed that the developed crossbar meets the stated requirements for both the first and the second group of limit states (strength, stiffness, crack resistance). Transverse reinforcement in the form of cages with rigid inserts made of sheet steel provides the required bearing capacity of inclined sections. The test confirmed the reliable joint work of concrete and rigid inserts from the beginning of loading to the ultimate state of strength.
Full Text
The current situation in the housing construction market, namely the increased requirements for comfort and low cost, has forced specialists to constantly review and modify the design solutions adopted in the construction of residential buildings.
Nowadays, in civil engineering, from the entire list of structural solutions for civil buildings (stone buildings; monolithic frames with ribbed and flat beamless floors; prefabricated frame, braced and frame-braced frameworks; half precast frames, panel buildings), beamless capital-free frame has become popular. This system has several advantages, namely, reduced overall cubic volume of the building, improved sanitary conditions (lighting, ventilation, and insolation), greater architectural brevity and expressiveness, and possibly free planning of premises. Moreover, there are significant disadvantages inherent in monolithic structures, namely the installation of labor-intensive and expensive formwork, the need to control the strength of the concrete directly at the construction site, increased consumption of concrete and reinforcement (necessitated by the requirements of the second group of limit states), the danger of a decreased bearing capacity owing to the risk of undercompaction of concrete because of the high saturation with reinforcement, seasonality of work, energy costs for works in winter, long construction periods, depending on the duration of concrete hardening in natural conditions, and low industrialization of construction.
The main advantage of constructing objects from precast reinforced concrete structures (RCS) is the assembly speed, as a prefabricated frame does not require additional time to gain the concrete strength in structures, as in monolithic construction; the absence of wet processes allows the construction and installation work to be performed all year round and in different climatic conditions. Another advantage of the prefabricated frame is that reinforced concrete factories have a product quality control system. In addition, the production of prestressed RCS is possible only under factory conditions. This allows long construction time and high quality of buildings and structures. The use of precast RCS contributes to industrialization and maximum mechanization of construction. Thus, precast RCS help reduce the construction costs. However, the lack of free space planning and less existing solutions for precast reinforced concrete frame and panel buildings are the main and decisive factors reducing their competitiveness.
In this regard, at the Department of RCS of the Academy of Construction and Architecture, Samara State Technical University, together with specialists from the Experimental Plant SMiK, Tolyatt, andd PKM Tatishchev, a precast beamless frame of a multistory building with an improved floor slab system without protruding elements was developed, allowing the use of precast reinforced concrete with all its advantages.
The structural system of the building was adopted by analogy with 1.020–1.87 series with amendments in the column consoles, crossbar heights, support units for crossbars on column consoles, floor slab structures, and stiffening diaphragms. The result was a building with a flat floor slab. In this case, the frame functions according to a bracing scheme, which ensures the ease of installation of structures on the construction site.
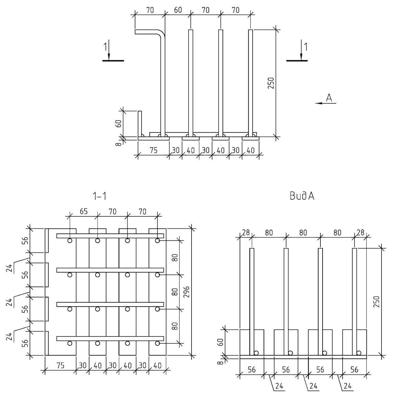
The frame includes prestressed cross-sectional T-bars (with a flange in the tension zone) with undercuts in the support zones. This crossbar design, combined with precast hollow-core floor slabs, allows the creation of a ceiling surface without protruding ribs. In contrast to a similar crossbar of the standard series 1.020–1.87, the developed cross-section has a lower height of 300 mm (in the standard version, the cross-section height is 450 mm). A formwork drawing of the crossbar is presented in Fig. 1. Calculations for strength, stiffness, and crack resistance, as well as the crossbar design, were performed by employees of the Department of RCS of the Academy of Construction and Architecture, Samara State Technical University, using methods partially described in [1, 2].
Fig. 1. Formwork drawing of the crossbar
Reducing the crossbar height results in a significant loss of rigidity, thereby increasing its deformability. From the viewpoint of ensuring strength, the shortcoming is the support zones due to the undercuts of a small cross-section.
To ensure the strength of inclined sections under the transverse force and bending moment, frames using rigid inserts made of sheet steel were used as transverse reinforcement (Fig. 2). Such reinforcement provides significant load-bearing capacity for the short cantilever formed by undercutting, with relatively small cross-sectional dimensions of the cantilever.
Fig. 2. Frame for transverse reinforcement of the crossbar
To ensure optimal collaboration between the concrete and plates, inserts are constructed with perforation.
To prevent the flange from being torn at the center of gravity of the longitudinal prestressed reinforcement, anchor-type embedded parts are provided, which are laid in the support zones along the lower surface of the flange. A drawing of the embedded part is shown in Fig. 3.
Fig. 3. Anchor-type embedded part
At the SMiK Experimental Plant, two prototypes of floor crossbars were manufactured and tested in the laboratory of the Department of RCS of the Academy of Construction and Architecture, Samara State Technical University. The design concrete class was B40. The specified prestress σsp was 550 MPa. The longitudinal reinforcement of the crossbar was five prestressed rods with 18-mm diameter, class A800, in the lower zone; two rods with 18-mm diameter, class A400, without prestressing; four rods with 12-mm diameter, class A400; four rods with 22-mm diameter, class A400, in the area compressed by an external load. To ensure anchoring of the prestressed rods, plates with anchors were provided along the lower edge of the crossbar.
The crossbar was tested based on the requirements of GOST 8829 in the working position according to a scheme wherein one support was fixed and the other was movable, allowing the crossbar to move along the span.
The test was performed using four DG-25 hydraulic jacks. The pressure in the jacks was created through a manual hydraulic pump station. A general view of the tested structures is shown in Fig. 4.
Fig. 4. View of the tested samples
Loading was performed in stages; the equivalent load at each stage did not exceed 10% and 20% of the control load for strength and rigidity, respectively. After each loading stage, the crossbar was held for at least 10 min; at control loads, the crossbar was held for at least 30 min. At the last stage of loading, the crossbars were held for 2.5 h. At each stage, readings from deflectometers and dial indicators were recorded, and a control sample was also inspected for crack formation. Photographic recording was performed at the control loads.
To determine the actual deflection of the floor crossbar, 6PAO deflection meters (division value 0.01 mm) were installed in the middle of the span, one on each side of the crossbar. The displacement (in the longitudinal direction) of the ends of the reinforcing bars relative to concrete at the slab ends was measured on the three middle bars on each side of the beam. Measurements were performed using dial indicators. The indicators were fixed on prestressed rods using specially designed grips. The crack-opening width was determined using an MPB-3M measuring microscope.
At stage 3 of loading at a load of 16.2 t (1.185 t/m), corresponding to the control load for the formation of cracks normal to the longitudinal axis of the element, no cracks were detected. Vertical cracks were formed, originating at the inner corner of the undercut. Cracks normal to the longitudinal axis of the element in the middle of the span were recorded at stage 5 of loading at a load of 24 t (4.444 t/m).
At the control load for rigidity and crack resistance (stage 7, 31.5 t (5.833 t/m), the actual deflections of the structures were 25.09 and 25.05 mm, respectively, i.e., below the control 26.78 mm.
No force inclined cracks were observed in the support zones. The opening width of the cracks in the middle of the span, normal to the longitudinal axis of the element, was 0.05 mm, below the control value of 0.062 mm. Hairline cracks were recorded along the span at the junction of the flanges for a length of approximately 15 cm with an opening width of 0.1 mm. The opening width of the vertical cracks originating at the inner corner of the undercut was 0.25 mm. Thus, the requirements of GOST 8829 for the rigidity and crack resistance of crossbars were met.
At stage 8 of loading at a load of 35 tons (6.481 t/m), arc-shaped cracks were recorded at the ends of the crossbar flanges. These cracks at loading stage 11 are presented in Fig. 5.
Fig. 5. Arc-shaped crack at the end of the
Cracks along the span at the junction of the flanges (Fig. 6) showed significant development dynamics at stage 9 of loading at a load of 41.5 t (7.685 t/m). The opening width of these cracks was 0.7 mm. However, their lengths changed slightly. With further loading, the opening width of these cracks changed insignificantly.
Fig. 6. Crack along the span at the junction of the
At a control load for strength according to case 1 of the destruction of GOST 8829 (fracture from the working reinforcement of a normal or inclined cross-section of stresses corresponding to the yield strength (conditional yield strength) of steel, before the crushing of compressed concrete), which corresponds to stage 11 of loading, 50.5 t (9.352 t/m), the actual deflections of the crossbars were 51.41 and 51.43 mm, i.e., under the limit value of 90.53 mm. Consequently, due to the yield strength (conditional yield strength) in the working longitudinal reinforcement, the destruction of the structure did not occur.
At a control load for strength according to case 2 of the destruction of GOST 8829 (fracture from crushing concrete of a compressed zone above a normal or inclined crack in a product until the yield point (conditional yield strength) of steel in tensile reinforcement was reached, attributed to the brittle nature of destruction), which corresponds to stage 13 of loading, 61.5 t (11.39 t/m), inclined cracks at the internal corners of the undercuts and in the supporting areas behind the undercuts were not recorded. The opening width of vertical cracks at the internal corners of the undercuts was 0.25 mm, indicating good joint work of rigid inserts with concrete in the structure. In this case, the maximum displacement of the ends of the prestressed reinforcement was 0.13 mm <0.2 mm.
No concrete fragmentation was noted at the crack tips. The actual deflections of the structures were 74.98 and 74.09 mm, which were under the limit value of 90.53 mm; therefore, the stresses in the working longitudinal reinforcement did not reach the yield strength (conditional yield strength). Thus, the strength of the crossbars, corresponding to case 2 of the destruction of GOST 8829, was ensured.
With further loading, a significant increase in the deflection, opening of cracks, and displacement of the ends of prestressed rods relative to the concrete was noted (0.16 mm at stage 15). No concrete fragmentation was observed at the crack tips. At stage 15 of loading at a load of 68 t (12.59 t/m), the actual deflection was 98.84 and 98.8 mm (Fig. 7), respectively,which exceeds the limit value of 90.53 mm. Therefore, a state of destruction was achieved by reaching stresses in the working reinforcement corresponding to the yield strength (conditional yield strength) of steel in tensile reinforcement. A load of 68 t (12.59 t/m), corresponding to stage 15, should be considered a destructive load. The safety factor c was 1.765.
Fig. 7. Crossbars in the limiting state
On the basis of the results of full-scale loading tests on precast reinforced concrete double-flange crossbars of reduced height with undercuts in the support zones, the following conclusions were obtained:
– the deflection of the crossbars and the crack-opening width under the control load did not exceed the control values, the design of the developed crossbar meets the requirements for rigidity and crack resistance,
– the destruction of the crossbars occurred because the achievement of the normal cross-section of the conditional yield strength in the working reinforcement (case 1 of destruction), the safety factor reached the value c = 1.765 (for case 1 of destruction, the normalized safety factor is c = 1.33; for the case 2 of destruction, c = 1.6),
– no destruction of concrete in the compressed zone above the cracks (case 2 of destruction) was noted,
– the displacement of the ends of prestressed rods relative to concrete does not exceed the permissible value when testing two structures from a batch of 0.2 mm,
– the design of the developed crossbar meets the requirements for strength, rigidity, and crack resistance, and
– the proposed transverse reinforcement in the form of frames with rigid inserts made of sheet steel provided significant load-bearing capacity of the inclined sections of the crossbars, good joint functioning of concrete and plate was registered from the beginning of loading of the crossbars to its limiting state.
About the authors
Alexandr P. Shepelev.
Samara State Technical University
Email: Shepelevap@mail.ru
associate professor of the reinforced concrete structures chair
Russian Federation, 443100, Samara, Molodogvardeyskaya, 244Rustam R. Ibatullin
Samara State Technical University
Email: Rustic2@yandex.ru
chief lecturer of the reinforced concrete structures chair
Russian Federation, 443100, Samara, Molodogvardeyskaya, 244Alexandr A. Pischulev
Samara State Technical University
Author for correspondence.
Email: pishulev@yandex.ru
phd of engineering science, associate professor of the reinforced concrete structures chair
Russian Federation, 443100, Samara, Molodogvardeyskaya, 244References
- . Koyankin A.A, Mitasov V. M. Cast-in-place building frame and its features at separate life cycles. Vestnik MGSU [Vestnik MGSU], 2015, no. 7, pp. 28–35. (in Russian)
- Nedviga E. S., Vinogradova N. A. Systems of prefabricated monolithic slabs. Stroitel’stvo unikal’nykh zdaniy I sooruzheniy [Construction of unique buildings and structures], 2016, no. 4(43), pp. 87–102. (in Russian)
- Buhman N. S., Zhiltsov Yu. V. Determination the coefficients of stress distribution in the steel sheet at transverse bend of ferroconcrete beam. Izvestiya samarskogo nauchnogo centra rossijskoj akademii nauk [Proceedings of the Samara Scientific Center of the Russian Academy of Sciences], 2013, vol. 15, no. 6–2, pp. 314–317. (in Russian)
- Filatov V., Galyautdinov Z. Numerical study of crack formation and strains distribution during the punching of reinforced concrete slabs. Lecture notes in civil engineering. 2022. vol. 197. pp. 169–177.
- Filatov V., Galyautdinov Z. Study of concrete slab deformations in the area of punching. Stroitel'stvo i zastrojka: zhiznennyj cikl – 2020. Materialy V Mezhdunarodnoj (XI Vserossijskoj) konferencii [Construction and development: life cycle – 2020. Materials in the International (XI All-Russian) Conference], 2020, pp. 224–230. (In Russian).
- Filatov V. B. Calculation of strength of the inclined sections bent reinforced concrete elements taking account of aggregate interlock forces in inclined crack. Beton i zhelezobeton – vzgljad v budushhee. Nauchnye trudy III Vserossijskoj (II Mezhdunarodnoj) konferencii po betonu i zhelezobetonu: v 7 tomah [Concrete and reinforced concrete – a look into the future. Scientific papers of the III All-Russian (II International) Conference on Concrete and Reinforced Concrete: in 7 volumes], 2014, vol. 1, pp. 289–296. (In Russian).
- Filatov V., Galyautdinov Z. Experimental study and methodology for calculating the punching shear strength of reinforced concrete slabs. Gradostroitel'stvo i arhitektura [Urban planning and architecture], 2021, vol. 11, no. 4(45), pp. 53–65. (in Russian) doi: 10.17673/Vestnik.2021.04.7
- Snezhkina O.V. Engineering method for assessing the strength of reinforced concrete beams. Proc. of International scientific workshop «MIP engineering 2019: advanced technologies in material science, mechanical and automation engineering», Institute of Physics and IOP Publishing Limited, Krasnoyarsk, 04-06 April 2019, (2019), P. 22050.
- Murashkin V., Murashkin П., Application of concrete deformation model for calculation of bearing capacity of reinforced concrete structures. Proc. of 27th Russian-Polish-Slovak seminar, theoretical foundation of civil engineering (27RSP), Rostov-on-Don, 17-21 September 2018. P. 04008.
- Travush V.I., Krylov S.B., Konin D.V., Krylov A.S. Ultimate state of the support zone of reinforced concrete beams. Magazine of civil engineering. 2018, no. 7, pp. 165–174.
- Mirsayapov I.T. Ensuring the safety of reinforced concrete beams along the oblique sectionunder repeated loads. Zhilishhnoe stroitel'stvo [Housing construction], 2016, no. 1–2, pp. 23–27. (in Russian)
- Medvedev V.N., Semeniuk S.D. Durability and deformability of braced bending elements with external sheet reinforcement. Inzhenerno-stroitel'nyj zhurnal [Magazine of civil engineering], 2016, no. 3, pp. 3–15. (in Russian)
- Kumpyak O.G., Galyautdinov Z.R., Kokorin D.N. Experimental and theoretical studies of reinforced concrete beams on yielding supports over oblique sections under seismic and other dynamic loads. Sejsmostojkoe stroitel'stvo. Bezopasnost' sooruzhenij [Earthquake engineering. Constructions safety], 2013, no. 1, pp. 40–44. (in Russian)
Supplementary files









