Frequency criterion for stability «as a whole» of modulation-type pulse voltage converters according to Lyapunov
- Authors: Dmitrikov V.F.1, Frid L.E.2, Petrochenko A.Y.3, Shushpanov D.V.1
-
Affiliations:
- The Bonch-Bruevich Saint Petersburg State University of Telecommunications
- LLC «North West Laboratory»
- JSC «Concern Avrora SPA»
- Issue: Vol 26, No 4 (2023)
- Pages: 17-37
- Section: Articles
- URL: https://journals.rcsi.science/1810-3189/article/view/253824
- DOI: https://doi.org/10.18469/1810-3189.2023.26.4.17-37
- ID: 253824
Cite item
Full Text
Abstract
Background. The use of methods for researching and designing stable nonlinear dynamic systems by constructing the frequency characteristics of the loop gain of the negative feedback of a pulsed voltage converter through time characteristics obtained by numerical methods for solving nonlinear differential equations that describe electromagnetic processes in the converter takes a lot of time and has low accuracy in calculating optimal modes, when you need to calculate hundreds of options.
Aim. Therefore, it seems necessary to further develop the theory of stability of modulation-type pulse voltage converters using frequency stability criteria, Lyapunov functions, amplitude and phase frequency characteristics of the converter loop gain.
Methods. Stability in the «small» is solved using linearized models, which are constructed using the so-called first Lyapunov method - the «first approximation» method. The second method for studying the stability of nonlinear dynamic systems is the harmonic linearization method, when the nonlinear element is replaced by a harmonically linearized link with a transmission coefficient only for the first harmonic.
Results. The Lyapunov function for a pulse voltage converter with nonlinear relay-type elements was found. Conclusion. The results obtained in the work make it possible to simplify the design of Lyapunov-stable pulse voltage converters through the use of the method of amplitude-frequency characteristics used for stationary linear systems.
Full Text
Введение
Для работы функциональной аппаратуры (ФА) необходима электроэнергия. Как правило, ФА по тем или иным причинам не может потреблять электроэнергию непосредственно от первичных источников (ПИ). Требуются специализированные устройства – импульсные преобразователи напряжения (ИПН), – осуществляющие преобразование энергии ПИ в кондиционное напряжение питания ФА. К ИПН предъявляются высокие требования в части:
- энергетической эффективности (КПД), удельные массогабаритные характеристики;
- качество питающего ФА напряжения (стабильность, пульсации, динамические характеристики и т. д.).
Для достижения высокой энергетической эффективности преобразования электрической энергии в ИПН используются импульсные силовые устройства, а для поддержания заданного качества питающего напряжения – отрицательная обратная связь (ООС). В настоящее время наибольшее распространение получили ИПН с широтно-импульсной модуляцией (ШИМ). Из-за возникновениях в них периодических, квазипериодических, субгармонических, хаотических режимов при действии внешних возбуждающих факторов (изменение нагрузки, входного напряжения, температуры и т. д.) и внутренних (изменение начальных условий – переменных состояния таких как напряжения на емкостях конденсаторов и токи в индуктивностях дросселей) ИПН относятся к классу дискретно-нелинейных нестационарных замкнутых (с ООС) динамических систем (ДНС).
Для надежной и эффективной работы ИПН необходимо обеспечивать устойчивость рабочего режима ИПН при воздействии на них различных перечисленных выше возмущающих факторов.
Обеспечение устойчивости рабочего режима ИПН с ООС представляет собой сложную проблему. В ДНС возможны множество устойчивых (периодических, квазипериодических, субгармонических и хаотических) режимов, которые зависят и от внутренних свойств ИПН и от внешних возмущающих воздействий. Вместе с тем для эффективной работы ИПН необходимо обеспечивать устойчивость единственного (и как правило, оптимального) рабочего режима, а остальные – исключить.
Общая теория устойчивости нелинейных динамических систем изложена в основополагающей работе А.М. Ляпунова [1] и развита в дальнейшем в трудах его последователей. В современной литературе исследованию устойчивости ИПН посвящены работы, использующие: теорию кусочно-гладких дифференциальных уравнений, теорию бифуркаций, теорию «хаоса», теорию точечных отображений Пуанкаре [11–14; 23–25; 27] и др.
Полученные в [11–14; 23–27] результаты позволяют (с привлечением вычислительных средств) осуществлять анализ устойчивости ИПН с требуемой точностью, однако, из-за чрезмерной сложности использования они не получили применения в инженерной практике. Исследование устойчивости ИПН (систем класса ДНС) может быть упрощено, если от анализа нестационарных нелинейных моделей перейти к стационарным и линейным. Наиболее полное изложение вопросов устойчивости и анализа динамических процессов в ИПН на основе метода стационаризации и линеаризации дифференциальных уравнений, описывающих электромагнитные процессы в ИПН, представлено в трудах [7–10; 15–22].
Использование методов стационаризации и линеаризации позволило при исследовании устойчивости воспользоваться линейными частотными критериями Найквиста и Боде [2; 3; 7–10; 15–22], определяющими границы устойчивых частотных характеристик коэффициента передачи по петле ООС –
Важно отметить, что критерии Найквиста и Боде, как и другие линейные критерии, не являются достаточными для исследования систем класса ДНС – и позволяют верно судить об устойчивости рабочего режима ИПН лишь в «малом» (при «малых» отклонениях от рабочего режима переменных состояний). На практике же (например, во время переходных процессов) при изменении входного напряжения, сопротивления нагрузки и др.) сигнал ошибки в петле ООС может достигать значительной величины, и полученные результаты исследований устойчивости, запасов устойчивости при отклонении сигнала от проектируемого режима в «малом» будут недостоверны. Особенность ИПН с ШИМ, которые относят к классу нелинейных замкнутых динамических систем, состоит в том, что электромагнитные процессы в них описываются интегро-дифференциальными уравнениями, которые содержат разрывные функции первого рода. То есть, электромагнитные процессы в ИПН с ШИМ описываются интегро-дифференциальными уравнениями с переменными, скачкообразно изменяющимися коэффициентами.
Аналитические методы расчета погрешности эквивалентных линеаризованных моделей в литературе неизвестны.
При проектировании устойчивых нелинейных динамических систем рассматриваются методы устойчивости в «малом», «целом» и «абсолютной устойчивости».
Рассмотрим широко используемые методы исследования теории устойчивости нелинейных динамических систем и возможности их применения к исследованию устойчивости ИПН модуляционного типа с ШИМ.
Методы линеаризации нелинейных моделей ИПН. Касательная линеаризация
Основная идея метода «касательной» линеаризации уравнений, описывающих ИПН состоит в том, что в достаточно малой области, охватывающей рабочую точку x0, нелинейная функция F(xn) заменяется линейной, касательной к кривой F(x) в точке x0, и рассматривается в дальнейшем линейное дифференциальное уравнение, описывающее процессы в ИПН.
Однако, метод касательной реализации при анализе устойчивости нелинейных систем в ряде случаев может дать неверный результат. Поэтому естественно возникает вопрос об определении таких условий, при выполнении которых об устойчивости нелинейных систем можно было бы судить по их линеаризованным моделям.
Впервые задача в подобной постановке была решена Ляпуновым А.М. Им же был предложен метод исследования устойчивости – так называемый первый метод Ляпунова. В соответствии с рассматриваемым методом, нелинейные функции, входящие в исходные нелинейные уравнения, представлялись степенными рядами Тейлора. Затем, из решения отбрасывались все члены разложения в степени выше первой и таким образом осуществлялся переход от исходных нелинейных уравнений к линейным уравнениям «первого приближения». Условия, при которых подобный переход не приводит к потере достоверности получаемых результатов, определялись Ляпуновым на основе доказанной им теоремы «Об устойчивости движения по первому приближению» [1]. Как было отмечено выше, при доказательстве упомянутой теоремы, Ляпунов использовал разложение нелинейных функций F0(x1, x2, …, xn), входящих в искомое уравнение, в степенной ряд Тейлора.
Особенности данного разложения накладывают существенные ограничения на класс рассматриваемых систем и на возможности их анализа в широком диапазоне условий, а именно:
- нелинейные функции F0(x1, x2, …, xn) должны быть достаточно гладкими (не иметь разрывов), чтобы существовали их производные по времени по всем входящим переменным xn;
- Ляпуновым было доказано, что старшие члены в разложении Тейлора нелинейных функций F0(x1, x2, …, xn) не влияют на устойчивость лишь при достаточно малых отклонениях переменных x1, x2, …, xn относительно проектируемого режима, т. е. доказывается устойчивость в «малом».
Указанные выше ограничения показывают, что результаты теоремы Ляпунова «Об устойчивости движения по первому приближению» недостаточны для исследования ИПН, т. к.:
- в ИПН входят устройства, имеющие нелинейные звенья с нелинейными характеристиками, которые описываются разрывными функциями («треугольника» или «идеального реле» с разрывом первого рода – рис. 1);
- выполнение условий малых отклонений сигнала от рабочего режима при исследовании устойчивости в «малом» в импульсных системах с использованием метода касательной в рабочей точке и разложения в ряд Тейлора недостаточно для обеспечения достоверности полученных результатов реальной (нелинейной) импульсной системы с разрывами первого рода.
Рис. 1. Статические характеристики нелинейных элементов импульсных преобразователей напряжения
Fig. 1. Static characteristics of nonlinear elements of pulse voltage converters
Гармоническая линеаризация (аппроксимация)
Указанные ограничения, не выполняемые для импульсных преобразователей напряжения, о непрерывности и дифференцируемости функций, описывающих ИПН, и о малых отклонениях переменных x1, x2, …, xn относительно проектируемого режима могут быть сняты, если вместо разложения характеристик нелинейных элементов ПН с разрывами первого рода в степенной ряд Тейлора использовать тригонометрический ряд Фурье и определить условия, при которых об устойчивости исходной нелинейной системы можно было бы судить по ее гармонически линеаризованным моделям. Суть метода гармонической линеаризации состоит в том, что, если в системе с ООС (рис. 2, 3) линейная часть (ЛЧ) обладает фильтрующими свойствами, такими, что высшими гармониками сигнала на выходе ЛЧ можно пренебречь, тогда нелинейный элемент (НЭ) в системе (рис. 2, 3) можно заменить гармонически линеаризованным звеном с коэффициентом передачи НЭ только по первой гармонике КГЛ (рис. 3). Затем, при анализе устойчивости воспользоваться линейными частотными критериями, в первую очередь – частотными критериями Найквиста и Боде. Замена реального НЭ элементом с коэффициентом передачи по первой гармонике его выходного сигнала при выполнении в системе условия малости высших гармоник на выходе линейной части системы, т. е. выполнения известного в литературе условия как «гипотеза фильтра», корректна и применима к функциям с разрывами первого рода, которыми описываются процессы преобразования электроэнергии и протекающие электромагнитные процессы в ИПН.
Рис. 2. Блок-схема обобщенной нелинейной системы
Fig. 2. Block diagram of a generalized nonlinear system
Важно отметить, что, хотя использование метода гармонической линеаризации для исследования устойчивости нелинейных дискретных импульсных систем снимает ограничения, накладываемые на нелинейные импульсные функции: о их непрерывности, дифференцируемости и малых отклонениях, нарушаемых при разложении этих функций в ряд Тейлора при использовании первого метода Ляпунова об исследовании устойчивости системы в «малом», тем не менее, остается невыполнимым строгое доказательство применяемости «гипотезы фильтра» о малости высших гармоник на выходе линейной части системы при использовании метода гармонической линеаризации.
В настоящей работе строго доказаны необходимые и достаточные условия, при выполнении которых «гипотеза фильтра», необходимая для исследования устойчивости нелинейной системы в «целом», оказывается справедливой. Эти условия сформулированы и приведены в разделе 3.
Исследование устойчивости в «целом» и абсолютной устойчивости нелинейных систем с помощью нелинейных интегральных уравнений
Рассмотрим нелинейную систему (рис. 2), содержащую один НЭ и линейную часть с передаточной функцией w(p).
К подобным простейшим блок-схемам могут быть приведены блок-схемы любых замкнутых систем, содержащих один нелинейный элемент, с использованием алгебры передаточных функций.
Внешнее воздействие f(t) приложено по входу нелинейного элемента. Выходная величина нелинейного элемента y(t) зависит от значения входного сигнала x(t) и уравнения характеристики нелинейного элемента и может быть представлено в виде:
(1)
или относительно изображений
(2)
Уравнение выходного сигнала относительно изображений имеет вид:
(3)
где – передаточная функция линейной части.
Условие замыкания системы имеет вид:
(4)
или относительно изображений:
(5)
Заменяя Y(p) в (3) его значением из (2) и учитывая условие замыкания (5), получаем уравнение нелинейной системы в изображениях относительно выходной величины:
(6)
Если в (3) заменить Y(p) его значением из (2) и подставить значение Z(p) в (5), то получим уравнение нелинейной системы в изображениях относительно ошибки:
(7)
Это уравнение нелинейно, поскольку в него входят изображения нелинейной функции x(t) и нелинейной функции (характеристики) НЭ Если перейти в (6) и (7) от изображения к оригиналам, а для этого достаточно воспользоваться теоремой свертывания, то мы получим уравнения в оригиналах относительно выходной величины z(t):
(8)
и относительно ошибки x(t):
(9)
Уравнения (8) и (9) представляют собой нелинейные интегральные уравнения. К сожалению, не существует общих методов решения нелинейных уравнений (8) или (9). Однако, учитывая специфику НЭ или линейных частей в конкретных нелинейных системах, можно точно или приближенно исследовать процессы в нелинейных системах (НС). Разумеется, решения подобных нелинейных интегральных уравнений могут быть получены различными численными методами с помощью ЦВМ. Естественный интерес представляют в основном такие методы, которые позволяют установить их свойства и особенности, не находя непосредственно решения описывающего их уравнения, а с помощью так называемых критериев.
Рассматриваемые НС всегда полностью определяются заданной характеристикой НЭ и передаточной функцией или временной характеристикой линейной части системы. Если к нелинейной системе приложено несколько воздействий, например, кроме задающего воздействия, еще и возмущающее, то все возмущающие воздействия с использованием методов алгебры передаточных функций могут быть приведены к точке задающего воздействия. При этом уравнения относительно ошибки (7) и (9) остаются без изменений, только F(p) и f(t) будут включать в свой состав изображения и оригиналы реакций линейной части системы на эти возмущающие воздействия. Поэтому при исследовании НС ограничимся уравнением ошибки с одним приведенным воздействием f(t).
Особенности устойчивости нелинейных систем
В нелинейных системах различные режимы: режим состояния равновесия, режим вынужденных процессов, автоколебательные режимы – могут реально существовать лишь в том случае, когда они устойчивы. Устойчивость этих режимов определяется характером изменений отклонений, вызванных приложением к системе убывающих воздействий. Если эти отклонения после исчезновения вызвавшего эти отклонения возмущения стремятся с течением времени к нулю, то соответствующие режимы устойчивы. Возникающие отклонения в этом случае представляют собой не что иное как свободные процессы. Поэтому исследование устойчивости сводится к исследованию свободных процессов в нелинейных интегральных уравнениях. Следует иметь в виду, что в нелинейных системах в отличие от линейных возможны ситуации, когда один режим устойчив, например, автоколебательный или вынужденный, тогда как другой режим (режим состояния равновесия) неустойчив. Поэтому устойчивость состояния равновесия, вынужденных процессов и автоколебаний следует рассматривать, вообще, раздельно.
Будем считать, что режим (процесс) асимптотически устойчив, если величина отклонения от проектного (рабочего) режима под действием исчезающего возмущающего воздействия или начальных условий (переменных состояний: напряжений на емкостях конденсаторов и токов в индуктивностях дросселей) удовлетворяет условию:
Если величина достаточно мала, то соответствующая устойчивость является устойчивостью в «малом» или локальной устойчивостью. При неограниченном изменении d имеем устойчивость в «целом». Если условия устойчивости в «целом» распространяются не на одну фиксированную характеристику НЭ, а на некоторый класс характеристик, то имеет место «абсолютная» устойчивость.
Будем рассматривать не определенный вынужденный процесс, соответствующий фиксированному ограниченному внешнему воздействию определенного вида, например, постоянного, гармонического, периодического и т. д., а его совокупность вынужденных процессов, определяемых нелинейным интегральным уравнением:
(10)
при любом ограниченном внешнем воздействии
В [5; 6] показано, что вынужденные процессы xB(t), определяемые нелинейным интегральным уравнением (10), устойчивы, если для убывающих внешних воздействий таких, что
Свободный процесс xC’(t) ограничен и удовлетворяет условию:
.
В [5; 6] сформулированы и приведены частотные критерии I (линеарный критерий) и частотный критерий II (параболический критерий) для состояния равновесия. Состояние равновесия нелинейной системы с устойчивой линейной частью будет абсолютно устойчивым, если характеристика нелинейного элемента принадлежит для линеарного критерия к сектору (Гурвицев угол) [0, K0] или, что то же, если коэффициент статической линеаризации НЭ KC(x) принадлежит полосе [0, K0] и частотная характеристика линейной части не пересекает [q, K0] прямую [5; 6].
Для частотного критерия II (параболический критерий): состояние равновесия нелинейной системы будет абсолютно устойчивым, если характеристика нелинейного элемента принадлежит сектору [r, K0] или, что тоже, если коэффициент статической линеаризации KC(x) принадлежит полосе [r, K0] и частотная характеристика линейной части не пересекает параболу [5; 6].
В [5, с. 283] отмечается, что для частотной характеристики линейная система будет устойчива тогда, как об устойчивости нелинейной системы ничего нельзя сказать, так как все критерии абсолютной устойчивости являются лишь достаточными.
В предлагаемой работе формулируется и доказывается достаточный критерий устойчивости ИПН в «малом» и «целом». Предложенный критерий устойчивости представлен в частотной области, удобный для применения при проектировании системы.
Постановка задач исследования
Целью работы является:
- формулирование достаточного критерия устойчивости в «малом», в «целом» и «абсолютной» устойчивости рабочего режима ряда ИПН (в частности, ИПН с ШИМ модуляционного типа);
- доказательство достаточности критерия устойчивости в «целом».
Доказательство ведется на основе второго метода Ляпунова в два этапа. На первом этапе – последовательно решаются следующие задачи:
- проводится исследование устойчивости гармонически линеаризованной стационарной модели контура ООС ИПН;
- определяется критерий устойчивости по Найквисту гармонически линеаризованной модели ИПН, определяющий границы частотных характеристик петлевого усиления цепи ООС устойчивых по Найквисту и Боде;
на втором этапе:
- определяется функция Ляпунова для гармонически линеаризованной модели ИПН;
- исходя из свойств функции Ляпунова определяются аналитические условия, выполнение которых достаточно для того, чтобы найденная функция Ляпунова для гармонически линеаризованной модели ИПН (без учета высших гармоник) оставалась бы ею и для существующей нелинейной модели (с учетом высшим гармоник). Иными словами, находится функция Ляпунова для контура петлевого усиления ООС, когда выполняются достаточные условия устойчивости ИПН в «целом».
- формулируется достаточный критерий устойчивости в «целом» рабочего режима ИПН, определяющий границы устойчивости по Ляпунову частотных характеристик
Решение сформулированных выше задач проводится на основе анализа линеаризованных моделей ИПН (см. раздел 1).
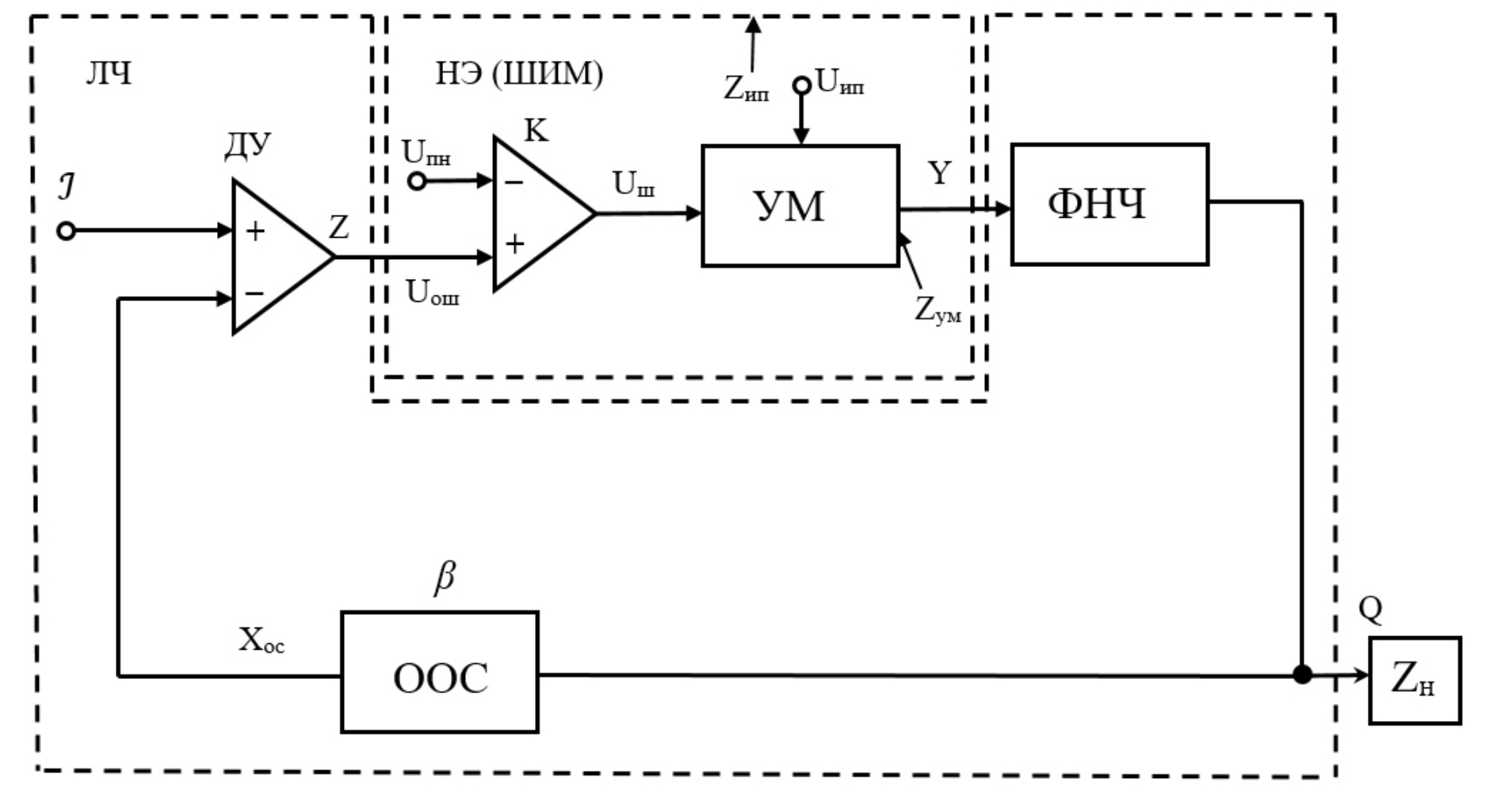
1. Модели ИПН модуляционного типа
В настоящее время очень широкое распространение в различных областях техники получили ИПН с ШИМ понижающего типа, построенные по типовой (базовой) схеме, изображенной на рис. 3, где: ЛЧ – линейная часть ИПН; ФНЧ – фильтр низкой частоты; ООС – звено обратной связи; ДУ – дифференциальный усилитель (как правило, часть ООС); УМ – усилитель мощности; НЭ – нелинейная часть – широтно-импульсный модулятор; К – коммутатор; ZН – сопротивление нагрузки ИПН; ZИП – сопротивление источника первичного электропитания; ZУМ – выходное сопротивление УМ; J – опорное напряжение; Q – напряжение ИПН на нагрузке; UПИ – пилообразное напряжение; UШ – напряжение на выходе компаратора; Y – выходной сигнал УМ; Z – сигнал рассогласования (ошибки); XОС – выходной сигнал цепи ООС.
Рис. 3. Обобщенная функциональная схема ИПН модуляционного типа
Fig. 3. Generalized functional diagram of a pulse voltage converter
В рассматриваемой схеме можно выделить следующие функционально значимые (базовые) элементы:
- линейную часть – ЛЧ (содержащую фильтр низких частот – ФНЧ, звено обратной связи и дифференциальный усилитель – ДУ.
- нелинейную часть – широтно-импульсный модулятор – ШИМ (содержащую компаратор и усилитель мощности сигнала ШИМ-УМ),
Фильтр ФНЧ преобразует модулированное по длительности импульсное напряжение в выпрямленное напряжение с постоянной составляющей Q= и переменной составляющей Q~ выходного напряжения Q = Q= + Q~. Напряжение Q с выхода ФНЧ поступает в нагрузку, и через цепь ООС – на инвертирующий вход ДУ. На другой вход ДУ подается эталонное (опорное) напряжение J. Усилитель ДУ формирует сигнал рассогласования (ошибки) Z = KД (J – XOC), где KД – коэффициент усиления ДУ, XOC – выходное напряжение цепи ООС цепи.
С выхода ДУ сигнал рассогласования (ошибки) Z подается на неинвертирующий вход компаратора, а на другой вход компаратора – пилообразное напряжение UПИ или напряжение типа «идеальное реле». Компаратор К определяет знак разности Z – UПИ и формирует модулированное по ширине импульсное напряжение UШ.
Усилитель мощности УМ – оконечный силовой блок ИПН, имеющий различное схематическое исполнение: однотактный или двухтактный, мостовой или полумостовой; с трансформаторным или бестрансформаторным выходом; однофазные или многофазные и т. п. – усиливает последовательность прямоугольных импульсов с выхода компаратора по напряжению и мощности (формирует сигнал Y) до уровней, необходимых для работы нагрузки ИПН – ZН.
На рис. 4 приведена преобразованная функциональная схема, показанная на рис. 3, где: KУ – усилитель сигнала ошибки J – XOC; J – эталонный опорный сигнал; KД – коэффициент усиления ДУ; – коэффициент передачи звена ООС; WФ – передаточная функция ФНЧ; S1 –сумматор ДУ; S2 –сумматор компаратора; F(Z – UПИ) – передаточная характеристика «вход-выход» нелинейного элемента НЭ. Uш.т – напряжение насыщения РЭ, численно равное амплитуде импульсов Y на выходе НЭ. Функции суммирования сигналов, осуществляемые ДУ и К в схеме на рис. 3 могут быть выделены в отдельные функциональные звенья S1 и S2 соответственно. Подобное преобразование позволяет от схемы (рис. 3) перейти к рассматриваемой сигнальной модели (рис. 4), где: KД – коэффициент усиления ДУ; НЭ – нелинейный элемент с характеристикой преобразования «вход-выход» (Z – UПИ) Þ Y
(11)
Графическое изображение характеристик НЭ представлено на рис. 5. В литературе НЭ с подобной характеристикой принято называть «НЭ с характеристикой типа идеальное реле».
Принцип работы ИПН, приведенного на рис. 4 и сигнальной модели на рис. 5 в установившемся рабочем режиме поясняют временные диаграммы (рис. 6), где UПИ(t) – напряжение пилообразной формы; Uп.т. – амплитуда напряжения UПИ(t); Y(t) – выходной сигнал НЭ (ШИМ); Uш.т – амплитуда импульсов Y(t); Z= – постоянная составляющая сигнала Z(t); Z~ – переменная составляющая сигнала Z(t), Z~ << Z=; T – период следования UПИ(t); tИ – длительность импульсов UПИ(t); WФ(jw), b(jw), КУ(jw) – передаточные функции цепей WФ, KУ соответственно.
Временные диаграммы (рис. 6) построены в предположении, что:
- Z~ << Z=; Z~ << Uп.т,;
- выходное сопротивление первичного источника (ПИ) ZПИ = 0;
- выход УМ по отношению ко входу ФНЧ можно рассматривать как идеальный источник напряжения, т. е. ZУМ = 0.
Приведенные выше ограничения должны учитываться при принятии тех или иных технических решений при проектировании ИПН. В противном случае в ИПН могут возникать режимы работы, отличные от приведенных на диаграмме (рис. 6).
Рис. 4. Обобщенная сигнальная структурная схема ИПН с одноканальной ООС
Fig. 4. Generalized signal block diagram of a pulse voltage converter unit with single-loop feedback
Рис. 5. Статистическая характеристика «вход-выход» НЭ типа «идеальная характеристика Реле»
Fig. 5. Statistical characteristic “input-output” of nonlinear element of «ideal characteristic of Relay» type
Рис. 6. Временные диаграммы работы системы (рис. 3)
Fig. 6. Timing diagrams of system operation (Fig. 3)
Представленную на рис. 4 структурную схему можно рассматривать как стационализированную нелинейную модель ИПН, относящихся к классу ДНС. С целью дальнейшего упрощения анализа, учитывая, что необходимым элементом ИПН является ФНЧ, обеспечивающий выполнение описанного выше условия 1, исходную схему следует преобразовать к виду (рис. 7), где KД – коэффициент усиления ДУ; Kгл.ш – коэффициент гармонической линеаризации РЭ с характеристикой рис. 5 (коэффициент передачи НЭ по первой гармонике).
Рис. 7. Гармонически линеаризованная модель ИПН с одноконтурной ООС
Fig. 7. Harmonically linearized model of pulse voltage converter with single-loop feedback
Устойчивость по Найквисту гармонических линеаризованных моделей ИПН
В основе критерия Найквиста лежит свойство линейных систем, заключающееся в том, что устойчивость линейной стационарной системы зависит только от свойств самой системы и не зависит от внешних сигналов (от режима работы ИПН), которые в этом случае могут задаваться произвольно. Тогда без ограничения общности рассмотрения будем полагать, что J = Uш.т/2, т. е. амплитуда эталонного опорного сигнала J равна половине амплитуды импульсов на выходе НЭ. Для определения коэффициента передачи сигнала по цепи обратной связи «разорвем» (рис. 8) контур ООС модели на рис. 7 на выходе ЛЧ (в точках 2-2’) и подадим на вход в точках 1-1’ гармонический сигнал вида:
(12)
где a – амплитуда, – частота сигнала Z.
Рис. 8. Контур ООС модели (рис. 7), разомкнутый на входе ШИМ, в установившемся режиме
Fig. 8. Feedback loop circuit of the model (Fig. 7), open at the PWM input, in steady state
Выходной сигнал нелинейного элемента Y может быть разложен в ряд Фурье.
(13)
Из приведенных на рис. 9 построений следует, что переменная составляющая сигнала Y является симметричной функцией, поэтому суммирование в (13) ведется только по нечетным гармоникам.
Тогда, учитывая, что для определенного выше режима J = Uш.т/2, сигнал на выходе сумматора S1 (рис. 7) нелинейной системы (рис. 4) можем записать следующим образом:
(14)
В разложении (14) выделены первый член гармонического ряда Фурье XЛ и сумма высших гармоник XОСТ. Суммирование ведется по нечетным гармоникам n = 1, 3 5, … Коэффициент разложения по первой гармонике для НЭ может быть определен следующим образом:
(15)
где ap = Uш.т – порог ограничения НЭ релейного типа, равный амплитуде сигнала Y на выходе РЭ (рис. 9). Функции и в разложении (14) – соответственно модуль и фаза частотной характеристики ЛЭ на частотах только по нечетным гармоникам.
Рис. 9. Формирование на выходе НЭ сигнала Y при входном сигнале
Fig. 9. Formation of the Y signal at the output of the nonlinear element at the input signal
В состав ИПН входит фильтр низкой частоты ФНЧ (рис. 2), обуславливающий наличие у ЛЭ фильтрующих свойств. В этом случае высшими гармониками в разложении (14) можем в первом приближении пренебречь и записать для выходного сигнала ЛЭ:
(16)
Тогда, с учетом (12) и (16) для передаточной функции разомкнутого контура ООС системы (рис. 8), определяемой по первой гармонике, можем записать:
(17)
где – искомый коэффициент передачи НЭ релейного типа по первой гармонике.
Сомножитель может рассматриваться как звено, последовательно включенное с линейной частью ИПН с передаточной функцией
Приведенные выше выкладки подтверждают, что обобщенной нелинейной модели ИПН (рис. 3) можно поставить в соответствие ее гармонически линеаризованную модель, изображенную на рис. 7.
Рис. 10. Статистическая характеристика и коэффициенты гармонической линеаризации нелинейного элемента РЭ: 1 – статистическая характеристика; 2 – коэффициент гармонической линеаризации
Fig. 10. Statistical characteristics and coefficients of harmonic linearization of a nonlinear element of relay type: 1 – statistical characteristic; 2 – harmonic linearization coefficient
Звено в структурной схеме (рис. 7) в литературе принято называть гармонически линеаризованным коэффициентом передачи релейного элемента (РЭ). Графически статическая характеристика РЭ и коэффициент представлены на рис. 10.
Заметим, что в отличие от линейной системы коэффициент передачи гармонически линеаризованной модели (рис. 7) не является постоянной величиной, а зависит от амплитуды гармонического сигнала Сформулированное замечание является принципиально важным при определении частотных критериев устойчивости гармонически линеаризованных моделей ИПН модуляционного типа.
2. Об устойчивости гармонически линеаризованной модели ИПН по Найквисту
При постоянном значении коэффициента или, что то же самое, параметра a, система (рис. 7) становится линейной и, следовательно, о ее устойчивости можно судить на основе линейных критериев. На практике при проектировании ИПН наиболее широко применяется частотный критерий Найквиста:
Линейная система с одноканальной обратной связью устойчива, если годограф возвратного отношения на комплексной плоскости не охватывает критической точки с координатами [–1, j0].
В нашем случае и линейные критерии в общем случае не позволяют судить об устойчивости и неустойчивости системы (рис. 7).
Поясним на примере модели (рис. 7) с годографами петлевого усиления изображенным на рис. 11. Годографы 1 и 2 в литературе принято называть устойчивыми по Найквисту и Боде.
Рис. 11. Годограф гармонически линеаризованной системы (рис. 5)
Fig. 11. Hodograph of a harmonically linearized system (Fig. 5)
В соответствии с (17) коэффициент Kгл.ш(a) является частотно-независимой функцией и изменяется от 0 до ∞. В этом случае образует семейство годографов подобных по форме и различающихся по охватываемой ими площадью в зависимости от a.
В разделе 3 будет показано, что годограф 1 устойчив по Ляпунову, если запас по фазе y находится в пределах [15°, 75°].
Точки пересечения годографами оси при изменении a от 0 до ∞ принимают значения от ∞ до 0 (для НЭ с характеристикой типа идеальное реле). Таким образом, всегда можно указать такое значение a, при котором устойчивые по Найквисту годографы 1, 2 не обеспечивают устойчивость гармонически линеаризованной системы.
В соответствии с приведенными соображениями, основанными на методе гармонической линеаризации, критерий Найквиста для гармонически линеаризованных систем с одноконтурной ООС может быть записан в следующей формулировке: гармонически линеаризованная система устойчива в целом, если годограф петлевого усиления не охватывает критической точки [–1, j0] реальной оси плоскости годографа для всех значений 0 < a < ¥. При определении критериев устойчивости гармонически линеаризованной модели ИПН полагается, что KЛ(a) плавно (без скачков) изменяется при изменении a, следовательно годограф плавно изменяется при изменении a.
В частности, для ИПН с характеристикой НЭ релейного типа справедлива формулировка: система (рис. 7) устойчива в целом, если годограф для всех значений 0 < a < ¥ полностью находится в нижней половине комплексной плоскости (рис. 11, кривая 1). Отметим, что, если годограф функции находится в нижней половине комплексной плоскости то из этого следует, что не может быть больше радиан. В аналитическом виде условие устойчивости гармонически линеаризованной модели ИПН может быть записано так: гармонически линеаризованная модель ИПН модуляционного типа (рис. 7) будет устойчива для всех 0 < a < , если выполняется неравенство:
(18)
где – фазочастотная характеристика комплексной функции
3. Устойчивость ИПН по Ляпунову
Критерий Найквиста основан на анализе частотной характеристики возвратного отношения петлевого усиления которая для линейных систем не зависит от сигнала системы xi. В сформулированных в разделе 2 критериях устойчивости гармонически линеаризованных моделей ИПН возвратное отношение ТЛ зависит от амплитуды сигнала на входе НЭ
Обоснование возможности (допустимости) расширения применения критерия Найквиста в разделе 2 дано лишь на качественном уровне и требует дополнительных более строгих доказательств. Определим для этого достаточное условие устойчивости гармонически линеаризованной модели ИПН по Ляпунову, не прибегая к критерию Найквиста.
Устойчивость гармонически линеаризованной модели ИПН по Ляпунову
В соответствии с предложенным Ляпуновым вторым (прямым) методом нелинейная система устойчива, если для нее можно указать функцию Ф(xi), описывающую возвратное петлевое усиление и обладающую следующими свойствами:
- Ф(xi, t) > 0 для всех xi, t0 < t <;
Существование такой функции Ф(xi, t) для системы можно рассматривать как достаточный критерий ее устойчивости по Ляпунову. Функции Ф(xi, t) с упомянутыми выше основными свойствами в литературе принято называть функциями Ляпунова.
Рассмотрим структурную схему системы рис. 7. Положением равновесия для этой системы является состояние, когда Z = 0, X = 0 (т. е. выходной сигнал Z и сигнал ошибки X = J – XOC равны нулю). Пусть
(19)
исчезающее внешнее воздействие, выводящее систему из равновесия.
Тогда для линеаризованной системы (пренебрегая старшими гармониками) можем записать:
(20)
где – коэффициент разложения (14) по первой гармонике; – частотная характеристика ЛЧ.
Введем в рассмотрение переменные:
(21)
– сигнал, сопряженный с Z,
(22)
– сигнал, сопряженный с XЛ.
Рассмотрим функцию:
(23)
Докажем, что ФЛ в (23) является для системы (рис. 7) функцией Ляпунова. Подставим (19), (20), (21), (22) в (23). После преобразований (учитывая формулу Эйлера) получим:
(24)
(25)
Из полученных для ФЛ и jЛ выражений следует, что, если то а для всех Следовательно:
- квадратичная форма (23) является функцией Ляпунова для гармонически линеаризованной модели (рис. 7);
- гармонически линеаризованная модель устойчива по Ляпунову, что и требовалось доказать.
Условия можно трактовать как частотный критерий устойчивости гармонически линеаризованной модели (рис. 7) по Ляпунову. Очевидно, что полученные критерии устойчивости по Найквисту и по Ляпунову для гармонически линеаризованных моделей совпадают.
4. Устойчивость нелинейных моделей ИПН по Ляпунову
Сформулированные в разделах 2 и 3 частотные критерии устойчивости ИПН по Найквисту, Боде и Ляпунову определены в предположении о том, что высшими гармониками в спектре сигнала X на выходе ЛЧ нелинейной модели (рис. 3) можно пренебречь – справедлива т. н. гипотеза фильтра. Определим условия, при которых высшие гармоники X не влияют на устойчивость ИПН. Рассмотрим квадратичную форму Ф:
(26)
В отличие от ранее используемой ФЛ в (23) в выражении (26) X = XЛ + ХОСТ и, следовательно, учтены все гармоники на выходе ЛЧ.
В этом случае можем записать:
(27)
(28)
Из полученных выражений (27) и (28) следует, что с и с будут иметь одинаковые знаки, если выполняются следующие условия:
(29)
(30)
После преобразований неравенства (29) и (30) могут быть представлены в виде:
(31)
(32)
Приведенные выкладки позволяют сделать следующие принципиальные выводы:
- если справедливы неравенства (31) и (32), то с а также с имеют одинаковые знаки.
- если с а также с имеют одинаковые знаки, то при исследовании устойчивости нелинейной системы (рис. 3) прямым методом Ляпунова, высшими гармониками сигнала Х в квадратичной форме Ф (27) можно пренебречь.
- если высшие гармоники сигнала Х в квадратичной форме Ф можно не учитывать, то вместо Ф допустимо использовать формулу ФЛ (23), в которой нелинейными продуктами пренебрегаем.
В свою очередь, обобщая сформулированные выше выводы, можем заключить, что:
- об устойчивости нелинейной системы (рис. 3) можно достоверно судить по ее гармонически линеаризованной модели (рис. 7), если выполняются условия (31) и (32);
- условия (31), (32) являются количественной оценкой выполнимости «гипотезы фильтра» при исследовании устойчивости ИПН;
- если выполняются условия (31), (32) и если ФЛ является функцией Ляпунова для гармонически линеаризованной системы (рис. 7), то ФЛ также является функцией Ляпунова и для нелинейной системы (рис. 3).
По аналогии с (20) для n-й гармоники сигнала на выходе ЛЧ – XЛЧ.n можем записать:
Суммируя по n, получим:
(33)
Подставив в (26) полученное выше значение X после преобразований можем записать:
(34а)
(34б)
Тогда неравенства (31), (32) можем представить в виде:
(35а)
(35б)
Учитывая, что для устойчивых ИПН следовательно,
На основании неравенств (35а), (35б) можно дать следующую оценку: для того, чтобы высшие гармоники сигнала X на выходе ЛЧ не изменяли знаки функций и при добавлении к сигналу XЛ высших гармоник достаточно, чтобы выполнялось неравенство:
(36)
Как было указано ранее, НЭ ИПН имеет характеристику типа реле. В этом случае при любом входном периодическом сигнале с частотой выходной сигнал НЭ также периодический с частотой и имеет разрывы первого рода. Следовательно, коэффициенты Cn разложения этого сигнала в ряд Фурье убывают обратно пропорционально n, т. е.
(37)
При проектировании ИПН WЛЧ выбирается, исходя из необходимости получения требуемой глубины ООС F в заданном диапазоне и обеспечения требуемого запаса устойчивости по фазе. Боде в свой работе [2] показал, что наилучшим образом перечисленным выше требованиям отвечает такая частотная характеристика при которой возвратное отношение контура ООС в диапазоне имеет постоянный модуль а при частоте – постоянную фазу с требуемым запасом по фазе y. Годограф такой функции изображен на рис. 12, а ЛАЧХ – на рис. 13.
Рис. 12. Графическая иллюстрация условий (36) на плоскости 1 – – функция Боде с запасом по фазе ymax = 75°; 2 – – функция Боде с запасом по фазе ymax = 15°; A – область плоскости где выполняются условия (36) (угол допустимых значений
Fig. 12. Graphic illustration of conditions (36) on a plane 1 – – Bode function with phase margin ymax = 75°; 2 – – Bode function with phase margin ymax = 15°; A – area of the plane where conditions (36) are met (angle of permissible values
Рис. 13. Частотные характеристики 1 – ЛАХ типа идеальный срез по Боде, дБ; 2 – асимптотические прямые ЛАХ, дБ; 3 – рад;
Fig. 13. Frequency characteristics of 1 – LAC type ideal Bode cutoff, dB; 2 – asymptotic straight lines of LAC, dB; 3 – rad
В аналитической форме для TБ можно записать:
(38)
Приведенный в [2] вывод формулы (38) выполнен в предположении, что – минимально-фазовая функция.
Для частот, где выражение (38) можно упростить и преобразовать к виду:
(39)
Потенцируя обе части уравнения (39), получим:
Тогда отношение
(40)
Учитывая, что и отличаются друг от друга лишь множителем С1 = const, для искомого отношения можем записать:
(41)
Подставляя Сn/C1 и из (37) и (41) в сумму, стоящую в правой части неравенства (36), после преобразований получим:
(42)
Отметим, что при стоящая в правой части неравенства (42) бесконечная сумма сходится и может быть определена в замкнутом виде:
где – функция Римана, непрерывная на интервале
Значение функции Римана для различных y выбираются по таблицам, приведенным в [4], а искомые условия в этом случае определяются неравенством:
(43)
Из приведенных на рисунке построений следует, что исходные условия выполняются, когда запас по фазе функции находится в пределах:
где ymin = = 7,5°, ymax = = 150°.
При выполнении условия (43) квадратичная форма (23) является функцией Ляпунова для нелинейной системы (рис. 3). Следовательно, неравенство (43) можно рассматривать как аналитическое выражение критерия устойчивости ИПН по Ляпунову.
Графическая интерпретация условия (43) на плоскости годографа функции представлена на рис. 14. Из него очевидно, что нелинейная система (рис. 3) устойчива по Ляпунову, если ее гармонически линеаризованный годограф на частотах находится в области между границами, очерченными функциями: с запасом по фазе ymax (кривая 1) и – с запасом по фазе ymin (кривая 2). (Запретная область на рисунке отмечена штриховкой).
Рис. 14. Графическое решение неравенства (34): 1 – функция f1(y) = sin y; 2 – 3 – интервал решений неравенства (34)
Fig. 14. Graphic solution to inequality (34): 1 – function f1(y) = sin y; 2 – 3 – inequality solution interval (34)
Приведенные выше формулировки критериев устойчивости ИПН с ШИМ по Ляпунову выражены в простой и удобной форме, близкой с критерием Найквиста. На практике это означает, что, если при проектировании устойчивых ИПН с ШИМ выбирается запас по фазе в пределах 30°–45° (что обычно является типовой нормой), то при формировании желаемых законов регулирования могут применяться известные методики, в том числе описанные в [3; 7–10].
Важно отметить, что частотный критерий устойчивости по Ляпунову нелинейной системы (рис. 3) накладывает на более жесткие ограничения в сравнении с частотным критерием устойчивости по Найквисту гармонически линеаризованной системы (рис. 7). Это, очевидно, объясняется тем, что высшие гармоники в спектре сигнала на выходе ЛЧ вносят дополнительные фазовые сдвиги, зависящие, в свою очередь, от сходимости функции, стоящей в правой части неравенства (43).
Заключение
- Найдена функция Ляпунова для ИПН с нелинейными элементами релейного типа. В соответствии с прямым методом Ляпунова наличие такой функции является достаточным критерием устойчивости в «целом» рассматриваемой системы.
- Найденная функция Ляпунова (ФЛ) выражена через петлевое усиление ООС ИПН следующим образом: где a – сигнал на входе нелинейного элемента.
- Найдены границы частотных характеристик петлевого усиления ООС линейной части ИПН, устойчивых по Ляпунову с учетом влияния высших гармоник.
- В настоящее время отсутствует количественное доказательство применимости «гипотезы фильтра» о малости влияния высших гармоник на устойчивость ИПН.В работе на основе прямого метода Ляпунова доказаны достаточные условия, при выполнении которых «гипотеза фильтра», необходимая для исследования устойчивости ИПН в «целом», оказывается справедливой.
- Полученные в работе результаты позволяют упростить проектирование ИПН устойчивых по Ляпунову за счет применения метода амплитудно-частотных характеристик, используемых для стационарных линейных систем.
About the authors
Vladimir F. Dmitrikov
The Bonch-Bruevich Saint Petersburg State University of Telecommunications
Author for correspondence.
Email: Dmitrikov_VF@mail.ru
ORCID iD: 0009-0002-9839-787X
SPIN-code: 4799-9621
Scopus Author ID: 492150
Doctor of Technical Sciences, professor of the Department of Theoretical Foundations of Telecommunications
Russian Federation, Saint Petersburg, bld. 1, Avenue Bolshevikov 22, 193232Lev E. Frid
LLC «North West Laboratory»
Email: Maximus.frid@mail.ru
Technical Director
Russian Federation, Saint Petersburg, Varshavskaya Street 5a, 196128Alexandr Y. Petrochenko
JSC «Concern Avrora SPA»
Email: Petrochenko_A@bk.ru
Candidate of Technical Sciences, engineer of the second category
Russian Federation, Saint Petersburg, Karbysheva Street 15, 194021Dmitry V. Shushpanov
The Bonch-Bruevich Saint Petersburg State University of Telecommunications
Email: dimasf@inbox.ru
ORCID iD: 0009-0009-9950-0585
SPIN-code: 5831-5634
Scopus Author ID: 485153
Candidate of Technical Sciences, associate professor of the Department of Theoretical
Saint Petersburg, Avenue Bolshevikov 22 bld. 1, 193232References
- M. Lyapunov, General Problem of Motion Stability. Reasoning by A. Lyapunov. Khar'kov: Tipografiya Zil'berberga, 1892. (In Russ.)
- G. V. Bode, Circuit Theory and Feedback Amplifier Design. Moscow: IL, 1948. (In Russ.)
- Ya. Lur'e and P. J. Enrayt, Classic Automatic Control Methods, A. A. Lanne, Ed. Saint Petersburg: BKhV-Peterburg, 2004. (In Russ.)
- M. V. Meerov, Ed. Special Functions: Formulas, Graphs, Tables, A. N. Gaysinsky, Trans. Moscow: Sov. radio, 1970. (In Russ.)
- Ya. Z. Tsypkin, Fundamentals of the Theory of Automatic Systems. Moscow: Nauka, 1977. (In Russ.)
- F. Chaki, Modern Management Theory. Nonlinear, Optimal and Adaptive Systems, V. V. Kapitonenko and S. A. Anisimova, Trans., N. S. Reibman, Ed. Moscow: Mir, 1975. (In Russ.)
- V. F. Dmitrikov and D. V. Shushpanov, Stability and Electromagnetic Compatibility of Devices and Power Supply Systems. Moscow: Goryachaya liniya – Telekom, 2018. (In Russ.)
- V. F. Dmitrikov, V. V. Sergeev, and I. N. Samylin, Increasing the Efficiency of Converter and Radio Devices. Moscow: Goryachaya liniya – Telekom, 2016. (In Russ.)
- V. F. Dmitrikov et al., Theory and Methods of Analysis of Frequency Converters and Key Generators. Kiev: Nauk. Dumka, 1988. (In Russ.)
- V. F. Dmitrikov, V. E. Tonkal', and M. Ya. Ostrovskiy, Theory of Key Drivers of Harmonic Oscillations. Kiev: Nauk. Dumka, 1993. (In Russ.)
- I. Andriyanov, “Development of control theory for nonlinear dynamic processes of pulse-modulation systems,” Doc. Tech. Sciences dissertation, Bryansk, 2021. (In Russ.)
- V. Kobzev et al., Nonlinear Dynamics of Semiconductor Converters. Tomsk: TUSUR, 2007. (In Russ.)
- G. A. Kobzev, “Method for studying the stability of generally stabilized electrical energy converters with pulse width modulation,” Cand. Tech. Sciences dissertation, Tomsk, 2010. (In Russ.)
- V. Ya. Zhuykov and A. O. Leonov, “Chaotic processes in electrical systems,” Izvestiya akademii nauk SSR. Energetika i transport, no. 1, pp. 121–127, 1991. (In Russ.)
- G. A. Belov, Dynamics of Pulse Converters. Cheboksary: Chuvash. un-t, 2001. (In Russ.)
- G. A. Belov, Pulse Converters with Control Systems on Serial Chips. Cheboksary: Chuvash. un-t, 2015. (In Russ.)
- G. A. Belov, Theory of Pulse Converters. Cheboksary: Chuvash. un-t, 2016. (In Russ.)
- V. I. Meleshin, Transistor Conversion Technology. Moscow: Tekhnosfera, 2005. (In Russ.)
- R. Severns and G. Blum, Switching DC-DC Converters for Secondary Power Supply Systems. Moscow: Energoatomizdat, 1988. (In Russ.)
- V. F. Dmitrikov, O. A. Korzhavin, and D. V. Shushpanov, “Stability of a distributed power supply system taking into account intermediate filters,” Prakticheskaya silovaya elektronika, no. 4 (40), pp. 28–35, 2010. (In Russ.)
- V. F. Dmitrikov and I. N. Samylin, “On the influence of complex load on the stability of operation and dynamic characteristics of switching power supplies,” Prakticheskaya silovaya elektronika, no. 1 (21), pp. 6–10, 2006. (In Russ.)
- V. F. Dmitrikov et al., “The stability and electromagnetic compatibility of power supply modules and systems,” Physics of Wave Processes and Radio Systems, vol. 20, no. 3, pp. 87–94, 2017, url: https://journals.ssau.ru/pwp/article/view/7089. (In Russ.)
- I. Andriyanov, “Border collision bifurcation in closed automatic control systems with sinusoidal pulse width modulation,” Journal of Computer and Systems Sciences International, vol. 55, no. 3, pp. 425–434, 2016, doi: https://doi.org/10.1134/S1064230716030059.
- S. G. Mikhal'chenko, “Bifurcation analysis of nonlinear dynamic systems of modular semiconductor converters,” Doc. Tech. Sciences dissertation, Tomsk, 2012. (In Russ.)
- I. Andriyanov, “Control system for nonlinear dynamic processes in a buck converter,” IOP Conference Series: Materials, Science and Engineering, vol. 1047, no. 1, p. 012185, 2021, doi: https://doi.org/10.1088/1757-899X/1047/1/012185.
- O. A. Korzhavin and S. S. Donkeev, “Increasing the local stability of the “switching stabilized power supply with input filter” system by increasing its attenuation coefficient using correction circuits,” Physics of Wave Processes and Radio Systems, vol. 4, no. 4, pp. 68–72, 2001. (In Russ.)
- I. Andriyanov, “Study of the frequency characteristics of pulsed voltage converters with a simplified current loop with delayed feedback,” Prakticheskaya silovaya elektronika, no. 1 (89), pp. 2–10, 2023, url: https://elibrary.ru/item.asp?id=50504163. (In Russ.)
Supplementary files
















