Effect of О2+ Ion Implantation on the Elemental and Chemical Composition of the Si(111) Surface
- Autores: Allayarova G.K.1, Umirzakov B.E.2, Tashatov A.K.1
-
Afiliações:
- Karshi State University
- Таshkent State Technical University
- Edição: Nº 5 (2024)
- Páginas: 78-81
- Seção: Articles
- URL: https://journals.rcsi.science/1028-0960/article/view/264383
- DOI: https://doi.org/10.31857/S1028096024050117
- EDN: https://elibrary.ru/FTPIKG
- ID: 264383
Citar
Texto integral
Resumo
Using the methods of secondary ion mass spectrometry, elastic peak electron spectroscopy and Auger electron spectroscopy, the elemental and chemical composition of the surface, concentration profiles of the distribution of atoms over the depth of silicon implanted with O2+ ions with energy E0 = 1 keV at a dose of D = 6 × 1016 cm–2 were studied. It was found that oxides and suboxides of Si (SiO2, Si2O and SiO0.5) were formed in the ion-doped layer, and it also contained unbound O and Si atoms. Post-implantation annealing at 850–900 K led to the formation of a stoichiometric SiO2 layer ~25–30 Å thick.
Palavras-chave
Texto integral
ВВЕДЕНИЕ
Тонкие пленки SiO2 и структуры на их основе широко используются при создании МОП–транзисторов (МОК – металл–оксид–полупроводник), дисплеев, диодов и интегральных схем, светоизлучающих структур, солнечных элементов. В настоящее время хорошо изучены состав, электронные и оптические свойства пленок SiO2 и субоксидов Si, выращенных на поверхности Si различными методами [1–11]. В частности, в [7] показано, что в матрице SiO2 гидрированного аморфного субоксида Si появляются избыточные атомы Si и образуются нанокластеры Si. В кластерах с размерами меньше 50–100 нм проявляются квантово-размерные эффекты [7]. Начиная с размера кластера 10 нм постоянная кристаллической решетки кремния увеличивается [8]. Как показано в [9], при увеличении толщины пленки до 100 нм происходит ее самопроизвольная кристаллизация. Наличие нанокластеров кремния в а-SiOх (0 < x < 2) обеспечивает излучение видимого и инфракрасного света при комнатной температуре [10].
В последнее годы метод низкоэнергитеческой имплантации ионов широко используют для получения наноразмерных структур на поверхностных слоях материалов различной природы [11, 12]. В частности, на основе Si получены и изучены электронные и оптические свойства наноразмерных фаз и пленок силицидов металов и SiO2 [13–18]. Однако до настоящего времени практически не были исследованы изменение состава и структуры поверхностных слоев Si как в процессе имплантации ионов O2+, так и последующего отжига. Настоящая работа посвящена решению этой очень актуальной проблемы физической электроники.
МЕТОДИКА ЭКСПЕРИМЕНТА
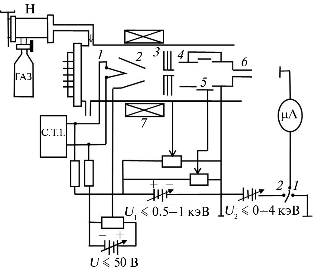
В качестве объекта исследования использованы монокристаллические образцы Si(111). Эксперименты проводили в сверхвысоковакуумном (P ≈ 10–7 Па) приборе, состоящем из двух камер и собранном на основе установки УСУ [19]. В первой камере проводили термический отжиг и ионную бомбардировку Si, а во второй камере исследовали состав, структуру и свойства образцов с использованием методов оже-электронной спектроскопии, спектроскопии упруго отраженных медленных электронов. На рис. 1 приведена конструкция пушки ионов O2+. Кислород напускали в сверхвысоковакуумный прибор через специальный натекатель. Ионизацию кислорода осуществляли бомбардировкой ионами кислорода. Источник ионов помещали в магнитное поле соленоида. Он состоял из нити накала и анода. Источник ионов работал при давлении газов 10–2 Па, а в измерительной части прибора давление составляло 10–6 Па. Для ускорения электронов между нитью накала и анодом подавали напряжение порядка 50 В. Плотность тока ионов на мишень составляла (1–10) × 10–6 А∙см–2 [19]. Масс-спектры записывали при бомбардировке образца ионами Сs+ с Е0 = 6.7 кэВ на стандартной установке типа МИ-1320. Профили распределения атомов по глубине образцов исследовали методом оже-электронной спектроскопии в сочетании с травлением поверхности ионами Ar+ с Е0 = 1 кэВ под углом 15° относительно поверхности. Перед ионной имплантации образцы Si(111) обезгаживали при 1200 К в течение 4–5 ч и кратковременном отжиге при 1500 К в сочетании с мягким травлением поверхности ионами Ar+.
Рис. 1. Конструкция ионной пушки для создания пучка ионов газов: 1 – нить накала; 2 – анод; 3 – система диафрагм; 4–6 – фокусирующие и ускоряющие электроды
РЕЗУЛЬТАТЫ И ИХ ОБСУЖДЕНИЕ
На рис. 2 приведен масс-спектр отрицательных ионов для Si, имплантированного ионами O2+ с Е0 = 1 кэВ при дозе облучения D = Dн = 6 × 1016 см–2, где Dн – доза насыщения, при которой дальнейшее ее увеличение не приводит к изменению состава ионно-имплантированных слоев. Видно, что в спектре содержатся интенсивные пики SiO2, субоксидов Si (SiO и Si2O) и несвязанных атомов Si и О. Наряду с этими пиками обнаруживаются малоинтенсивные пики различных примесных атомов, общая концентрация которых не превышает 0.1 ат. %. Отжиг этой системы приводит к изменению содержания оксидов, и при ~900 К формируется нанопленка SiO2 толщиной ~25–30 Ǻ (рис. 3). Значение энергии связи остовного уровня L23 кремния очень чувствительно к изменению состава в поверхностном слое Si. Образование новых соединений или их разложение приводит к изменению формы и положения этого пика. Из рис. 3 видно, что при имплантации ионов O2+ в Si с Е0 = 1 кэВ при дозе D = Dн в спектре упруго отраженных медленных электронов интенсивность пика L23 кремния резко уменьшается и появляются новые интенсивные пики при энергии 104, 105.5 и 107 эВ (рис. 3, кривая 2). Появление этих пиков объясняется наличием нестехиометрических оксидов SiO, Si2O и SiO2 соответственно. После отжига ионно-имплантированного образца при 900 К пики при энергии 104 и 105.5 эВ полностью исчезают, а интенсивность пика при Е ≈ 107 эВ резко увеличивается. На основе анализа данных методов оже-электронной спектроскопии и вторичной ионной масс-спектрометрии установлено, что на поверхности формируется однородная пленка SiO2 толщиной 25–30 Ǻ (эти данные на рисунке не показаны).
Рис. 2. Масс-спектр Si, имплантированного ионами О2+ с Е0 = 1 кэВ при D = 6 × 1016 см–2, измеренный при бомбардировке ионами Сs+ с Е0 = 6.7 кэВ
Рис. 3. Спектры упруго отраженных электронов L23VV Si: 1 – чистого; 2 – после имплантации ионов О2+ с Е0 = 1 кэВ и D = 6 × 1016 см–2, 3 – после отжига при 900 К в течение 30 мин
На рис. 4 приведены изменения по глубине общей концентрации О и концентрации атомов О, образующих связи типа SiО2 и SiОх (SiО + + SiО0.5) для Si, имплантированного ионами O2+ с Е0 = 1 кэВ при D = 6 × 1016 см–2. Максимальная концентрация О, содержащегося на поверхности ионно-имплантированного Si, принята за 100 ат. %. Видно, что кривые СО(d) для SiО2 и SiОх проходят через максимумы. Общая концентрация О до глубины 20–25 Å заметно изменяется, из них до 70–75 ат. % образуют химическую связь с атомами Si. После отжига при 900 К все атомы О и Si образуют химическую связь и формируются пленки SiО2 с достаточно хорошей стехиометрией.
Рис. 4. Зависимости концентрации атомов кислорода СО(d) для Si, имплантированного ионами О2+ с Е0 = 1 кэВ: 1 – общая концентрация; 2 – в оксиде SiО2; 3 – в соединении SiОх(SiО + SiО0.5)
ЗАКЛЮЧЕНИЕ
Показано, что при имплантации ионов O2+ с Е0 = 1 кэВ и дозе D = 6 ×1016 см–2 в приповерхностном слое образуются нестехиометрические оксиды типа SixOy. В этих слоях также содержатся несвязанные атомы Si и О, общая концентрация которых составляет 25–30 ат. %. Профили распределения оксидов SiO2 и SiOх по глубине проходят через максимум. Отжиг при 900 К приводит к формированию однородную пленку SiO2 толщиной ~25–30 Å.
ФИНАНСИРОВАНИЕ РАБОТЫ
Данная работа финансировалась за счет средств бюджета Ташкентского государственного технического университета, Ташкент, Узбекистан. Никаких дополнительных грантов на проведение или руководство этим конкретным исследованием получено не было.
Конфликт интересов. Авторы данной работы заявляют, что у них нет конфликта интересов.
Sobre autores
G. Allayarova
Karshi State University
Autor responsável pela correspondência
Email: allayarova5030@mail.ru
Uzbequistão, Karshi
B. Umirzakov
Таshkent State Technical University
Email: allayarova5030@mail.ru
Uzbequistão, Таshkent
A. Tashatov
Karshi State University
Email: allayarova5030@mail.ru
Uzbequistão, Karshi
Bibliografia
- Демидов Е.С., Михайлов А.Н., Белов А.И., Карзанова М.В., Демидова Н.Е., Чигиринский Ю.И., Шушунов А.Н., Тетельбаум Д.И., Горшков О.Н., Европейцев Е.А. // ФТТ. 2011. Т. 53. Вып. 12. С. 2294. http://journals.ioffe.ru/articles/1645
- Громов Д.Г., Пятилова О.В., Булярский С.В., Белов А.Н., Раскин А.А. // ФТТ. 2013. Т. 55. Вып. 3. С. 562. http://journals.ioffe.ru/articles/973
- Hoppe K., Fahrner W.R., Fink D., Dhamodoran S., Pe- trov A., Chandra A., Saad A., Faupel F., Chak-ravadhanula V.S.K., Zaporotchenko V. // Nucl. Instrum. Methods Phys. Res. B. 2008. V. 266. № 8. P. 1642. https://doi.org/10.1016/j.nimb.2007.12.069
- Rochet F., Dufour G., Roulet H., Pelloie B., Perriere J., Fogarassy E., Slaoui A., Froment M. // Phys. Rev. B. 1988. V. 37. № 11. P. 6468. https://doi.org/10.1103/PhysRevB.37.6468
- Takeoka S., Fujii M., Hayashi S. // Phys. Rev. B. 2000. V. 62. № 24. P. 16820. https://doi.org/10.1103/PhysRevB.62.16820
- Krishnan R., Xie Q., Kulik J., Wang X.D., Lu S., Molinari M., Gao Y., Krauss T.D., Fauchet P.M. // J. Appl. Phys. 2004.V. 96. № 1. P. 654. https://doi.org/10.1063/1.1751632
- Ундалов Ю.К., Теруков Е.И. // ФТП. 2015. Т. 49. Вып. 7. С. 887. http://journals.ioffe.ru/articles/41958
- Зинченко В.Ф., Лаврентьев К.В., Емелянов В.В., Емельянов В.В., Ватуев А.С. // ЖТФ. 2016. Т. 86. Вып. 2. С. 30.
- Гусев О.Б. // ФТП. 2013. Т. 47. Вып. 2. С. 147.
- Allayarova G.X. // J. Surf. Invest. X-Ray, Synchrotron Neutron Tech. 2022. V. 16. № 6. P. 1171. https://doi.org/10.1134/S1027451022060039
- Umirzakov B.E., Tashmukhamedova D.A., Gulyamova S.T., Allayarova G.X. // Tech. Phys. 2020. V. 65. № 5. P. 795. https://doi.org/10.1134/S1063784220050242
- Tashmukhamedova D.A., Yusupjanova M.B., Allayarova G.X., Umirzakov B.E. // Tech. Phys. 2020. V. 46. № 10. P. 972. https://link.springer.com/article/10.1134/S106378 5020100144
- Umirzakov B.E., Tashmukhamedova D.A., Ruzibae- va M.K., DjurabekovaF.G., Danaev S.B. // Nucl. Instrum. Methods Phys. Res. B. 2014. V. 326. P. 322.
- Umirzakov B.E., Tashmuxamedova D.A., Boltaev K.K., Dzhurakhalov A.A. // Mater. Sci. Engin. 2003. V. 101. P. 124. https://www.sciencedirect.com/science/article/pii/S0168583X14001670
- Tashmukhamedova D.A., Yusupjanova M., Allayaro- va G.Kh., Umirzakov B.E. // Tech. Phys. Lett. 2020. V. 46. № 10. P. 972. https://doi.org/10.1134/S1063785020100144
- Соболев Н.А., Калядин А.Е., Штельмах К.Ф., Шек Е.И. // ФТП. 2021. Т. 55. Вып. 10. С. 928. https://doi.org/10.21883/FTP.2021.10.51446.9694
- Stepanov A.L., Nuzhdin V.I., Valeev V.F., Vorobev V.V., Kavetskyy T.S., Osin Y.N. // Rev. Adv. Mater. Sci. 2015. V. 40. P. 155.
- Christian R., Frank F., Ralph M. // J. Appl. Phys. 2015. V. 118. P. 205701. https://doi.org/10.1063/1.4936223
- Умирзаков Б.Е., Ташмухамедова Д.А. // Журн. технической физики. 2013. Т. 83. Вып. 6. C. 66. https://doi.org/10.52304/.v22i3.153
Arquivos suplementares






