Electrochemical synthesis of a composite of few-layer graphene structures with PdNi alloy nanoparticles and its electrocatalytic activity in the oxidation of methanol
- Authors: Kochergin V.K.1, Komarova N.S.1, Kotkin A.S.1, Khodos I.I.2, Manzhos R.A.1, Krivenko A.G.1
-
Affiliations:
- Federal Research Center of Problems of Chemical Physics and Medicinal Chemistry of Russian Academy of Sciences
- Institute of Microelectronics Technology and High Purity Materials of Russian Academy of Sciences
- Issue: Vol 60, No 9 (2024)
- Pages: 605-610
- Section: Articles
- URL: https://journals.rcsi.science/0424-8570/article/view/280383
- DOI: https://doi.org/10.31857/S0424857024090021
- EDN: https://elibrary.ru/OIBWYI
- ID: 280383
Cite item
Full Text
Abstract
Nanocomposites of few-layer graphene structures with PdNi alloy nanoparticles were synthesized using the electrochemical dispersion method. The chemical modification of composites was shown to lead to a significant increase in their electrocatalytic activity towards the methanol oxidation reaction.
Full Text
ВВЕДЕНИЕ
Прямые метанольные топливные элементы (ПМТЭ) с протонообменными и анионообменными мембранами являются важным элементом широкого спектра химических источников энергии, и их исследованию и разработке экспериментальных образцов в последнее время уделяется большое внимание [1–3]. Однако одной из главных проблем практического использования ПМТЭ является особенность механизма реакции окисления метанола (РОМ), заключающаяся в неизбежном образовании ряда интермедиатов (ИМ), которые, как правило, прочно адсорбируясь на поверхности катализатора, подавляют его активность. В настоящее время в качестве электродных материалов анодного блока ПМТЭ в основном используются металлические или биметаллические наноструктуры, большая часть которых содержит платину в своем составе [4]. В то же время использование платины имеет такие существенные недостатки, как отравление катализатора CO, который является одним из ИМ электроокисления метанола, а также высокая стоимость и ограниченные ресурсы платины в природе. В качестве альтернативы платине были предприняты попытки использования палладия из-за меньших проблем отравления в РОМ [5]. Однако и для таких катализаторов накопление отравляющих веществ в ходе длительной эксплуатации является неизбежным и может значительно снизить их каталитическую эффективность [1, 2]. При поиске решения этой проблемы ПМТЭ в последнее время большое внимание стало уделяться исследованию наночастиц сплавов PdNi, наносимых на различные аллотропы углерода. Ряд авторов продемонстрировали, что добавление никеля к Pd [6, 7] повышает эффективность этого материала, что было объяснено, по аналогии со сплавами PtNi [8, 9], адсорбцией ионов OH– на поверхности оксидов Ni, которые способствуют окислению и удалению CO с поверхности. Среди многочисленных способов синтеза таких структур в последние годы выделяется электрохимический подход. Интерес к исследованию именно этого метода обусловлен его относительной простотой, технологичностью, а также необходимостью разработки нового поколения катализаторов для ПМТЭ и других химических источников энергии. Кроме этого, преимущество такого подхода заключается как в возможности одностадийного получения наночастиц сплавов любого состава, так и в способности путем варьирования условий проведения синтеза регулировать морфологию получаемых наносплавов [10, 11].
В настоящей работе методом электролизного распыления металлов и электрохимического расщепления графита впервые осуществлен одностадийный синтез нанокомпозитов, представляющих из себя малослойные графеновые структуры (МГС), поверхность которых декорирована биметаллическими наночастицами PdNi. Было показано, что наилучшая электрокаталитическая активность исследованных композитов достигается в результате их химической модификации.
ЭКСПЕРИМЕНТАЛЬНАЯ ЧАСТЬ
В работе использовали NaOH (“ч.д.а.”), KOH (“ч.д.а.”), CH3OH (“х.ч.”), графит марки ГР-280, коммерческий катализатор Pt/Vulcan XC-72 (Pt/C) с массовым содержанием Pt, равным 40%. Синтез композитов осуществлялся при совмещении процессов электролизного распыления металла и электрохимического расщепления графита, инициируемых подачей импульсов напряжения амплитудой до 75 В, продолжительностью 2 мс, высокой скоростью нарастания <0.5 мкс и частотой повторения 98 Гц на металлический Pd0.37Ni0.63 (твердый раствор с весовым соотношением компонентов 1:1) и графитовый электроды. В результате происходило одновременное диспергирование электрода из сплава PdNi и электрохимическое расщепление графита с образованием малослойных графеновых структур, которые служат подложкой для осаждения частиц наносплава, что препятствует их агломерации и позволяет в одну стадию получить композитный катализатор PdNi/МГС. Описание установки и основных физических и химических процессов, характерных для синтеза МГС при расщеплении графита, приведены в [12]. Полученную суспензию нанокомпозита очищали от следов электролита по близкой к стандартной методике, описанной в [12]. Далее предварительно обработанную ультразвуком суспензию PdNi/МГС делили на две равные части, одну из которых использовали для приготовления каталитических чернил с PdNi/МГС, а ко второй добавляли раствор ~2M H2SO4 и выдерживали в течение ~2 сут, после чего отделяли от кислоты и промывали дистиллированной водой на трековой мембране. Модифицированный таким образом катализатор (PdNiмод/МГС) диспергировали в воде, доводя объем суспензии до первоначального.
Образцы для сканирующей (СЭМ) и просвечивающей (ПЭМ) электронной микроскопии и рентгеновской фотоэлектронной спектроскопии (РФЭС) готовили по методике, аналогичной приведенной в [13]. Электронные микрофотографии исследуемых образцов были получены на сканирующем электронном микроскопе Zeiss SUPRA 25 (Carl Zeiss, Германия) и на просвечивающем электронном микроскопе JEM-2100 (JEOL Ltd., Япония). Спектры РФЭС регистрировали с помощью Specs PHOIBOS 150 MCD (Specs, Германия).
Каталитическую активность полученных композитов в РОМ оценивали в растворе 1M CH3OH + 0.1M KOH методом циклической вольтамперометрии (ЦВА) в трехэлектродной ячейке на установке с вращающимся дисковым электродом RRDE-3A (ALS Co., Ltd., Япония) с использованием потенциостата Elins P-20X (Elins, Россия). Рабочим электродом служил диск из стеклоуглерода (СУ) диаметром 3 мм, запрессованный в полиэфирэфиркетон, на поверхность которого наносился катализатор, вспомогательным электродом – платиновая проволока, электродом сравнения – Ag/AgCl (нас. KCl)-электрод, все величины потенциалов (E) пересчитаны и приведены в шкале обратимого водородного электрода (о.в.э.). Способ приготовления рабочих электродов для всех типов катализаторов не отличался от описанного в [13]. Загрузка катализаторов на СУ-электроде составляла ~0.24 мг/см2 (PdNi/МГС), ~0.12 мг/см2 (PdNiмод/МГС) и ~0.25 мг/см2 (Pt/C).
РЕЗУЛЬТАТЫ И ОБСУЖДЕНИЕ
Сравнение СЭМ- и ПЭМ-изображений PdNi/МГС и PdNiмод/МГС (рис. 1а, 2а и 1б, 2б соответственно) указывает на существенное различие их морфологии. В случае PdNi/МГС поверхность МГС практически полностью покрыта рыхлым слоем частиц наносплава (рис. 1а), в то время как на рис. 1б можно различить отдельные листы графеноподобных структур с характерными латеральными размерами ~0.5 мкм.
Рис. 1. СЭМ-изображения образцов PdNi/МГС (а) и PdNiмод/МГС (б).
Рис. 2. ПЭМ-изображения образцов PdNi/МГС (а) и PdNiмод/МГС (б). На врезках приведены соответствующие электронограммы.
ПЭМ-изображения и соответствующие электронограммы PdNi/МГС и PdNiмод/МГС (рис. 2а и 2б соответственно) также свидетельствуют о существенном различии их морфологии. Для PdNi/МГС характерно наличие наночастиц с бимодальным распределением по размерам: веретенообразных частиц размером несколько десятков нанометров и многочисленных более мелких монокристаллических структур размером ~5 нм. Аналогичным образом на электронограмме можно выделить два типа дифракционных колец: дискретные кольца, соответствующие палладию, и диффузные, отвечающие наночастицам никеля размером порядка 5 нм. Измерения межплоскостных расстояний подтвердили, что более крупные частицы состоят в основном из PdNi, а мелкие – преимущественно из Ni. На ПЭМ-изображении образца PdNiмод/МГС (рис. 2б) нет частиц размером ~5 нм. Как следует из анализа электронограммы (врезка на рис. 2б), в образце не осталось Ni-наночастиц, присутствуют только частицы Pd с заметно меньшим, чем в исходном композите, содержанием Ni.
По данным РФЭС, содержание Pd и Ni в поверхностном слое образца PdNi/МГС составляет 2.8 и 5.5 ат. %, а на поверхности оставшихся после модификации металлических частиц в образце PdNiмод/МГС содержится только палладий (9.7 ат. %). Также из данных анализа следует, что содержание углерода и кислорода составляет, соответственно, 46.2 и 45.5 ат. % для PdNi/МГС и 53.2 и 37.1 ат. % для PdNiмод/МГС, т. е. после обработки кислотой содержание кислорода в катализаторе уменьшается на ~8%, что может быть обусловлено присутствием в образце PdNi/МГС оксидов/гидроксидов никеля, которые растворяются в кислоте. Опираясь на приведенные данные по содержанию палладия в образцах, массу палладия в каталитическом слое на СУ-электродах можно оценить в 3 и 4 мкг для PdNi/МГС и PdNiмод/МГС соответственно.
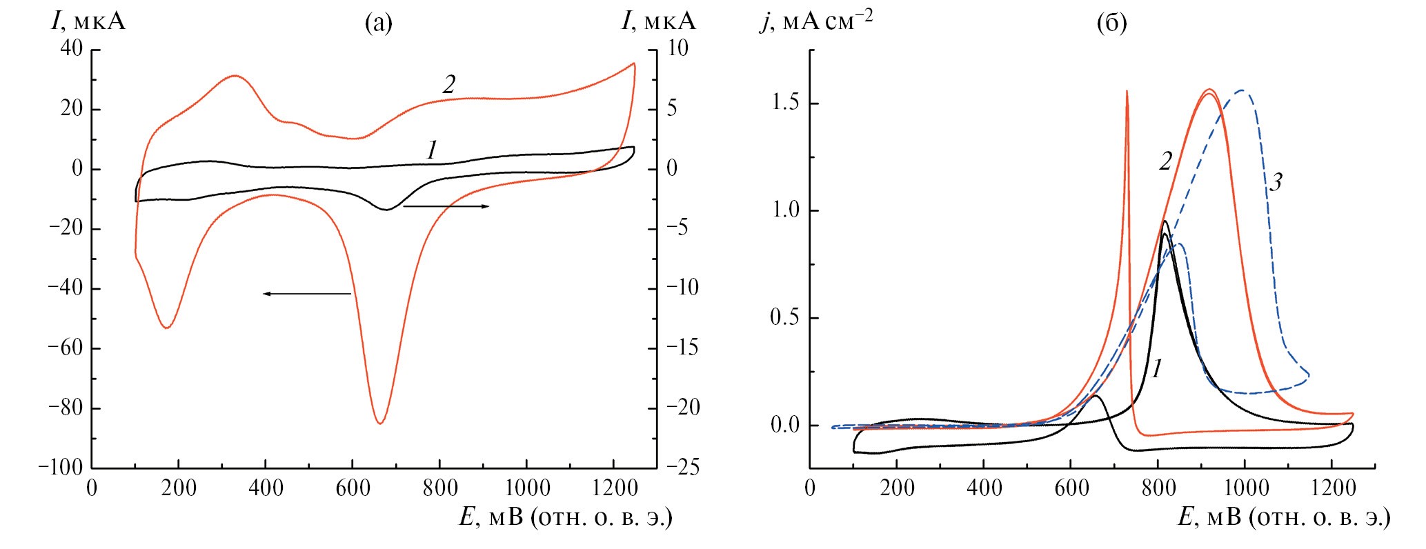
Электрохимически активную площадь (ЭХАП) Pd оценивали по адсорбции кислорода из ЦВА-кривых, измеренных в деаэрированном растворе 0.1 M KOH в интервале потенциалов от 100 до 1250 мВ со скоростью развертки потенциала 50 мВ/с (рис. 3а), в предположении, что формирование монослоя кислорода на палладии завершается при потенциале 1250 мВ [14]. Оказалось, что ЭХАП палладия возрастает от ~0.02 до ~0.5 см2, т. е. в ~25 раз, после обработки катализатора в серной кислоте.
Рис. 3. (а) ЦВА для PdNi/МГС (1) и PdNiмод/МГС (2), деаэрированный раствор 0.1 M KOH, 50 мВ/с. (б) Окисление метанола на PdNi/МГС (1), PdNiмод/МГС (2) и Pt/C (3), деаэрированный раствор 0.1 M KOH + 1 M CH3OH, 50 мВ/с, 2000 об/мин.
Реакцию окисления метанола исследовали при вращении электрода со скоростью 2000 об/мин для устранения диффузионных ограничений. Обнаружено определенное увеличение плотности тока РОМ (тока, отнесенного к ЭХАП Pd) в ~1.7 раза после выдерживания PdNi/МГС в 2 M H2SO4 (рис. 3б). В табл. 1 приведены значения ЭХАП, удельной ЭХАП, потенциала начала окисления метанола, потенциала и плотности тока пика окисления метанола на анодном ходе развертки потенциала. Как можно видеть, по плотности тока окисления метанола образец PdNiмод/МГС сопоставим с коммерческим Pt/C-катализатором, а по потенциалу начала окисления несколько превосходит данный платиновый катализатор. Совокупность полученных результатов позволяет предположить по аналогии с работой [11], что в результате модификации PdNi/МГС происходит трансформация относительно больших наночастиц сплава в своеобразные core-shell структуры, состоящие из ядра PdNi, покрытого оболочкой пористого Pd. Интересно отметить принципиальное отличие электрохимических характеристик синтезированных нанокомпозитов от свойств нанопроволок, получаемых методом лазерной абляции из аналогичного по составу сплава PdNi в сверхтекучем гелии [15]. В последнем случае ЭХАП палладия была близка к 0, однако электрохимическое поведение нанопроволок полностью соответствовало палладию, что было объяснено отсутствием влияния тонкого слоя Ni на кинетику электронного переноса материнского Pd.
Таблица 1. Величины ЭХАП, потенциал начала окисления, потенциал и плотность тока пика окисления метанола на анодном ходе развертки потенциала
Образец | ЭХАП, см2 | ЭХАПуд, м2/г | Eн.о., мВ | Eп, мВ | jп, мА/см2 |
PdNi/МГС | 0.02 | 0.7 ± 0.2 | 600 | 815 | 0.9 |
PdNiмод/МГС | 0.51 | 12.5 ± 4 | 500 | 920 | 1.55 |
Pt/C | 1.27 | 18.0 ± 6 | 550 | 955 | 1.55 |
Примечание. ЭХАПуд – истинная площадь поверхности палладия или платины, отнесенная к массе металла, Eн.о. – потенциал начала окисления, Eп – потенциал пика, jп – плотность тока пика (ток пика, отнесенный к ЭХАП).
ЗАКЛЮЧЕНИЕ
Продемонстрирована возможность использования метода электрохимического диспергирования сплавов, совмещенного с электрохимическим расщеплением графита, для получения в одностадийном процессе малослойных графеновых структур, декорированных частицами наносплава PdNi. Исследована каталитическая активность синтезированного композита в реакции окисления метанола до и после его обработки раствором серной кислоты. Показано, что такая обработка позволяет получить катализатор реакции окисления метанола, не уступающий по активности коммерческиму Pt/C-катализатору.
ФИНАНСИРОВАНИЕ РАБОТЫ
Работа выполнена по теме Государственного задания 124013000692-4 с использованием оборудования АЦКП ФИЦ ПХФ и МХ РАН.
КОНФЛИКТ ИНТЕРЕСОВ
Авторы заявляют, что у них нет конфликта интересов.
About the authors
V. K. Kochergin
Federal Research Center of Problems of Chemical Physics and Medicinal Chemistry of Russian Academy of Sciences
Email: rmanzhos@yandex.ru
Russian Federation, Chernogolovka, Moscow oblast
N. S. Komarova
Federal Research Center of Problems of Chemical Physics and Medicinal Chemistry of Russian Academy of Sciences
Email: rmanzhos@yandex.ru
Russian Federation, Chernogolovka, Moscow oblast
A. S. Kotkin
Federal Research Center of Problems of Chemical Physics and Medicinal Chemistry of Russian Academy of Sciences
Email: rmanzhos@yandex.ru
Russian Federation, Chernogolovka, Moscow oblast
I. I. Khodos
Institute of Microelectronics Technology and High Purity Materials of Russian Academy of Sciences
Email: rmanzhos@yandex.ru
Russian Federation, Chernogolovka, Moscow oblast
R. A. Manzhos
Federal Research Center of Problems of Chemical Physics and Medicinal Chemistry of Russian Academy of Sciences
Author for correspondence.
Email: rmanzhos@yandex.ru
Russian Federation, Chernogolovka, Moscow oblast
A. G. Krivenko
Federal Research Center of Problems of Chemical Physics and Medicinal Chemistry of Russian Academy of Sciences
Email: rmanzhos@yandex.ru
Russian Federation, Chernogolovka, Moscow oblast
References
- Zuo, Y., Sheng, W., Tao, W., and Li, Z., Direct methanol fuel cells system–A review of dual-role electrocatalysts for oxygen reduction and methanol oxidation, J. Mater. Sci. Technol., 2022, vol. 114, p. 29.
- Kaur, A., Kaur, G., Singh, P.P., and Kaushal, S., Supported bimetallic nanoparticles as anode catalysts for direct methanol fuel cells: A review, Int. J. Hydrogen Energy, 2021, vol. 46, p. 15820.
- Tong, Y., Yan, X., Liang, J., and Dou, S. X., Metal‐based electrocatalysts for methanol electro‐oxidation: Progress, opportunities, and challenges, Small, 2021, vol. 17, p. 1904126.
- Burhan, H., Cellat, K., Yılmaz, G., and Şen, F., Chapter 3 - Direct methanol fuel cells (DMFCs), In: Akay, R.G., Yurtcan, A.B. editors, Direct liq. Fuel cells. Academic Press, 2021, p. 71.
- Yang, H., Geng, L., Zhang, Y., Chang, G., Zhang, Z., Liu, X., Lei, M., and He, Y., Graphene-templated synthesis of palladium nanoplates as novel electrocatalyst for direct methanol fuel cell, Appl. Surf. Sci., 2018, vol. 466, p. 385.
- Amin, R.S., Abdel Hameed, R.M., El-Khatib, K.M., and Elsayed Youssef, M., Electrocatalytic activity of nanostructured Ni and Pd–Ni on Vulcan XC-72R carbon black for methanol oxidation in alkaline medium, Int. J. Hydrogen Energy, 2014, vol. 39, p. 2026.
- Calderón, J.C., Nieto-Monge, M.J., Pérez-Rodríguez, S., Pardo, J.I., Moliner, R., and Lázaro, M.J., Palladium–nickel catalysts supported on different chemically-treated carbon blacks for methanol oxidation in alkaline media, Int. J. Hydrogen Energy, 2016, vol. 41, p. 19556.
- Lu, S., Li, H., Sun, J., and Zhuang, Z., Promoting the methanol oxidation catalytic activity by introducing surface nickel on platinum nanoparticles, Nano Res., 2017, vol. 11, p. 2058.
- Park, K.-W., Choi, J.-H., Kwon, B.-K., Lee, S.-A., Sung, Y.-E., Ha, H.-Y., Hong, S.-A., Kim, H., and Wieckowski, A., Chemical and electronic effects of Ni in Pt/Ni and Pt/Ru/Ni alloy nanoparticles in methanol electrooxidation, J. Phys. Chem. B, 2002, vol. 106, p. 1869.
- Фаддеев, Н.А., Куриганова, А.Б., Леонтьев, И.Н., Смирнова, Н.В. Электроактивные материалы на основе палладия для экологического катализа. Доклады РАН. Химия, науки о материалах. 2022. T. 507. С. 59. [Faddeev, N.A., Kuriganova, A.B., Leont’ev, I.N., and Smirnova, N.V., Palladium-based electroactive materials for environmental catalysis, Dokl. Phys. Chem., 2022, vol. 507, p. 139.]
- Pavlets, A.S., Alekseenko, A.A., Tabachkova, N.Yu., Safronenko, O.I., Nikulin, A.Yu., Alekseenko, D.V., and Guterman, V.E., A novel strategy for the synthesis of Pt–Cu uneven nanoparticles as an efficient electrocatalyst toward oxygen reduction, Int. J. Hydrogen Energy, 2021, vol. 46, p. 5355.
- Кривенко, А.Г., Манжос, Р.А., Кочергин, В.К., Малков, Г.В., Тарасов, А.Е., Пивень, Н.П. Плазмоэлектрохимический синтез малослойных графеновых структур для модификации эпоксидного связующего. Химия высоких энергий. 2019. Т. 53. С. 243. [Krivenko, A.G., Manzhos, R.A., Kochergin, V.K., Malkov, G.V., Tarasov, A.E., and Piven, N.P., Plasma electrochemical synthesis of few-layer graphene structures for modification of epoxy binder, High Energy Chem., 2019, vol. 53, p. 254.]
- Kochergin, V.K., Manzhos, R.A., Khodos, I.I., and Krivenko A.G., One-step synthesis of nitrogen-doped few-layer graphene structures decorated with nanoparticles for highly efficient electrocatalysis of oxygen reduction reaction, Mendeleev Commun., 2022, vol. 32, p. 494.
- Podlovchenko, B.I., Maksimov, Yu.M., Volkov, D.S., and Evlashin, S.A., Codeposition of Pd and Pb and electrocatalytic properties of their composite, J. Electroanal. Chem., 2020, vol. 858, p. 113787.
- Манжос, Р.А., Кочергин, В.К., Кривенко, А.Г., Ходос, И.И., Карабулин, А.В., Матюшенко В.И. Окисление формальдегида на PdNi-нанонитях, синтезированных в сверхтекучем гелии. Электрохимия. 2023. Т. 59. С. 554. [Manzhos, R.A., Kochergin, V.K., Krivenko, A.G., Khodos, I.I., Karabulin, A.V., and Matyushenko, V.I., Oxidation of formaldehyde on PdNi nanowires synthetized in superfluid helium, Russ. J. Electrochem., 2023, vol.
Supplementary files





