Power System for Industrial ILU-Type Electron Accelerators
- Authors: Bezuglov V.V.1, Tkachenko V.O.1, Sidorov A.V.1, Radchenko V.M.1, Pak A.V.1, Nekhaev V.E.1, Maksimov S.A.1, Korobeinikov M.V.1, Drogunov E.V.1, Voronin L.A.1, Vlasov A.Y.1, Bryazgin A.A.1, Shtarklev E.A.1
-
Affiliations:
- Budker Institute of Nuclear Physics, Siberian Branch, Russian Academy of Sciences
- Issue: No 1 (2023)
- Pages: 56-61
- Section: ЭЛЕКТРОНИКА И РАДИОТЕХНИКА
- URL: https://journals.rcsi.science/0032-8162/article/view/138280
- DOI: https://doi.org/10.31857/S0032816223010044
- EDN: https://elibrary.ru/JRNBCW
- ID: 138280
Cite item
Full Text
Abstract
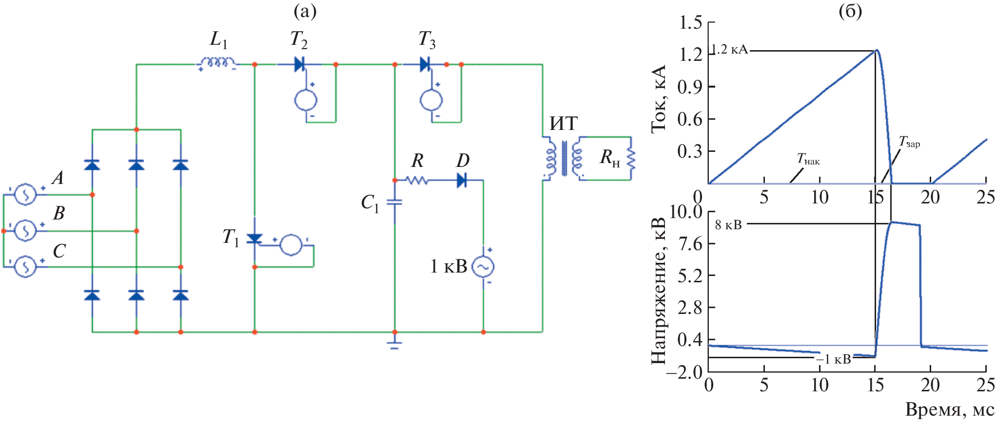
The device and principle of operation of the pulse modulator, which is the power-supply system for the ILU series accelerators, as well as some features that arise during its operation, are described. The modulator is a device that is a nonlinear load for the supply network, as a result of which, in all phases of the supply network, an asymmetry of the current form occurs over the period of the network. This leads to the appearance of a constant current component in the phases of the supply transformer. To solve this problem, current balancing of the start time of modulators was proposed. Using this method, it is also possible to equalize the values of effective currents in phases. Another problem is the possibility of the appearance of higher harmonics in relation to the supply frequency in the phases of the power-supply network. To reduce the values of higher harmonics, it is proposed to install additional inductances in each phase of the power-supply network up to the modulator, which makes it possible to reduce the harmonic coefficient by half.
About the authors
V. V. Bezuglov
Budker Institute of Nuclear Physics, Siberian Branch, Russian Academy of Sciences
Email: shtarklev@gmail.com
630090, Novosibirsk, Russia
V. O. Tkachenko
Budker Institute of Nuclear Physics, Siberian Branch, Russian Academy of Sciences
Email: shtarklev@gmail.com
630090, Novosibirsk, Russia
A. V. Sidorov
Budker Institute of Nuclear Physics, Siberian Branch, Russian Academy of Sciences
Email: shtarklev@gmail.com
630090, Novosibirsk, Russia
V. M. Radchenko
Budker Institute of Nuclear Physics, Siberian Branch, Russian Academy of Sciences
Email: shtarklev@gmail.com
630090, Novosibirsk, Russia
A. V. Pak
Budker Institute of Nuclear Physics, Siberian Branch, Russian Academy of Sciences
Email: shtarklev@gmail.com
630090, Novosibirsk, Russia
V. E. Nekhaev
Budker Institute of Nuclear Physics, Siberian Branch, Russian Academy of Sciences
Email: shtarklev@gmail.com
630090, Novosibirsk, Russia
S. A. Maksimov
Budker Institute of Nuclear Physics, Siberian Branch, Russian Academy of Sciences
Email: shtarklev@gmail.com
630090, Novosibirsk, Russia
M. V. Korobeinikov
Budker Institute of Nuclear Physics, Siberian Branch, Russian Academy of Sciences
Email: shtarklev@gmail.com
630090, Novosibirsk, Russia
E. V. Drogunov
Budker Institute of Nuclear Physics, Siberian Branch, Russian Academy of Sciences
Email: shtarklev@gmail.com
630090, Novosibirsk, Russia
L. A. Voronin
Budker Institute of Nuclear Physics, Siberian Branch, Russian Academy of Sciences
Email: shtarklev@gmail.com
630090, Novosibirsk, Russia
A. Yu. Vlasov
Budker Institute of Nuclear Physics, Siberian Branch, Russian Academy of Sciences
Email: shtarklev@gmail.com
630090, Novosibirsk, Russia
A. A. Bryazgin
Budker Institute of Nuclear Physics, Siberian Branch, Russian Academy of Sciences
Email: shtarklev@gmail.com
630090, Novosibirsk, Russia
E. A. Shtarklev
Budker Institute of Nuclear Physics, Siberian Branch, Russian Academy of Sciences
Author for correspondence.
Email: shtarklev@gmail.com
630090, Novosibirsk, Russia
References
- Ауслендер В.Л., Лапик P.M., Тараленко Н.Д., Тувик A.A. // ПТЭ. 1982. № 2. С. 103.
- Ауслендер В.Л., Брязгин А.А., Горбунов В.А., Горна-ков И.В., Кокин Е.Н., Кузнецов Г.И., Лукин А.Н., Макаров И.Г., Максимов С.А., Матяш Н.В., Острейко Г.Н., Панфилов А.Д., Сердобинцев Г.В., Сидоров А.В., Радченко В.М. и др. Препринт № 2. Новосибирск: ИЯФ СО РАН, 2010.
- Безуглов В.В., Брязгин А.А., Власов А.Ю., Нехаев В.Е., Радченко В.М., Штарклев Е.А. Патент № RU 2755519 C1 // Опубл. 16.09.2021. Бюл. № 26.
- Безуглов В.В., Брязгин А.А., Власов А.Ю., Воронин Л.А., Кокин Е.Н., Коробейников М.В., Сидоров А.В., Ткаченко В.О., Штарклев Е.А. // ПТЭ. 2021. № 1. С. 93. https://doi.org/10.31857/S0032816221010055
Supplementary files








