COMPOSITION MATERIALS IN THE CaF2–BaF2 SYSTEM
- Authors: Buchinskaya I.I.1, Teplyakova T.O.2, Sorokin N.I.3, Karimov D.N.1
-
Affiliations:
- Shubnikov Institute of Crystallography, Federal Scientific Research Centre “Crystallography and Photonics,”Russian Academy of Sciences, Moscow, 119333 Russia
- Shubnikov Institute of Crystallography, Federal Scientific Research Centre “Crystallography and Photonics,” Russian Academy of Sciences, Moscow, 119333 Russia
- Shubnikov Institute of Crystallography, Federal Scientific and Research Center “Crystallography and Photonics,” Russian Academy of Sciences, Moscow, 119333 Russia
- Issue: Vol 68, No 2 (2023)
- Pages: 306-312
- Section: НАНОМАТЕРИАЛЫ, КЕРАМИКА
- URL: https://journals.rcsi.science/0023-4761/article/view/137387
- DOI: https://doi.org/10.31857/S0023476123020054
- EDN: https://elibrary.ru/BPZTRK
- ID: 137387
Cite item
Full Text
Abstract
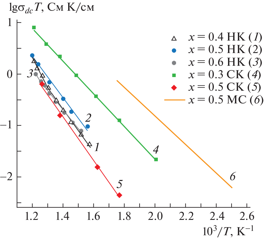
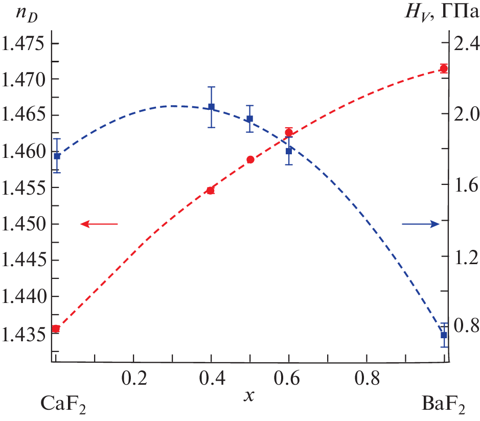
Composite nanomaterials (1 – x)CaF2–xBaF2 with 0.4 ≤ х ≤ 0.6 have been prepared by directional melt crystallization in a fluorinating atmosphere. The structural, optical, mechanical, and electrical characteristics of the synthesized nanocomposites are studied. Biphasic (1 – x)CaF2–xBaF2 composites have a lamellar fine microstructure. The lamella thickness decreases with an increase in the BaF2 content and reaches 30–50 nm for the composition with x = 0.5. The composites retain high transparency in the IR range (close to the values for the initial components). The microhardness (НV ≈ 5.0 GPa) and ionic conductivity (σdc = (1–3) × 103 S/cm at 823 K) of these composites exceed significantly the corresponding parameters of CaF2 and BaF2 crystals. The fluoride nanocomposites under investigation are promising materials for practical applications in photonics and solid-state ionics.
About the authors
I. I. Buchinskaya
Shubnikov Institute of Crystallography, Federal Scientific Research Centre “Crystallography and Photonics,”Russian Academy of Sciences, Moscow, 119333 Russia
Email: buchinskayaii@gmail.com
Россия, Москва
T. O. Teplyakova
Shubnikov Institute of Crystallography, Federal Scientific Research Centre “Crystallography and Photonics,” Russian Academy of Sciences, Moscow, 119333 Russia
Email: buchinskayaii@gmail.com
Россия, Москва
N. I. Sorokin
Shubnikov Institute of Crystallography, Federal Scientific and Research Center “Crystallography and Photonics,” Russian Academy of Sciences, Moscow, 119333 Russia
Email: nsorokin1@yandex.ru
Россия, Москва
D. N. Karimov
Shubnikov Institute of Crystallography, Federal Scientific Research Centre “Crystallography and Photonics,”Russian Academy of Sciences, Moscow, 119333 Russia
Author for correspondence.
Email: dnkarimov@gmail.com
Россия, Москва
References
- Karkera G., Anji Reddy M., Fichtner M. // J. Power Sources. 2021. V. 481. P. 228877. https://doi.org/10.1016/j.jpowsour.2020.228877
- Сорокин Н.И., Соболев Б.П. // Кристаллография. 2007. Т. 52. № 5. С. 870.
- Fergus J.W. // Sens. Actuators. B. 1997. V. 42. № 2. P. 119. https://doi.org/10.1016/S0925-4005(97)00193-7
- Klimm D., Rabe M., Bertram R. et al. // J. Cryst. Growth. 2008. V. 310. № 1. P. 152. https://doi.org/10.1016/j.jcrysgro.2007.09.031
- Kozak A., Samuel M., Chretien A. // Rev. Chim. Miner. 1971. V. 8. № 6. P. 805.
- Nafziger R.H. // J. Am. Ceram. Soc. 1971. V. 54. № 9. P. 467. https://doi.org/10.1111/j.1151-2916.1971.tb12388.x
- Бучинская И.И., Федоров П.П. // Успехи химии. 2004. Т. 73. № 4. С. 404.
- O'Horo M.P., White W.B // J. Am. Ceram. Soc. 1971. V. 54. № 11. P. 588. https://doi.org/10.1111/j.1151-2916.1971.tb12216.x
- Федоров П.П., Бучинская И.И., Ивановская Н.А. и др. // Докл. РАН. 2005. Т. 401. № 5. С. 652.
- Черневская Э.Г., Ананьева Г.В. // ФТТ. 1966. Т. 8. № 1. С. 216.
- Wrubel G.P., Hubbard B.E., Agladge N.I. et al. // Phys. Rev. Lett. 2006. V. 96. P. 235503. https://doi.org/10.1103/PhysRevLett.96.235503
- Попов П.А., Круговых А.А., Зенцова А.А. и др. // Неорган. материалы. 2022. Т. 58. № 4. С. 414. https://doi.org/10.31857/S0002337X22040133
- Sata N., Eberman K., Eberl K., Maier J. // Nature. 2000. V. 408. P. 946. https://doi.org/10.1038/35050047
- Sata N., Jin-Philipp N.Y., Eberl K., Maier J. // Solid State Ionics. 2002. V. 154–155. P. 497. https://doi.org/10.1016/S0167-2738(02)00488-5
- Jin-Philipp N.Y., Sata N., Maier J. et al. // J. Chem. Phys. 2004. V. 120. № 5. P. 2375. https://doi.org/10.1063/1.1635809
- Guo X.X., Matei I., Jin-Phillipp N.Y. et al. // J. Appl. Phys. 2009. V. 105. P. 14321. https://doi.org/10.1063/1.3143623
- Merkle R., Maier J. // Z. Phys. Chem. 2022. B. 236. № 6–8. S. 991. https://doi.org/10.1515/zpch-2021-3173
- Ruprecht B., Wilkening M., Steuernagel S., Heitjans P. // J. Mater. Chem. 2008. V. 18. P. 5412. https://doi.org/10.1039/B811453F
- Duvel A., Ruprecht B., Heitjans P., Wilkening M. // J. Phys. Chem. C. 2011. 115. P. 23784. https://doi.org/10.1021/jp208472f
- Duvel A., Heitjans P., Fedorov P.P. et al. // J. Am. Chem. Soc. 2017. V. 139. P. 5842. https://doi.org/10.1021/jacs.7b00502
- Duvel A., Heitjans P., Fedorov P.P. et al. // Solid State Sci. 2018. V. 83. P. 188. https://doi.org/10.1016/j.solidstatesciences.2018.05.011
- Сорокин Н.И., Бучинская И.И., Федоров П.П., Соболев Б.П. // Неорган. материалы. 2008. Т. 44. № 2. С. 234.
- Puin W., Rodewald R., Ramblau R. et al. // Solid State Ionics. 2000. V. 131. № 1–2. P. 159. https://doi.org/10.1016/S0167-2738(00)00630-5
- Scholz G., Meyer K., Düvel A. et al. // Z. Anorg. Allg. Chem. 2013. B. 639. № 6. S. 960. https://doi.org/10.1002/zaac.201300083
- Ruprecht B., Wilkening M., Feldhoff A. et al. // Phys. Chem. Chem. Phys. 2009. V. 11. № 17. P. 3071. https://doi.org/10.1039/B901293A
- Иванов-Шиц А.К., Сорокин Н.И., Федоров П.П., Соболев Б.П. // ФТТ. 1983. Т. 25. № 6. С. 1748.
- Wilkening M., Duvel A., Preishuber-Pflugl F. et al. // Z. Kristallogr. Cryst. Mater. 2017. V. 232. № 1–3. P. 107. https://doi.org/10.1515/zkri-2016-1963
- Сорокин Н.И., Каримов Д.Н. // ФТТ. 2021. Т. 63. № 10. С. 1485.
- Sorokin N.I., Breiter M.W. // Solid State Ionics. 1997. V. 99. P. 241. https://doi.org/10.1016/S0167-2738(97)00190-2
- Sorokin N.I., Breiter M.W. // Solid State Ionics. 1999. V. 116. P. 157. https://doi.org/10.1016/S0167-2738(97)00190-2
- Fedorov P.P., Turkina T.M., Sobolev B.P. et al. // Solid State Ionics 1982. V. 6. № 4. P. 331. https://doi.org/10.1016/0167-2738(82)90018-2
- Каримов Д.Н., Комарькова О.Н., Сорокин Н.И. и др. // Кристаллография. 2010. Т. 55. № 3. С. 556.
- Deadmore D.L., Sliney H.E. // 1987. NASA Technical Memorandum 88979. https://ntrs.nasa.gov/citations/19870009237
Supplementary files









