Пространственный орбитальный гирокомпас. Вопросы теории и применения
- Authors: Абезяев И.Н.1
-
Affiliations:
- Акционерное общество «Военно-промышленная корпорация “Научно-производственное объединение машиностроения”»
- Issue: Vol 62, No 1 (2024)
- Pages: 97-104
- Section: Articles
- URL: https://journals.rcsi.science/0023-4206/article/view/257830
- DOI: https://doi.org/10.31857/S0023420624010092
- ID: 257830
Cite item
Full Text
Abstract
Разработанный пространственный (3D) орбитальный гирокомпас позволяет выполнять все необходимые функции угловой ориентации космического аппарата (КА) относительно орбитальной системы координат (ОСК). В этом отношении он ничем не отличается от системы астроориентации (САО), за исключением применения разнотипных датчиков внешней информации. В первом случае это прибор ориентации по Земле (ПОЗ), во втором – астродатчик (АД). Каждая система имеет свои преимущества и недостатки. Преимущество САО – более высокая точность ориентации. Несомненное преимущество 3D-гирокомпаса – возможность длительного управления ориентацией КА без использования данных баллистики. Достаточно высокая функциональность 3D-гирокомпаса делает систему ориентации КА, построенную на его основе, вполне конкурентной по отношению к системам ориентации, построенным по принципу астроориентирования, вследствие чего задача исследования свойств и улучшения точностных характеристик прибора становится актуальной.
Full Text
ВВЕДЕНИЕ
Пространственный 3D-гирокомпас [1] с применением современных ПОЗ может стать эффективным средством ориентации КА. В связи с этим возникает потребность объективной оценки точностных параметров 3D-гирокомпаса, которые могут быть достигнуты в полетных условиях. Несмотря на то что вопросы точности орбитального гирокомпасирования неоднократно обсуждались [2, 3–7], ясного ответа на них получено не было. Например, в статье [2] сигналы «наблюдателя», поступающие на исполнительные органы КА, т.е. сигналы, соответствующие ошибкам стабилизации, определены как параметры ориентации орбитального гирокомпаса (ОГК) относительно ОСК, которые таковыми не являются, так как в этом случае игнорируются собственные ошибки ОГК. Подобная ситуация просматривается и в других публикациях, где смешиваются понятия стабилизации КА (выходные сигналы ОГК) и ориентации (ошибки ориентации приборных осей ОГК относительно ОСК). Введение понятия «приборная система координат гирокомпаса», сделанное в статье, дает возможность получить уравнения гирокомпаса в двух различных формах, разделить ошибки на ошибки ориентации и стабилизации, выразить ошибки ориентации ОГК в аналитической форме и найти условия их компенсации (калибровки) в полетных условиях.
СИСТЕМЫ КООРДИНАТ
Начало инерциальной системы координат (ИСК) совпадает с центром общеземной системы координат, ось Z направлена в Северный полюс мира, ось X расположена в плоскости экватора и направлена в точку весеннего равноденствия, ось Y дополняет систему до правой. ОСК — начало находится в центре масс КА, ось совпадает с направлением радиус-вектора, проходящего из центра Земли к центру масс КА, ось лежит в плоскости орбиты и направлена в сторону движения КА, ось дополняет систему до правой. Положение ОСК относительно ИСК определяется матрицей где измеряется в плоскости экватора от направления весеннего равноденствия до линии узлов; i — угол наклона плоскости орбиты; u — аргумент широты.
Приборная система координат (ПСК) вводится следующим образом. Обозначим малые ошибки ориентации гирокомпаса относительно ОСК: — курс (Yd); — тангаж ; — крен , при этом матрицу ориентации, составленную из этих компонент , всегда будем считать ортогональной с точностью до величин второго порядка малости, для которой выполняется условие
Система координат программная (СКП) — задается тремя последовательными поворотами КА на программные углы (курс, тангаж, крен) относительно ОСК. В то же время программное движение КА совершается относительно ПСК, являющейся приборной реализацией ОСК.
Связанная система координат (ССК) — XYZ совпадает с главными центральными осями инерции КА. Положение ССК относительно СКП определяется тремя углами (ошибками) стабилизации (курс, тангаж, крен). Положение CСК относительно ОСК задается тремя последовательными углами (курс, тангаж, крен).
На рис. 1 показана структура ошибок ориентации КА в канале крена (структуры ошибок в каналах курса и тангажа имеют аналогичный вид).
Связь ошибок ориентации и стабилизации с введением ПСК принимает вид (для )
(1)
Все параметры в выражении (1) малые первого порядка, так как — это ошибки стабилизации ССК относительно ПСК по курсу, тангажу и крену, которые в пределе стремятся к нулевым значениям, а — ошибки ПСК относительно ОСК.
Таким образом, ошибки ориентации КА относительно ОСК равны сумме ошибок системы ориентации и системы стабилизации
Рис. 1. Структура ошибок ориентации КА.
Обратим особое внимание на то, что задаваемый программный поворот КА относительно ОСК, практически будет выполняться не относительно ОСК, а относительно построенной приборной базы ПСК, т.е. относительно приборной системы координат, которая определяется (см. выше) угловыми координатами .
ОРБИТАЛЬНАЯ ОРИЕНТАЦИЯ. ИЗОМОРФИЗМ УРАВНЕНИЙ ГИРОКОМПАСА
Соотношения (1) позволяют записать уравнения движения гирокомпаса в двух эквивалентных формах.
Первая форма записывается в терминах ошибок стабилизации и представляет собой следящую систему, охваченную обратными связями по углу:
(2)
Здесь — углы и угловые скорости (ошибки стабилизации) ССК относительно ПСК, подаются на исполнительные органы для формирования закона стабилизации КА по углу и угловой скорости; — показания прибора ориентации по Земле по крену и тангажу; — угловые скорости ССК относительно ИСК, измеренные блоком гироскопических измерителей угловой скорости (БИУС); — коэффициенты коррекции гирокомпаса;
где — угловые скорости вращения ОСК относительно ИСК и их расчетные значения по данным баллистических измерений — орбитальная угловая скорость.
Вторая форма получается из выражений (2) путем следующих замен (см. (1)):
(3)
(4)
(5)
где — ошибки ПОЗ; — дрейф гироскопов БИУС; — углы и угловые скорости ССК относительно ОСК.
Подставляя соотношения (3)–(5) в выражения (2), получим вторую форму записи уравнений гирокомпаса, которая записывается уже в терминах ошибок ориентации:
(6)
Здесь — углы и угловые скорости ПСК относительно ОСК.
Обе системы уравнений (2) и (6) абсолютно эквивалентны. Первая система выражает ошибки стабилизации ССК относительно ПСК, вторая — ошибки ориентации ПСК относительно ОСК, но только вторая система уравнений позволяет оценивать точность ориентации КА в силу соотношений (1).
Если в уравнениях (2) и (6) положить малое влияние параметров или выполняется их полная компенсация то эти уравнения приобретают простой вид:
(7)
(8)
Уравнения движения гирокомпаса в форме (2), (7) ориентируют КА строго в ОСК, применяются в системах управления КА с несложными целевыми задачами либо применяются в высокоточных системах ориентации в качестве функционального резерва. Улучшить качество и точность такой системы весьма проблематично. Пожалуй, единственным средством повышения точности выступает метод введения в сигналы коррекции гирокомпаса «обратного» интеграла [4] и повышения астатизма системы в каналах крена и курса.
Соотношения (3)–(4) крайне полезны, так как только они позволяют переходить от алгоритмов, реализуемых на практике (2), к алгоритмам (6), позволяющим делать общий анализ характеристик системы ориентации.
УРАВНЕНИЯ ДВИЖЕНИЯ. ПОЛЕТНАЯ КАЛИБРОВКА
Уравнения, описывающие работу пространственного гирокомпаса, имеют вид [1]
(9)
где — программные углы и соответствующие им программные угловые скорости; матрица P задает переход из ОСК в СКП по правилу
Принцип полетной калибровки 3D-гирокомпаса схож с калибровкой гироскопических приборов в земных условиях. В полете вместо поворотного стенда применяются программные повороты самого КА [1, 8].
Полетная калибровка рассматривается в отношении основной группы ошибок ориентации, вызываемых собственными ошибками ПОЗ, БИУС и несовершенством сопряжения их конструктивных элементов с корпусом КА.
Модель ПОЗ примем в виде
(10)
где — малые суммарные ошибки положения блока ПОЗ и чувствительного элемента ПОЗ относительно ССК; и в силу эквивалентности ошибок.
Модель БИУС примем в виде:
(11)
где — малые суммарные ошибки положения блока БИУС и осей чувствительности гироскопов БИУС относительно ССК; — абсолютная угловая скорость ССК относительно ИСК (ее компоненты должны компенсироваться в течение всего времени выполнения калибровочных работ программными средствами); — составляющие собственного дрейфа гироскопов.
Примечание. Масштабные коэффициенты в выражениях (9) и (10) приняты равными единице, так как оба прибора в процессе калибровки работают как «нуль-индикаторы».
Показано [1], что для выполнения калибровочных работ достаточно использовать канал курса гирокомпаса.
Для получения нужных уравнений подставим в систему уравнений (7) соотношения (3)–(6) и (9), (10), учтем при этом программный поворот только в канале курса , так что соотношения (3), (4) примут вид
Необходимо также учесть, что в процессе программных поворотов по курсу выполняются условия малости углов и
После выполнения всех необходимых преобразований уравнения (9) приводятся к уравнениям ориентации и принимают следующий вид (вторая форма записи уравнений гирокомпаса):
(12)
Уравнения (12) позволяют найти все требуемые калибровочные соотношения. Для их получения нужно в (12) положить из полученной системы найти в программных курсовых положениях КА 0, 90, 180, 270° и найти в этих положениях формульные выражения для сигналов коррекции:
Полученные таким образом сигналы коррекции сведены в таблицу, из которой несложно найти связи сигналов коррекции
(13)
и найти аналитический вид калибровочных поправок
(14)
Составляющие погрешностей гирокомпаса в сигналах коррекции
Канал | Входящие ошибки | Курсовой программный угол град | |||
0 | 180 | 90 | 270 | ||
(крен) | 0 | ||||
0 | |||||
0 | |||||
0 | |||||
0 | |||||
0 | |||||
0 | |||||
0 | |||||
(тангаж) | 0 | ||||
0 | |||||
0 | 0 | ||||
0 | |||||
0 | |||||
0 | |||||
0 | |||||
0 | |||||
(курс) | |||||
Таким образом, методика полетной калибровки ошибок гирокомпаса сводится к следующим шагам [8]:
- последовательный поворот КА на программные углы
- измерение, фильтрация и запоминание в каждом программном положении сигналов коррекции
- расчет калибровочных поправок (14);
- вычитание поправок из показаний ПОЗ и БИУС.
Примечание. В связи с тем, что на статические ошибки накладываются собственные шумы БИУС и ПОЗ, необходимо фильтровать сигналы коррекции гирокомпаса в точках стояния КА. Наилучшим методом выделения статических ошибок выступает, пожалуй, метод наименьших квадратов (МНК), так как в данном случае используется простейшая линия регрессии, а время стояния КА в каждом из четырех положений подбирается исходя из автокорреляционных свойств шумовых составляющих выходных сигналов приборов. Можно предложить наиболее простой рекурсивный МНК для измерений где — случайная компонента: где n = 1, 2, 3 …, который на практике показал высокую точность фильтрации. Более подробно вопросы фильтрации можно посмотреть в трудах [9–15].
Введение калибровочных поправок (14) в показания ПОЗ и показания БИУС дает окончательные выражения для ошибок гирокомпаса:
(15)
Финальные выражения (15) говорят о том, что предельная точность гирокомпаса ограничивается только положением гироскопических осей БИУС относительно ССК и не зависит от постоянных ошибок ПОЗ и постоянных составляющих дрейфа гироскопов БИУС.
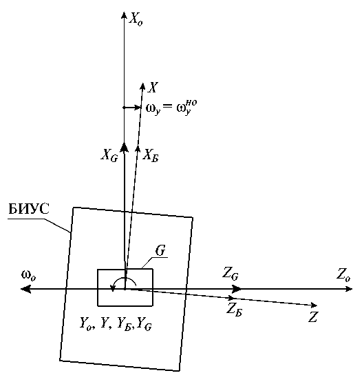
Полученный результат хорошо согласуется с физическим смыслом идеи гирокомпасирования — гироскоп точно определяет направление орбитальной угловой скорости, смещение его осей чувствительности относительно ССК приводит к ошибкам ориентации, равным этим смещениям (рис. 2).
Рис. 2. Предельная ошибка ориентации КА по курсу.
Предельные (неустранимые) погрешности гирокомпаса (15) представляют собой сумму ошибок, которая включает неортогональность гироскопических осей БИУС и ошибки установки БИУС относительно ССК.
Последняя группа ошибок компенсируется выполнением юстировки в период предполетной подготовки КА. В результате точность ориентации будет определяться только неортогональностью гироскопических осей БИУС, которая для качественных современных приборов находится на уровне ≤ 30 угл. с. Итоговое положение гироскопа и ССК относительно ОСК показано на рис. 2.
На рис. 3 представлены графики переходных процессов ориентации КА по программе калибровочного режима. Для большей наглядности были приняты следующие завышенные погрешности приборов:
коэффициенты коррекции
Рис. 3. Графики ошибок ориентации КА после калибровочных работ
В процессе калибровки в качестве исполнительных органов использовались маховики с магнитной разгрузкой. Осреднение сигналов коррекции выполнялось МНК.
Результаты моделирования (рис. 3) показывают совпадение результатов — предельная точность ориентации КА (после калибровок) равна (с обратным знаком) смещению осей чувствительности БИУС относительно ССК (15):
ЗАКЛЮЧЕНИЕ
В настоящей работе проанализированы уравнения движения гирокомпаса и характера его ошибок, сделаны пояснения, связанные, в частности, с изоморфизмом записи уравнений гирокомпаса. Было введено понятие «приборная система координат гирокомпаса», которая носит виртуальный характер, так как «материализуется» собственными ошибками гирокомпаса относительно орбитальной системы координат. Благодаря этому удается понятным образом разделить ошибки ориентации космического аппарата на ошибки ориентации и стабилизации и выполнить запись уравнений движения гирокомпаса в двух эквивалентных формах, что в свою очередь позволяет получить уравнения движения гирокомпаса, учитывающие погрешности датчиков ориентации и смещения их осей чувствительности относительно связанной системы координат, в общем виде.
Пространственный гирокомпас обладает качествами, позволяющими космическому аппарату совершать точные программируемые вращения как в режиме коррекции от ПОЗ, так и в автономном режиме (при отключенной коррекции). В силу своих функциональных возможностей он является альтернативой системы астроориентации, вследствие чего точность ориентации, которую он может обеспечить, становится одним из факторов, определяющим его применение. В работе подробно рассмотрен метод полетной калибровки, направленной на повышение точностных характеристик гирокомпаса с использованием его собственных свойств; сделаны соответствующие выводы и уточнены калибровочные соотношения.
По ходу исследования получен принципиальный вывод о том, что предельная статическая точность ориентации КА, направляемого гирокомпасом, ограничивается только погрешностью положения гироскопических осей чувствительности БИУС относительно связанной системы координат и не зависит от статических (постоянных) составляющих ошибок ПОЗ и систематических составляющих дрейфа гироскопов БИУС.
Рекомендации повышения эффективности полетной калибровки связаны с периодическим ее повторением, что позволит компенсировать как собственные, так и накопленные ошибки системы ориентации, возникающие в процессе установления эксплуатационных условий функционирования КА.
About the authors
И. Н. Абезяев
Акционерное общество «Военно-промышленная корпорация “Научно-производственное объединение машиностроения”»
Author for correspondence.
Email: iabeziaev@gmail.com
Russian Federation, Московская обл., Реутов
References
- Абезяев И. Н. Гирокомпас для орбитальных космических аппаратов // Косм. исслед. 2021. Т. 59. № 3. С. 247–254. https://doi.org/10.31857/S0023420621030018
- Брайсон А. Е., Кортюм В. Вычисление местного углового положения орбитального космического аппарата // Тр. 3-го Международного симп. ИФАК. Тулуза, Франция. 1970. Т. 2. С. 83–89.
- Раушенбах Б. В., Токарь Е. Н. Управление ориентацией космических аппаратов. М.: Наука, 1974. 600 с.
- Патент № 2579406. Российская Федерация. Способ коррекции и устройство орбитального гирокомпаса для управления угловым движением космического аппарата: № 2579406: опубл. 06.11.2014 / Абезяев И. Н.
- Bo Xu, Yang Liu, Wei Shan et al. Error Analysis and Compensation of Gyrocompass Alignment for SINS on Moving Base // Mathematical Problems in Engineering. 2014. Article ID373575. https://doi.org/10.1155/2014/373575
- Major F. G. The Mechanical Gyrocompass // Quo Vadis: Evolution of Modern Navigation. New York: Springer, 2014. P. 259–285. https://doi.org/10.1007/978-1-4614-8672-5_12
- Reid D. B. Orbital gyrocompass evolution // DGON Intertial Sensors and Systems (ISS). 2016. V. 20. P. 149–170. https://doi.org/10.1109/INERTIALSENSORS.2016.7745672
- Абезяев И. Н., Величко П. Е., Поцеловкин А. И. Оптимизация метода калибровки погрешностей орбитального гирокомпаса в полетных условиях // Тр. ФГУП «НПЦАП». Системы и приборы управления. 2020. № 3. С. 5–14.
- Бельский Л. Н., Водичева Л. В., Парышева Ю. В. Бесплатформенная инерциальная навигационная система для средств выведения: точность начальной выставки и периодическая калибровка // Юбилейная 15-я Санкт-Петербургская Международная конф. по интегрированным навигац. системам. 2018. С. 250–253.
- Боярчук К. А., Нехамкин Л. И. Система ориентации и стабилизации КА «Кондор-Э» // Труды секции 22 имени В. Н. Челомея 38-х Академ. чтений по космонавтике. 2015. Т. 22. С. 408–424.
- Бордачев Д. А., Волынцев А. А., Илюшин П. А. и др. Результаты наземной отработки прецизионного гироскопического измерителя угловой скорости космического аппарата // Гироскопия и навигация. 2015. № 4 (91). С. 106–116. https://doi.org/10.17285/0869-7035.2015.23.4.106-116
- Вавилова Н. Б., Васинева И. А., Голован А. А. и др. Калибровка в инерциальной навигации // Фундам. и прикладная математика. 2018. Т. 22. № 2. С. 89–115.
- Вавилова Н. Б., Голован А. А., Парусников Н. А. Краткий курс теории инерциальной навигации. М.: ИПУ РАН, 2022. 148 с.
- Патент № 2466068. Российская Федерация. Способ калибровки измерителей угловой скорости бесплатформенных инерциальных систем ориентации космических аппаратов и устройство его реализующее: № 2466068: опубл. 11.10.2012 / Головченко А. А., Головченко Л. В.
- Abezyaev I. N., Velichko P. E., Potselovkin A. I. et al. Development of the algorithm of the spacecraft programmed yaw turns with the use of orbital gyrocompass // AIP Conf. Proc. AIP Publishing LLC. 2019. V. 2171. Iss. 1. Art. ID. 060009. https://doi.org/10.1063/1.5133207
Supplementary files





