CO2-methane conversion
- Authors: Obrivalin M.V.1,2, Subbotin D.I.1,2, Popov S.D.1, Denisov Y.S.1,2, Popov V.E.1
-
Affiliations:
- Institute for Electrophysics and Electrical Power, Russian Academy of Sciences
- Saint-Petersburg State Technological Institute (Technical University)
- Issue: Vol 58, No 6 (2024)
- Pages: 423-427
- Section: GENERAL QUESTIONS
- URL: https://journals.rcsi.science/0023-1193/article/view/281525
- DOI: https://doi.org/10.31857/S0023119324060017
- EDN: https://elibrary.ru/TIHHQJ
- ID: 281525
Cite item
Full Text
Abstract
In this study, a plasma-chemical method of methane conversion with CO₂ was considered as a potential means of producing hydrogen while simultaneously reducing carbon dioxide emissions. In order to achieve this, a series of experiments were conducted in order to evaluate the composition of the resulting fusion gas and the arc parameters. During the course of this work, it was found that modifying the volume of hydrogen present during the reaction resulted in an increase in the average mass temperature, which in turn led to an increase in the electrical conductivity of the arc. This finding suggests that the electrical parameters of the arc can be employed to estimate the quantity of hydrogen present in the resulting fusion gas.
Full Text
ВВЕДЕНИЕ
Водород является важным и распространенным сырьем в химической промышленности. В 2023 г. мировое потребление водорода превысило 100 мегатонн [1]. Среди крупнейших потребителей водорода стоит выделить индустрии по производству аммиака и спиртов, а также нефтеперерабатывающую индустрию и металлургию, где водород является восстановителем. В последние десятилетия также возник острый вопрос про возможность использовать водород как источник топлива [2, 3]. Он обладает высоким значением плотности энергии — около 120 МДж/кгH2, что значительно больше, чем у ископаемых топлив и других альтернатив [4]. Возрастающий спрос на водород является причиной большого количества исследований и открытий в его производстве. Современные методы производства водорода включают в себя: каталитический риформинг природного газа, пиролиз углеводородов, газификацию угля и других твердых топлив. Также существуют методы, использующие возобновляемые ресурсы: электролиз воды, газификация биомасс и отходов. На данный момент самым распространенным способом является паровая конверсия метана (SMR), этим методом производится примерно половина мирового водорода [5]. SMR позволяет производить синтез-газ с разными отношениями H2:CO, при этом сохраняя высокую степень превращения углерода и используя дешевое сырье – природный газ и водяной пар. Однако этот процесс требует температуры в районе 650−950°C и давления, достигающего сотен атмосфер. Такие условия приводят к значительному термальному стрессу и отравлению катализатора от примесей в природном газе [3]. Другой перспективный метод получения водорода – газификация угля и других твердых топлив, а также биологических отходов. Большое разнообразие топлив может быть использовано для этого метода, что делает его удобным способом для производства синтез-газа, но необходимость в высокой температуре и последующей тщательной очистке продуктов от побочных газов-продуктов газификации являются значительными минусами.
Другой значимой проблемой водородной индустрии являются выбросы CO2, углекислый газ имеет парниковый эффект и часто является побочным продуктом [1]. Последние несколько лет часто поднимается вопрос про уменьшение количества выбросов диоксида углерода и других парниковых газов из экологических и экономических соображений. Один из способов улучшить положение в области производства водорода – использовать CO2 для конверсии метана. В общем случае этот процесс можно представить с помощью реакции:
CH4 + CO2 →CO + 2H2. (1)
Но эта химическая реакция является крайне эндотермической: ∆Hf0 = 260 кДж/моль для нее. Это значит, что для ее протекания необходим значительный приток энергии. Один из способов обеспечить этот приток – это проводить реакцию с помощью плазмохимических методов. В этой области проводились значительные исследования как для равновесных, так и для неравновесных плазменных разрядов. Различные методы и их параметры представлены в табл. 1.
Таблица 1. Сравнение плазмохимических методов конверсии метана по виду разряда
Тип разряда | Расход газа, г/с | CH4/CO2 | P, Вт | Степень конверсии CH4, % | Удельные энергозатраты, МДж/кг, превращенного CH4 |
Коронный | 1.2 × 10−3 | 1 | 46.3 | 62.4 | 291.19 |
Барьерный | 3.6 × 10−3 | 2 | 500 | 64.3 | 656.10 |
Микроволновый | 5.1 × 10−3 | 1.5 | 60 | 70.8 | 59.59 |
Тлеющий | 3.3 × 10−3 | 1 | 23 | 61 | 53.02 |
Скользящая дуга | 0.03 | 1 | 190 | 40 | 80.16 |
Электродуговой разряд в азоте | 0.87 | 0.67 | 9600 | 89.82 | 75.15 |
Электродуговой разряд в азоте + катализатор | 0.96 | 0.67 | 9600 | 92.32 | 65.87 |
В рамках этой статьи использовался высоковольтный плазматрон переменного тока, параметры которого выделены жирным в табл. 1. Этот способ должен приводить к высокой степени конверсии метана и отношению H2:CO около 2:1 в результирующем синтез-газе. Также одна из целей этой работы – оценить влияние количества водорода на электрические параметры дуги.
ЭКСПЕРИМЕНТАЛЬНАЯ ЧАСТЬ
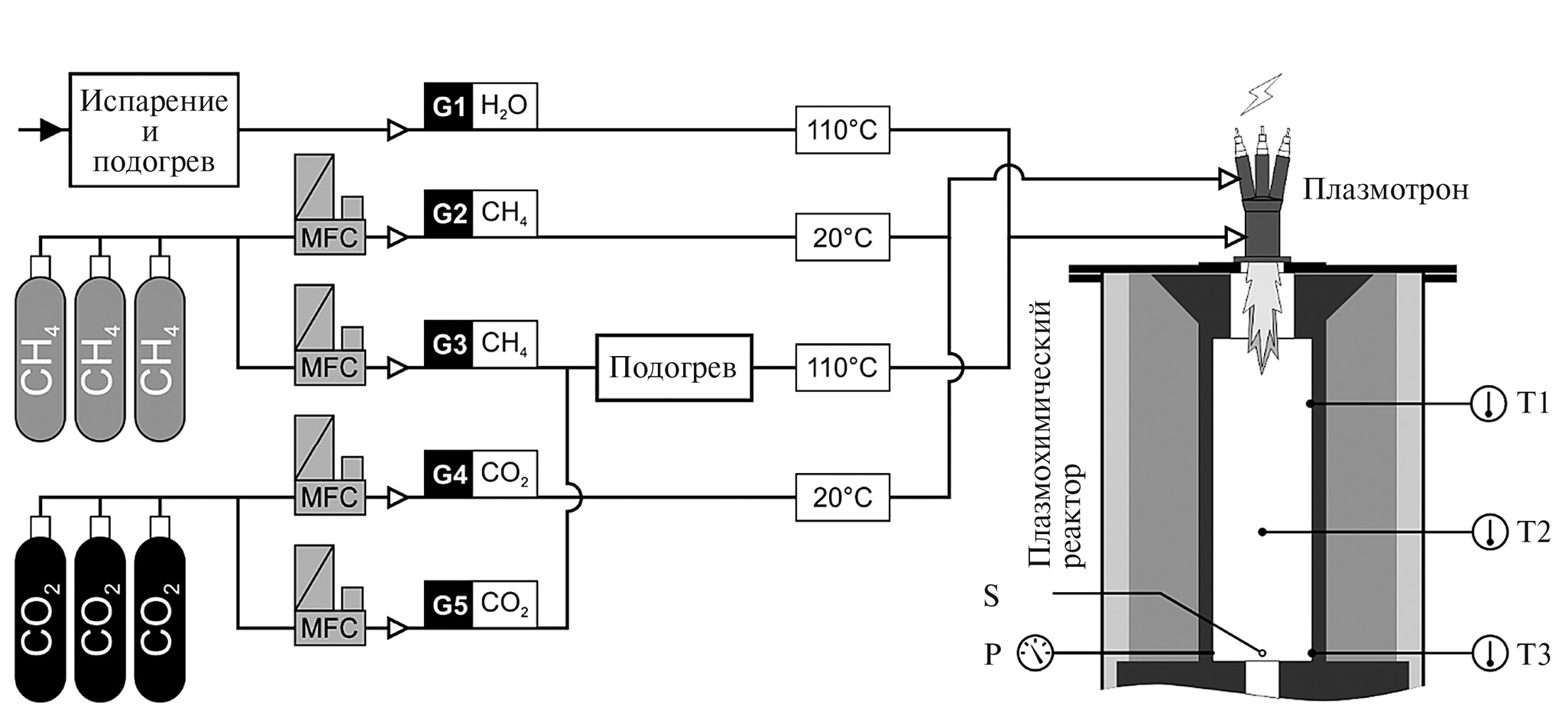
Экспериментальная установка состояла из высоковольтного плазмотрона переменного тока, подключенного к плазмохимическому линейному реактору, источника тока и источников газов. Дополнительно отбирались и анализировались пробы на состав синтез-газа. Общая схема процесса представлена на рис. 1 [6]. Плазмотрон сделан таким образом, чтобы газовые реагенты могли подаваться в разные зоны: приэлектродную и непосредственно в зону дуги. Такая конструкция позволяет определять влияние количества газов в разных зонах плазмотрона на его электрические параметры. Общая система конструкции представлена на рис. 2.
Рис. 1. Диаграмма экспериментальной установки. Следует заметить, что водяной пар не использовался в данном эксперименте.
Рис. 2. Диаграмма строения плазмотрона переменного тока. 1 – электроды, 2 – каналы для дуги, 3 – приэлектродное пространство, 4 – источник газа в электродную область, 5 – источник газа в зону дуги.
Для повышения КПД и избавления от непостоянностей с дугой плазмотрона, источник тока способен производить значительно больше мощности, чем требовал бы плазмотрон, что убирает необходимость учитывать электрический КПД дуги для учета изменения мощности. В таком случае любые электрические параметры дуги зависят лишь только от ее проводимости, а самый удобный из них для измерения – мощность. Так как водород имеет высокие значения теплоемкости и теплопроводности, то изменения в его объеме обязательно приведут к изменению в мощности. Учитывая это все, была проведения серия экспериментов: суммарный удельный расход CH4 и CO2 был закреплен на 2.4 и 6.9 г/c для всех экспериментов, но распределение углекислого газа по каналам плазматрона варьировалось и в приэлектродной зоне оно составляло: 1) 3.2, 2) 3.3, 3) 3.5, 4) 3.6, 5) 3.7 г/c; все остальное – в зоне дуги. Расход метана был постоянен для всех экспериментов: 1 г/с в зоне электродов и 1.4 г/с в зоне дуги.
РЕЗУЛЬТАТЫ И ОБСУЖДЕНИЯ
Экспериментальные данные показали, что увеличение расхода углекислого газа в зоне электродов приводит к увеличению термальной мощности плазмотрона, что также соответствует увеличению среднемассовой температуры по реактору и электрической проводимости дуги. Как и предполагалось, это может происходить лишь только при увеличении объема реактора, занимаемого водородом. Результаты экспериментов представлены в табл. 2.
Таблица 2. Полученные экспериментальные данные
№ | CO | H2 | H2O | CO2 | Термальная мощность, кВт | Среднемассовая температура, К | Проводимость дуги, См |
1 | 50.47 | 48.46 | 0.92 | 0.15 | 117.2 | 2970 | 0.0364 |
2 | 50.47 | 48.47 | 0.91 | 0.15 | 114.6 | 2990 | 0.0365 |
3 | 50.47 | 48.47 | 0.91 | 0.15 | 113.6 | 3000 | 0.0375 |
4 | 50.47 | 48.48 | 0.90 | 0.15 | 112.7 | 3010 | 0.0377 |
5 | 50.48 | 48.48 | 0.89 | 0.14 | 110.3 | 3130 | 0.0383 |
Для сравнения и уменьшения неточностей, связанных с термическими эффектами процесса, были проведены термодинамические расчеты с учетом параметров процесса и реактора. Они были проведены в программе Chemical WorkBench версии 3.5, с учетом принципа максимума энтропии в условиях идеального реактора PT. Сравнения экспериментального равновесного состава и расчетных данных представлены в табл. 3.
Таблица 3. Сравнение экспериментальных и расчетных данных
Вещество | Экспериментальные данные | Расчетные данные |
мол. % | мол. % | |
CH4 | 0.83 | 4.66 × 10−4 |
H2 | 49.14 | 49.85 |
CO2 | 0.74 | 0,37 |
CO | 48.63 | 49.76 |
N2 | 0.61 | — |
C2H2 | 4.98 × 10−2 | 8.06 × 10−8 |
Сумма | 100.00 | 100.00 |
Удельные энергозатраты, МДж/кг, метана | 47.81 | 29.65 |
Следует заметить, что изменение проводимости дуги связано с увеличение средней температуры. Также следует заметить сильное отклонение в энергозатратах между экспериментальными и расчетными данными.
ВЫВОДЫ
В данной работе было рассмотрено и установлено влияние объема, занимаемого водородом, и количества получаемого водорода с электрическими параметрами дуги путем проведения серии экспериментов и сравнения полученных данных. В результате выяснилось, что количество водорода влияет не только на термальную мощность плазмотрона, но и на среднемассовую температуру и проводимость дуги. Это означает, что проводимость дуги и зависящие от нее электрические параметры могут использоваться для определения изменения количества водорода в ходе процесса. Было также выяснено, что количество CO2, подаваемого в приэлектродное пространство влияет на скорость конверсии метана и производство водорода.
About the authors
M. V. Obrivalin
Institute for Electrophysics and Electrical Power, Russian Academy of Sciences; Saint-Petersburg State Technological Institute (Technical University)
Author for correspondence.
Email: maxim.obryvalin2@gmail.com
Russian Federation, St. Petersburg; St. Petersburg
D. I. Subbotin
Institute for Electrophysics and Electrical Power, Russian Academy of Sciences; Saint-Petersburg State Technological Institute (Technical University)
Email: maxim.obryvalin2@gmail.com
Russian Federation, St. Petersburg; St. Petersburg
S. D. Popov
Institute for Electrophysics and Electrical Power, Russian Academy of Sciences
Email: maxim.obryvalin2@gmail.com
Russian Federation, St. Petersburg
Y. S. Denisov
Institute for Electrophysics and Electrical Power, Russian Academy of Sciences; Saint-Petersburg State Technological Institute (Technical University)
Email: maxim.obryvalin2@gmail.com
Russian Federation, St. Petersburg; St. Petersburg
V. E. Popov
Institute for Electrophysics and Electrical Power, Russian Academy of Sciences
Email: maxim.obryvalin2@gmail.com
Russian Federation, St. Petersburg
References
- IEA (2023), Global Hydrogen Review 2023, IEA, Paris https://www.iea.org/reports/global-hydrogen-review-2023, Licence: CC BY 4.0
- Veras T.S., Mozer T.S., Santos D., Cesar A.S // International Journal of Hydrogen Energy. 2017. V. 42. №. 4 P. 2018–2033.
- Nikolaidis P., Poullikkas A. // Renewable and Sustainable Energy Reviews. 2017. V. 67. P. 597–611.
- MØller K.T., Jensen T.R., Akiba E., Li H-W. // Progress in Natural Science: Materials International. 2017. V. 27. № 1. P. 34–40
- Dincer I., Acar C. // International journal of hydrogen energy. 2015. V. 40. No. 34. P. 11094–11111.
- Rutberg P.G., Nakonechny G.V., Pavlov A.V., Popov S.D., Serba E.O., Surov A.V. // Journal of Physics D: Applied Physics. 2015. V. 48. I. 24. P. 245204
- Rutberg P.G., Kuznetsov V.A., Serba E.O, Popov S.D. // Applied Energy. 2013. V. 108. P. 505–514.
Supplementary files




