Features of morphological changes of the liver’s tissue in cases of sudden cardiac death because of alcoholic cardiomyopathy
- Authors: Sokolova O.V1, Nasyrov R.A1
-
Affiliations:
- St Petersburg State Pediatric Medical University, Ministry of Healthcare of the Russian Federation
- Issue: Vol 8, No 1 (2017)
- Pages: 55-60
- Section: Articles
- URL: https://journals.rcsi.science/pediatr/article/view/6116
- DOI: https://doi.org/10.17816/PED8155-60
- ID: 6116
Cite item
Full Text
Abstract
Full Text
В настоящее время известно, что главную роль в развитии патологических процессов в жизненно важных органах при хронической алкогольной интоксикации играет прямое токсическое действие этанола и его метаболитов [8, 9, 12, 13]. Подавляя процессы энергетического метаболизма, этанол и его метаболиты активируют не только лизосомальный аппарат, но и сложные многогранные процессы окисления липидов, что непосредственно ведет к развитию дистрофических, а также деструктивных изменений основных компонентов гистогематического барьера (ГГБ) внутренних органов. В свою очередь, тяжелые дистрофические и деструктивные изменения ГГБ влекут за собой развитие функциональной декомпенсации жизненно важных органов.
Несомненно, одним из ярких висцеральных проявлений хронической алкогольной интоксикации является алкогольное поражение печени. Ведь именно в ней, как известно, под действием сложных ферментативных систем происходит основной обмен этанола и его метаболитов с развитием мощного сдвига окислительно-восстановительного равновесия и кислотно-основного состояния [1, 4, 14, 15].
Однако, несмотря на обилие значительного количества морфологических данных о токсическом поражении печени, структурные изменения основных компонентов ГГБ ткани печени при ее алкогольном поражении остаются до сих пор актуальными и малоизученными, что, в свою очередь, затрудняет возможность установления диагностических критериев и алгоритма микроскопического исследования данного органа.
В связи с этим целью настоящего исследования явилось изучение и оценка морфологических изменений ткани печени в случаях внезапной сердечной смерти от алкогольной кардиомиопатии.
Материалы и методы
Материалом для настоящего исследования послужили акты судебно-медицинских вскрытий и парафиновые блоки аутопсийного материала из архива СПб ГБУЗ «БСМЭ» в количестве 152 случаев (78 женщин и 74 мужчины) за период с 2013 по 2015 г. Средний возраст умерших мужчин составил 42 ± 2 года, женщин — 44 ± 2 года. Согласно данным судебно-медицинских исследований СПб ГБУЗ «БСМЭ» во всех исследуемых случаях непосредственной причиной смерти явилась острая недостаточность сердца, обусловленная алкогольной кардиомиопатией. Сопутствующие заболевания в исследуемых наблюдениях были представлены хроническим индуративным панкреатитом, хроническим бронхитом вне обострения, у отдельных лиц женского пола была выявлена миома матки и узловатый коллоидный зоб.
Для проведения гистологического исследования изготавливали парафиновые срезы толщиной 5 мкм и монтировали их на подготовленные предметные стекла. Гистологические препараты окрашивали гематоксилином и эозином, пикрофуксином по Ван Гизону, суданом III, а также была использована окраска эластических волокон по Вейгерту. Гистологический материал изучали с помощью световой микроскопии при двадцатикратном увеличении (DP-2 BSW OLIMPUS, Tokio, Japan). Статистический анализ полученных значений сосудисто-стромального и паренхиматозного компонентов проводился с применением пакета прикладных статистических программ SPSS Statistics 20 (США). При статистическом анализе значения полученных данных были представлены в виде средневыборочного и полуширины доверительного интервала (М ± m). Анализ различий значений независимых выборок проводился с помощью U-критерия Манна – Уитни. Различия считались достоверно значимыми при p < 0,05.
Результаты
Согласно результатам анализа макроскопического описания, зафиксированных в актах судебно-медицинского исследования трупа, во всех изученных случаях патологические изменения печени независимо от пола и возраста умершего носили яркий характер. В 123 исследуемых случаях (60 женщин, 63 мужчины) печень была равномерно увеличена в своих размерах, с гладкой поверхностью, на разрезе желтого цвета с выраженно полнокровными сосудами. Однако в 19 % исследуемых случаях (18 женщин, 11 мужчин) печень была резко уменьшена в размерах, с мелкобугристой поверхностью, плотной консистенции. На разрезе умеренно полнокровная ткань печени была преимущественно желто-коричневого цвета и представлена множественными мелкими четко контурированными узлами, отграниченными друг от друга фиброзными прослойками сероватого цвета.
В процессе гистологического исследования во всех образцах ткани печени особое внимание обращало на себя выраженное полнокровие центральных вен, синусоидных капилляров, а также вен портальных трактов с умеренным отеком сосудистых стенок во всех полях зрения. Просвет вен был значительно расширен с выраженным уплощением эндотелия. На фоне выраженного полнокровия вен и капилляров отмечалось неравномерное полнокровие артерий с некоторым сужением их просвета. Эндотелиоциты артерий резко выбухали в просвет сосуда и располагались частоколом, ядра гладкомышечных клеток были укорочены, а внутренняя эластическая мембрана была извита. Набухшие и деформированные эндотелиальные клетки синусоидных капилляров с неравномерно эозинофильной цитоплазмой располагались на относительно одинаковом расстоянии друг от друга с умеренным, местами выраженным отеком пространства Диссе.
В исследуемых случаях с сохранной структурой ткани печени склеротические изменения вокруг сосудов были незначительными и проявлялись в виде слабовыраженного разрастания нежноволокнистой соединительной ткани вокруг отдельных центральных вен. В свою очередь, в исследуемых образцах с выраженной перестройкой ткани печени в случаях ее цирроза отмечалось выраженное разрастание соединительной ткани как вокруг сосудов, так и в сосудистой стенке преимущественно в венах с последующей деформацией просвета сосуда. Необходимо отметить, что в исследуемых случаях цирроза печени отмечалось формирование системы капилляризации синусоидов ложных долек в виде появления в синусоидах соединительнотканной мембраны. При окраске исследуемых образцов тканей печени по Вейгерту ход эластических волокон в стенках сосудов изменен не был.
При микроскопическом исследовании в 81 % исследуемых случаев (60 женщин, 63 мужчины) структура ткани печени была сохранена либо полностью нарушена, особенно при жировом гепатозе, когда отмечалась диссоциация гепатоцитов и дискомплексация печеночных балок.
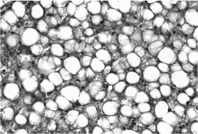
Во всех полях зрения гепатоциты находились в состоянии разной степени выраженности жировой дистрофии (от микровезикулярного до макровезикулярного стеатоза), лишь в отдельных исследуемых случаях жировая дистрофия гепатоцитов носила очаговый характер. Как правило, мелкие жировые капли отмечались в цитоплазме гепатоцитов, располагающихся преимущественно в центре печеночных долек (центролобулярно), тогда как крупные жировые вакуоли были визуализированы в гепатоцитах периферических частей долек. В срединных и периферических отделах печеночных долек среди гепатоцитов с «пенистой» жировой дегенерацией цитоплазмы определялись гепатоциты в состоянии крупнокапельной жировой дистрофии со смещением ядра к клеточной оболочке с образованием так называемых «перстневидных клеток» (рис. 1).

Рис. 1. Макровезикулярный стеатоз (окраска гематоксилином и эозином, ув. ×400)
Наряду с жировой дистрофией гепатоцитов (в 100 % исследованных случаев) нами были определены гепатоциты (увеличенные в размерах клетки в виде огромных вакуолей с пузырьковидным ядром) в состоянии гидропической и баллонной дистрофии, которые располагались преимущественно в центральных и срединных отделах печеночных долек и в редких случаях в периферических отделах долек. В значительной части исследуемых случаев (в 62 %) в цитоплазме гепатоцитов, располагающихся как в центральных, так и в периферических отделах долек, нами были визуализированы в виде глыбок эозинофильные включения, известные под таким названием, как алкогольный гиалин или тельца Маллори (рис. 2). Вокруг гепатоцитов, содержащих тельца Маллори, располагались нейтрофильные лейкоциты — от единичных до небольших скоплений.

Рис. 2. Тельца Маллори в цитоплазме гепатоцитов, вокруг которых отмечаются лейкоциты (окраска гематоксилином и эозином, ув. ×400)
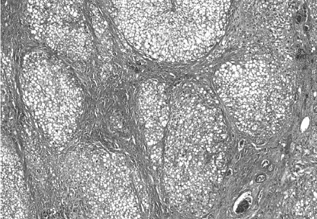
Во всех исследуемых случаях на фоне выраженных дистрофических изменений в ткани печени отмечались разной степени выраженности склеротические изменения стромы: от разрастания рыхлой, нежноволокнистой соединительной ткани вокруг центральных вен с незначительным расширением портальных трактов до выраженного перипортального и центролобулярного перивенулярного фиброза, а также местами перицеллюлярного фиброза. В 19 % исследуемых случаев (18 женщин, 11 мужчин) в ткани печени мы наблюдали выраженную перестройку структуры ткани печени вследствие формирования портального цирроза печени. В исследуемых образцах ткани печени отмечалось вклинение в печеночные дольки тонких фиброзных септ из расширенных фиброзированных перипортальных полей с последующим соединением центральных вен с сосудами портальных трактов и образованием мелких ложных долек, состоящих из пролиферирующих гепатоцитов в состоянии жировой и белковой дистрофии с отсутствием радиальной ориентации печеночных балок (рис. 3).

Рис. 3. Цирроз печени с формированием ложных долек, состоящих из гепатоцитов в состоянии выраженной жировой и белковой дистрофии (окраска гематоксилином и эозином, ув. ×100)
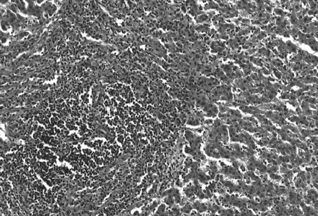
В отдельных полях зрения отмечалась пролиферация желчных протоков с явлениями холестаза. На большем исследуемом протяжении в строме расширенных склерозированных портальных трактов, а также в фиброзных септах определялась диффузная, местами очаговая воспалительная инфильтрация, состоящая преимущественно из лимфоцитов и макрофагов с примесью лейкоцитов (рис. 4).

Рис. 4. Выраженная лимфогистиоцитарная инфильтрация с примесью лейкоцитов расширенных склерозированных портальных трактов (окраска гематоксилином и эозином, ув. ×400)
Выявленные показатели корреляционного анализа морфологических изменений паренхиматозного и стромально-сосудистого компонентов ткани печени в исследуемых группах мужчин и женщин отличались друг от друга статистически незначимо (p > 0,05).
Отсутствие значимых различий позволило нам предположить, что соотношения морфологических изменений ткани печени в случаях внезапной сердечной смерти от алкогольной кардиомиопатии в исследуемых группах не находились в прямой корреляционной зависимости от возраста и половой принадлежности.
Таким образом, как описанные макроскопические изменения печени, так и выявленные нами в процессе исследования гистологические признаки тяжелой паренхиматозной жировой и белковой дистрофии ткани печени со сложной перестройкой сосудисто-стромального компонента являются следствием непосредственного токсического воздействия этанола и его метаболитов на составные компоненты ткани печени.
Как известно, под действием этанола происходит подавление окисления жирных кислот в цикле лимонной кислоты с увеличением концентрации альфа-глицерофосфата, что и ведет к накоплению жирных кислот не только в гепатоцитах, но и в макрофагах портальных трактов, при этом увеличивается количество липофибробластов, участвующих в формировании фиброза печени [3, 7, 10]. Выраженность и распространенность жировой дегенерации ткани печени, вероятнее всего, связаны с длительностью токсического действия этанола и его метаболитов [2, 5, 6, 11].
В свою очередь, нарастающие явления стеатоза печени сопровождаются повреждением клеточных органелл. В результате тяжелых дистрофических изменений гепатоцитов возникает агрегация филаментов цитоскелета с образованием телец Маллори (алкогольный гиалин), которые обладают антигенными свойствами, что является субстратом для воспалительной реакции и одной из причин формирования фиброза ткани печени. Однако стоит отметить, что наличие в ткани печени телец Маллори не является характерным только для алкогольного поражения печени, так как их появление может быть выявлено и при других заболеваниях, таких как сахарный диабет, болезнь Вильсона и первичный билиарный цирроз печени.
Также необходимо отметить, что в развитии ряда патологических изменений в ткани печени в случаях ее алкогольного повреждения важную и, пожалуй, главную роль играет нарушение органного кровотока, а именно микроциркуляции. Выявленные нами в ходе исследования морфологические изменения эндотелиальной выстилки микроциркуляторного русла показали, что помимо прямого цитотоксического действия этанола и его метаболитов в основе развития повреждения эндотелиальной выстилки микроциркуляторного русла лежат клеточные реакции, связанные с воздействием медиаторов (гистамин, серотонин и т. п.), выброс которых происходит вследствие раздражения реактивных клеток, что влечет за собой набухание, деформацию и повышение активности клеточных мембран эндотелия с расширением межклеточных пространств. Развитие повышенной проницаемости эндотелиальной выстилки способствует нарушению транспорта электролитов и питательных веществ с изменениями трофики ткани печени, что является субстратом для возникновения дистрофических и некробиотических процессов в основных структурных компонентах органа.
Процессу развития выраженных склеротических изменений в ткани печени предшествует ряд патологических изменений. Прямое токсическое действие этанола и его метаболитов на стенку сосудов микроциркуляторного русла способствует возникновению ишемии и некроза гепатоцитов с развитием выраженной воспалительной реакции в окружающей ткани печени, что, в свою очередь, является непосредственной причиной нарушения характера регенерации, а также избыточного разрастания соединительной ткани с последующей перестройкой сосудистого русла.
Выявленное преимущественно венозное полнокровие сосудов исследуемой ткани печени, скорее всего, является проявлением острой сердечной недостаточности вследствие непосредственного алкогольного поражения структур миокарда, в том числе и сосудов микроциркуляторного русла.
Таким образом, проведенное нами исследование показало, что выявленные морфологические изменения ткани печени в случаях внезапной сердечной смерти от алкогольной кардиомиопатии являются ярким отражением алкогольной интоксикации и их следует рассматривать в совокупности с другими висцеральными проявлениями, развивающимися при хроническом алкоголизме.
About the authors
Olga V Sokolova
St Petersburg State Pediatric Medical University, Ministry of Healthcare of the Russian Federation
Author for correspondence.
Email: last_hope@inbox.ru
MD, PhD, Associate Professor. Department of pathological anatomy with a course of forensic medicine Russian Federation
Ruslan A Nasyrov
St Petersburg State Pediatric Medical University, Ministry of Healthcare of the Russian Federation
Email: ran53@mail.ru
MD, PhD, Dr Med Sci, Professor, Head. Department of pathological anatomy with a course of forensic medicine Russian Federation
References
- Витер В.И., Кунгурова В.В., Коротун В.В. Судебно-медицинская гистология. Руководство для врачей. – Ижевск; Пермь: Экспертиза, 2011. [Viter VI, Kungurova VV, Korotun VV. Forensic histology. A guide for doctors. Izhevsk; Perm’: Ekspertiza; 2011. (In Russ.)]
- Осьминкин В.А. Некоторые гистологические критерии поражения почек и печени при смерти от острого отравления этиловым спиртом // Судебно-медицинская экспертиза. – 2015. – № 1. – С. 18–21. [Os’minkin VA. Some histological criteria for the renal and hepatic lesions in the case of death from acute intoxication with ethyl alcohol. Sudebno-medicinskaya ehkspertiza. 2015;1:18-21. (In Russ.)]
- Пермяков А.В., Витер В.И. Патоморфология и танатогенез алкогольной интоксикации. – Ижевск: Экспертиза, 2002. [Permyakov AV, Viter VI. Morbid anatomy and thanatogenesis of the alcoholic intoxication. Izhevsk: Ekspertiza; 2002. (In Russ.)]
- Пермяков А.В., Витер В.И., Неволи Н.И. Судебно-медицинская гистология: руководство для врачей. – Ижевск; Екатеринбург: Экспертиза, 2003. [Permyakov AV, Viter VI, Nevoli NI. Forensic histology: a guide for doctors. Izhevsk; Ekaterinburg: Ekspertiza, 2003. (In Russ.)]
- Пиголкин Ю.И., Богомолова И.Н., Богомолов Д.В., Аманмурадов А.Х. Применение морфометрии печени при дифференциальной диагностике хронических алкогольных и наркотических интоксикаций // Судебно-медицинская экспертиза. – 2002. – № 1. – C. 22–24. [Pigolkin YuI, Bogomolova IN, Bogomolov DV, Amanmuradov AH. The application of morphometry of the liver during the differential diagnosis of chronic alcoholic and narcotic intoxication. Sudebno-medicinskaya ehkspertiza. 2002;(1):22-24. (In Russ.)]
- Пиголкин Ю.И., Дубровин И.А., Горностаев Д.В. Судебно-медицинская экспертиза внезапной (скоропостижной) смерти // Атлас по судебной медицине. — М.: ГЭОТАР-Медиа, 2010. – С. 275–299. [Pigolkin YuI, Dubrovin IA, Gornostaev DV. Forensic examination of sudden (unexpected) death. Atlas po sudebnoj medicine. Moscow: GEHOTAR-Media, 2010. P. 275-299. (In Russ.)]
- Пиголкин Ю.И., Морозов Ю.Е., Мамедов В.К. Судебно-медицинская диагностика острой и хронической алкогольной интоксикации // Судебно-медицинская экспертиза. – 2012. – № 1. – С. 30–33. [Pigolkin YuI, Morozov YuE, Mamedov VK. Forensic diagnosis of sharp and chronic alcohol intoxication. Sudebno-medicinskaya ehkspertiza. 2012;(1):30-33. (In Russ.)]
- Пугач П.В., Круглов С.В., Карелина Н.Р., и др. Строение тимуса и брыжеечных лимфатических узлов новорожденных крыс в результате антенатального влияния этанола // Педиатр. – 2015. – Т. 6. – № 4. – С. 51–55. [Pugach PV, Kruglov SV, Karelina NR, et al. The structure of the thymus and mesenteric lymph nodes of newborn rats as a result of the prenatal influence of ethanol. Pediatr. 2015;6(4):51-55. (In Russ.)]
- Соколова О.В. Морфологические изменения ткани миокарда при внезапной сердечной смерти от алкогольной кардиомиопатии // Судебно-медицинская экспертиза. – 2016. – № 1. – С. 3–6. [Sokolova OV. The morphological changes in the myocardial tissue after sudden cardiac death from alcoholic cardiomyopathy. Sudebno-medicinskaya ehkspertiza. 2016;(1):3-6. (In Russ).]
- Шулутко Б.И. Болезни печени и почек. – СПб.: СПбСГМИ, 1993. [Shulutko BI. Diseases of the liver and kidneys. Saint Petersburg: SPbSGMI; 1993. (In Russ.)]
- Feldsein AE, Gores GJ. Apoptosis in alcoholic and nonalcoholic steatohepatitis. Frontiers in Bioscience. 2005;10:3093-9. doi: 10.2741/1765.
- Prado V, Caballería J, Vargas V, et al. Alcoholic hepatitis: How far are we and where are we going? Annals of Hepatology. 2016;15(4):463-473.
- Testino G. Alcoholic diseases in hepato-gastroenterology: a point of view. Hepatogastroenterology. 2008;55:371-377.
- Wang JH, Batey RG, George J. Role of ethanol in the regulation of hepatic stellate cell function. World Journal of Gastroenterology. 2006;12:6926-32. doi: 10.3748/wjg.v12.i43.6926.
- Yip WW, Burt AD. Alcoholic liver disease. Seminars in Diagnostic Pathology. 2006;23:149-60. doi: 10.1053/j.semdp.2006.11.002.
Supplementary files

