Палыгорскитовая минерализация в индских отложениях Московской синеклизы – следствие региональной и глобальной палеогеографической перестройки на рубеже перми и триаса
- Авторы: Арефьев М.П.1, Щепетова Е.В.1, Покровская Е.В.1, Шкурский Б.Б.2, Нургалиева Н.Г.3, Баталин Г.А.3, Гареев Б.И.3
-
Учреждения:
- Геологический институт Российской Академии наук
- Московский государственный университет им. М.В. Ломоносова
- Казанский (Приволжский) федеральный университет
- Выпуск: Том 519, № 2 (2024)
- Страницы: 97-109
- Раздел: ПАЛЕОГЕОГРАФИЯ
- Статья получена: 06.03.2025
- Статья опубликована: 28.12.2024
- URL: https://journals.rcsi.science/2686-7397/article/view/282630
- DOI: https://doi.org/10.31857/S2686739724120131
- ID: 282630
Цитировать
Аннотация
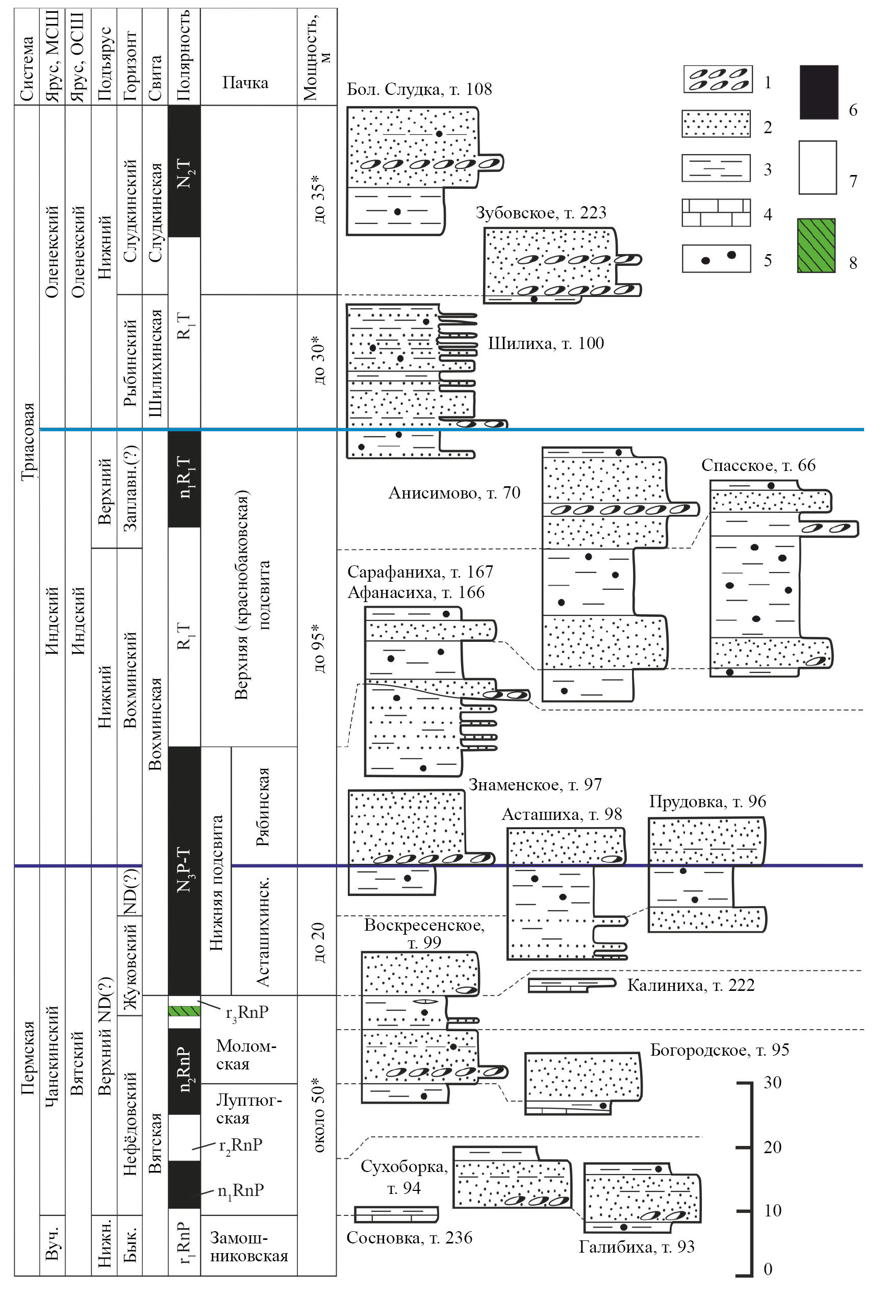
При детальном изучении пермо-триасовых континентальных отложений Московской синеклизы установлено повсеместное массовое развитие палыгорскитовой минерализации в начале триаса (инд) – на юго-востоке (бассейн р. Ветлуга), северо-востоке (бассейн р.р. Сухона – Юг – Сев. Двина) и в западной части (скважина Гаврилов-Ям НПО “Недра”, г. Ярославль). Палыгорскит встречается почти во всех типах индских пород, где вместе со смектитами является одним из главных глинистых минералов; максимальные его концентрации приурочены к палеопочвам. На аутигенное происхождение палыгорскита указывают морфология агрегатов и характер их взаимоотношений с другими осадочными компонентами. Вместе с палыгорскитовой минерализацией установлено присутствие высокомагнезиальных минералов серпентина, Мg-хлоритов, тальк-хлоритов, входящих в состав обломков метаультрабазитов. Величины отношения Cr/Ni (1.3–1.5) в индских породах предполагают активный размыв в это время ультраосновных комплексов Урала. При переходе от перми к триасу в континентальных отложениях увеличивается отношение суммы щелочей и щелочноземельных элементов к алюминию (Σbases/Al) и снижается индекс выветривания CALMAG, что согласуется с представлениями о глобальном потеплении и аридизации климата на рубеже перми и триаса. Широкое распространение палыгорскита в начале триаса явилось следствием усиленного поступления с Урала химически неустойчивого высокомагнезиального обломочного материала ультраосновных пород и продуктов их раннего метаморфизма, а также специфики его переработки (слабая мобильность и высокая степень концентрирования выщелоченных компонентов) поровыми почвенными водами в континентальных обстановках с засушливым климатом. Поскольку палыгорскит отсутствует в верхнепермских отложениях Московской синеклизы, он может быть использован в стратиграфических целях – для отнесения тех или иных континентальных пород (и сложенных ими циклитов) пограничного интервала к верхней перми или нижнему триасу.
Полный текст
Об авторах
М. П. Арефьев
Геологический институт Российской Академии наук
Автор, ответственный за переписку.
Email: mihail-3000@inbox.ru
Россия, Москва
Е. В. Щепетова
Геологический институт Российской Академии наук
Email: mihail-3000@inbox.ru
Россия, Москва
Е. В. Покровская
Геологический институт Российской Академии наук
Email: mihail-3000@inbox.ru
Россия, Москва
Б. Б. Шкурский
Московский государственный университет им. М.В. Ломоносова
Email: mihail-3000@inbox.ru
Россия, Москва
Н. Г. Нургалиева
Казанский (Приволжский) федеральный университет
Email: mihail-3000@inbox.ru
Россия, Казань
Г. А. Баталин
Казанский (Приволжский) федеральный университет
Email: mihail-3000@inbox.ru
Россия, Казань
Б. И. Гареев
Казанский (Приволжский) федеральный университет
Email: mihail-3000@inbox.ru
Россия, Казань
Список литературы
- Арефьев М. П., Кулешов В. Н., Покровский Б. Г. Изотопный состав углерода и кислорода в континентальных карбонатах поздней перми и раннего триаса Русской плиты: глобальный экологический кризис на фоне меняющегося климата. // ДАН. 2015. Т. 460. № 2. С. 1–5.
- Арефьев М. П., Голубев В. К., Кулешов В. Н., Кухтинов Д. А., Миних А. В., Покровский Б. Г., Силантьев В. В., Урузаева М.Н., Шкурский Б. Б., Ярошенко О. П., Григорьева А. В., Наумчева М.А. Комплексная палеонтологическая, седиментологическая и геохимическая характеристика терминальных (вязниковских) отложений пермской системы северо-восточного борта Московской синеклизы. Статья 1. Бассейн М. Сев. Двины. // Бюлл. МОИП. Отд. геол. 2016. Т. 91. Вып. 1. С. 24–49.
- Верхнепермские и нижнетриасовые отложения Московской синеклизы. М.: Недра, 1984. 140 с.
- Годовиков А. А. Минералогия. М.: Недра, 1983. 647 с.
- Граница перми и триаса в континентальных сериях Восточной Европы / Отв. ред. В. Р. Лозовский, Н. К. Есаулова. М.: ГЕОС, 1998. 246 с.
- Дриц В. А., Коссовская А. Г. Глинистые минералы: слюды, хлориты // Тр. ГИН. Вып. 465. М.: Наука, 1991. 175 с.
- Кринари Г. А., Ольнева Т. В., Седов С. Н. Дисперсные силикаты в изолированных опресненных бассейнах аридных зон и седиментационная цикличность. // Литология и полез. ископаемые. 1999. № 1. С. 27–37.
- Лозовский В. Р., Ерощев-Шак В. А., Уранова О. В. Глинистые минералы нижнетриасовых континентальных образований осевой зоны Московской синеклизы. // Литология и полез. ископаемые. 1968. № 1. С. 136–139.
- Фетисова А. М., Веселовский Р. В., Голубев В. К., Арефьев М. П. Магнитостратиграфия границы перми и триаса нижнего течения р. Ветлуга (Восточно-Европейская платформа, Нижегородская область). // Физика Земли. 2024. № 3. С. 51–74.
- Чистякова А. В., Веселовский Р. В., Семёнова Д. В., Ковач В. П., Адамская Е. В., Фетисова А. М. Стратиграфическая корреляция пермо-триасовых разрезов Московской синеклизы: первые результаты U–Pb-датирования обломочного циркона // ДАН. 2020. Т. 492. № 1. С. 23–28.
- Arefiev M. P., Golubev V. K., Balabanov Yu. P. et al. Type and reference sections of the Permian–Triassic continental sequences of the East European Platform: main isotope, magnetic, and biotic events (XVIII International Congress on Carboniferous and Permian. Sukhona and Severnaya Dvina Rivers field trip) / Ed. A. S. Alekseev. Moscow, 2015. 104 p.
- Beaufort D., Baaronnet A., Lanson B., Meunier A. Corrensite: A single phase or a mixed-layer phyllosilicate in the saponite-to-chlorite conversion series? A case study of Sancerre-Couy deep drill hole (France) // American Miner. 1997. V. 62. P. 109‒124.
- Davydov V. I., Arefiev M. P., Golubev V. K., Karasev E. V., Naumcheva M. A., Schmitz M. D., Silantiev V. V., Zharinova V. V. Radioisotopic and biostratigraphic constraints on the classical Middle–Upper Permian succession and tetrapod fauna of the Moscow syneclise, Russia // Geology. 2020. V. 48. № 7. P. 742–747. https://doi.org/10.1130/G47172.1
- Garver J. I., Royce P. R., Smick T. A. Chromium and nickel in shale of the Taconic foreland: a case study for the provenance of fine-grained sediments with an ultramafic source // J. Sed. Res. 1996. V. 66. P. 100–106.
- Nordt L. C., Driese S. D. New weathering index improves paleorainfall estimates from мertisols // Geology. 2010. V. 38. № 5. P. 407–410.
- Rudnick R. L., Gao S. Composition of the Continental Crust / Treatise on Geochemistry. Volume 3: The Crust / Eds. H. D. Holland, K. K. Turekian. Pergamon, 2003. P. 1–64.
- Sheldon N.D., Tabor N.J. Quantitative paleoenvironmental and paleoclimatic reconstruction using paleosols // Earth-Science Reviews. 2009. V. 95. P. 1–52.
- Sun Y., Joachimski M. M., Wignall P. B., Yan С., Chen Y., Jiang H., Lai H. Lethally hot temperatures during the Early Triassic greenhouse // Science. 2012. V. 338. P. 366–370.
- Taylor S. R., McLennan S. M. The Continental Crust: Its Composition and Evolution: an Examination of the Geochemical Record Preserved in Sedimentary Rocks. Oxford: Blackwell, 1985. 312 p.
- Wedepohl K. H. The composition of the continental crust // Geochimica et Cosmochimica Acta. 1995. V. 59(7). P. 1217–1232.
Дополнительные файлы









