Monitoring the baric modulation of gas concentration in the Baksan Neutrino Observatory tunnel in the Elbrus Region using a differential absorption lidar
- Authors: Pershin S.M.1, Gordeev E.I.2, Grishin M.Y.1, Zavozin V.A.1, Makarov V.S.3, Lednev N.N.1, Ponurovskiy Y.Y.1, Stavrovskii D.B.1, Ushakov A.A.1, Kazalov V.V.4
-
Affiliations:
- Prokhorov General Physics Institute of the Russian Academy of Sciences
- Institute of Volcanology and Seismology Far Eastern Branch of the Russian Academy of Sciences
- Space Research Institute of the Russian Academy of Sciences
- Institute for Nuclear Research of the Russian Academy of Sciences
- Issue: Vol 515, No 1 (2024)
- Pages: 51-56
- Section: GEOCHEMISTRY
- Submitted: 30.09.2024
- Accepted: 30.09.2024
- Published: 15.07.2024
- URL: https://journals.rcsi.science/2686-7397/article/view/265087
- DOI: https://doi.org/10.31857/S2686739724030075
- ID: 265087
Cite item
Full Text
Abstract
For the first time, concentrations of gases 12CO2,13CO2, СН4, Н2О and the dynamics of Earth degassing under the changing atmospheric pressure were remotely analyzed using a differential absorption lidar. To reduce the influence of external meteorological factors, the sensing was carried out in a dead-end tunnel of the Baksan Neutrino Observatory of the Institute for Nuclear Research of the Russian Academy of Sciences.
Full Text
ВВЕДЕНИЕ
Известно [1], что динамика выхода газовой фазы отражает напряженные состояния породы, создаваемые тектоническими процессами в земной коре. Соотношение некоторых компонентов вулканических газов может показывать ранние признаки изменения условий в глубинной зоне дегазации, что позволяет использовать состав выходящих газов как прогностический инструмент, а соответствующий мониторинг является актуальной задачей в поисках предвестников катастрофических событий.
Одним из новых перспективных подходов к изучению вулканической активности является анализ химического состава вулканических газов, в том числе изотопного состава углерода, по которому можно дифференцировать их происхождение. В течение последних двух десятилетий лазерная спектроскопия внутрирезонаторного поглощения стала надежным источником информации о составе газов и соотношения изотопов углерода при мониторинге активности вулканов [2, 3]. До последнего времени мониторинг газов носил эпизодический характер, с отбором газов в контейнер и анализом в условиях лаборатории, однако сейчас применяют приборы лазерной спектроскопии внутрирезонаторного поглощения, которые можно использовать в полевых условиях [4].
Применение дистанционного мониторинга вулканической активности с помощью лидаров по динамике выхода СО2 из жерла позволяет суммировать сигнал по длине трассы зондирования, куда попадают отдельные выходы газа из трещин, расположенных на удалении от стандартного датчика.
Было установлено [5], что увеличение потока СО2 из жерла стратовулкана происходит накануне повышения вулканической активности. Подобные наблюдения проводили с помощью лидара, построенного на базе СО2-лазера, на вулкане Этна (Сицилия) на удалении в несколько километров [6, 7]. Следует отметить, что длительность сеансов мониторинга здесь ограничена синоптическими факторами (вариации облачности, изменчивость направления ветра, осадки), а также вероятностью поражения глаз рассеянным излучением лазера [8].
Новый принцип удаленного зондирования лидаром, построенным на базе диодного лазера с безопасным для глаз уровнем излучения (<1 мкДж/см2), разработанный нами [9], обеспечил возможность мониторинга аэрозолей, выносимых газами в ограниченный объем тупикового тоннеля Баксанской нейтринной обсерватории (БНО) ИЯИ РАН. Значительное удаление тупикового тоннеля от входа в БНО (~4000 м) обеспечивало стабильность температуры (35.5 ± 0.10°C) [9] и умеренной влажности воздуха (46.2 ± 0.3%) по сравнению с открытой атмосферой [6, 7]. Стабильность этих параметров, значительная длительность (несколько месяцев) мониторинга и отсутствие фоновых засветок позволяет проводить аналогичный мониторинг не только аэрозолей, но и состава газов. Предварительный камеральный анализ [10] состава газов в пробах, отобранных из газовых фонтанов внутри штолен БНО недалеко (~18 км) от вулкана Эльбрус, показал классический набор газов камеры неглубокого залегания в окрестности БНО [11]: CO2, СН4, Н2О, NH3, H2S, вариации содержания которых могут служить индикатором вулканической активности [1, 4].
Целью данной работы являлся мониторинг выхода вулканических газов в тупиковом тоннеле БНО в окрестности вулкана Эльбрус с помощью лидара дифференциального поглощения (ЛДП). Была проведена регистрация химического состава газов, в том числе, регистрация величины δ13С в углекислом газе.
ЭКСПЕРИМЕНТ
Эксперимент проводили в тупиковом тоннеле с координатами 43°14ʹ57.7ʺ с. ш., 42°43ʹ19.5ʺ в. д. на высоте 1715 м над уровнем моря. Тоннель-ответвление находится в конце вспомогательной штольни на удалении ~4000 м от входа БНО ИЯИ РАН под горой Андырчи недалеко (~18 км) от вулкана Эльбрус. ЛДП был размещен на высоте 50 см от основания тоннеля недалеко от входа (~5 м) у стены (рис. 1). Пучок лидара был направлен в сторону глухой стены на светоотражающий экран для снижения потерь при измерении поглощения газов на круговом обходе трассы зондирования до экрана и обратно. Высокая разрешающая способность лидара 0.0003 см−1 с перестройкой частоты лазера в области характеристических спектральных линий поглощения анализируемых газов обеспечивала анализ изотопно-замещенных молекул двуокиси углерода12CO2 и 13CO2. В отсутствие калибровочных смесей газов калибровка лидара была проведена по данным международной базы HITRAN-2016 [12] для колебательно-вращательных переходов P 34e (6333.5631 см−1, 13CO2) и P 18e (6332.6577 см−1, 12CO2).
Рис. 1. План-схема тупикового тоннеля в конце вспомогательной штольни Баксанской нейтринной обсерватории.
Насколько нам известно, непрерывный мониторинг выхода газов в тупиковом тоннеле (рис. 1) был проведен впервые вблизи вулкана Эльбрус, в отличие от зондирования на склоне вулкана в открытой атмосфере [13].
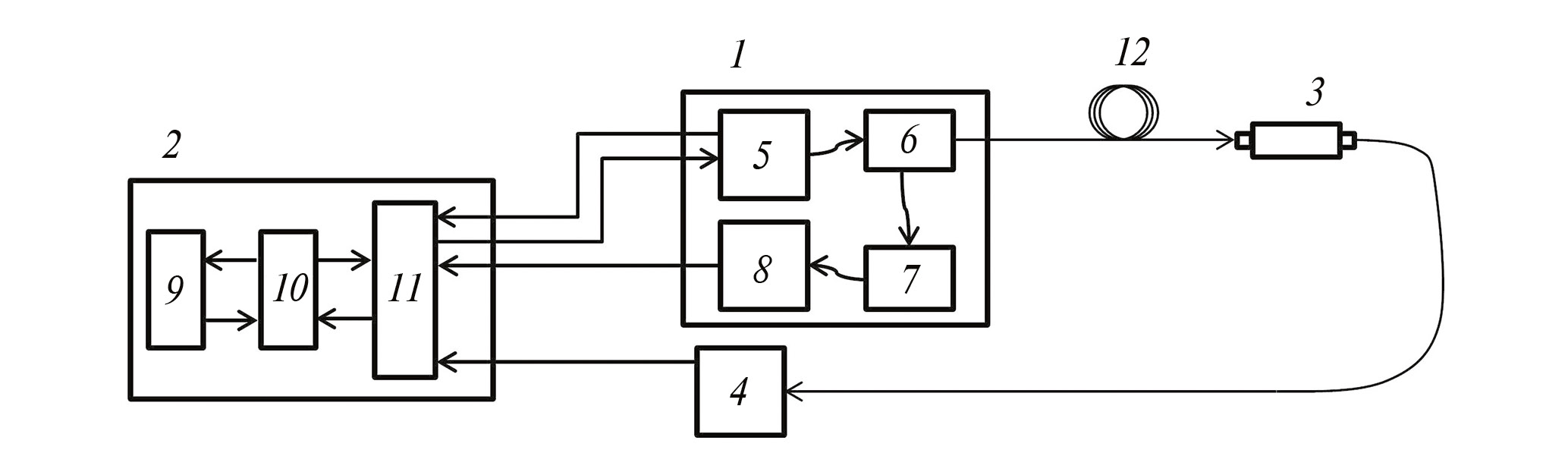
Принципиальная блок-схема ЛДП на основе перестраиваемых по частоте диодных лазеров ближнего ИК-диапазона с контролем температуры для измерения динамики поступления в тоннель выбранных для регистрации газовых молекул: 12CO2,13CO2, СН4, Н2О показана на рис. 2.
Рис. 2. Блок-схема лидара дифференциального поглощения на основе диодных лазеров ближнего ИК-диапазона для измерения концентрации газов: 1 – блок лазерного излучения, 2 – блок управления, приема и обработки данных, 3 – приемо-передающая оптическая система с волоконным входом, 4 – детектор аналитического сигнала, 5 – модуль диодного лазера, 6 – волоконный разветвитель, 7 – кювета сравнения с интерферометром Фабри-Перо, 8 – детектор сигнала сравнения, 9 – цифровой программируемый модуль, 10 – модуль ЦАП и АЦП, 11 – модуль преобразователей аналоговых сигналов, 12 – волоконно-оптический кабель.
В отличие от аэрозольного лидара обратного рассеяния [10], в котором диодный лазер размещен в блоке передатчика, в лидаре дифференциального поглощения диодные лазеры с перестраиваемой частотой размещены в электронном блоке (рис. 3 б). Этим мы обеспечили высокую стабильность перестройки частоты излучения лазеров со спектральным разрешением 0.0003 см−1, а также их калибровку по резонансам поглощения в кювете, заполненной смесью опорных газов. При этом основную часть излучения лазеров (рис. 2) от волоконного разветвителя (6) направляют через волоконно-оптический кабель (12) в блок передатчика (рис. 3 а) и далее на выход приемо-передающей системы (3). Излучение диодного лазера, проходящее по трассе зондирования до световозвращающей пленки и обратно, коллимировали рефлектором Ньютона и направляли на фотоприемник. Сигнал от детектора усиливали и оцифровывали с помощью электронных модулей (10, 11), затем с помощью цифрового программируемого модуля (9) вычисляли концентрации определяемого газа. Для измерения интегральных коэффициентов линий поглощения газов и последующего вычисления их концентрации проводили аппроксимацию линии поглощения известными модельными контурами Раутиана-Собельмана и Фойгта. Методика измерения концентрации газов лидаром изложена в работе [14], а на рис. 3 а представлен вид приемо-передающего блока ЛДП (без внешнего кожуха) со сферическим зеркалом приемной антенны диаметром 110 мм.
Рис. 3. а) Общий вид приемо-передающего блока лидара дифференциального поглощения, б) электронный блок управления лидара с компьютером наверху, на мониторе которого показаны примеры перестройки частоты лазеров путем изменения тока накачки.
В электронном блоке управления был размещен барометр для автономного измерения атмосферного давления. Регистрация атмосферного давления происходила на управляющем компьютере одновременно с записью данных лидара. Приемо-передающая оптическая система предназначена для формирования пучков диодных лазеров и приема ИК-излучения лазеров после двойного прохода трассы зондирования. Перестройка частоты лазеров в окрестности линии поглощения (в точном резонансе и вне линии) обеспечивает измерение динамики пропускания трассы. Сравнение данных вариации пропускания трассы и пропускания опорного канала (кюветы с калиброванной смесью газов) позволяет оценить концентрации газов вдоль трассы зондирования.
Первые прямые измерения вариаций концентрации магматических газов на трассе внутри тупикового тоннеля (рис. 4) проводили лидаром дифференциального поглощения в режиме непрерывного зондирования 26–27 мая 2021 г. Измерения поводили последовательно каждым лазером, перестраивая частоту излучения в окрестности характеристической спектральной линии поглощения выбранных магматических газов. Каждый сеанс измерений концентрации газов занимал 3 секунды, включая операции накопления, усреднения и записи данных в память управляющего компьютера.
Рис. 4. Вариации атмосферного давления, концентраций газов СН4,12CO2 и 13CO2, H2O и отношения 13CO2/12CO2.
На рис. 4 наблюдаются синхронные вариации концентраций метана, углекислого газа и паров воды, что свидетельствует о корректности применения ЛДП для мониторинга газов. На рис. 4 (нижняя панель) видно, что дистанционно измеренные лидаром на трассе длиной 30 м вариации значения отношения 13CO2/12CO2 (~0.017) заметно уменьшаются по сравнению с вариациями концентраций газов. Измеренное соотношение концентраций 13CO2/12CO2 превышает величину, принятую для международного стандарта V-PDB (0.011237). Это связано с отсутствием калибровок изотопного отношения 13С/12С при измерениях и низкой точностью измерений концентраций молекул 13CO2 и 12CO2. Трасса оптического зондирования нашего прибора составляла 60 м, в то время как длина трассы в коммерческом изотопном спектрометре внутрирезонаторного поглощения (Picarro) составляет десятки километров. Однако тот факт, что даже на такой короткой трассе все же удалось получить устойчивый сигнал для концентраций 13CO2, оставляет надежду на перспективное развитие метода для мониторинга изотопных параметров газовых молекул. Одним из вариантов повышения точности измерений концентрации 13CO2 является увеличение длины трассы зондирования и снижение шумов.
На рис. 4 можно также заметить слабую корреляцию сигналов концентрации H2O и 13CO2, что, по-видимому, вызвано инструментальными причинами – линия поглощения Н2О расположена вблизи линии 13CO2, что может влиять на результаты измерений.
Особый интерес вызывает наблюдаемое синхронное снижение выхода газов при повышении атмосферного давления в тоннеле. Незначительное (примерно на 2 мм рт. ст.) повышение атмосферного давления (с 17 часов 26.05.2022) сопровождалось заметным снижением концентраций и снижением амплитуды вариаций всех анализируемых газов. Механизм модуляции выхода газов атмосферным давлением (снижение-повышение выхода газов) известен как “пампинг-эффект”, или “барометрическая откачка” [14]. Ранее [15], в соответствии с этим механизмом, в штольне БНО наблюдали запаздывающее увеличение концентрации тепловых нейтронов и гамма-фона при снижении давления на 10 мм рт. ст. Обнаруженное запаздывание авторы работы [15] обосновали медленной диффузией тяжелого радона (222Rn) из пород.
Зарегистрированное нами явление “барометрической откачки” наблюдали при очень малом изменении атмосферного давления, и для объяснения причины этого явления нами был проанализирован ряд данных лидарного зондирования (свободный доступ к данным онлайн http://lidarbno.freeddns.org). На рис. 5 показаны аналогичные примеры данного эффекта.
Рис. 5. Примеры “пампинг эффекта” при скачках давления на 1.5 (а) и 3 (б) мм рт. ст. в тупиковом тоннеле БНО в 2023 г.: изменение давления – розовая линия 1, концентрации CO2 – зеленая линия 2, концентрации H2O – синяя линия 3.
На рис. 5 а видно, что скачки давления на 1–2 мм рт. ст. сопровождаются отчетливо наблюдаемым изменением влажности воздуха и концентрации в нем углекислого газа (12CO2) в тупиковом тоннеле.
ВЫВОДЫ
Нами впервые проведены непрерывные измерения концентраций газовых молекул 12CO2, 13CO2, СН4, Н2О в атмосфере тупикового тоннеля БНО с помощью лидара дифференциального поглощения, работающего на базе трех диодных лазеров с перестраиваемой частотой. Непрерывный мониторинг позволил выявить эффект запирания газов в порах и микротрещинах пород при повышении атмо- сферного давления (“пампинг-эффект” [15, 16]). Установлено, что даже небольшие вариации атмосферного давления на первые единицы мм рт. ст. влияют на выход газов из пород, что может маскировать реальные масштабы эмиссии флюидов, оцениваемой при аналогичном мониторинге вулканической активности.
ИСТОЧНИК ФИНАНСИРОВАНИЯ
Работа выполнена при финансовой поддержке гранта РНФ № 19-19-00712.
КОНФЛИКТ ИНТЕРЕСОВ
Авторы данной работы заявляют, что у них нет конфликта интересов.
About the authors
S. M. Pershin
Prokhorov General Physics Institute of the Russian Academy of Sciences
Author for correspondence.
Email: pershin@kapella.gpi.ru
Russian Federation, Moscow
E. I. Gordeev
Institute of Volcanology and Seismology Far Eastern Branch of the Russian Academy of Sciences
Email: pershin@kapella.gpi.ru
Academician of the RAS
Russian Federation, Petropavlovsk-KamchatskyM. Ya. Grishin
Prokhorov General Physics Institute of the Russian Academy of Sciences
Email: pershin@kapella.gpi.ru
Russian Federation, Moscow
V. A. Zavozin
Prokhorov General Physics Institute of the Russian Academy of Sciences
Email: pershin@kapella.gpi.ru
Russian Federation, Moscow
V. S. Makarov
Space Research Institute of the Russian Academy of Sciences
Email: pershin@kapella.gpi.ru
Russian Federation, Moscow
N. N. Lednev
Prokhorov General Physics Institute of the Russian Academy of Sciences
Email: pershin@kapella.gpi.ru
Russian Federation, Moscow
Ya. Ya. Ponurovskiy
Prokhorov General Physics Institute of the Russian Academy of Sciences
Email: pershin@kapella.gpi.ru
Russian Federation, Moscow
D. B. Stavrovskii
Prokhorov General Physics Institute of the Russian Academy of Sciences
Email: pershin@kapella.gpi.ru
Russian Federation, Moscow
A. A. Ushakov
Prokhorov General Physics Institute of the Russian Academy of Sciences
Email: pershin@kapella.gpi.ru
Russian Federation, Moscow
V. V. Kazalov
Institute for Nuclear Research of the Russian Academy of Sciences
Email: pershin@kapella.gpi.ru
Russian Federation, Moscow
References
- Jamtveit B., Petley‐Ragan A., Incel S., Dunkel K. G., Aupart C., Austrheim H., Corfu F., Menegon L., Renard F. The Effects of Earthquakes and Fluids on the Metamorphism of the Lower Continental Crust // J. Geophys. Res. Solid Earth. 2019. 124. 7725– 7755. https://doi.org/10.1029/2018JB016461.
- Kerstel E., Gianfrani L. Advances in laser-based isotope ratio measurements: selected applications // Appl. Phys. 2008. B. 92. 439–449.
- Lucic G., Stix J., Wing B. Structural controls on the emission of magmatic carbon dioxide gas, Long Valley Caldera, USA // J. Geophys. Res. Solid Earth. 2015. 120. 2262–2278. https://doi.org/https://doi.org/10.1002/2014JB011760.
- Malowany K.S., Stix J., de Moor J. M., Chu K., Lacrampe-Couloume G., Sherwood B. Lollar, Carbon isotope systematics of Turrialba volcano, Costa Rica, using a portable cavity ring-down spectrometer // Geochemistry, Geophys. Geosystems. 2017. 18. 2769–2784. https://doi.org/https://doi.org/10.1002/2017GC006856.
- Queißer M., Burton M., Kazahaya R. Insights into geological processes with CO2 remote sensing – A review of technology and applications // Earth-Science Rev. 2019. 188. 389–426. https://doi.org/10.1016/j.earscirev.2018.11.016.
- Fiorani L., Colao F., Palucci A. Measurement of Mount Etna plume by CO2-laser-based lidar // Opt. Lett. 2009. 34. 800–802. https://doi.org/10.1364/OL.34.000800.
- Pisani G., Boselli A., Coltelli M., Leto G., Pica G., Scollo S., Spinelli N., Wang X. Lidar depolarization measurement of fresh volcanic ash from Mt. Etna, Italy // Atmos. Environ. 2012. 62. 34–40. https://doi.org/https://doi.org/10.1016/j.atmosenv.2012.08.015.
- Sliney D.H., Wolbarsht M. Safety with lasers and other optical sources: a comprehensive handbook. Springer Science & Business Media, New York, 2013. https://doi.org/10.1007/978-1-4899-3596-0.
- Pershin S.M., Sobisevich A. L., Grishin M. Y., Gravirov V. V., Zavozin V. A., Kuzminov V. V., Lednev V. N., Likhodeev D. V., Makarov V. S., Myasnikov A. V., Fedorov A. N. Volcanic activity monitoring by unique LIDAR based on a diode laser // Laser Phys. Lett. 2020. 17. 115607. https://doi.org/10.1088/1612-202X/abbedc.
- Pershin A.L., Sobisevich V. A., Zavozin M. Y., Grishin V. N., Lednev V. S., Makarov V. B., Petkov Y. Y., Ponurovskii A. N., Fedorov D. G. LIDAR Detection of Aerosols in the Tunnel above the Elbrus Volcano Chamber // Bull. Lebedev Phys. Inst. 2022. 49. 36– 41. https://doi.org/10.3103/S1068335622020063.
- Маловичко A.A., Бутырин П. Г., Верхоланцева Т. В., Верхоланцев Ф. Г., Шулаков Д. Ю. Результаты микросейсмических наблюдений на территории Баксанской Нейтринной Обсерватории / Современные Методы Обработки и Интерпретации Сейсмологических Данных. Материалы Седьмой Международной Сейсмологической Школы, 2015. С. 169–174.
- Gordon I.E., Rothman L. S., Hill C., Kochanov R. V., Tan Y., Bernath P. F., Birk M., Boudon V., Campargue A., Chance K. V., Drouin B. J., Flaud J.-M., Gamache R. R.,. Hodges J.T, Jacquemart D., Perevalov V. I., Perrin A., Shine K. P., Smith M.-A.H., Tennyson J., Toon G. C., Tran H., Tyuterev V. G., Barbe A., Császár A. G.,. Devi V.M, Furtenbacher T., Harrison J. J., Hartmann J.-M., Jolly A., Johnson T. J., Karman T., Kleiner I., Kyuberis A. A., Loos J., Lyulin O. M., Massie S. T., Mikhailenko S. N., Moazzen-Ahmadi N., Müller H. S.P., Naumenko O. V., Nikitin A. V., Polyansky O. L., Rey M., Rotger M., Sharpe S. W., Sung K., Starikova E., Tashkun S. A., Vander Auwera J., Wagner G., Wilzewski J., Wcisło P., Yu S., Zak E. J. The HITRAN2016 molecular spectroscopic database // J. Quant. Spectrosc. Radiat. Transf. 2017. 203.3–69. https://doi.org/https://doi.org/10.1016/j.jqsrt.2017.06.038.
- Rizzo A.L., Jost H., Caracausi A., Paonita A., Liotta M., Martelli M. Real‐time measurements of the concentration and isotope composition of atmospheric and volcanic CO2 at Mount Etna (Italy) // Geophys. Res. Lett. 2014. 41. 2382–2389. https://doi.org/10.1002/2014GL059722.
- Nadezhdinskii A.I., Ponurovskii Y. Y. Diode laser spectrometer for high-precision measurements // Quantum Electron. 2019. 49. 613.
- Стенькин Ю.В., Алексеенко В. В., Игошин А. В., Кулешов Д. А., Левочкин К. Р., Степанов В. И., Сулаков В. П., Рулев В. В., Щеголев О. Б. Подземная физика и нелинейный задержанный барометрический эффект гамма-фона // Журнал Экспериментальной и Теоретической Физики. 2020. 158. 469–473. https://doi.org/10.31857/S0044451020090059.
- Etiope G., Martinelli G. Migration of carrier and trace gases in the geosphere: an overview // Phys. Earth Planet. Inter. 2002. 129. 185–204. https://doi.org/10.1016/S0031-9201(01)00292-8.
Supplementary files







