Evolution of vegetation in the Utinoe Lake basin (the Russian Far East) during the Middle-Late Holocene
- Authors: Belyanin P.S.1, Belyanina N.I.1
-
Affiliations:
- The Pacific Geographical Institute of the Far Eastern Branch of the Russian Academy of Sciences
- Issue: No 4 (2022)
- Pages: 1391-1393
- Section: Articles
- URL: https://journals.rcsi.science/2658-3518/article/view/288517
- DOI: https://doi.org/10.31951/2658-3518-2022-A-4-1391
- ID: 288517
Cite item
Full Text
Abstract
Evolution of vegetation in the Utinoe Lake basin was studied. Periodicity of vegetation changes in its basin were reconstructed by the palynological data. The Middle Holocene stage of the vegetation evolution proceeded in the conditions of general planetary increase in average annual temperatures, accompanied by flooding of lowland plains by the Sea of Japan. Composition of the polydominant forests on the ridges during the Middle-Late Holocene was more rich what the present time were formed. Vegetation of the foothill plains was represented with sedge and mixed meadows. The Late Holocene stage was characterized by a decrease in average annual temperatures and series of climatic changes. Its beginning was marked by the cooling, during which the coastal lowlands were freed from sea waters. Climate deterioration caused expansion of dark coniferous and small-leaved plants in the Utinoe Lake basin, as well as reduction of polydominant forests. On the foothills near the coast of the Peter the Great Bay sedge meadows were developed, sometimes there were thickets of Betula sect. Nanae and sphagnum swamps. At the end of the Late Holocene the warming occurred again. On the mountain frame of the Utinoe Lake basin, the vegetation formations with the dominance Q. mongolica, Q. dentata, A. holophylla, P.koraiensis with the presence of birches began to dominate. The dissemination of Pinus densiflora, Ulmus, Carpinus cordata and Acer has increased. On the lowlands the sedge-reed meadows with different grass dominated.
Full Text
1. Introduction
Climatic changes during the Holocene was a trigger foe global plant migrations. Its were most noticeable in the contact zone of floristic provinces. The south of the Russian Far East is such area. This region is located in the contact zone of the Amur, Manchurian and North China floristic provinces of boreal and warm-moderate belts (Komarov, 1901). Therefore, this is a key area for the studies on plants migrations due to climate fluctuations. This paper presents the results of an analysis of the evolution of vegetation in the basin of Lake Utinoe during the Middle -Late Holocene.
2. Materials and methods
2.1. Сollection and preparation of the sediment samples
Drilling of boreholes on Lake Utinoe was carried out from a floating platform on a catamaran using a piston sampler of the Livingston system. The core was extracted in sections that were 1m long and 5cm in diameter. In the case of high sediment density, short core sections were extracted. Samples were taken every 5-10 cm.
2.2. Palynological analysis
Fossil pollen particles were extracted from the sediments using standard methods, which included treatment with 10% KOH, separation of minerals with a solution of KJ and CdJ2 (2.2 g/cm3), after which the samples mounted in glycerol jelly (Pokrovskaya, 1950).
Pollen and spores in glycerin jelly were identified, photographed and counted using an optical microscope Axio Scope.A1 and camera AxioCam ICc1 (Carl Zeiss). At least 250 pollen grains of arboreal, dwarf shrubs, and herb were counted in each sample. Identifications of pollen grains were made with the aid of pollen atlases (Pokrovskaya, 1950; Nakamura, 1980).
Proportion of each pollen taxon was calculated in percent of the pollen sum arboreal taxa, dwarf shrubs and herbs. Latin names are given according to Plants of the World Online (POWO, 2019). The results of the palynological analysis are plotted in diagrams using the software Tilia v. 2-0-41 (Grimm, 2004).
2.3. Dating
The chronology of the pollen records was based on radiocarbon dates. Five samples of wood and plant detritus, were dated by AMS 14C in the Laurence Livermore Center for Accelerator Mass Spectrometry, National Laboratory, Department of Energy, University of California (Anderson et al., 2017) (Table).
Table. Radiocarbon and calibrated ages, from the bottom sediments of the Utinoe Lake (Anderson et al., 2017)
Depth, m | Material dated | Laboratory number | Date (14C BP) | Calibrated age range, cal. BP |
4.71-4.68 | wood | CAMS # 73295 | 5000±80 | 5763±98 |
3.47-3.45 | CAMS# 76800 | 3920±40 | 4356±59 | |
2.46-2.45 | plant detritus | CAMS # 75544 | 3890±40 | 4329±٦٤ |
2.23-2.21 | CAMS # 76799 | 2510±60 | 2589±109 | |
1.30-1.27 | wood | CAMS # 76798 | 1810±60 | 1736±80 |
3. Results and discussion
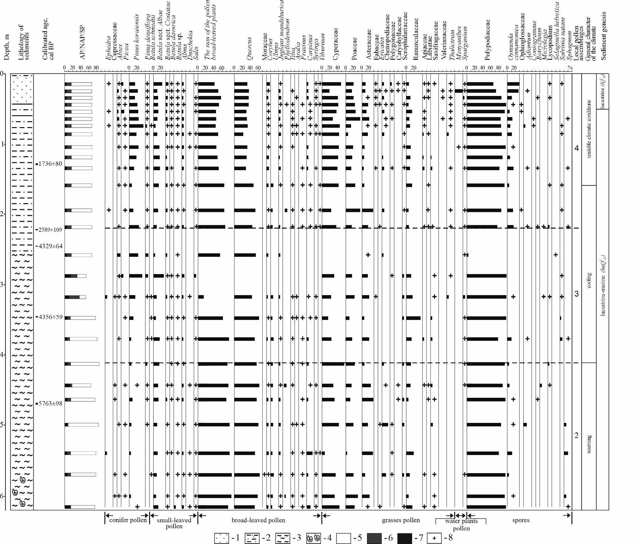
The pollen assemblage from a depth interval of 6.2–2.2 m indicates that polydominant forests with the Quercus, Tilia, Carpinus cordata and Betula schmidtii were widespread in the basin during the Mid-Holocene Thermal Maximum. Apparently, the Quercus was represented by two species, Quercus mongolica and Q. dentata. At the same time, the distribution of Pinus koraiensis in plant formations noticeably decreased, however, P. densiflora appeared due to an increase in the dryness condidion. Similar materials were previously received by Mikishin and Gvozdeva (2014) and Pavlyutkin and Belyanina (2002).
As a result of the shifts of boundaries of floristic provinces to the north, more species from the North China Floristic Province grew in the basin compare to the present. The five-pore pollen grains of Carpinus were found in the sediments of the Mid-Holocene Thermal Maximum. It likely indicates that, in addition to Carpinus cordata, another species from the same genus was also distributed in basin. It should note that now south of 40 ° N in the Korea and Northeastern China, Carpinus is presented by 7 species, and Quercus and Pinus by 9 species each (Komarov, 1901).
Late Holocene stage of vegetation was accompanied a decrease in mean annual temperatures. Vegetation changes were undulating due to the climate fluctuations. The beginning of this stage is fixed by a slight decrease in content of broad-leaved species in the depth interval of 4.13-2.2 m (see Fig. 1). Global cooling was a cause to expansion of dark coniferous and small-leaved plants. Shrub birch appeared on the plains and sphagnum mires arose. However, a short-term warming also took place in the middle part of the Late Holocene. It is marked by an increase in the pollen of Quercus, Ulmus, Pinus koraiensis, Juglans mandshurica, Carpinus and Abies holophylla compared to the depth interval of 6.2-2.2 m. Sedge-forb-reed grass meadows were widespread in the plains.
Fig.1. Pollen percentage diagram of Utinoe Lake bottom sediments. 1 – sand, 2 – sandy loam, 3 – silt, 4 – sea mollusk shells. The relationships between plant groups: 5 – AP, 6 – NAP, 7 – SP, 8 – the taxa are present in the assemblage in amounts less than 3%.
A slight increase in pollen from small-leaved plants and a decrease in the amount of broad-leaved species up the borehole, reflecting another cooling.
Another short-term warming, related to the Medieval climatic anomaly (Wanner et al., 2008), is recorded in the depth interval of 2.2-0 m. The broad-leaved taxa, especially C. cordata, increases in the pollen assemblages (up to 8%).
4. Conclusions
The obtained palynological data made possible to reconstruct the evolution of vegetation in the Utinoe Lake basin in the Middle- Late Holocene. A wide distribution of polydominant forests with P. densiflora and P.koraiensis in the mountainous surroundings of Lake Utinoe occurred at the mid-Holocene Thermal Maximum. Apparently, they included plants whose modern ranges cover the north of the Island Honshu and south of the Island Hokkaido (Jisaburo, 1965), Korean Peninsula south of 40°N (Lee, 1980) and the eastern regions of Manchuria. Some genera were represented by a richer species diversity. At the end of the Middle Holocene and in the first stage of the Late Holocene, due to cooling, the distribution of broad-leaved plants – Phellodendron, Tilia, Carpinus, Acanthopanax, Juglans and others decreased. The areas of small-leaved forests with Picea, P. koraiensis, Alnus, Duschekia and Betula have expanded. Shrub birch appeared on the plains, and sphagnum mires appeared. The short warming in the middle of the late Holocene led to the dominance of plant formations with P. densiflora, P. koraiensis, Q. mongolica, Abies and Betula. However, the slight cooling that followed then caused the expansion of small-leaved plants. Mixed forests with P. densiflora, P. koraiensis and Abies were formed.
Conflict of interest
The authors declare no conflict of interest.
About the authors
P. S. Belyanin
The Pacific Geographical Institute of the Far Eastern Branch of the Russian Academy of Sciences
Author for correspondence.
Email: pavelbels@yandex.ru
Russian Federation, Radio Str., 7, Vladivostok, 690041
N. I. Belyanina
The Pacific Geographical Institute of the Far Eastern Branch of the Russian Academy of Sciences
Email: pavelbels@yandex.ru
Russian Federation, Radio Str., 7, Vladivostok, 690041
References
- Anderson P.M., Belyanin P.S., Belyanina et al. 2017. The vegetation evolution on the western coast of the Peter the Great Gulf in the Late Pleistocene – Holocene. Tikhookeanskaya Geologiya [Russian Journal of Pacific Geology] 36(4): 206-215. (in Russian)
- Jisaburo O. 1965. Flora of Japan. Washington, D.C.: Smithsonian Institution.
- Grimm E. 2004. Tilia software 2.0.2. Springfield: Illinois State Museum Research and Collection Center.
- Komarov V.L. 1901. Flora of Manchuria. Saint-Petersburg.
- Lee T.B. 1980. Illustrated flora of Korea. Seoul: Hyangmunsa.
- Mikishin Y.A., Gvozdeva I.G. 2014. Mid to Late Holocene of Russkyi Island (Southern Primorye). Fundamental Research 3: 516-522. doi: 10.17513/fr.33706
- Nakamura J. 1980. Diagnostic characters of pollen grains of Japan, Part I. Special Publications from the Osaka Museum of Natural History.
- Pavlyutkin B.I., Belyanina N.I. 2002. Quaternary deposits of Primorye: results of systematization and perspectives of study. Tikhookeanskaya Geologiya [Russian Journal of Pacific Geology] 21(3): 80-93. (in Russian)
- Pokrovskaya I.M. 1950. Pollen analysis. Moscow: Gosgeolizdat.
- POWO. 2019. Plants of the World Online. An online database published by the Royal Botanic Gardens, Kew. URL: https://powo.science.kew.org
- Wanner H., Beer J., Butikofer J. et al. 2008. Mid- to Late Holocene climate change: an overview. Quaternary Science Reviews 27(19-20): 1791-1828. doi: 10.1016/j.quascirev.2008.06.013
Supplementary files



