Method for calculating the range of an electric motorboat using solar energy
- Authors: Kaplina V.V.1
-
Affiliations:
- Moscow Polytechnic University
- Issue: Vol 336, No 1 (2025)
- Pages: 139-146
- Section: Articles
- URL: https://journals.rcsi.science/2500-1019/article/view/281574
- DOI: https://doi.org/10.18799/24131830/2025/1/4589
- ID: 281574
Cite item
Full Text
Abstract
Relevance. The need to shift the focus to renewable energy sources and increase the usage of the electric vehicles. This gives us the access to the areas where conventional combustion engines are forbidden. The goal is not only reducing CO2 emissions, but it is necessary as well to increase the autonomy of vehicles and their independence from infrastructure. Aim. To calculate the power generated by photovoltaic panels based on the insolation of the area of Tomsk, Russia, to define the efficiency of electrically driven research boat powered by the solar energy. Subject. An electrically driven motorboat, built by a student team according to the "Project Activity" training program at Moscow Polytechnical University. Methodology. Calculation using empirically and experimental data and the data from the open source. Results. We have defined the method for calculating the running time of the electrically driven solar powered boat. We obtained as well an approximate amount of the electrical power generated by the solar panels for the area of Tomsk in summer. As a result, we calculated the boat running time for a summer day at a speed of 7 km/h. This method can be used for the calculation of the energy balance of infrastructure-independent vessels, as well as floating autonomous platforms for research, mining, and transportation at restricted areas.
Full Text
Введение
Непрерывное обнаружение новых местоположений полезных ископаемых приводит к необходимости обеспечивать транспортную доступность на всём цикле работ [1]. Ввиду большого разнообразия георесурсов северных регионов России может возникнуть необходимость транспортного сообщения в закрытых природных зонах при помощи управляемого или автономного судна [2–5].
Проблемы эксплуатации водных транспортных средств с ДВС заключаются в отсутствии заправочных станций и прочих береговых локаций, необходимых для пополнения запасов топлива [6]. Возможность применения данного типа транспорта также полностью исключена в случае исследовательских работ на охраняемых природных территориях, для которых действуют особые ограничения касаемо выбросов отработавших газов и уровня шума [7–9].
Альтернативные источники энергии набирают популярность в последние десятилетия за счёт своего главного качества – отсутствия выбросов парниковых газов в атмосферу, которое приводит к повышению среднего показателя температуры по планете. Во избежание дальнейшего повышения температуры в 2015 г. было подписано Парижское соглашение [10], суть которого состоит в снижении выбросов в окружающую среду, развитии тенденций к низкоуглеродному миру и осуществлении скоординированных действий всех стран, подписавших соглашение, для сокращения уровня повышения температуры в этом столетии до 2 градусов Цельсия.
Использование электрического водного транспорта с применением альтернативных источников энергии обеспечивает автономность и независимость от береговой линии и заправочных станций, что позволяет применять его с целью разведки, добычи и транспортировки георесурсов, в том числе в природоохранных зонах [11–13].
Объект исследования
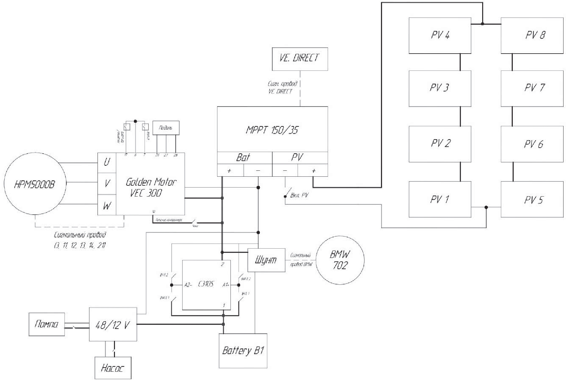
Объектом исследования является электромоторная лодка «Valentina Queen» (рис. 1, 2), построенная студентами Московского политехнического университета в рамках дисциплины «Проектная деятельность» в 2018 г. Лодка имеет фанерный корпус, ламинированный углетканью. В качестве силовой установки используется электрический мотор мощностью 5 кВт, 8 солнечных панелей суммарной мощностью 800 Вт, аккумуляторная батарея энергоёмкостью 1920 Вт·ч и номинальным напряжением 48 В. В состав дополнительного электрооборудования входят: контроллер электромотора; MPPT (Maximum Power Point Tracker)-контроллер солнечного заряда со слежением за точкой максимальной мощности; контактор; шунт; Bluetooth-модуль; преобразователь 48–12 В; трюмная помпа; насос; батарейный монитор, тумблеры и переключатели. Длина лодки 4,0 м; ширина 1,68 м; суммарный вес конструкции вместе с пилотом составляет 200 кг.
Данный прототип используется в качестве спортинвентаря для участия в соревнованиях, а также является платформой для опытов и исследований в области энергетики, фотовольтаики, гидродинамики и материаловедения.
Энерго-пропульсивная составляющая лодки имеет последовательный принцип работы. Генерируемая солнечной батареей электроэнергия поступает в аккумуляторную батарею, после чего передаётся электромотору. Одновременная зарядка и разрядка предполагают наличие аккумуляторов, обеспечивающих высокую производительность, долговечность и безопасность при большом количестве циклов заряда–разряда [14–18]. Соединение электрических компонентов лодки показано на рис. 3.
Рис. 1. Электрическая лодка «Valentina Queen», вид сбоку
Fig. 1. Electric boat "Valentina Queen", side view
Рис. 2. Электрическая лодка «Valentina Queen», вид сверху
Fig. 2. Electric boat "Valentina Queen", top view
Рис. 3. Электрическая схема лодки «Valentina Queen»
Fig. 3. Electrical diagram of the "Valentina Queen" boat
Солнечные панели соединяются параллельно-последовательным методом – два комплекта из четырёх последовательно соединённых панелей подключены параллельно. Такой подход обеспечивает необходимые для корректной работы системы напряжение и силу тока 72 В и 11,1 А, соответственно. В случае выхода из строя одной из панелей сохраняется работоспособность второго контура. Для обеспечения непрерывного мониторинга состояния солнечной батареи используется MPPT-контроллер заряда. Использование данного типа контроллеров позволяет отслеживать максимальную мощность, генерируемую солнечными панелями, и подстраивать напряжение и ток заряда для обеспечения максимальной эффективности и производительности системы [19, 20].
Результаты исследования
Время движения лодки определяется уравнением баланса источников и потребителей энергии (1):
(1)
где ΣWн – сумма энергий всех накопителей электрической энергии, Вт·ч; ΣWpv – сумма получаемой электрической энергии за время движения от всех солнечных панелей, Вт·ч; ΣWп – сумма потребляемой электрической энергии всеми потребителями лодки, Вт·ч.
Таблица 1. Почасовые показатели инсоляции
Table 1. Hourly solar insolation data
Часы/Hours | 0:00 | 1:00 | 2:00 | 3:00 | 4:00 | 5:00 | 6:00 | 7:00 |
Излучение всего неба (Втч/м2) All sky surface shortwave downward irradiance (Wh/m2) | 0,00 | 0,00 | 0,00 | 0,00 | 23,04 | 89,98 | 183,90 | 287,22 |
Часы/Hours | 8:00 | 9:00 | 10:00 | 11:00 | 12:00 | 13:00 | 14:00 | 15:00 |
Излучение всего неба (Втч/м2) All sky surface shortwave downward irradiance (Wh/m2) | 387,87 | 471,99 | 529,66 | 564,68 | 596,61 | 575,90 | 525,82 | 455,17 |
Часы/Hours | 16:00 | 17:00 | 18:00 | 19:00 | 20:00 | 21:00 | 22:00 | 23:00 |
Излучение всего неба (Втч/м2) All sky surface shortwave downward irradiance (Wh/m2) | 364,21 | 261,49 | 162,54 | 73,42 | 17,29 | 0,00 | 0,00 | 0,00 |
Рис. 4. Аппроксимация данных по выработке электроэнергии по местному времени
Fig. 4. Data approximation on electricity generation by local time
В данной лодке установлена одна литий-ионная аккумуляторная батарея энергоёмкостью 1920 Вт·ч. Для сохранения эксплуатационного ресурса АБ необходимо избегать его полного разряда и ограничить его до уровня, рекомендованного производителем и указанного в паспорте продукта. Для литий-ионных АБ допустимая глубина разряда составляет DOD (Depth of Discharge)=80 %. Таким образом полезная энергоёмкость, доступная для использования данным транспортом средством, составляет 1536 Вт·ч.
Для получения данных о поступающей энергии от солнечных панелей воспользуемся открытыми базами данных по инсоляции [21]. Значения средних почасовых показателей инсоляции были взяты для широты города Томска за июль 2023 г. Данные приведены в табл. 1
Рассчитаем количество энергии, вырабатываемой солнечной батареей лодки за каждый час, по формуле (2):
(2)
где Еинс – значение инсоляции за выбранный период для заданной широты, Вт·ч/м2; Рсп – суммарная мощность всех солнечных панелей, Вт; Ринс – максимальное значение солнечной радиации на 1 м2 земной поверхности, принимается равным 1000 Вт/м2.
Рис. 5. Аппроксимация данных по выработке электроэнергии по истинному времени
Fig. 5. Data approximation on electricity generation by apparent time
Для упрощения дальнейшей интеграции данных была выполнена аппроксимация функцией косинуса. Ниже представлены графики аппроксимирующей функции в сравнении с вычисленными значениями для местного (рис. 4) и истинного времени (рис. 5). Для Томска разница времени в июле составляет 86 минут. Данную величину необходимо учитывать при определении времени восхода и захода солнца при расчётах по истинному времени для конкретного дня.
Из графика для местного времени видно, что в период с 3:00 до 21:00 вырабатываемая солнечной батареей электроэнергия практически идеально совпадает с описывающей её функцией косинуса (3):
(3)
где Wmax – максимальное значение получаемой электроэнергии, Вт.
Для построения графика функции косинуса использовалась величина условного угла наклона солнца относительно линии горизонта α (4):
(4)
где t – фактическое время, для которого рассчитывается угол α; tв – время восхода солнца; tз – время захода солнца.
Значения условного угла α для каждого часа приведены в табл. 2.
Таблица 2. Значения условного угла α
Table 2. Values of the conditional angle α
Часы/Hours | 0:00 | 1:00 | 2:00 | 3:00 | 4:00 | 5:00 | 6:00 | 7:00 |
α, рад | – | – | – | 0,00 | 0,35 | 0,70 | 1,047 | 1,396 |
Часы/Hours | 8:00 | 9:00 | 10:00 | 11:00 | 12:00 | 13:00 | 14:00 | 15:00 |
α, рад | 1,745 | 2,094 | 2,443 | 2,793 | 3,142 | 3,491 | 3,840 | 4,189 |
Часы/Hours | 16:00 | 17:00 | 18:00 | 19:00 | 20:00 | 21:00 | 22:00 | 23:00 |
α, рад | 4,538 | 4,887 | 5,236 | 5,585 | 5,934 | 6,283 | – | – |
Для определения показателей расхода электрической энергии всеми системами лодки были проведены испытания. Скорость движения замерялась при помощи GPS-трекера Garmin eTrex 32x. Данные о расходе электроэнергии были сняты с батарейного монитора Victron Energy BMV-702.
Полученные данные были аппроксимированы линейной функцией и показаны на рис. 6.
Рис. 6. Зависимость расхода электроэнергии от скорости движения
Fig. 6. Dependency of electricity consumption on speed
Для использования графика в дальнейших расчётах показатель расхода электрической энергии выбирается исходя из постоянной скорости движения лодки.
Составим уравнение движения лодки, учитывающее все накопители и потребители энергии (5):
(5)
где Wa – аппроксимирующая функция показателей вырабатываемой солнечными панелями электроэнергии относительно условного угла α; αс – условный угол α, соответствующий времени старта лодки; αф – условный угол α, соответствующий времени финиша лодки; Wн – энергоёмкость аккумуляторной батареи; η – суммарный КПД АБ и зарядного устройства, которым в данном случае является контроллер заряда; Вт·ч; М – мощность, затрачиваемая на выбранной скорости, Вт; t – время движения лодки, ч.
Приведём уравнение энергетического баланса к одной неизвестной, выразив t через α. Конечное уравнение будет иметь вид (6):
(6)
Проинтегрируем уравнение, домножив подынтегральное значение на масштабирующий коэффициент (7):
(7)
Приведём полученное уравнение к t, подставив вместо α выражение (4) с соответствующими значениями t для α. Получим (8):
(8)
где tф – время финиша лодки; tc – время старта лодки.
Для решения данного уравнения рекомендуется применять графический метод или метод подбора значений в ПО Excel.
Примем начальные данные времени старта в 11:00 и скорости движения лодки 7 км/ч. Подставив значения времени старта и значение расходуемой мощности при заданной скорости движения, получим два графика, отображающие поступающую энергию от фотоэлектрических элементов и затрачиваемую электромотором энергию. Разницей графиков до точки пересечения является значение заряда АБ в конкретное время движения лодки. Точка пересечения графиков показывает момент остановки лодки.
Рис. 7. Графический метод решения уравнения
Fig. 7. Graphical method for solving the equation
Из рис. 7 видим, что при начале движения в 11:00 по местному времени с постоянной скоростью 7 км/ч запас хода лодки для широты Томска составит 1 час 40 минут.
Заключение
Лодки на солнечной энергии, а также аналогичные им беспилотные плавсредства могут стать рациональной альтернативой привычным видам водного транспорта при работах по изысканию, добыче и транспортировке георесурсов в ограниченных условиях особых природных территорий. В данной работе была рассмотрена обобщённая методика расчёта времени движения электромоторной лодки с использованием солнечных панелей. Стоит отметить, что расчётные показатели сопоставимы с реальными для данной лодки в описанной комплектации, что говорит о корректности выбранного метода. Предложенная методика может быть использована для предварительных расчётов плавучих средств: как пассажирских, так и беспилотных исследовательских платформ. Для дальнейшего совершенствования расчётов методика может быть дополнена учётом зависимости выработки солнечной энергии от ориентации панелей, а также от температуры.
About the authors
Valentina V. Kaplina
Moscow Polytechnic University
Author for correspondence.
Email: kaplinavv25@gmail.com
Lecturer
Russian Federation, MoscowReferences
- Gasanova E.R., Manankov A.V. Problems of transport infrastructure and ways to solve them. 65th Anniversary University Scientific and Technical Conference of Students and Young Scientists. Tomsk, April 25, 2019. Tomsk, Tomsk State University of Architecture and Civil Engineering Publ., 2019. pp. 367–373. (In Russ.)
- Martínez-Díaz M., Soriguera F. Autonomous vehicles: theoretical and practical challenges. Transportation Research Procedia, 2018, vol. 33, pp. 275–282. doi: 10.1016/j.trpro.2018.10.103.
- Asanov A.A., Mekenbaev B.T., Turdakun uulu Nurgazy Development of autonomous floating water intakes and hydropower plants. Proceedings of the Kyrgyz State Technical University named after I. Razzakov, 2022, vol. 4, pp. 505–510. (In Kyrg.)
- Grigoryev M.N. Creation of a new logistics system for the export of Arctic mineral resources as a condition for their sustainable development. Georesources, 2023, vol. 2, pp. 36–46. (In Russ.) doi: 10.18599/grs.2023.2.3.
- Lebedeva M.A. Management of alternative energy development in the northern region of Russia. Bulletin of the Vladimir State University named after Alexander Grigoryevich Stoletov and Nikolai Grigoryevich Stoletov, 2021, vol. 3, pp. 48–64. (In Russ.) doi: 10.18413/2409-1634-2021-7-2-0-2.
- Marchenko M.A., Voytenok O.V., Demekhin F.V. Problems of refueling small vessels. Bulletin of the St. Petersburg State University of the State Fire Service of the Ministry of Emergency Situations of Russia, 2011, vol. 4, pp. 7–9. (In Russ.)
- Erofeeva N.V. Noise on ships: calculation, regulation, and methods of combating. Week of Science of the Saint Petersburg State Maritime Technical University. St. Petersburg, November 22–26, 2021. St. Peterburg, St. Petersburg State Marine Technical University Publ., 2021. pp. 536–539. (In Russ.)
- Ostapenko S.P., Mesyats S.P. Assessment of the potential for restoring the ecological state of natural ecosystems disrupted during the development of georesources, using satellite data. Mining industry, 2023, vol. 5S, pp. 80–86. (In Russ.) doi: 10.30686/1609-9192-2023-5S-80-86.
- Pokusaev M.N., Khmelnitskiy K.E., Kadin A.A., Aydynbekov B.S., Vlasov S.V. Small vessels: their range of use and issues. Bulletin of Astrakhan State Technical University, 2023, vol. 2, pp. 47–53. (In Russ.) doi: 10.24143/2073-1574-2023-2-47-53.
- United Nations Climate Change. The Paris Agreement. UNCC. Available at: https://unfccc.int/sites/default/files/english_paris_agreement.pdf (accessed 10 September 2023).
- Pavlenko I.V., Nikitenko V.A., Avdeev B.A. Development of an electric power installation for a small vessel with electric propulsion. Education, Science, and Youth. Kerch, April 2–13, 2018. Kerch, Kerch State Maritime Technological University Publ., 2018. pp. 156–160. (In Russ.)
- Egorova N.I., Mityakov O.I. Ecological innovations and sustainable development. Proceedings of R.E. Alekseyev Nizhny Novgorod State Technical University, 2015, vol. 3, pp. 299–305. (In Russ.)
- Pichugin D.D., Chabanov E.A. The use of solar panels as an alternative energy source in water transport. Transport: Problems, Goals, Perspectives. Perm, February 15, 2020. Perm, Perm Branch of the Volga State University of Water Transport Publ., 2020. pp. 220–223. (In Russ.)
- Lukutina B.V., Muravleva I.O., Plotnikova I.A. Electric power supply systems with wind and solar power plants. Tomsk, Tomsk Polytechnic University Publ. house, 2015. 81 p. (In Russ.)
- Kulova T.L., Skundin A.M. Problems of development of lithium-ion batteries in the world and Russia. Electrochemical energy industry, 2023, vol. 3, pp. 111–120. (In Russ.) doi: 10.18500/1608-4039-2023-23-3-111-120.
- Larsson F., Andersson P., Mellander B. Lithium-ion battery aspects on fires in electrified vehicles on the basis of experimental abuse tests. Batteries, 2016, vol. 2, pp. 1–13. doi: 10.3390/batteries2020009.
- Knoop J.E., Ahn S. Recent advances in nanomaterials for high-performance Li–S batteries. Energy Chemistry, 2020, vol. 47, pp. 86–106. doi: 10.1016/j.jechem.2019.11.018.
- Grey C.P., Hall D.S. Prospects for lithium-ion batteries and beyond - a 2030 vision. Nature communication, 2020, vol. 11, pp. 1–4. doi: 10.1038/s41467-020-19991-4.
- Canny D., Yusivar F. Maximum Power Point Tracking (MPPT) algorithm simulation based on fuzzy logic controller on solar cell with boost converter. International Conference on Smart Grid and Smart Cities. Kuala Lumpur, Malaysia, April 12–14, 2018. pp. 117–121.
- Senthilkumar S., Mohan V., Deepa R., Nuthal Srinivasan M., Kumar T.S., Thanikanti S.B., Prathap N. A Review on MPPT algorithms for solar PV Systems. Granthaalayah, 2023, vol. 11, pp. 25–64. doi: 10.29121/granthaalayah.v11.i3.2023.5086.
- Data Access Viewer. Available at: https://power.larc.nasa.gov/data-access-viewer/ (accessed 28 August 2023).
Supplementary files









