Алгоритм точного перемещения грузов на физической модели сортировочного транспортера
- Авторы: Сарбасова Н.Д.1, Умурзакова А.Д.2, Гирник А.С.3, Кладиев С.Н.3
-
Учреждения:
- Торайгыров университет
- Казахский агротехнический исследовательский университет им. С. Сейфуллина
- Национальный исследовательский Томский политехнический университет
- Выпуск: Том 335, № 4 (2024)
- Страницы: 139-147
- Раздел: Статьи
- URL: https://journals.rcsi.science/2500-1019/article/view/258914
- DOI: https://doi.org/10.18799/24131830/2024/4/4651
- ID: 258914
Цитировать
Полный текст
Аннотация
Актуальность исследования заключается в том, что необходимо экспериментально подтвердить работоспособность алгоритма перемещения выбранного сортимента леса с повышенной точностью к соответствующему бункеру-накопителю в технологическом процессе его сортировки на зимних складах лесоперерабатывающих предприятий. Цель. Исследования процесса перемещения штучного груза на физической модели продольного цепного или ленточного транспортера, обеспечивающего масштабированное снижение ошибки позиционирования. При сортировке круглого леса на цепных продольных транспортерах значительной протяженности возникает ошибка перемещения выбранного сортимента круглого леса к месту сброса в накопитель, которая увеличивается пропорционально длине сортировочной линии. В настоящее время используются транспортеры ограниченной протяженности. Накопители располагаются с двух сторон транспортера. Это уменьшает ошибку транспортировки. Иногда сортировочная площадка не позволяет разместить на ней короткий транспортер с двухсторонней выгрузкой, или требуется отсортировать значительное количество пород леса. В этом случае необходимо использовать транспортер большей длины. В статье предлагается новый способ, алгоритм и устройство управления для сортировки круглого леса на продольных цепных транспортерах значительной протяженности. Это уменьшает ошибку слежения перемещения сортимента вдоль транспортера. В качестве датчиков угловых перемещений ведущего и ведомого валов ленточного транспортера используются оптоэлектронные датчики их угловых перемещений.
Методы: физическое моделирование, информационно-статические методы обработки. Результаты и выводы. Проведен анализ структуры стенда физического подобия продольного транспортера; датчиков технологического процесса, а именно, угловой частоты вращения; программно-аппаратных средств обработки полученной информации для минимизации ошибки транспортирования штучного груза на ленте транспортера. Результаты исследования подтверждают возможность практического применения устройства для работы на продольных транспортерах.
Полный текст
Введение
В условиях современной рыночной экономики вопросы оценки и учета круглого леса имеют большое значение. Россия занимает одно из ведущих мест в мире по добыче и переработке деловой древесины. В последнее время объемы древесины, заготавливаемой для промышленных целей, растут, а методы объемного измерения круглого леса постоянно совершенствуются. Измерение и сортировка круглого леса являются важными видами деятельности в лесном хозяйстве, главным образом потому, что они предоставляют количественную и качественную информацию, необходимую лесному хозяйству на различных этапах цепочки поставок и переработки круглого леса [1, 2].
Полностью механизированные системы заготовки круглого леса, как правило, характеризуются высокими эксплуатационными характеристиками, широко распространены и используются во многих регионах России [3–5].
В настоящее время широко используется несколько вариантов автоматизированной сортировки древесины, при этом ручные методы по-прежнему широко применяются во многих странах [6, 7].
Поэтому проблема точного измерения объема бревен является очень важной задачей. В современных технологиях контроля объема древесины часто используются ручные средства, поэтому процесс ручного измерения довольно неточный и требует много времени [8].
Задача повышения точности учёта круглых лесоматериалов в автоматизированных системах сортировки по-прежнему стоит достаточно остро. К настоящему времени разработаны пакеты прикладных программ, основанные на машинном зрении, которые позволяют существенно сократить трудоёмкость операций по учету объемов круглых лесоматериалов в процессе транспортировки и хранения. Автоматизированные технологические процессы сортировки круглого леса обеспечивают контроль учета торговых операций с древесиной и учет данных измерений объемов древесины [9].
В работах [10, 11] рассмотрен способ и комплекс аппаратно-программных средств защиты полученной информации баз данных предприятия и ЕГАИС, обеспечивая полный и открытый учет имеющихся лесных ресурсов и возможность транспортировки древесины с применением технических средств.
Вопрос о повышении эффективности работы транспортера для транспортировки бревен, анализ достоинств и недостатков существующих конструкций транспортеров, в том числе запатентованных в РФ, представлены в работе [12], и предложена модернизация транспортера сортировки леса, позволяющая достичь повышения надежности устройства для сбрасывания бревен.
Таким образом, из вышеперечисленного следует, что в лесном хозяйстве РФ возникает необходимость создания новых подходов в управлении сортировкой круглого леса с целью увеличения эффективности работы лесопильного производства.
В работах [13–16] рассмотрены способы снижения ошибки перемещения круглого леса в процессе сортировки на продольных цепных транспортерах большой протяженности. А также приведены результаты математического и имитационного моделирования технологических процессов сортировки круглого леса.
Авторами предложен новый способ, алгоритм и устройство для управления процессом сортировки круглого леса [16]. В данной работе приводятся результаты экспериментальных исследований автоматизированной сортировки грузов на стенде физического подобия.
Объекты и методика исследования
Для проверки разработанных способов реализации и алгоритма формирования (информационного) канала для сортировки круглого леса были проведены экспериментальные исследования на стенде физической модели конвейера (ленточного транспортёра).
Физическая модель ленточного транспортёра представляет собой установку конвейера с транспортерной лентой, приводимой в движение ведущим и ведомым барабанами, которые в свою очередь вращаются от приводного двигателя. Стенд оснащен оптической системой для контроля габаритов транспортируемых грузов, двумя приёмными корзинами, которые предназначены для приёма сортируемых грузов, которые сбрасываются поворотной площадкой. Физическая модель ленточного транспортёра приведена на рис. 1.
Рис. 1. Физическая модель ленточного транспортера
Fig. 1. Physical model of the belt conveyor
Физическая модель включает в себя: 1 – транспортируемый груз; 2 – электродвигатель асинхронный; 3 – инфракрасный луч; 4 – ленту; 5 – источники света; 6 – оптические датчики; 7 – направляющую поворотную площадку для спуска грузов в корзины; 8 – датчики измерения веса грузов; 9 – приёмные корзины для сбора грузов; 10 – силовой шкаф с электрооборудованием.
Для определения положения (позиции) выбранной исходной метки (точки) в любой момент времени t по траектории движения транспортера устанавливаются оптоэлектронные датчики угловой частоты вращения на ведущем и ведомом валах транспортера (рис. 2).
Рис. 2. а) ленточный транспортер, блок управления, датчики и метки; б) оптоэлектронный датчик
Fig. 2. a) belt conveyor, control unit, sensors and tags; b) optoelectronic sensor
В соответствие с техническим описанием датчиков фирмы Moeller выбираем оптический датчик LSO-R18P-S300-LD (рис. 3) [17].
Модель LSO-R18P-S300-LD выдает одну метку на оборот для данного стенда, поэтому он может выполнять функцию конечного выключателя, который используется для определения предельных размеров штучного груза по высоте и ширине.
Рис. 3. Расшифровка обозначения оптоэлектронного датчика
Fig. 3. Decoding of the optoelectronic sensor designation
Принцип действия основан на измерении временного интервала между световыми импульсами, поступающими от источника света к фотоприёмнику. В качестве источника излучения взят светодиод, а в качестве фотоприёмника использовали фототранзистор. Зависимость частоты появления/пропадания светового сигнала от скорости вращения определяет светопрерывающий диск с отверстиями, через который пропускается световое излучение от светодиода. По временному интервалу между перепадами тока в цепи управления определяем скорость вращения диска.
Стенд позволяет проверить:
- работоспособность точного алгоритма формирования команды управления перемещением я штучного груза (выбранной метки) на необходимое расстояние за счет синхронизации движения информации о перемещении метки на ленте транспортера в устройстве управления сортировкой с перемещением самой ленты транспортера;
- определить возможность масштабирования движения информации о перемещении метки на ленте транспортера без привлечения дополнительных технических средств; при этом на точность управления перемещением выбранной метки не влияют случайные возмущения, деформация ленты транспортера, так как лента прикреплена к тяговому устройству жестко с минимальными зазорами и не испытывает дополнительные нагрузки.
При проведении эксперимента используется программируемый контроллер ПЛК EC4P-222-MRAD1 [18].
Программируемый логический контроллер – это микропроцессорное устройство для получения, преобразования, обработки, хранения информации и выдачи управляющих команд. Основная задача ПЛК – бесперебойное автономное управление объектом в режиме реального времени [19, 20].
ПЛК работает циклически. В начале рабочего цикла ПЛК производит сканирование своих физических входов, на которые поступают электрические сигналы от оптоэлектронных датчиков. Далее программный алгоритм, который заложен в ПЛК, вычисляет состояние физических выходов контроллера. В конце рабочего цикла ПЛК устанавливает вычисленное состояние для каждого выхода.
К входам контроллера могут подключаться различные источники сигналов, например, такие как: кнопки управления, датчики различных параметров (температура, давление, скорость, уровень и т. д.). А к выходам контроллера могут подключаться (часто через промежуточные реле) различные исполнительные механизмы, например, такие как: силовые контакторы, электродвигатели, сигнальные лампы, электромагнитные клапана и т. д.
При проведении эксперимента используется программируемый контроллер EC4P-222-MRAD1 [18], имеющий входы-выходы:
- 12 цифровых входов, 4 аналоговых входа;
- 6 релейных выходов, 1 аналоговый выход;
- питающее напряжение 24 В постоянного тока.
Рис. 4. Вычислительная система стенда в составе ПЛК и персонального компьютера
Fig. 4. Computing system of the stand consisting of a Programmable logic controller PLC and a personal computer
На рис. 4 показана вычислительная система стенда в составе ПЛК и персонального компьютера. Контроллер способен работать на всех языках программирования стандарта МЭК (LD, IL, ST, SFC, FBD, CFC). Для программирования используется среда CODESYS. У данного контроллера на борту имеются дискретные и аналоговые входы 0–10 В, релейно-контактные выходы, интерфейс подключения по сети Ethernet и CAN open. Кроме того, у контроллера есть дисплей отображения его состояния и кнопки управления, что делает данный ПЛК весьма удобным в эксплуатации [18].
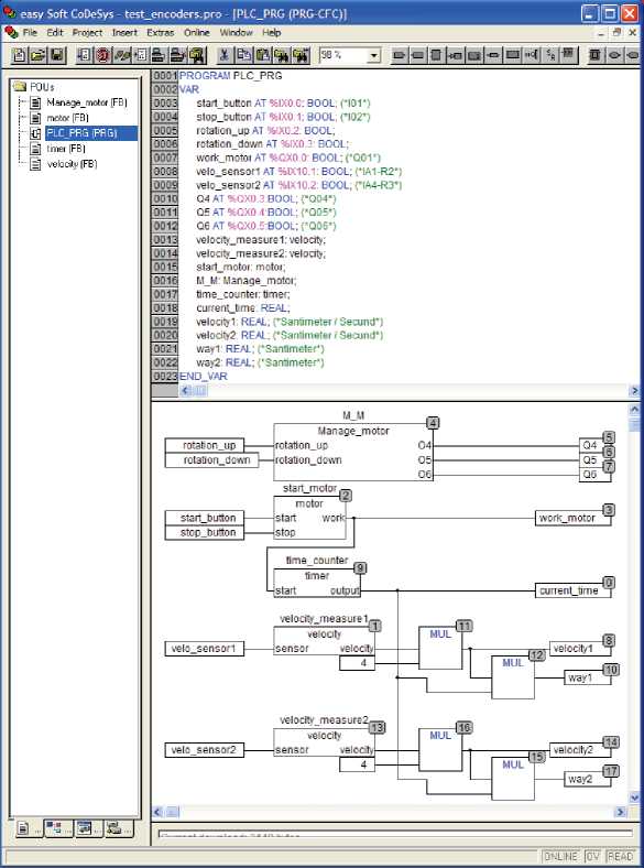
Аппаратная часть вычислительной системы стенда состоит из ПЛК EC4P-222-MRAD и персонального компьютера. Программная часть содержит программу CFC на языке верхнего уровня, состоящую из наборов функциональных блоков (рис. 5).
Рис. 5. Окно главной программы PLC–PRG в среде разработки CODESYS на языке программирования CFC
Fig. 5. PLC–PRG main programme window in CODESYS development environment in CFC programming language
Manage_motor – функциональный блок для задания частоты вращения приводного двигателя транспортера. В нашем случае линейная скорость ленты транспортера выставлена на максимальное для экспериментального стенда значение – 0,87 м/с. Функциональный блок motor отвечает за пуск и останов двигателя. Функциональный блок timer задает время работы запущенного двигателя.
Это время необходимо для определения перемещения путем перемножения времени на вычисленную скорость. Блок velocity используется для измерения линейной скорости, как от датчика ведущего вала, так и от датчика ведомого вала транспортера. Сигнал от датчика скорости в блоке velocity умножается на 0,04 м перед перемножением на время для пересчета радиуса ведущего или ведомого вала на радиус ведущего или ведомого барабана ленты транспортера.
Математическая модель, описывающая закон движения ленты транспортера, представлена формулой (1)
, (1)
когда S1(t)=S2(t) или S1(t)¹S2(t), где S1(t) – закон движения ленты транспортера относительно ведущего вала; S2(t) – закон движения ленты транспортера относительно ведомого вала.
Выражение для задания перемещения отметки на ленте транспортера:
где wдат1 – вычисленная частота вращения ведущего вала; wдат2 – вычисленная частота вращения ведомого вала; Rвал – радиус вала ведущего и ведомого барабана; kб=0,04 м – масштабирующий коэффициент между радиусами барабана и вала.
Допущения:
- Точность поддержания угловой частоты вращения ведущего вала ленточного транспортера должна соответствовать точности на уровне замкнутой системы автоматического скалярного управления асинхронным частотно-регулируемым электроприводом.
- Резинотканевая лента транспортера имеет локальные растяжения или сжатия в соответствии с законом Гука.
- Не предпринимается никаких мер по улучшению точностных характеристик механической части транспортера. Элементы механической системы транспортера имеют допустимые люфты.
- Максимальная линейная скорость перемещения ленты в эксперименте ограничена величиной 0,87 м/с.
- Используются оптические датчики с низкой разрешающей способностью, так как они выдают всего одну метку на оборот вала.
- Не предпринимается никаких мер по улучшению точностных характеристик механической части сбрасывателей
Результаты экспериментальных исследований
Экспериментальная проверка точности доставки сортируемых грузов к месту их сброса в бункеры-накопители для каждого опыта выводились в информационном окне на экране персонального компьютера (рис. 6).
После обработки результаты экспериментальных исследований приведены в таблице.
Рис. 6. Окно с результатами эксперимента
Fig. 6. Window with the results of the experiment
Таблица. Результаты эксперимента
Table. Experiment results
№/No. | Ошибка перемещения, вычисленная через частоту вращения ведущего вала Travelling error calculated via the speed of the drive shaft | Ошибка перемещения, вычисленная через частоту вращения ведомого вала Travelling error calculated via the speed of the driven shaft |
Датчик угловой частоты вращения ведущего вала Angular speed sensor of the drive shaft | Dw1=226,64–226,15=|+0,49| м | – |
Датчик угловой частоты вращения ведомого вала Angular speed sensor of the driven shaft | – | Dw2=224,40–224,69=|–0,29| м |
Обсуждение результатов
- Ошибка перемещения, вычисленная через частоту вращения ведущего вала, составила +0,49 м, что превышает предельную допустимую величину на 100% 66,7%
- Ошибка перемещения, вычисленная через частоту вращения ведомого вала, составила –0,29 м и не превысила предельную допустимую величину в 0,3 м.
- Показано, что знак вычисленной ошибки через частоту вращения ведущего вала имеет положительное значение – метка на ленте переехала на 0,49 м расчетную метку на раме транспортера.
- Ошибка, которая вычислена через частоту вращения ведомого вала, имеет отрицтельное значение, – метка на ленте не доехала 0,29 м до расчетной метки на раме.
- Серия опытов на разную величину перемещения с шагом 50 м показала, что шибка перемещения штучного груза на ленте транспортера относительно перемещения, вычисленного косвенным способом, изменяется пропорционально его длине.
- Усредненная ошибка перемещения должна определяться для одного и того же заданного перемещения S0, однако эта ошибка при усреднении дает результат
м,
что меньше предельно допустимой ошибки перемещения 0,3 м примерно в три раза.
Заключение
Ошибка перемещения сортимента на ленте транспортера относительно вычисленных перемещений увеличивается пропорционально пройденному расстоянию. Разработана управляющая программа для ЭВМ с минимизацией относительной ошибки доставки сортимента до места сброса в накопитель, реализующая методику формирования управляющего канала сортировочного транспортера для перемещения круглого леса в синхронно-следящем режиме. Вычисленные оценки ошибок перемещения сортируемых грузов как показателей функционирования управляющего канала синхронно-следящего электропривода находятся в допустимых пределах, что позволяет повысить точность доставки сортимента по транспортеру в точку сброса [19–21]. Программа обеспечивает выполнение следующих функций: формирование управляющего канала сортировочного устройства с целью уменьшения ошибки доставки круглого леса на транспортере до выбранного бункера-накопителя; оценку ошибок показателей функционирования канала управляющего сортировкой круглого леса. Результаты имитационного моделирования [14, 15] подтверждены экспериментально на физической модели транспортера. Анализ результатов, полученных экспериментальным путем, показывает адекватность математического описания модели синхронно-следящего электропривода с блоком усреднения задающего воздействия от сигналов датчиков угловой частоты вращения от ведущего и ведомого туеров цепного лесотранспортера.
Об авторах
Нурбану Даукеновна Сарбасова
Торайгыров университет
Email: nurbanu_66@mail.ru
ORCID iD: 0000-0001-7280-7434
старший преподаватель факультета Computer Science
Казахстан, 140008, г. Павлодар, ул. Ломова, 64Анара Даукеновна Умурзакова
Казахский агротехнический исследовательский университет им. С. Сейфуллина
Автор, ответственный за переписку.
Email: granat_72@mail.ru
ORCID iD: 0000-0001-7683-5256
кандидат технических наук, доктор PhD, старший преподаватель кафедры эксплуатации электрооборудования
Казахстан, 010011, г. Астана, пр. Женис, 62Андрей Сергеевич Гирник
Национальный исследовательский Томский политехнический университет
Email: andreyelectro@tpu.ru
ORCID iD: 0000-0002-5465-331X
кандидат технических наук, доцент отделения электроэнергетики и электротехники Инженерной школы энергетики
Россия, 634050, г. Томск, пр. Ленина, 30Сергей Николаевич Кладиев
Национальный исследовательский Томский политехнический университет
Email: kladiev@tpu.ru
ORCID iD: 0000-0001-9432-0176
кандидат технических наук, доцент отделения электроэнергетики и электротехники Инженерной школы энергетики
Россия, 634050, г. Томск, пр. Ленина, 30Список литературы
- Стариков А.В., Батурин К.В. Исследование и анализ методов учета заготовленной древесины в России и зарубежных странах // Лесотехнический журнал. – 2015. – Т. 5. – № 4 (20). – С. 103–114. doi: 10.12737/17408.
- Солдатов А.В., Герц Э.Ф., Теринов Н.Н. Исследование фотометрического метода измерений объема круглых лесоматериалов // Леса России и хозяйство в них. – 2018. – № 4 (67). – С. 73–77. EDN: FGEEHE.
- Apafaian A.I., Proto A.R., Borz S.A. Performance of a mid-size harvester-forwarder system in integrated harvesting of sawmill, pulpwood and firewood // Annals of Forest Research – 2017. – Vol. 60 (2) – P. 227–241. doi: 10.15287/afr.2017.909.
- Simulation tools for decision support to adaptive forest management in Europe / B. Muys, V. Kint, J. Hynynen et al. // Forest Systems. – 2010. – Vol. 19. – № SPL.ISS. – P. 86–99. EDN: PNAGDR.
- Predicting future patterns, processes, and their interactions: benchmark calibration and validation procedures for forest landscape models / T.J. Furniss, P.F. Hessburg, N.A. Povak et al. // Ecological Modelling. – 2022. – Vol. 473. – P. 110099. doi: 10.1016/j.ecolmodel.2022.110099.
- Borz S.A., Proto A.R. Application and accuracy of smart technologies for measurements of roundwood: evaluation of time consumption and efficiency // Computers and Electronics in Agriculture. – 2022. – Vol. 197. – P. 106990. doi: 10.1016/j.compag.2022.106990.
- Inoue M., Oishi Ya. Trends and challenges in “forest products processing” in forestry and forest education at Japanese Vocational High Schools // Journal of the Japanese Forest Society. – 2022. – Vol. 104. – № 1. – P. 18–30. doi: 10.4005/jjfs.104.18.
- Knyaz V.A., Maksimov A.A. Photogrammetric technique for timber stack volume control // International Archives of the Photogrammetry, Remote Sensing and Spatial Information Sciences. – 2014. – Vol. 40. – P. 157–162. doi: 10.5194/isprsarchives-XL-3-157-2014.
- Куницкая О.А., Помигуев А.В. Переработка древесины на мобильных линиях лесных терминалов // Вестник АГАТУ. – 2021. – № 3 (3). – С. 82–99. EDN: ZLUOBO.
- Methods of wood volume determining and its implications for forest transport / T. Moskalik, Ł. Tymendorf, Ja. Van Der Saar, G. Trzciński // Sensors. – 2022. – Vol. 22. – № 16. – P. 6028. doi: 10.3390/s22166028.
- Pásztory Z., Heinzmann B., Barbu M.C. Comparison of different stack measuring methods // Сибирский лесной журнал. – 2019. – № 3. – P. 5–13. doi: 10.15372/SJFS20190301.
- Berendt F., Cremer T., Wolfgramm F. Reliability of photo-optical measurements of log stack gross volume // Silva Fennica. – 2021. – Vol. 55. – № 3. doi: 10.14214/sf.10555.
- Разработка алгоритма формирования работы управления по сортировке круглого леса / А.Д. Умурзакова, Н.Д. Сарбасова, С.К. Жумажанов, О.С. Ли // Вестник КазАТК. – 2023. – № 4 (127). – С. 218–226. doi: 10.52167/1609-1817-2023-127-4-218-226.
- Сарбасова Н.Д., Умурзакова А.Д., Кладиев С.Н. Применение тахогенератора и регулируемого электропривода для замены механического управляющего канала для синхронно-следящих сортировочных устройств круглого леса // Электротехнические и информационные комплексы и системы. – 2022. – Т. 18. – № 1. – С. 154–167. doi: 10.17122/1999-5458-2022-18-1-154-167.
- Имитационное моделирование следящего электропривода сортировочного конвейера / С.Н. Кладиев, А.Д. Умурзакова, Н.Д. Сарбасова, К.В. Хацевский // Омский научный вестник. – 2022. – № 2 (182). – С. 72–76. doi: 10.25206/1813-8225-2022-182-72-76.
- Устройство для управления сортировкой круглого леса: пат. на изобретение № 2795741, Российская Федерация, C1, заявл. 30.01.2023; опубл. 11.05.2023, Бюл. № 14 – 13 с.
- Retroflective sensing sensor, ST-281987-LSO-R18P-S300-LD. URL: https://shop.shortec.com/eaton-moeller/281987-lso-r18p-s300-ld/ (accessed 21 June 2023).
- Eaton Industries GmbH. URL: http://www.eaton.eu (дата обращения: 23.06.2023).
- Электрик Инфо. Журнал. URL: https://electrik.info (дата обращения: 24.06.2023).
- Control Engineering Russia. URL: https://controleng.ru (дата обращения: 25.06.2023).
- Управление сортировкой круглого леса с целью уменьшения ошибки доставки сортимента до накопителя: / С.Н. Кладиев, А.Д. Умурзакова, Н.Д. Сарбасова, Н.А. Воронина. Государственная регистрация программы для ЭВМ № 2023663757, Российская Федерация; заявл. 28.06.2023; опубл. 28.06.2023, Бюл. № 7. – 1 с.
Дополнительные файлы








