Formation of the radiation pattern of a broadband emitter acoustic sounding systems
- Authors: Bulkin V.V.1, Vasilyev G.S.2, Kurilova-Kharchuk S.М.1, Kurilov I.А.3
-
Affiliations:
- Vladimir State University
- Belgorod State National Research University
- JSC NPP «Zvukotekhnika»
- Issue: Vol 13, No 3 (2024)
- Pages: 118-127
- Section: DEVICES AND METHODS OF REMOTE SENSING
- URL: https://journals.rcsi.science/2225-4293/article/view/293845
- DOI: https://doi.org/10.25210/jfop‑2403JXXZWC
- EDN: https://elibrary.ru/JXXZWC
- ID: 293845
Cite item
Full Text
Abstract
A system for frequency correction of the radiation pattern characteristics of an acoustic antenna array is proposed. The system allows you to improve the parameters of the antenna by using frequency division of the spectrum of the emitted signal, followed by spatial division of the signals across array elements. The characteristics are analyzed and the results of system modeling are presented.
Full Text
Введение
Системы акустического зондирования атмосферы находят широкое применение при исследовании метеорологической ситуации и состояния атмосферного пограничного слоя, поскольку акустические системы обладают высокой чувствительностью к изменениям параметров состояния воздушной среды [1]. Характеристики термической стратификации, получаемые в процессе акустического зондирования, так же позволяют проводить оценку и прогнозирование условий загрязнения атмосферы [2, 3], в процессе возрастания техногенной нагрузки.
Системы акустического зондирования позволяют изучать распределение ветра, дисперсию атмосферы, проводить оперативный мониторинг ветра, прогнозирование бурь, осуществлять анализ распространения звука, контроль вихревых потоков самолетов и др.
Важным положительным фактором акустического зондирования является и возможность дистанционного получения высотной информации в режиме реального времени.
Развитие и совершенствование метода акустического зондирования предполагает как совершенствование теоретических моделей, описывающих взаимодействие акустических колебаний, так и совершенствование технических составляющих систем. Эффективным методом формирования акустического сигнала является применение акустических излучающих систем на базе антенных решеток.
К преимуществам антенных решеток следует отнести их сравнительную компактность и возможность создавать высокое давление за счет сложения акустических сигналов отдельных излучателей, составляющих антенную решетку (АР). Кроме того, АР позволяет осуществлять электронное пространственное управление диаграммой направленности (ДН) антенны.
Недостатком АР является зависимость ДН решетки от частоты [4]. С увеличением частоты на характеристике направленности появляются лепестки бокового излучения, уровень и количество которых возрастает пропорционально росту частоты. При этом возрастает мощность излучаемого сигнала в боковых направлениях и соответственно возрастает уровень принятых информационных сигналов с данных направлений. Это вносит дополнительные искажения в принятый сигнал и негативно влияет на результаты проводимых исследований.
Кроме того, давление, создаваемое излучающей поверхностью в процессе ее пространственного перемещения, пропорционально площади поверхности и частоте излучаемого сигнала. Поэтому при обеспечении заданного давления АР в области нижних частот рабочего диапазона с увеличением частоты при больших мощностях наблюдается появление нелинейного эффекта воздушной среды, что приводит к дополнительному искажению зондирующего сигнала и результатов исследований.
В работе рассматривается метод коррекции характеристик направленности формирователя акустического сигнала, основанный на изменении линейных размеров задействованной части АР в зависимости от частот, составляющих спектр зондирующего сигнала.
1. Система частотной коррекции характеристик акустической антенны
Рассмотрим АР, состоящую из рупорных акустических излучателей. Конструкция каждого акустического излучателя (АИ) решетки аналогична конструкции излучателей звуковещательной станции (рис. 1) [5]. Устья рупорных АИ, как и на рис. 1, соединены между собой и образуют непрерывную излучающую поверхность. Устье имеет форму квадрата со стороной м. Общее количество АИ в решетке будет определяться требованиями к рабочему диапазону частот и к характеристикам направленности АР.
Рис. 1. Звуковещательная станция с громкоговорителем П05–04.
В начале рассмотрим линейную антенну, состоящую из одного ряда рупорных АИ. Конструктивно устья рупоров соединены между собой и образуют излучающую линейку. При максимальном количестве составляющих антенну излучателей 7 эскизно она имеет вид, изображенный на рис. 2.
Рис. 2. Линейная антенна из одного ряда рупоров.
Для коррекции пространственно-частотной характеристики антенны, диапазон рабочих частот системы акустического зондирования распределяется на поддиапазоны, а совокупность АИ распределяется на блоки. Выбор корректных оптимальных вариантов распределения на поддиапазоны и блоки определяется, исходя из численных значений границ рабочего диапазона частот, требований к характеристикам ДН (ширина главного лепестка, количество и уровень боковых лепестков), из количества АИ для обеспечения необходимого звукового давления и собственных характеристик АИ.
Особенностью распределения на блоки является то, что каждый последующий блок, начиная со второго, включает в себя все АИ предыдущего блока и ещё дополнительные АИ.
Один из вариантов распределения семи излучателей на четыре блока приведен на рис. 3. Здесь обозначено: Б1…Б4 — блоки с соответствующими им номерами; Ф1…Ф4 — полосовые фильтры с соответствующими им номерами. Фильтры обеспечивают работу каждого блока излучателей в его поддиапазоне частот.
Рис. 3. Распределение излучателей по блокам.
На рис. 4 изображена электрическая структурная схема системы частотной коррекции (СЧК), диаграммы направленности акустической АР, реализующая данный вариант распределения.
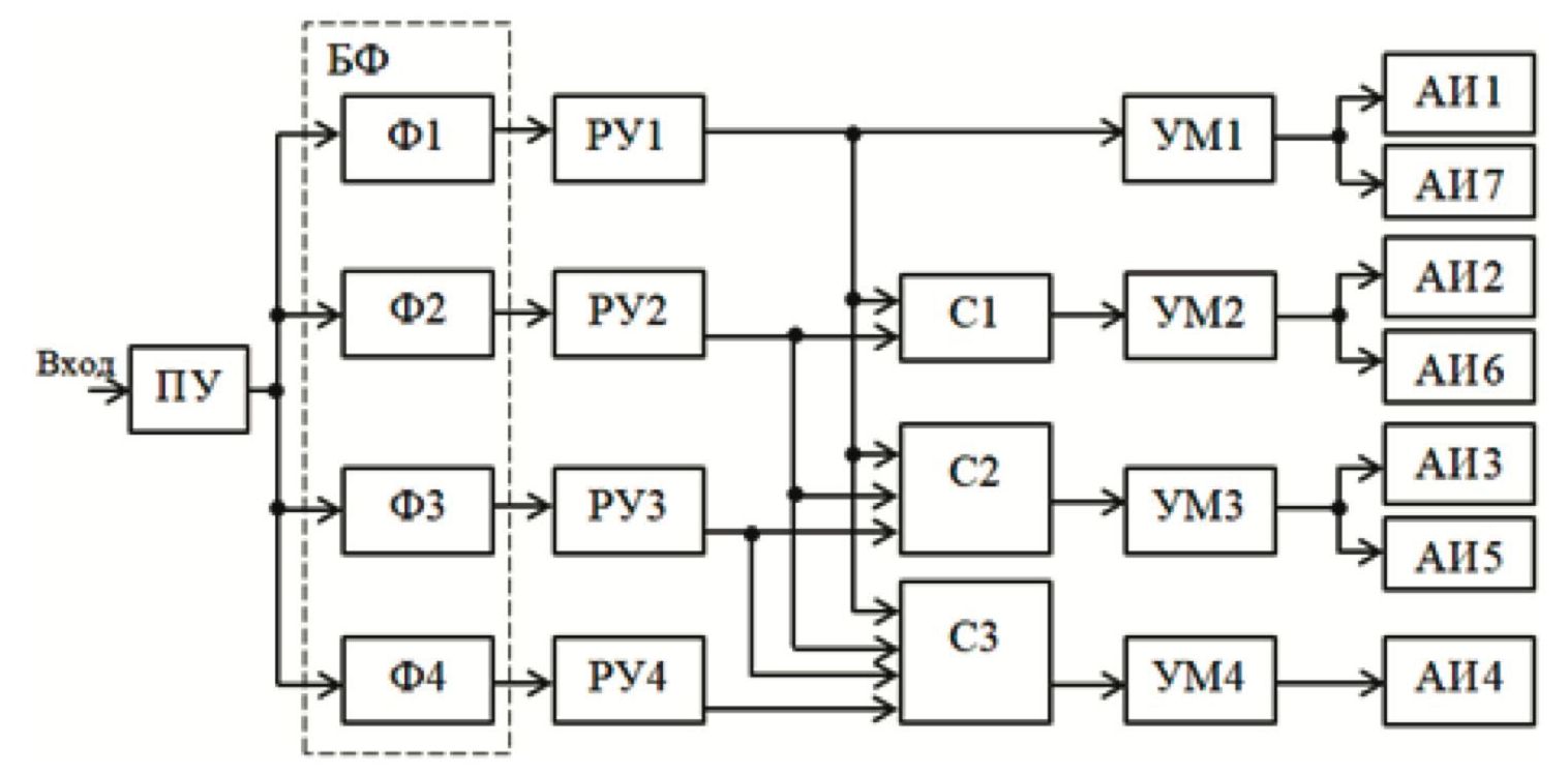
Рис. 4. Структурная схема системы частотной коррекции.
На схеме обозначено: ПУ — предварительный усилитель, БФ — блок фильтров, РУ1…РУ4 — регулирующие устройства, С1…С3 — линейные сумматоры, УМ1…УМ4 –усилители мощности.
Система работает следующим образом. Входной сигнал поступает на вход ПУ и далее на БФ. В рассматриваемом варианте излучатели АР распределены на четыре блока, поэтому БФ содержит четыре полосовых фильтра (Ф1…Ф4). После каждого фильтра выделенный участок спектра входного сигнала поступает на соответствующий РУ.
Применение регуляторов уровня позволяет формировать требуемую амплитудно-частотную характеристику (АЧХ) системы и корректировать характеристики изменения звукового давления АИ от частоты, изменения частотной характеристики от количества излучателей в блоках, корректировать АЧХ системы для компенсации неравномерности собственных частотных характеристик АИ и др.
Далее все сигналы, кроме выходного сигнала РУ1, поступают на сумматоры при помощи которых они направляются в группы АИ. В рассматриваемом варианте четыре блока формируются при помощи последовательного «суммирования» четырех групп излучателей: АИ1 и АИ7; АИ2 и АИ6; АИ3 и АИ5; АИ4. Так фильтр Ф4 подсоединяется к блоку Б1, который включает в себя только АИ4. Фильтр Ф3 подключается к блоку Б2, который включает в себя Б1(АИ4) и группу АИ3, АИ5 и т. д. в соответствии с рис. 1. Усилители УМ1… УМ4 обеспечивают требуемый уровень мощности сигналов для каждой группы излучателей.
Увеличение количества АИ в антенне позволяет увеличить мощность и расширить частотный диапазон зондирующего сигнала. При этом возрастают значения отклонений пространственных характеристик ДН в диапазоне рабочих частот. В тоже время увеличение числа АИ позволяет осуществить более детальное распределение рабочего диапазона частот на поддиапазоны и повысить стабильность характеристик ДН.
2. Распределение рабочего диапазона частот сигнала на поддиапазоны
На рис. 5 представлен один из вариантов распределения диапазона рабочих частот сигнала для линейной АР с количеством излучателей . В данном варианте рабочий диапазон сигнала распределен на восемь поддиапазонов (Ф1…Ф8) и соответственно сформированы восемь блоков АИ (Б1…Б8). Цифры в прямоугольниках обозначают текущий номер АИ.
Рис. 5. Распределение диапазона рабочих частот для линейной АР с N=15.
Рассмотрим характеристики СЧК ДН и процесс распределения диапазона рабочих частот на поддиапазоны. Для линейных АР с равномерным амплитудным и фазовым распределением множитель решетки определяется выражением [6]
, (1)
где R — число излучателей, k — волновое число, d — расстояние между элементами решетки, — угол между плоскостью решетки и точкой наблюдения, — фазовый сдвиг, вносимый излучателем с номером r. Полагаем .
Согласно [7], рупор излучает волны почти плоские в его устье. Устья рупоров примыкают друг к другу так, что образуется непрерывная излучающая поверхность. Поэтому антенную систему можно рассматривать как непрерывную, состоящую из большого числа излучателей с расстоянием между ними . При этом длина АР L = Nd. Обозначим — угол между осью визирования и точкой наблюдения, — длина волны звукового сигнала, v — скорость звука и f — частота сигнала. Ось визирования — пространственная ось, расположенная перпендикулярно поверхности, образуемой устьями рупоров и исходящая из геометрического центра данной поверхности. Подставим и . При преобразовании учтем приближение sin(x) = x для малых значений аргумента. В этом случае выражение для множителя акустической АР имеет вид
. (2)
Обозначим n — количество АИ в блоке, N — максимальное число АИ в АР, длина блока решетки . Подставим параметр L в (2)
. (3)
Частотные характеристики конкретных типов драйверов рупорных АИ определяются их принципом построения и особенностями конструкции. Характеристики драйверов могут быть учтены введением дополнительного сомножителя в (3). В дальнейшем будем полагать, что частотные характеристики драйверов излучателей АР идентичны и линейны во всем диапазоне рабочих частот. Трехмерный график ДН для различных значений частоты сигнала и угла наблюдения построенный по (3) для n = 4, представлен на рис. 6. Секущая плоскость имеет уровень 0.5. Частота сигнала изменяется от 1 кГц до 10 кГц.
Рис. 6. Трехмерный график ДН.
На рис. 7 изображены двухмерные графики ДН для трех значений частоты: 1 кГц (синий цвет), 4.5 кГц (зеленый цвет) и 10 кГц (красный цвет). Секущая линия (оранжевый пунктир), как и секущая плоскость, имеет уровень 0.5. На рисунках отражено изменение формы ДН. При f = 1 кГц наблюдается форма круга, смещенного ниже центра плоскости устьев АИ. С увеличением частоты (f = 4.5 кГц) круг касается центра плоскости. При дальнейшем увеличении частоты до f = 10 кГц ширина главного лепестка уменьшается и на ДН появляются боковые лепестки.
Рис. 7. Двухмерные графики ДН.
Приведем распределение диапазона рабочих частот системы зондирования между блоками АИ. Для примера рассмотрим изображенный на рис. 5, вариант распределения АИ на блоки. В качестве критерия распределения может быть принято значение 0.5 ширины главного лепестка ДН , где h — уровень определения , .
Обозначим частоту для блока с n излучателями, при которой значение соответствует заданному. Подставив , , и в (3), имеем
. (4)
Уравнение (4) является трансцендентным, его решение в аналитическом виде отсутствует. Однако применение аппарата непрерывных кусочно-линейных функций (НКЛФ) [8–10] позволяет находить решение таких уравнений в виде аналитического выражения с заданной точностью.
В то же время значение однозначно связано со значением — шириной главного лепестка ДН блока с n излучателями, на уровне h = 0. Поэтому достаточно задать , определить соответствующее значение и дальнейший процесс распределения частот проводить для .
Определим связь и . Для это определим , обозначив
. (5)
Из соотношения (4) имеем
. (6)
Данное уравнение также является трансцендентным. Аппроксимируем функцию на основе НКЛФ в следующем виде [9]
, (7)
где M — максимальный номер точки аппроксимации, m — текущий номер точки аппроксимации;
,
и — значения функции y в точках m и m + 1, и значения частоты в точках аппроксимации m и m + 1, ,
.
— непрерывная кусочнолинейная функция включения (вариант НКЛФ), принимающая значения при и при , K — крутизна наклона боковых сторон функции, и — коэффициенты суммирования.
Верны следующие условия , , .
Соответственно для нахождения достаточно задать диапазон изменения . При этом шаг аппроксимации, определяющий максимальную погрешность вычисления , составляет .
Подставив (7) в выражение (6), имеем
. (8)
После преобразования имеем результирующее выражение
. (9)
Нахождение в виде аналитического выражения позволяет сформировать простой вычислительный алгоритм анализа (синтеза) и расчета СЧК ДН.
В качестве примера зададим h = 0.5 м и рад (). Для блоков излучателей АР, изображенной на рис. 3 (N = 7), из выражения (9) получим следующие значения частот, при которых ширина главного лепестка ДН каждого блока, состоящего из n АИ, равна 0.44 рад: кГц, Гц, Гц и Гц.
Приведем распределение частот для блоков АИ.
На рис. 8 дан построенный с использованием соотношения (9) график распределения частот АР, соответствующей рис. 5. При построении графика для формирования дискретного изменения количества АИ в решетке использовалась НКЛФ вида
,
где m — вспомогательный параметр, M = N.
Рис. 8. Распределение частот АР при одном АИ в Б1.
Если требуется более узкий диапазон рабочих частот, в качестве первого блока АИ могут использоваться два и более излучателей. На рис. 9 показано распределение частот (при тех же параметрах ДН), когда в первый блок входят два АИ. При этом для исключения вертикального сдвига визирующей оси на для блока с максимальным номером необходимо четное количество излучателей в АР.
Рис. 9. Распределение частот АР при двух АИ в Б1.
Как указывалось ранее процесс определения границ поддиапазонов удобно проводить по , соответствующего заданному значению .
Выражение для определим из (4), полагая h = 0 и
. (10)
Относительно имеем решение
. (11)
При отклонении частоты f от изменяется . В каждом блоке с n излучателями происходит отклонение от значения
.
Величина отклонения задается следующим соотношением
. (12)
Для двух соседних блоков отклонения носят противоположный характер и являются нелинейными функциями частоты.
На рис. 10 показаны зависимости для рад и рад и для двух соседних блоков n = 7 (синий график) и n = 5 (красный график). Пунктирной линией обозначено значение .
Рис. 10. График зависимостей ширины ДН для двух блоков.
Разность отклонений в соседних блоках с учетом (11) и (12) может быть определена как
. (13)
График зависимости (13) представлен на рис. 11.
Рис. 11. График разности отклонений ширины главного лепестка ДН в соседних блоках ДН.
Распределение диапазона рабочих частот системы зондирования осуществляется путем определения частотных границ соседних блоков АИ. Серединными (опорными) частотами каждого поддиапазона являются частоты . На этих частотах значения и , точно соответствуют заданным.
В качестве критериев распределения могут использоваться: среднеарифметическое значение частоты между соседними поддиапазонами; значение, задаваемое соотношением , где — граничная частота поддиапазонов n и n + 2; значение, задаваемое соотношением , где и — амплитудные характеристики ДН для блоков с n и n + 2 АИ
В первом варианте распределения будет наблюдаться максимальная неравномерность отклонений ДН от из-за нелинейности частотной характеристики ДН. Во втором варианте необходимо учитывать дополнительную погрешность, вызванную неравенством амплитудных характеристик ДН соседних блоков АИ. Это может быть скомпенсировано соответствующим выбором частотных характеристик фильтров БФ.
Наиболее оптимальным представляется вычислять определение границ поддиапазонов по критерию равенства амплитудных характеристик ДН.
Выражения для частотных характеристик ДН двух соседних поддиапазонов для
с учетом (3) принимают вид
, (14)
. (15)
Разностная характеристика определяется как
. (16)
График приведен на рис. 12. Значение является решением уравнения, вычисляемое на основе использования НКЛФ,
.
Рис. 12. Разностная АЧХ двух ДН.
Для блоков АИ с n = 7 и n = 5 вычисленное значение Гц.
3. Характеристики системы частотной коррекции
После определения границ частотных поддиапазонов в соответствии с схемой (рис. 4), для каждого блока АИ вводятся соответствующие полосовые фильтры.
Для иллюстрации метода коррекции ДН примем, что фильтры построены по принципу компенсаторного дополнения сигналов, так что спад частотной характеристики фильтра предыдущего поддиапазона компенсируется подъемом характеристики последующего поддиапазона. Выражения АЧХ таких фильтров на границах поддиапазонов можно аппроксимировать следующими функциями
, (17)
. (18)
где и — коэффициенты характеристик фильтров.
Условием линейности частотной характеристики перехода с предыдущего поддиапазона на последующий является выполнение равенства .
Графики характеристик и для блоков АИ с n = 5 и с n = 7, даны на рис. 13 для значения частоты Гц. Красным цветом изображены кривые , синим — . Сплошными линиями изображены характеристики при , штриховыми линиями — при .
Рис. 13. АЧХ фильтров блоков Б3 и Б4.
При увеличении значений коэффициентов наблюдается уменьшение крутизны спада и подъема частотных характеристик (уменьшение коэффициентов прямоугольности фильтров).
После включения соответствующих фильтров в СЧК, выражение результирующей характеристики ДН на участках n и n+2 имеет вид
. (19)
Результирующие графики (19) для блоков АИ c n = 5 и n = 7 даны на рис. 14 — сплошные линии: красная — , синяя — , обе эти характеристики соответствуют отсутствию СЧК; коричневая сплошная линия — включена СЧК с фильтрами при . Пунктирная фиолетовая линия — СЧК включена, коэффициент фильтров 0.05.
Рис. 14. Отклонения ДН без СЧК и с СЧК.
Из кривых на графиках следует, что для блоков АИ с n = 5 и n = 7 при максимальные отклонения характеристик ДН на частотах и без системы коррекции достигают и .
При включении СЧК с коэффициентами фильтров максимальное отклонение суммарной характеристики обоих блоков АИ уменьшилось и не превышает . С увеличением коэффициентов фильтров до , максимальное отклонение характеристики уменьшилось до значения , что свидетельствует об эффективности метода.
Заключение
Предложена система частотной коррекции характеристик диаграммы направленности акустической антенной решетки. Система позволяет улучшать пространственные параметры антенны, путем применения частотного разделения спектра рабочих частот излучаемого сигнала с последующим пространственным разделением сигналов по элементам решетки.
Определены критерии формирования поддиапазонов сигналов. На основании НКЛФ получены решения уравнений и аналитические выражения, позволяющие проводить разработку и анализ параметров конкретных систем. Проводится анализ характеристик отдельных составляющих блоков системы и представлены результаты её численного моделирования.
Проведенные исследования и полученные характеристики подтверждают эффективность применения СЧК ДН. Представляется перспективным направление разработки и программно-аппаратной реализации предложенной системы частотной коррекции диаграммы направленности акустической антенной решетки на основе современных методов цифровой обработки сигналов [11].
Исследование выполнено за счет гранта Российского научного фонда № 23–29–10100.
About the authors
V. V. Bulkin
Vladimir State University
Author for correspondence.
Email: vvbulkin@mail.ru
Murom Institute
Russian Federation, MuromG. S. Vasilyev
Belgorod State National Research University
Email: vasilievgleb@yandex.ru
к. т. н., с. н. с., Инжиниринговой центр
Russian Federation, BelgorodS. М. Kurilova-Kharchuk
Vladimir State University
Email: ks_ksm@mail.ru
Murom Institute
Russian Federation, MuromI. А. Kurilov
JSC NPP «Zvukotekhnika»
Email: kia_s@list.ru
к. т. н., доцент, ведущий инженер
Russian Federation, MuromReferences
- Kallistratova, M.A., Kouznetsov, R.D. Low-level jets in the Moscow region in summer and winter observed with a sodar network // Boundary-layer Meteorology. 2012. Vol. 143. P. 159–175. doi: 10.1007/s10546-011-9639-8
- Красненко Н. П. Содары для зондирования атмосферного пограничного слоя // Научное приборостроение. 2018. Т. 28. № 4. С. 82–89.
- Signal, S.P. Acoustic remote sensing applications / New Delhi: Narosa Publishing House, Springer-Verlag Berlin Heidelberg, 1997. 585 р.
- Красненко Н. П. Методы и средства дистанционного акустического зондирования атмосферы // Методы и устройства передачи и обработки информации. 2009. № 11. С. 143–154.
- Звуковещательная станция ЗС-ВС / АО «Муромский радиозавод». URL: http://site.muromrz.com/?page_id=156.
- Красненко Н. П., Раков А. С., Сандуков Ц. Д. Излучающие акустические антенные решетки для атмосферных приложений. // Методы и устройства передачи и обработки информации. 2009. № 11. С. 164–172.
- Dinsdale, J. Horn Loudspeaker Design // Wireless World. 1974. Р. 19–24.
- Васильев Г. С., Курилов И. А., Харчук С. М., Суржик Д. И. Исследование устойчивости преобразователя сигналов на основе непрерывных кусочно-линейных функций / Радиотехнические и телекоммуникационные системы. 2012. № 1 (5). С. 4–7.
- Булкин В. В., Кузичкин О. Р., Васильев Г. С., Суржик Д. И., Курилова-Харчук С.М., Курилов И. А. Обобщенная схема преобразователя сигналов в акустолокационных системах на основе аппарата непрерывных кусочно-линейных функций // Всероссийские открытые Армандовские чтения [Электронный ресурс]: Современные проблемы дистанционного зондирования, радиолокации, распространения и дифракции волн / Материалы Всероссийской открытой научной конференции. Муром: МИ ВлГУ, 2023. С. 405–411.
- Кузичкин О. Р., Булкин В. В., Суржик Д. И., Васильев Г. С., Курилова-Харчук С.М., Курилов И. А. Анализ радиоустройств на основе обобщенного преобразования сигналов и непрерывных кусочно-линейных функций // Проблемы дистанционного зондирования, распространения и дифракции радиоволн: конспекты лекций. Муром, 2021. С. 22–46.
- Кравченко В. Ф., Чуриков Д. В. Цифровая обработка сигналов атомарными функциями и вейвлетами. М.: Техносфера, 2018.
Supplementary files


















