Diagnostic system for the expanded clay production line equipment during maintenance and repair operations
- 作者: Chunikhina E.A.1, Fadeev A.S.1
-
隶属关系:
- Samara State Technical University
- 期: 卷 32, 编号 4 (2024)
- 页面: 42-52
- 栏目: Information Technology and Communications
- URL: https://journals.rcsi.science/1991-8542/article/view/310300
- DOI: https://doi.org/10.14498/tech.2024.4.3
- EDN: https://elibrary.ru/CIMPLF
- ID: 310300
如何引用文章
全文:
详细
The article discusses a method for monitoring the condition of electric drive equipment, which will allow you to monitor its operating mode in real time. During operation, it is proposed to take into account the operational characteristics of the electric drive. As part of the work, the design of the conveyor belt was analyzed in terms of its reliability. Based on the known dependencies, mathematical models have been developed that describe the operating time to failure of the elements, which helps to increase the adequacy of the assessment of the service life of the equipment when evaluating the factors of its operation. To carry out the research, a block diagram of the automatic control system for diagnosis and restoration of the electric drive was synthesized. This approach demonstrates progressive and modern ways to ensure the reliability of technological equipment, which, in turn, optimizes the operation of the maintenance and repair system based on the actual condition of the equipment. The proposed diagnostic system plays an important role in reducing downtime and reducing operating costs when using electric drives in enterprises. With its help, enterprises will be able to plan maintenance more efficiently and provide electric drive resources in the most efficient way, which will lead to an increase in overall productivity and reduce the risks associated with sudden failures.
全文:
Современная автоматизация снижает степень участия человека в производственном процессе, ввиду чего снижается контроль за техническим состоянием оборудования [1]. В связи с этим остро встает вопрос контроля и мониторинга технологического оборудования, что вызвано требованиями к его безотказной работе. Исключения остановки оборудования по причине его отказа можно достичь, например, с помощью прогнозирования момента отказа технологических машин на основании непрерывного мониторинга режимов их работы и состояния с целью выбора наиболее благоприятного времени для выведения оборудования в ремонт [2].
Известно, что техническое обслуживание оборудования может осуществляться [3] по отказам, регламенту или фактическому состоянию. Проведение технического обслуживания и ремонта (ТОиР) оборудования по отказу не подразумевает какого-либо контроля технологического оборудования, но при этом отказы возникают непредсказуемо по времени и объему. Это влечет экономические затраты на ремонт и остановку производства с последующим смещением сроков выполнения заказов. При регламентном проведении ТОиР зачастую происходит замена еще исправных деталей и узлов оборудования, что приводит к увеличению эксплуатационных затрат. Для выполнения технической диагностики перед ТОиР необходимо провести диагностирование состояния оборудования, что влечет дополнительные затраты, но позволяет спланировать время проведения ТОиР и с большой долей вероятности спрогнозировать время на выполнение заказов предприятия.
Авторами статьи для контроля за состоянием оборудования электропривода предлагается интегрировать в технологический процесс автоматизацию мониторинга за его работой. Это позволит отслеживать в реальном времени режимы работы электропривода и, аккумулируя полученные данные, прогнозировать его работу.
В процессе работы необходимо учитывать эксплуатационные характеристики, такие как значения рабочих токов и токов утечки, напряжений, момента вращения, температуры корпуса и элементов электропривода. Их изменение позволит идентифицировать режим работы электропривода и определить среднее время работы до отказа [4].
Для определения показателей надежности электропривода с целью снижения затрат на эксплуатацию предлагается оснастить его устройством, которое условно назовем прибором идентификации неисправностей (ПИН). Данное устройство позволит непрерывно осуществлять измерение и запись технических параметров (питающее напряжение и потребляемый ток, мощность, коэффициент мощности, частота вращения вала двигателя, температуры двигателя и редуктора, уровень шума и вибрации механической части привода, вращающий момент и некоторые другие) электропривода. Кроме того, обеспечивается возможность введения в ПИН сведений о необходимых регламентных работах, например замене масла, протяжке болтовых соединений, смазке открытых передач и др.
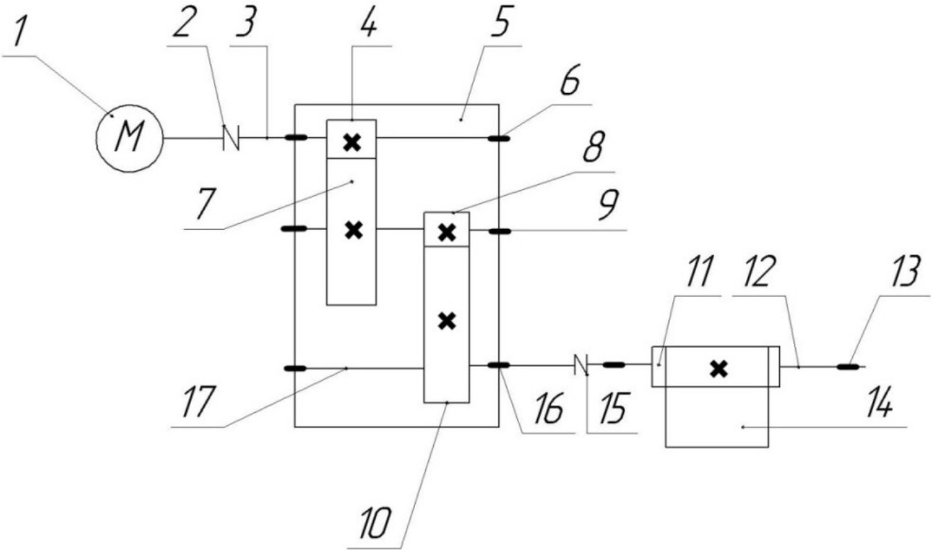
Для решения поставленных задач на первом этапе был рассмотрен ленточный конвейер (рис. 1), в котором с точки зрения надежности можно выделить несколько однотипных элементов, а именно подшипник, вал, муфту, зубчатую передачу и двигатель [5-9]. При проведении дальнейших исследований примем муфту и зубчатую передачу абсолютно надежными. Математическое описание процесса изменения показателей надежности подшипника и двигателя будем определять по методике, приведенной в [10], а вала – по методике из [11]. Особенностью модели является то, что все элементы (вал, подшипник, двигатель, обмотка) имеют одинаковые математические описания, независимо от места применения. Отличия состоят лишь в числовых характеристиках модели.
Рис. 1. Кинематическая схема конвейера: 1 – электродвигатель; 2 – муфта упругая; 3 – вал быстроходный; 4 – вал-шестерня быстроходной ступени; 5 – корпус редуктора; 6 – подшипниковый узел с глухой крышкой; 7 – зубчатое колесо быстроходной ступени; 8 – вал-шестерня тихоходной ступени; 9 – вал-шестерня промежуточный; 10 – зубчатое колесо тихоходной ступени; 11 – барабан приводной ленточного конвейера; 12 – вал приводного барабана; 13 – опора подшипниковая приводного барабана; 14 – лента питателя; 15 – муфта упругая; 16 – подшипниковый узел со сквозной крышкой с уплотнением; 17 – вал тихоходный
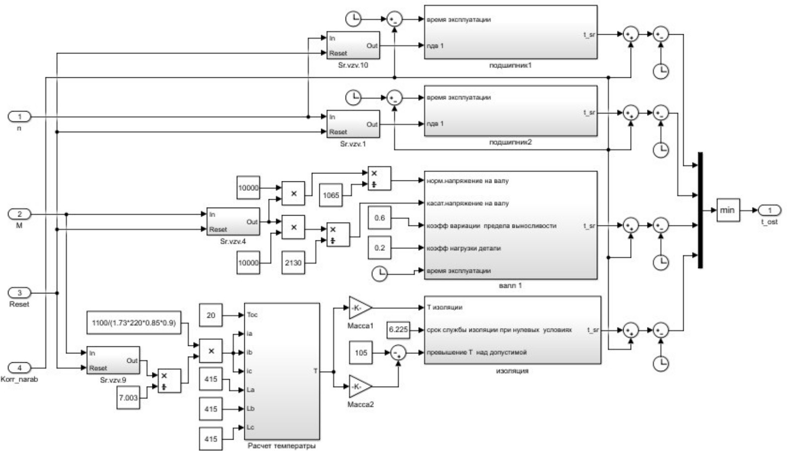
На основании зависимостей, представленных в [10] и [11], построим математические модели наработки до отказа асинхронного двигателя, приводного барабана и редуктора. Примем, что электродвигатель с точки зрения надежности состоит из вала, двух подшипников и обмотки. Поэтому для моделирования двигателя используем модель надежности вала, две модели надежности подшипника и одну модель надежности изоляции (рис. 2). Так как определение показателей надежности сопряжено с изменениями температуры, то необходимо добавить блок моделирования температуры обмоток «Расчет температуры» исходя из их параметров: индуктивности фаз обмотки , , ; потребляемых токов , , ; температуры окружающей среды и других [12].
Рис. 2. Вычислительная модель асинхронного двигателя
В структуре (см. рис. 2) присутствуют блоки Servise, введенные для восстановления надежности системы и моделирующие процесс ремонта или восстановления. Также в модели имеются блоки расчета механических параметров вращения вала. На основании полученных выходных данных остаточной наработки в блоке Min выбирается минимальное значение, которое считается конечным для данного узла.
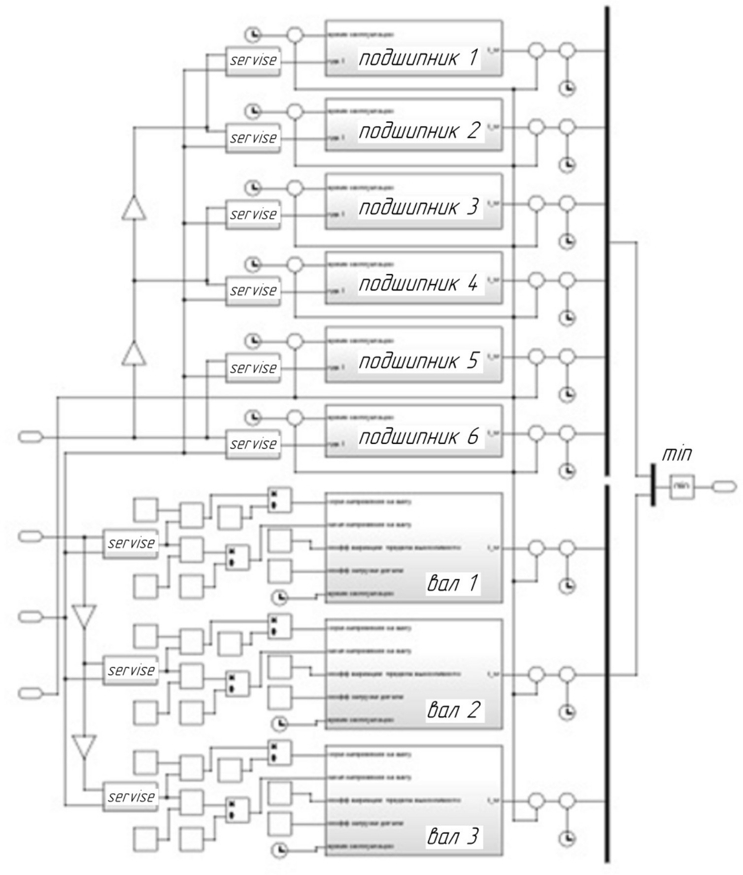
Редуктор с точки зрения надежности состоит из трех валов, шести подшипников и двух зубчатых передач. Тогда для моделирования надежности редуктора выбираются три модели надежности вала и шесть моделей надежности подшипника (рис. 3). Блоки, обеспечивающие работу подсистем определения надежности отдельных узлов и выходные блоки, аналогичны блокам, рассмотренным выше и учтенными при моделировании асинхронного двигателя (см. рис. 2).
Рис. 3. Вычислительная модель редуктора
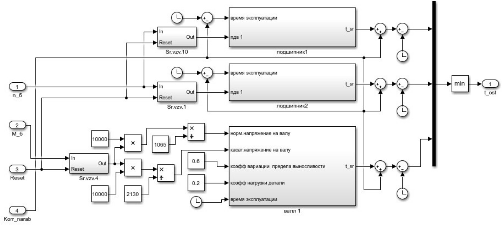
Барабан с точки зрения надежности состоит из одного вала и двух подшипников. Тогда для моделирования надежности редуктора применим одну модель надежности вала и две модели надежности подшипника (рис. 4). Блоки, обеспечивающие работу подсистем определения надежности отдельных узлов и выходные блоки, аналогичны рассмотренным при моделировании асинхронного двигателя (см. рис. 2).
Рис. 4. Вычислительная модель барабана конвейера
После моделирования наработки до отказа каждого из узлов производится выбор из выходных сигналов минимального – он и будет выходным сигналом остаточного времени наработки.
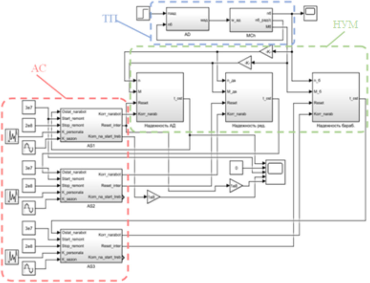
Для проведения следующего этапа исследований разработана структурная схема системы автоматического управления (САУ) диагностики надежности электроприводов (рис. 5). Здесь блок моделирует технологический процесс (ТП) в рассматриваемом случае, процесс работы электропривода конвейера [3], входные координаты которого контролируется датчиками Д1, а выходные – датчиками Д2. Кроме того, координата формируется из координаты , обеспечивая дискретное управление ей посредством сигнала . Параметры надежности устройств, участвующих в технологическом процессе, моделируются с помощью блока «Надежность узлов машин» (НУМ). В этом блоке реализованы все функции надежности узлов, объектов, устройств и машин технологического процесса. Выходной координатой НУМ являются параметры надежности узлов, учитываемыми в процессе работы возмущениями – сигналы и с датчиков Д1 и Д2. Входным воздействием на НУМ является – это операции технического осмотра, обслуживания и ремонта, которые позволят привести показатели надежности машин технологического процесса к заданным в технической документации значениям (пределам). Сигналы и формируются административной системой АС, в которую входят логические и вероятностные функции, обеспечивающие проведение своевременных процедур по восстановлению надежности устройств технологического процесса с учетом ряда производственных факторов . Работа АС основывается на сигнале отклонения , который является разностью заданных в технической документации значений и полученных с НУМ параметров надежности [13].
Рис. 5. Структура САУ диагностики надежности электроприводов
На основании структуры САУ (см. рис. 5) создана вычислительная модель автоматизированной системы управления показателями надежности электропривода конвейера (рис. 6). В состав конвейера входят асинхронный двигатель и механическая часть. В блок НУМ введены модели надежности асинхронного двигателя, редуктора и приводного барабана конвейера. В блоке АС предусмотрено по одному блоку административной системы на каждый механизм.
Рис. 6. Вычислительная модель автоматизированной системы управления показателями надежности электропривода конвейера
Административная структура (АС) имеет стохастический характер работы [14]. То есть при приближении времени ожидаемого отказа объекта автоматизации АС обеспечит начало выполнения процедуры с некоторой вероятностью и процедура будет завершена успешно за некоторый интервал времени с определенной вероятностью.
Начало выполнения работ зависит от ряда факторов: вида операции (осмотр, техническое обслуживание (ТО) без остановки объекта, ТО с остановкой объекта, ремонт); количества и квалификации персонала, задействованного в операции; загруженности оборудования и технического персонала в текущий момент времени; годового план проведения на ТОиР; наличия накопителей и дублирования оборудования в технологической линии [15].
Настройка АС выполняется за счет задания коэффициентов, которые определяют вероятности начала выполнения работ, направленных на увеличение надежности оборудования в зависимости от ранее обозначенных факторов. Более подробно работа АС будет показана в отдельной статье.
Работу построенной вычислительной модели оценим по графику изменения времени наработки до отказа, приведенному на рис. 7. На графике видно, что наработка (линия 1 периода I) уменьшается с течением времени и при достижении минимального уровня надежности (линия 4) должен начаться процесс восстановления объекта. Но в этот момент времени производить восстановление объекта не представляется возможным по причинам, описанным ранее в общих принципах действия АС. В случае, когда ситуация позволяет, происходит восстановление объекта, которому соответствует растущая линия 2 на рис. 7. При этом восстановление объекта происходит до начального уровня наработки. Также на графике показан период восстановления асинхронного двигателя (линия 3 на рис. 7), в котором объект выведен из работы и происходит восстановление его показателя надежности. На периодах II и III процессы повторяются.
Рис. 7. Результат работы модели автоматизированной системы управления показателями надежности электропривода конвейера: 1 – наработка до отказа АД; 2 – время восстановления ресурса АД; 3 – момент обозначения периода проведения восстановления АД; 4 – заданный уровень надежности, при достижении которого требуется проводить восстановление ресурса АД
Особенности настройки автоматической системы, приведенной на рис. 6, заключаются в том, чтобы выбрать такой минимальный уровень надежности (линия 4 на рис. 7) и такие значения коэффициентов величин, отражающих стохастические процессы в АС, при которых начало ремонта возможно отложить на некоторое время, не доводя объект до отказа. Анализируя графики, приведенные на рис. 7, можем заключить, что для данного случая это выполняется.
Выводы
На примере керамзитового производства показана возможность применения САУ и диагностики надежности электропривода для реализации прогрессивного способа обеспечения показателей надежности технологического оборудования, которое заключается в обеспечении работы системы ТОиР по фактическому состоянию. Также показана методика составления общей модели надежности оборудования из типовых элементов прогнозирования надежности элементов. Показана структура САУ диагностики надежности электроприводов и выполнено вычислительное моделирование работы такой системы на примере электродвигателя конвейера. Результатом явился график изменения времени наработки до отказа при длительности моделирования 450·106 с, при этом САУ обеспечила вывод в ремонт оборудования три раза, не снизив остаточное время наработки до отказа ниже 0,28·107 с.
作者简介
Elizaveta Chunikhina
Samara State Technical University
编辑信件的主要联系方式.
Email: karno1753@yandex.ru
Postgraduate Student, Dept. of Mechanization, Automation, and Energy Supply in Construction
俄罗斯联邦, 244, Molodogvardeyskaya str., Samara, 443100Aleksandr Fadeev
Samara State Technical University
Email: fas2204@mail.ru
(Ph.D. (Techn.)), Associate Professor, Dept. of Mechanization, Automation, and Energy Supply in Construction
俄罗斯联邦, 244, Molodogvardeyskaya str., Samara, 443100参考
- Galickov K.S., Fadeev A.S. Strukturnyj sintez tekhnologicheskogo kompleksa glinopodgotovki v usloviyah nestacionarnosti vlazhnosti syr'ya pri proizvodstve keramzita [Structural synthesis of the clay preparation technological complex under nonstationary raw material moisture conditions in the production of expanded clay] // Stroitelnye materialy. 2022. № 5. P. 40-44. doi: 10.31659/0585-430X-2022-802-5-40-44. (In Russian)
- Barlou R.E., Proshan F. Statisticheskaya teoriya nadezhnosti i ispytaniya na bezotkaznost [Statistical Theory of Reliability and Life Testing]. Per. s angl. I.A. Ushakova. M.: Nauka, 1984. 327 p. (In Russian)
- Fadeev A.S., Samokhvalov O.V. Nadezhnost sistem avtomaticheskogo upravleniya tehnologicheskimi processami [Reliability of Automated Process Control Systems]: uchebno-metodicheskoe posobie. Samara: SamGTU. 2022. 75 p. (In Russian)
- Karaban V.I. Diagnostika i nadyozhnost' avtomatizirovannogo tekhnologicheskogo oborudovaniya: uchebnoe posobie [Diagnostics and Reliability of Automated Process Equipment: Study Guide]. Staryj Oskol: TNT, 2009. (In Russian)
- Samohvalov O.V. Avtomatizaciya tekhnologicheskogo processa obzhiga pri proizvodstve keramzita zadannoj prochnosti [Automation of the Firing Process in the Production of Expanded Clay with Specified Strength]: dis. … kand. tekhn. nauk: 05.13.06. Samara, 2018. 214 p. (In Russian)
- Onackij S.P. Proizvodstvo keramzita [Production of Expanded Clay]. 3-e izd., pererab. i dop. M.: Strojizdat, 1987. 333 p. (In Russian)
- Persiyanov A.N. Proizvodstvo i primenenie keramzita [Production and Application of Expanded Clay]. Kujbyshev: Kujbyshevskoe kn. izd-vo, 1961. 46 p. (In Russian)
- Belov M.P., Novikov A.D., Rassudov L.N. Avtomatizirovannyj elektroprivod tipovyh proizvodstvennyh mekhanizmov i tekhnologicheskih kompleksov [Automated Electric Drive for Typical Production Mechanisms and Technological Complexes]. 3-e izd. M.: Akademiya, 2007. 576 p. (In Russian)
- Galickov S.Ya., Galickov K.S., Maslyanicyn A.P. Dinamika asinhronnogo dvigatelya [Dynamics of an Induction Motor]. Samara: SGASU, 2004. 97 p. EDN: SZIHFL. (In Russian)
- Galickov K.S., Fadeev A.S., Ilina E.A. Matematicheskoe modelirovanie izmeneniya pokazatelej nadezhnosti elementov elektroprivoda konvejera [Mathematical Modeling of Reliability Indicators Change for Conveyor Electric Drive Components] // Tradicii i innovacii v stroitelstve i arhitekture. Stroitelstvo i stroitelnye tehnologii. Sbornik statej 80-j Yubilejnoj vserossijskoj nauchno-tehnicheskoj konferencii / Ed. by M.V. Shuvalova, A.A. Pishuleva, A.K. Strelkova. Samara: SamGTU, 2023. P. 928–935. (In Russian)
- Syzranceva K.V., Chernaya L.A. Ocenka nadezhnosti valov po kriteriyu ustalostnoj prochnosti pri sluchajnom rezhime nagruzheniya [Evaluation of Shaft Reliability Based on Fatigue Strength Criterion Under Random Loading Conditions] // Izvestiya vysshih uchebnyh zavedenij. Mashinostroenie. 2013. № 5. P. 34–38. (In Russian)
- Galickov K.S., Shlomov S.V. Identifikaciya odnogo klassa obektov upravleniya s peremennymi parametrami [Identification of a Class of Control Objects with Variable Parameters] // Tradicii i innovacii v stroitel'stve i arhitekture: materialy 70-j Vseros. nauch.-tekhn. konf. Samara: SGASU, 2013. P. 461-463. (In Russian)
- Ilina E.A., Lenivcev A.G. Razrabotka sistemy avtomaticheskogo upravleniya passazhirskim liftom [Development of an Automatic Control System for a Passenger Elevator] // Mekhanizaciya i avtomatizaciya stroitelstva: sb. st. Samara: SamGTU, 2020. P. 391-395. (In Russian)
- Voronov A.A. Teoriya avtomaticheskogo upravleniya [Automatic Control Theory]. CH. I, II. M.: Vysshaya shkola, 1986. (In Russian)
- Shubin M.V. Avtomaticheskaya sistema uprezhdeniya avarij (razrusheniya ogneupornoj futerovki) moshchnyh vrashchayushchihsya pechej [ Automatic System for Preventing Accidents (Destruction of Refractory Lining) in High-Power Rotary Kilns]: avtoref. dis. … kand. tekhn. nauk: 05.11.13. M., 2010. 28 p. (In Russian)
补充文件









