Power supply reactive power factor control as a function of consumer power and losses in transformers
- Авторлар: Kotenev V.I.1, Kotenev A.V.1, Stulov A.D.1
-
Мекемелер:
- Samara State Technical University
- Шығарылым: Том 30, № 4 (2022)
- Беттер: 142-157
- Бөлім: Energy and Electrical Engineering
- URL: https://journals.rcsi.science/1991-8542/article/view/142715
- DOI: https://doi.org/10.14498/tech.2022.4.10
- ID: 142715
Дәйексөз келтіру
Толық мәтін
Аннотация
The system of automatic control of the reactive power factor of the enterprise's power supply system is considered, in which one part of the transformer substations is equipped with adjustable capacitor units, and the second is not. Its advantage in comparison with the power factor control system is shown, firstly, lower requirements for its error and, secondly, the calculation of the consumer with the supplier for electricity is made taking into account the ratio of reactive energy to active energy. An estimate of the error of regulation of the reactive power factor on the higher voltage side of the transformers of the main step-down substation, where settlement meters are installed, is given, with stabilization of the reactive power factor on the low voltage side of these transformers. The synthesis of the system of automatic control of the reactive power factor, built as a function of the power of consumers and power losses in transformers, and the estimation of its error are considered. The proposed control system is intended for power supply systems with a combined load, the use of which will allow the consumer to avoid penalty coefficients to the tariff for active electricity, and ultimately reduce losses in the transmission of electricity and increase the transmission capacity of the electrical network.
Негізгі сөздер
Толық мәтін
Введение
Совершенствование систем автоматического управления (САУ) реактивной мощностью (РМ) систем электроснабжения (СЭС) позволяет в некоторой степени понизить потери мощности и напряжения в ее элементах, а также повысить коэффициент полезного действия питающих трансформаторов и тем самым обеспечить работу предприятия с требуемым значением коэффициента РМ, что относится к актуальным проблемам в энергетике.
Разработке таких систем управления уделяется достаточно большое внимание в печатных изданиях в нашей стране [1–12] и за рубежом [13–20].
К недостаткам существующих систем управления можно отнести низкую точность регулирования коэффициента РМ на стороне высшего напряжения (ВН) трансформаторов главной понизительной подстанции (ГПП) при требуемой стабилизации коэффициента РМ на стороне низшего напряжения (НН) и нестабильности мощности нагрузок цеховых электроприемников.
Цель работы – оценка погрешности существующих САУ и построение более совершенной системы управления коэффициентом РМ, где установлены расчетные счетчики электрической энергии.
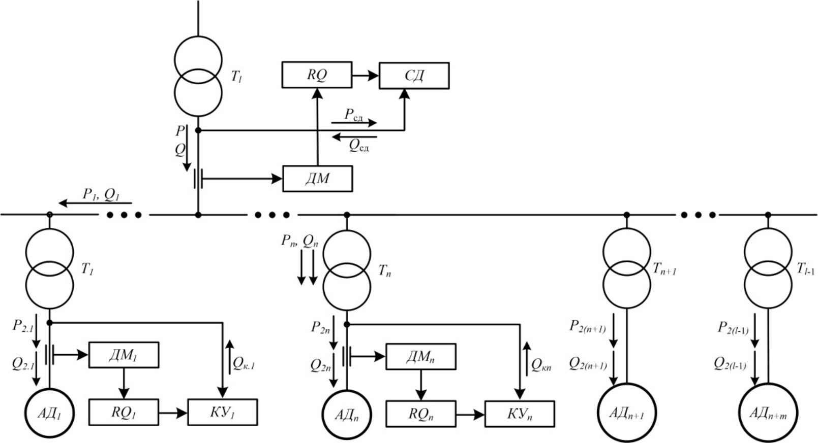
Функциональная схема САУ коэффициентом РМ СЭС предприятия показана на рис. 1.
Рис. 1. Функциональная схема САУ КРМ СЭС предприятия
Обозначения на схеме: – трансформаторы цеховых подстанций; – трансформатор главной понизительной подстанции; – датчики активной и реактивной мощности; – асинхронные двигатели; – регуляторы реактивной мощности; – конденсаторные установки; СД – синхронный двигатель; .
Обоснование САУ коэффициентом реактивной мощности СЭС предприятия
Целесообразность построения системы управления как САУ tgφ обусловлена двумя причинами.
1. При необходимости стабилизации угла между активной мощностью P и полной мощностью S на уровне с абсолютной погрешностью (относительной погрешностью с помощью САУ коэффициентом РМ – (Q – реактивная мощность) или САУ РМ – их погрешности будут значительно отличаться друг от друга.
Более практичной будет первая система управления, так как она может быть выполнена более «грубой» с большей погрешностью
,
чем вторая система управления с погрешностью
Например, при и значения величины а
2. Расчет с поставщиками за потребленную электроэнергию производится в конце договорного срока (обычно месячного) с учетом величины tg φ – отношения реактивной энергии к активной.
Предельные значения tg φП в часы больших суточных нагрузок (БСН) установлены согласно приказу министра энергетики РФ от 23.06.2015 № 380 «О порядке расчета значений соотношения потребления активной и реактивной мощности для отдельных энергопринимающих устройств (групп энергопринимающих устройств) потребителей электрической энергии» в зависимости от номинального напряжения сети UСН, к которой подключен потребитель: при UСН = 110 кВ значение tg φП = 0,5; при UСН = 1÷35 кВ – tg φП = 0,4; при UСН < 1 кВ – tg φП = 0,35.
Значение коэффициента РМ в часы малых суточных нагрузок (МСН) устанавливается равным нулю для всех случаев. Часы БСН – с 700 до 2300, а часы МСН – с 2300 до 700.
Математическая модель трансформаторной подстанции без источников РМ
Потери активной мощности в трансформаторах состоят из постоянных потерь в стали и переменных потерь в их обмотках [21]:
, (1)
где – активные мощности электроприемников и источников РМ соответственно; – реактивные мощности этих элементов.
Коэффициент
(1а)
где – потери короткого замыкания; – полная номинальная мощность трансформатора.
Потери реактивной мощности в трансформаторе также состоят из постоянных потерь от намагничивания магнитопровода [21]
(2)
и переменных потерь [21]
(3)
(3а)
где – напряжение короткого замыкания.
Коэффициент реактивной мощности на стороне НН трансформатора
(4)
и на стороне высшего напряжения
(5)
где
В математической модели 1–5 без источников РМ параметры
Структурная схема подстанции как объекта управления величиной или , построенной согласно 1–5, показана на рис. 2.
Рис. 2. Структурная схема подстанции
САУ коэффициентом РМ на стороне НН трансформатора ГПП
Алгоритм управления, сформированный в функции активной и реактивной мощности потребителей, представлен выражением
(6)
Реактивная мощность источника РМ
. (7)
при коэффициенте передачи САУ РМ составит
(8)
где – коэффициент передачи датчиков мощности; – заданное значение коэффициента реактивной мощности на стороне НН трансформатора.
Выражения (1), (3) после подстановки в них 8 можно упростить:
(9)
(10)
Структурную схему САУ коэффициентом можно представить согласно (5)–(7), (9), (10) схемой на рис. 3.
Рис. 3. Структурная схема САУ коэффициентом
В ее состав входят: формирователь программы ФП, элемент умножения ЭУМ и деления ЭД1, датчики мощности с коэффициентом передачи , САУ реактивной мощностью источника с коэффициентом передачи .
Коэффициент реактивной мощности на стороне НН трансформатора согласно (8) равен заданному при всех и так как
. (11)
При рассмотрении данной системы управления как САУ в ее состав следует включить ту часть, которая расположена выше блока ЭД1.
Коэффициент реактивной мощности на стороне ВН трансформатора составляет
(12)
Элементы ЭУМ, ЭД1, ЭД2 выполняют математические операции в соответствии с (6), (11), (12).
При нестабильности мощности нагрузки погрешность САУ согласно 11 равна нулю, а погрешность САУ может значительно отличаться от нуля.
Зависимость коэффициента tgφd от tgφV в САУ коэффициентом РМ на стороне НН трансформатора ГПП
Переменные потери в трансформаторах первых шести цеховых подстанций (см. рис. 1) составляют:
В остальных подстанциях без ИРМ:
где
Реактивная мощность конденсаторных установок в первых шести подстанциях вычисляют согласно (8):
(13)
Суммарная мощность по цехам:
Результаты этих расчетов занесены в табл. 1 и 2. Активную и реактивную мощность трансформатора ГПП определяют из соотношений
(14)
(15)
где – активная мощность синхронных двигателей.
Из выражения
(16)
составленного на основании (11), получено соотношение
(17)
для определения РМ конденсаторной установки или синхронного двигателя, при которой будет обеспечено требуемое значение коэффициента на стороне ВН трансформатора ГПП.
Таблица 1. Результаты расчетов мощности цехов предприятия с трансформатором ТМ-1600
Номер цеха | 1 | 2 | 3 | 4 | 5 | 6 | 7 |
Тип трансформаторов | ТМ-1600 | ||||||
P2i, кВт | 425 | 718 | 610 | 610 | 1057 | 1002 | 518 |
Q2i, кВАр | 497 | 955 | 715 | 715 | 1229 | 1332 | 518 |
Pci, кВт | 3,3 | 3,3 | 3,3 | 3,3 | 3,3 | 3,3 | 3,3 |
Qμi, кВАр | 20,8 | 20,8 | 20,8 | 20,8 | 20,8 | 20,8 | 20,8 |
| – | – | – | – | – | – | 3,8 |
– | – | – | – | – | – | 18,5 | |
– | – | – | – | – | – | 525 | |
– | – | – | – | – | – | 557 | |
306 | 632 | 441 | 441 | 753 | 881 | – | |
Окончание табл. 1
Номер цеха | 1 | 2 | 3 | 4 | 5 | 6 | 7 |
1,5 | 4,3 | 3,2 | 9,5 | 9,5 | 8,5 | – | |
7,5 | 21,3 | 15,4 | 15,4 | 46,2 | 41,5 | – | |
430 | 726 | 617 | 617 | 1070 | 1014 | – | |
219 | 365 | 310 | 310 | 543 | 513 | – |
Таблица 2. Результаты расчетов мощности цехов предприятия с трансформатором ТМ-400 и суммарных величин мощности
Номер цеха | 8 | 9 | 10 | 11 | Σ |
Тип трансформаторов | ТМ-400 |
| |||
P2i, кВт | 162 | 107 | 135 | 113 | – |
Q2i, кВАр | 215 | 35 | 180 | 84 | – |
Pci, кВт | 1,05 | 1,05 | 1,05 | 1,05 | – |
Qμi, кВАр | 8,4 | 8,4 | 8,4 | 8,4 | – |
| 2,5 | 0,4 | 1,7 | 0,7 | – |
8,2 | 1,4 | 5,7 | 2,2 | – | |
155,5 | 108,5 | 137,7 | 114,7 | ||
231,6 | 44,8 | 194,1 | 94,6 | ||
– | – | – | – | ||
– | – | – | – | – | |
– | – | – | – | – | |
– | – | – | – | ||
– | – | – | – | ||
При подстановке (9), (10) в (16) получено
. (18)
Пример. Функциональная схема САУ коэффициентом РМ предприятия дана на рис. 1. Число цехов, тип трансформаторов, расчетные мощности электроприемников цехов , постоянные потери мощности в трансформаторах приведены в табл. 1 и 2. Подстанции первых шести цехов оснащены конденсаторными установками, а в остальных их нет. Активная мощность синхронного двигателя РСД = 1250 кВт, активная и реактивная мощность при максимальной нагрузке цехов согласно (14), (15) составляет , ; при минимальной нагрузке
Параметры трансформатора ГПП:
Определить погрешность коэффициента при управлении коэффициентом .
Решение. Переменные потери в трансформаторе согласно соотношениям
при максимальной нагрузке
Реактивная мощность источников РМ (двигателя или конденсаторных установок)
При заданном коэффициенте необходима стабилизация коэффициента (18) на уровне , что следует из графика на рис. 4, построенного согласно (18) при максимальной нагрузке.
Рис. 4. График функции
При минимальной нагрузке для стабилизации этого коэффициента на прежнем уровне требуется РМ двигателя (18) Переменные потери в трансформаторе составляют а погрешность регулирования коэффициента РМ
В СЭС без синхронных двигателей с компенсацией РМ с помощью конденсаторных установок погрешность регулирования этого коэффициента составляет достаточно большую величину
Она получена при и втором значении этого коэффициента, вычисленном согласно (18) при и коэффициентах 1а, 3а при
Значительно меньшую погрешность можно получить в системе управления с вычислительным устройством (ВУ).
САУ коэффициентом tgφV с алгоритмом управления, сформированным в функции мощности нагрузки и потерь в трансформаторе ГПП
Структурная схема такой системы управления отличается от схемы на рис. 3 наличием в ней вычислительного устройства.
Алгоритм работы ВУ, формирующего сигнал задания Uδ системы управления РМ синхронного двигателя, можно найти из (12):
(19)
где
, .
Переменные потери в трансформаторе
(20)
Как следует из (20), потери зависят от которая является неизвестной величиной.
Ввиду малости мощности и с целью упрощения окончательного выражения она представлена приближенным соотношением
(21)
Тогда из (19) при и т. е. из выражения
получено уравнение
(22)
где
, .
Из решения уравнения (22) получено
(23)
где
, .
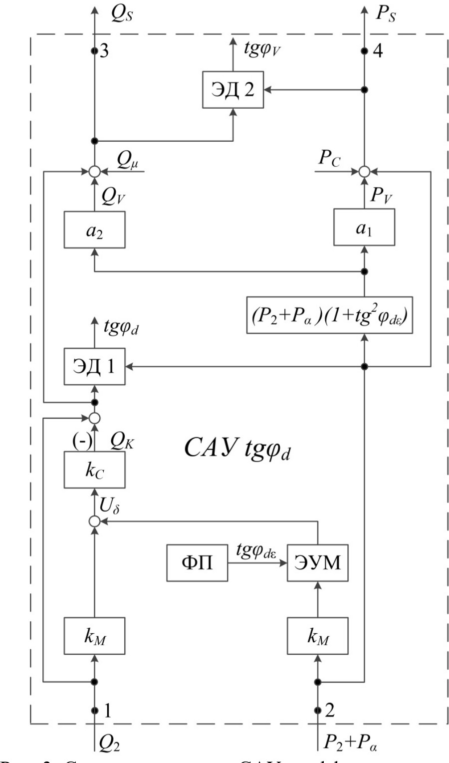
Структурная схема САУ коэффициентом РМ (рис. 5) построена согласно выражениям 19÷23. На этой схеме ЭД – элемент деления.
Рис. 5. Структурная схема САУ коэффициентом tg φV
Эта система управления инвариантна к основным возмущающим воздействиям – отклонениям активной и реактивной мощности нагрузки, что подтверждается следующим примером.
При минимальной нагрузке значения коэффициентов a3=153193 кВА, a4= 21940394 кВА2, Qki = 143 кВАр, tg φVl = 0,4.
При максимальной нагрузке ( ) значения коэффициентов a3=159125 кВА, a4= 219865533 кВА2, Qki = kMUδ = 1382 кВАр, tg φVl = 0,4.
Значение коэффициента РМ остается на заданном уровне при достаточно больших отклонениях мощности нагрузки.
САУ коэффициентом реактивной мощности tgφV всего предприятия
Структурная схема данной системы управления представлена на рис. 6. Блоки БС1-БС6 являются элементами суммирования входных величин, а значения и определяются выражениями (14) и (15). Схемы элементов САУ – САУ даны на рис. 3, а элементы САУ – на рис. 5.
Рис. 6. Структурная схема САУ коэффициентом реактивной мощности tg φV всего предприятия
Заключение
- Достоинство САУ коэффициентом tgφ по сравнению с САУ коэффициентом cos φ заключается в том, что требования к ее погрешности уменьшаются в 7,1 раза и расчет за электроэнергию производится с учетом предельных значений коэффициентов РМ.
- САУ коэффициентом tg φd предпочтительно применять в СЭС с синхронными двигателями вследствие ее простоты и обеспечения погрешности регулирования tg φV, где включены расчетные счетчики, равной 2 %.
- Применение САУ коэффициентом tg φV целесообразно в СЭС с конденсаторными установками, так как в случае применения САУ tg φd погрешность составляет 25 %.
Авторлар туралы
Viktor Kotenev
Samara State Technical University
Email: kotenev.viiv@gmail.com
(Dr. Sci. (Techn.), Professor
Ресей, 244, Molodogvardeyskaya st., Samara, 443100Alexander Kotenev
Samara State Technical University
Email: akotenev@samgtu.ru
Ph. D. (Techn.), Associate Professor
Ресей, 244, Molodogvardeyskaya st., Samara, 443100Alexander Stulov
Samara State Technical University
Хат алмасуға жауапты Автор.
Email: ads260391@mail.ru
ORCID iD: 0000-0002-1623-8449
Postgraduate Student
Ресей, 244, Molodogvardeyskaya st., Samara, 443100Әдебиет тізімі
- Abakumov A.M., Alimov S.V., Zipman V., Migacheva L.A., Shvarts G.R. Primeneniye sovremennogo elektroprivoda peremennogo toka v tekhnologiyakh gazovoy i neftyanoy promyshlennosti. M.: Mashinostroyeniye–1, 2009.
- Zhelezko Yu.S. Poteri elektroenergii. Reaktivnaya moshchnost'. Kachestvo elektroenergii. M.: ENAS, 2009.
- Ershov S.V., Karnitsky V.Y. Development of adaptive regulation of reactive power compensation // News of the Tula state university: Technical sciences. 2014, no. 8. Pp. 32–39.
- Kirilin I.V., Kozlov P.M. Vybor sredstv upravleniya reaktivnoy moshchnost'yu v sistemakh elektrosnabzheniya predpriyatiy tsvetnoy metallurgii // Promyshlennaya energetika, 2010, no. 8. Pp. 46–52.
- Kotenev V.I., Osipov V.S., Kochetkov V.V. Generalized mathematical model of the load node to control the modes’ parameters in the power supply system // Russian Electromechanics, 2014, no.5. Pp. 103–106.
- Kotenev V.I., Kotenev A.V., Kochetkov V.V., Elkin D.A. Electrical engineering unit for the reactive power control of the load bus at the voltage instability // Journal of Physics: Conference series, 2018, Vol. 944.
- Kotenev V.I., Osipov V.S., Kochetkov V.V. Generalized mathematical model of the load node to control the modes’ parameters in the power supply system // Russian Electromechanics, 2014, no. 5. Pp. 103–106.
- Kotenev V.I., Elkin D.A., and Osipov V.S. Automatic Control System of Load Bus Reactive Factor // International Conference on Industrial Engineering Applications and Manufacturing (ICIEAM), 2018.
- Kotenev V., A. Kotenev, and S. Zangiev. Automatic System for Reactive Power Control in Function of Parameters of the Distribution System Regime // XXI International Conference Complex Systems: Control and Modeling Problems (CSCMP). 2019.
- Kotenev V.I., Kotenev A.V., Stulov A.D. Controlling the Reactive Power Factor of a Combined Load Power Supply System and the Correction of Program as a Function of Current Power Consumption // International Ural Conference on Electrical Power Engineering (UralCon), 2020.
- Panteleyev V.I., Filatov A.N. Upravleniye rezhimami reaktivnoy moshchnosti i napryazheniya promyshlennogo predpriyatiya. Krasnoyarsk: Krasnoyarsk state technical university, 2005.
- Petelin D.P. Avtomaticheskoye upravleniye sinkhronnym elektricheskim privodom. M.: Energiya, 1968.
- Fei Wang Y., Xin Yuan Y., Chen J., Jian Cheng Q. A dynamic reactive power compensation method of super high-power and high-voltage motor // Applied Mechanics and Materials. Vol. 602–605. 2014. Pp. 2828–2831.
- Khabdullin A., Khabdullin A., Khabdullina Z., Khabdullina G. Mathematical model of synchronous motors for static characteristics power loss // Energy Procedia. Vol. 95. 2016. Pp. 487–490.
- Cheng Q.J., Chen J., Yuan Y.X., Zhou X.S.,Deng S.J. Research on a dynamic reactive power compensation method of composite power load // Applied Mechanics and Materials. Vol. 602–605. 2014. Pp. 2840–2843.
- Joshi B.S., Mahela O.P., Ola S.R. Reactive power flow control using Static VAR Compensator to improve voltage stability in transmission system // International Conference on Recent Advances and Innovations in Engineering (ICRAIE), 2016.
- Campaner R., Chiandone M., Sulligoi G., Milano F. Automatic voltage and reactive power control in distribution systems: Dynamic coupling analysis // IEEE International Conference on Renewable Energy Research and Applications (ICRERA), 2016.
- Hongbo L., Biping G., Wangjun Z., Xinyi S., Haobin Y., Guangyu H. Study on reactive power optimal control of distribution systems based on hybrid control theory // CICED Proceedings, 2010.
- Lakra N.S., Prakash P., Jha R.C. Power quality improvement of distribution system by reactive power compensation // International Conference on Power and Embedded Drive Control (ICPEDC), 2017.
- Zhou X., Ma Y., Gao Z., Zhang S. Reactive power compensation in motor // IEEE International Conference on Mechatronics and Automation (ICMA), 2017.
- Lipkin B.Yu. Power supply of industrial enterprises and installations. M.: Higher School, 1990.
Қосымша файлдар








