Modeling of a wind-diesel plant for supplying decentralized areas of the Far North
- Authors: Kolontsov V.D.1, Solodyankin M.S.1, Shepelev A.O.1, Shepeleva E.Y.1
-
Affiliations:
- Yugra State University
- Issue: Vol 20, No 4 (2024)
- Pages: 36-44
- Section: POWER INDUSTRY
- URL: https://journals.rcsi.science/1816-9228/article/view/276743
- DOI: https://doi.org/10.18822/byusu20240436-44
- ID: 276743
Cite item
Full Text
Abstract
In the territory of the decentralized power supply zone of the far north, the cost of 1 kWh may exceed 100 rubles. Therefore, there is a need to find another way to supply power to these areas. This work presents a solution for power supply facilities located in areas with high wind potential, namely, the use of combined electrical installations based on wind-diesel generators.
Subject of research: wind power based combined installations.
Purpose of research: modelling of an isolated power supply system based on wind turbines.
Object of research: power supply systems with wind power installations.
Methods of research: analysis, simulation modelling.
Main results of research: the paper presents modelling showing the dynamic characteristics of the system.
Full Text
ВВЕДЕНИЕ
Электроснабжение, которое подразумевает бесперебойное снабжение электроэнергией населения и промышленности, уже много лет сталкивается с проблемой снабжения потребителей, что находятся в децентрализованной зоне, которую невозможно подключить к единой энергетической сети России в силу особенностей местности. На данный момент в абсолютном большинстве для снабжения таких объектов используются дизельные генераторы, которые имеют весомые недостатки, а именно: пагубное влияние на экологию, низкое качество вырабатываемой электроэнергии и её высокую стоимость, снижение ресурса генератора при работе на низкой мощности, трудность доставки материалов, топлива и оборудования, в связи с чем оперативная замена оборудования представляется невозможной. Использование альтернативных источников электроэнергии поможет нивелировать часть недостатков и снизить влияние других. Однако непостоянство ресурсов мешает их повсеместному внедрению. Решением вышеописанных недостатков стало использование комбинированных электроустановок.
РЕЗУЛЬТАТЫ И ОБСУЖДЕНИЕ
В XXI веке человечество столкнулось с проблемой глобального потепления. Чтобы снизить скорость повышения температуры, используется множество способов, одним из которых стало использование возобновляемых источников электроэнергии (ВИЭ). Благодаря своей большой территории Российская Федерация имеет огромный потенциал для внедрения ВИЭ, одним из которых является энергия ветра. Потенциальная энергия от ветрогенераторов в России оценивается в 100 ТВт∙ч/год [1–3].
В 2016 году Россией совместно с Евросоюзом и 186 странами было подписано Парижское соглашение. Согласно нему были предприняты меры по снижению выброса углекислых газов (CO2) и удержанию роста среднемировой температуры ниже 2°C. Для соблюдения данного соглашения Российской Федерации необходимо снизить выбросы CO2 до 70 % относительно выбросов 1990 года [5].
Ветроэнергетика показывает общемировой стремительный рост и в 2023 году достигла 900 ГВт установленной мощности [6].
Для регулирования выбросов парниковых газов в России были приняты следующие нормативно-правовые акты: Указ Президента России от 26.10.2023 № 812 [7], который предусматривает повышение энергоэффективности и развитие ВИЭ; распоряжение от 01.06.2021 № 1446-р [8], которое обозначает политику государства в сфере энергоэффективности на основе ВИЭ. Также согласно другим актам по состоянию на 2017 год было введено 5 комбинированных энергокомплексов на основе ВЭС-ДЭС [1].
Разработки в данной области до сих пор продолжаются, доказательством данного факта является патент 2022 года [9]. Авторы патента сумели снизить стоимость за счёт упрощения схемы электростанции.
В России активно развиваются компании, которые занимаются ВИЭ. Например, ПАО «Передвижная энергетика», которая в 2016 году обнародовала результаты эксплуатации установки на основе ВЭС-ДЭС. По промежуточным итогам эксплуатации компания снизила потребление дизельного топлива на 306 тонн за 9 месяцев [10].
Также каждый регион Российской Федерации принимает постановление «Об утверждении схемы и программы развития электроэнергетики» и аналогичные постановления, в которых закреплено следующее: использование ВИЭ не является рентабельным, однако использование энергообъектов с комбинированным режимом генерации повысит надежность энергоснабжения и качество электроэнергии.
Как известно, Российская Федерация занимает примерно 17 миллионов квадратных километров, из которых 10 миллионов квадратных километров составляют северные и приравненные к ним регионы. Также около 3 миллионов квадратных километров занимают территории за полярным кругом. Население данных регионов – более двух миллионов человек, которые потребляют примерно 3,6 % электроэнергии, производимой в России. Данные регионы можно охарактеризовать как регионы с высоким ветропотенциалом и местами – с высоким потенциалом для установки солнечных электростанций. Карта с указанием потенциала в северных регионах представлена на рисунке 1 [12].
Рисунок 1. Карта с указанием ветропотенциала северных регионов России
График, который показывает изменение электрической нагрузки в течение определенного времени децентрализованной зоны электроснабжения, можно охарактеризовать как резко переменный, что сильно затрудняет использование дизельных электроустановок, так как необходимо постоянно регулировать выдаваемую мощность [18]. Так, стоит отметить, что зачастую ДЭС загружен ниже 25 % от номинального значения мощности. Использование дизельного генератора в таких условиях чревато сильным увеличением расхода топлива на 1 кВт∙ч и закоксовыванием цилиндров [13].
В основном электросеть децентрализованной зоны электроснабжения Крайнего Севера охватывает малую территорию, из-за чего влияние помех только возрастает. Искривление кривой синусоиды сокращает срок службы дизельной электроустановки, и увеличивается вероятность аварий [17].
До децентрализованных зон Крайнего Севера зачастую можно добраться только вертолетом, водным транспортом или зимними дорогами (зимниками), то есть сильно зависимых от погодных условий и времени года видов транспорта, что делает невозможным оперативно доставлять оборудование, персонал и топливо. Из-за чего стоимость эксплуатации и обслуживания сильно возрастает, а следовательно, растёт стоимость выработанной электроэнергии, большую часть которой субсидирует регион или округ [14].
Россия имеет огромный потенциал для внедрения электроустановок на основе ВИЭ. Северные регионы не исключение, однако необходимо выбирать тип установки исходя из климатических и природных особенностей местности.
Из-за холодного климата Российского Севера необходимо адаптировать оборудование под низкие температуры. Одним из примеров такой адаптации стало строительство ветрогенератора вблизи города Лабытнанги. На трудность данного процесса указывает то, что на адаптацию было потрачено два года. Данная установка была первой построенной, введённой в эксплуатацию и эксплуатируемой за полярным кругом [16].
Северные регионы Российской Федерации обладают огромными месторождениями (залежами) полезных ископаемых. Благодаря этому идет активное освоение этих месторождений крупными компаниями, такими как «Газпром», «Лукойл», «Роснефть» и другими. Для снижения затрат вышеупомянутые компании вкладываются в разработки, которые помогут снизить стоимость содержания их объектов. Одной из внедренных установок стала комбинированная электроустановка, которая состояла из ветрогенератора, двух солнечных панелей и двух термоэнергетических генераторов. Данная установка была разработана ООО «Газпром добыча Ямбург». Эксплуатация данных электроустановок показала их надежность и позволила снизить стоимость электроэнергии в 2,5 раза относительно стационарного электроснабжения. На данный момент на территории ЯНАО насчитывается более 200 таких электроустановок. Карта с расположением данных электроустановок представлена на рисунке 2.
Рисунок 2. Карта, на которой показано расположение комбинированных установок, разработанных ООО «Газпром добыча Ямбург»
Ещё одной компанией, которая внедрила комбинированные электроустановки, стало ООО «РН Пурнефтегаз». Данная установка состоит из дизельного генератора, двух ветрогенераторов и сорока солнечных панелей, которые в сумме выдают 40 кВт электроэнергии. Данная инновация позволила компании снизить стоимость электроэнергии примерно в 20 раз, до 4 рублей за 1 кВт∙ч [13].
Разработки в данном направлении проводятся также и в других странах. На данный момент более 40 объектов электроснабжения используют для генерации системы на основе ВЭС-ДЭС, из которых десять находятся на территории Крайнего Севера других стран, а именно в штате Аляска и в Антарктиде на антарктической исследовательской станции Моусон.
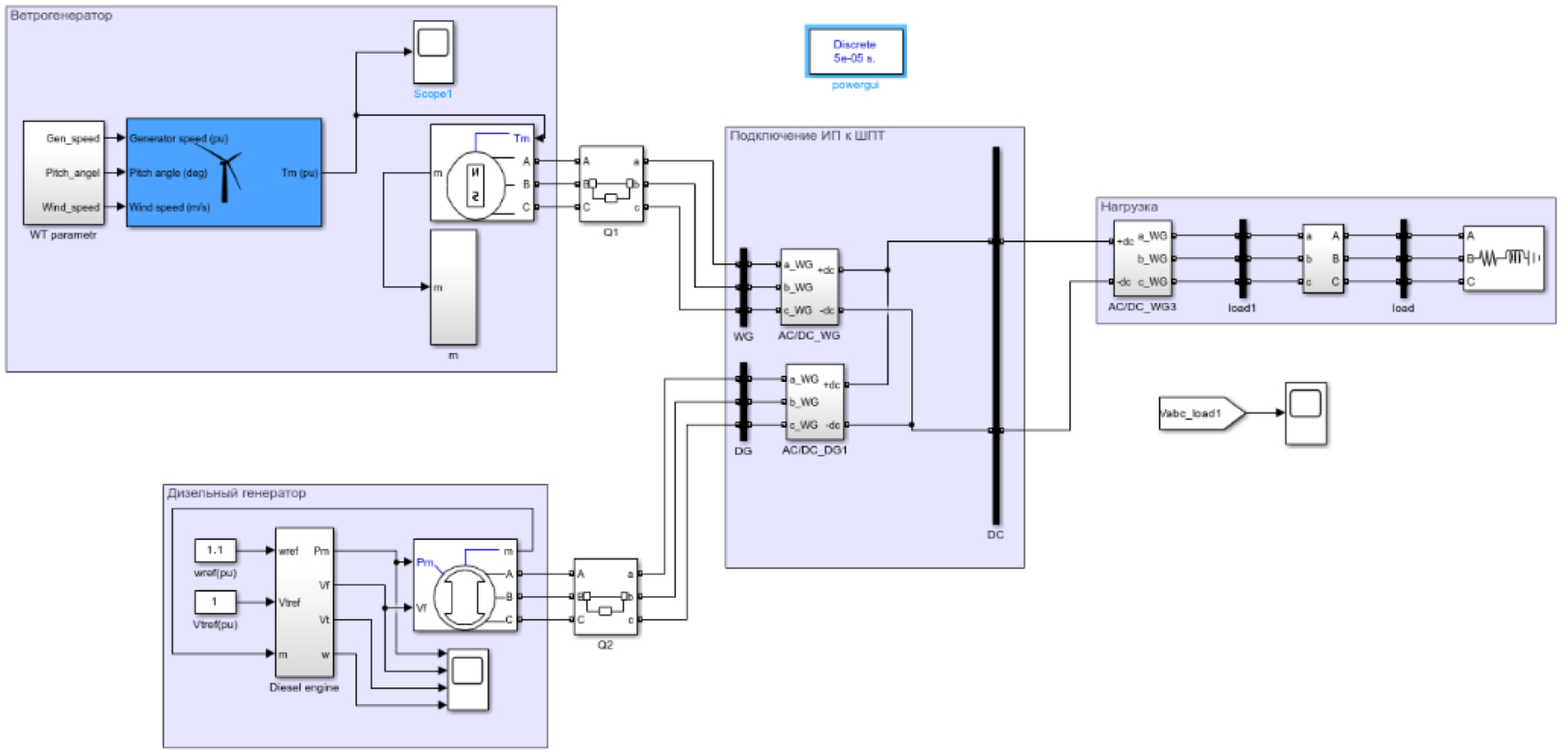
При разработке комбинированной установки предельно важен правильный подбор оборудования, который должен опираться на местность, климат, примерную потребляемую мощность и требования к качеству электроэнергии снабжаемого объекта и другие условия выбора. Также необходимо учитывать уже установленную на объекте ДЭС. Для корректной работы установки, помимо источников питания, а именно ветрогенератора и дизельного генератора, необходим контроллер и хранилище электроэнергии, АКБ. Не менее важно выбрать наиболее оптимальную структурную схему электроустановки. В данной работе выбор был сделан в пользу схемы с промежуточной шиной постоянного тока [15].
Для моделирования комбинированной установки на основе ВЭС-ДЭС был выбран программный комплекс MatLab SimuLink. Для имитационной модели в структурной схеме АКБ был заменен на блок балластных нагрузок. Разработанная модель представлена на рисунке 3. Моделирование электроустановки позволит проанализировать режимы работы, для чего в схеме предусмотрены измерительные блоки, и оценить возможность внедрения таких установок на территории Крайнего Севера.
Рисунок 3. Моделируемая схема
Из-за ограничений программного комплекса были введены некоторые условности, а именно: дискретное изменение мощности нагрузки и скорости ветра, крутящий момент турбины в ветроустановке передается на генератор без потерь на трение, также игнорируется часть электротехнических законов, которые оказывают малое влияние на расчет.
Имитационная модель разрабатывается для предварительного анализа, в данном случае электроустановки, а именно того, что именно ожидать при реальной эксплуатации. Следовательно, к данной модели предъявляются некоторые требования. Основным требованием является соответствие измерений реальным.
В данной модели предусмотрена возможность регулировки путём изменения параметров блока «WT input data»: скорость ветра в пределах от 0 до 15 м/с, нагрузка в пределах от 0 до 100 кВт. При изменении параметров не должно быть серьезных отклонений напряжения и частоты. Также путем переключения блоков выключателей «Q» предусмотрена регулировка режима работы путем включения в сеть или отключения из неё блоков ветрогенератора и дизельного генератора, что позволяет рассмотреть как параллельную работу источников электроэнергии, так и одиночную работу каждого источника.
Для определения типа симуляции в Simulink используется блок «Powergui». В данной модели используется тип «Discrete» с исходными параметрами.
По итогам моделирования на выходе линейного инвертора должно появиться синусоидальное напряжение.
В данной модели ветрогенератор будет использоваться как основной источник питания. Однако в программе Matlab Simulink нет готового решения, в связи с чем модель ветрогенератора была собрана из следующих блоков: «Wind Turbine» и «Permanent Magnet Syncronous Machine». Первый блок имитирует ветровую турбину и передает значение крутящего момента на второй блок.
Имитационная модель ветрогенератора в программном комплексе Matlab Simulink показана на рисунке 4.
Рисунок 4. Имитационная модель ветрогенератора
Аналогично ветрогенератору в Matlab Simulink отсутствует готовый блок, имитирующий дизельный генератор. Для создания модели дизельного генератора был использован блок «Permanent Magnet Synvhronus Machine», и в качестве исходных данных занесены параметры согласно техническому паспорту генератора. Для моделирования была выбрана явнополюсная машина переменного тока. Схема дизельного генератора показана на рисунке 5.
Рисунок 5. Имитационная модель дизельного генератора
Для правильного моделирования необходимо подать на входы блока следующие сигналы: напряжение возбуждения и мощность на валу. Схема, имитирующая ДЭС, показана на рисунке 6.
Рисунок 6. Подсистема, имитирующая дизельный генератор
Для корректной работы схемы, имитирующей ДЭС, необходимо задать параметры в оперативной форме в виде передаточных функций. Формулы для приведения параметров ДЭС к необходимым формам описаны ниже:
(1)
(2)
Для синхронизации источников питания используется шина постоянного тока (ШПТ), которая моделируется элементом «DC bus». Подключение к ней происходит через выпрямители, для имитации которых используются блоки диодных выпрямителей «AC/DC». Данное подключение показано на рисунке 7.
Рисунок 7. Подключение источников питания через выпрямители к ШПТ
Для передачи электроэнергии потребителю необходимо преобразовать выпрямленный ток обратно в переменный, для чего используется автономный инвертор. На рисунке 8 показаны сигналы, полученные на выходах инвертора.
Рисунок 8. Линейное напряжение: а – на выходе инвертора; б – после дросселя
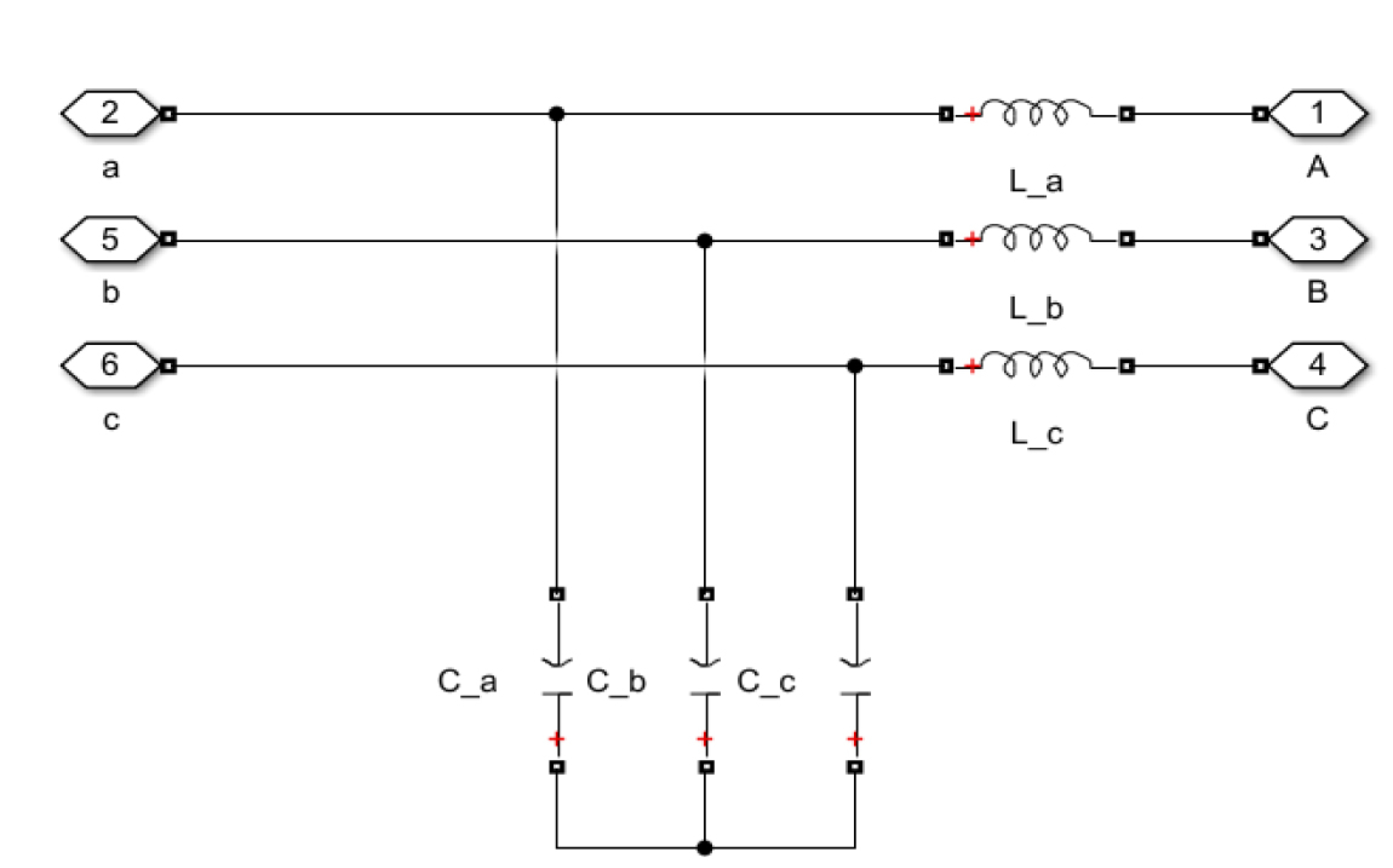
Для сглаживания напряжения в схеме используется пассивный LC-фильтр, который выступает в роли дросселя. Подсистема, имитирующая данный фильтр, представлена на рисунке 9.
Рисунок 9. Подсистема «Filters»
Для моделирования нагрузки был использован блок «Three-phase load», схема которого показана на рисунке 10.
Рисунок 10. Блок нагрузки
ЗАКЛЮЧЕНИЕ И ВЫВОДЫ
Снабжение децентрализованной зоны электроснабжения Крайнего Севера является одной из проблем, с которыми сталкивается Россия на данный момент. Для решения данной проблемы предлагается множество решений. Для оптимизации энергоснабжения отдаленных населенных пунктов с высоким ветропотенциалом рентабельно использовать комбинированные электроустановки на основе ВЭС-ДЭС. Это позволит снизить потребление топлива, понизить частоту вывода в ремонт дизельных генераторов, улучшить качество электроэнергии и снизить влияние на экологию.
Для обоснования вышесказанного была разработана имитационная модель электроустановки на основании ВЭС-ДЭС в программном комплексе MatLab Simulink. Моделирование выполнило свою задачу и показало синусоидальное напряжение на выходе инвертора, что свидетельствует о правильно подобранном составе оборудования и рентабельности использования ветродизельных установок на объектах, расположенных на территории северных регионов России, к которым вследствие условий местности и климатических условий не представляется возможным подвести централизованное электроснабжение.
About the authors
Vladislav D. Kolontsov
Yugra State University
Email: kolontzov.vladislav@yandex.ru
Laboratory assistant
Russian Federation, Khanty-MansiyskMatvey S. Solodyankin
Yugra State University
Email: matvej.solodyankin@mail.ru
Laboratory assistant
Russian Federation, Khanty-MansiyskAlexander O. Shepelev
Yugra State University
Email: a_shepelev@ugrasu.ru
Candidate of Technical Science, Associate Professor
Russian Federation, Khanty-MansiyskElena Y. Shepeleva
Yugra State University
Author for correspondence.
Email: e_shepeleva@ugrasu.ru
Senior lecturer
Russian Federation, Khanty-MansiyskReferences
- Елистратов, В. В. Возобновляемая энергетика / В. В. Елистратов. – 3-е издание, дополненное. – Санкт-Петербург : Издательство Политехнического университета, 2016. – 424 с. – Текст : непосредственный.
- Годовой отчет за 2015 г. некоммерческого партнерства «Совет Рынка» // Ассоциация «НП Совет Рынка» [офиц. сайт]. – URL: http://www.np-sr.ru/idc/groups/public/documents/sr_pages/ sr_0v046916.pdf (дата обращения: 20.03.2024). – Текст : электронный.
- WWEA publishes «World wind resource assessment Report» [Электронный ресурс] // Всемирная ветроэнергетическая ассоциация WWEA [офиц. сайт]. – URL: http://www.wwindea.org/wwea-publishes-worldwind-resource-assessment-report/ (дата обращения: 20.03.2024). – Текст : электронный.
- Об утверждении схемы и программы перспективного развития электроэнергетики Ямало-Ненецкого автономного округа на период 2023– 2027 годов : постановление Губернатора Ямало-Ненецкого автономного округа от 29 апреля 2022 г. № 63-ПГ. – Текст : непосредственный // Красный Север : общественно-политическая газета ЯНАО. Спецвыпуск. – 2022. – № 34/3 (6 мая). – С. 1–20.
- UNFCCC, 2015. Russian Submission INDC. United Nations Framework Convention on Climate Change, Bonn.
- Global Wind Statistics 2016 [Электронный ресурс] // Отчет Global Wind Energy Council [офиц. сайт]. – URL: http://www.gwec.net/global-figures/graphs/ (дата обращения: 20.03.2024).
- Указ Президента РФ от 26 октября 2023 г. № 812 «Об утверждении Климатической доктрины Российской Федерации» // Официальное опубликование правовых актов. – URL : http://publication.pravo.gov.ru/document/0001202310260009 (дата обращения: 07.04.2024). – Текст : электронный.
- Распоряжение Правительства РФ от 01.06.2021 № 1446-р // Официальное опубликование правовых актов. – URL : http://publication.pravo.gov.ru/Document/View/0001202106030039 (дата обращения: 09.04.2024). – Текст : электронный.
- Патент № 2765158 Российсская Федерация, МПК 19/11, PQ3D 7/048 (2021.05), PQ3D 9/11 (2021.05), HQ2J 3/38 (2021.05). Ветродизельная электростанция : №2020106270, заявл. 10.02.2020, опубл. 26.01.2022 / В. И. Чиндискян, Е. В. Большаков. – 7 л. – Текст : непосредственный.
- Строительство и эксплуатация ветродизельных комплексов на энергоизолированных территориях ДФО // Презентация ПЭ для Сколково. – URL : https://www.hse.ru/data/2018/03/23/1164014465/1_Мирчевский%20Строительство%20и%20эксплуатация%20ветро-дизе.pdf (дата обращения: 17.04.2024). – Текст : электронный.
- НОВАТЭК ловит ямальский ветер [Электронный ресурс] // Коммерснатъ : [сайт]. – URL: https://www.kommersant.ru/doc/4877669?ysclid=lwo3e9cmb5457848508 (дата обращения: 17.04.2024).
- Возобновляемые источники энергии в изолированных населенных пунктах Российской Арктики / В. Х. Бердин [и другие]. – Москва : Всемирный фонд дикой природы, 2017. – 80 с.
- Обухов, С. Г. Повышение эффективности комбинированных автономных систем электроснабжения с возобновляемыми источниками энергии : специальность 05.14.02 – Электрические станции и электроэнергетические системы : диссертация на соискание ученой степени доктора технических наук / С. Г. Обухов ; Национальный исследовательский Томский политехнический университет. – Томск, 2013. – 392 с. – Библиография: с. 341–353. – Текст : непосредственный.
- Смоленцев, Д. О. Развитие энергетики Арктики: проблемы и возможности малой генерации // Арктика: экология и экономика. – 2012. – № 3 (7). – С. 22–29. – Электрон. журн. – Режим доступа: http://ibrae.ac.ru/docs/3(7)/22-29.pdf, свободный (дата обращения: 20.03.2019). – Загл. с экрана.
- Системы накопления энергии, обеспечивающие первичный резерв и сокращение пиков в малых изолированных энергосистемах: экономическая оценка / Л. Сигрист, Э. Лобато, Л. Роуко. – Текст : непосредственный // Международный журнал электроэнергетических и энергетических систем. – 2013. – Т. 53. – С. 675–683.
- Близ Салехарда запустили первый ветряк за полярным кругом [Электронный ресурс] // RG.RU : [сайт]. – URL: https://rg.ru/2014/07/11/reg-urfo/vetryak.html (дата обращения: 15.04.2024).
- Третьяков, Е. А. Повышение качества электроэнергии в системах электроснабжения с резервированием от дизель-генераторных установок / Е. А. Третьяков, А. В. Мещеряков // Вестник Югорского государственного университета. – 2023. – № 2 (69). – С. 133–143. – doi: 10.18822/byusu202302133-143. – EDN SVZTKU.
- Ковалев, В. З. Разработка метода анализа и прогноза качества электроэнергии микрогрид Крайнего Севера / В. З. Ковалев, А. Г. Щербаков, Р. Н. Хамитов // Вестник Югорского государственного университета. – 2022. – № 1 (64). – С. 67–76. – doi: 10.18822/byusu20220167-78. – EDN DFBFKF.
Supplementary files












