Possibility of application of the ARDS method for obtaining permanent joints of composite materials reinforced with highly dispersed phase of titanium carbide obtained on the basis of aluminum-magnesium alloys
- Authors: Sherina Y.V.1, Lutz A.R.1, Bogatov M.V.2, Golubovskiy E.N.3
-
Affiliations:
- Samara State Technical University
- LLC Scientific and Production Center Samara
- OJSC Metallist-Samara
- Issue: Vol 20, No 1 (2024)
- Pages: 51-61
- Section: New materials and technology
- URL: https://journals.rcsi.science/1816-9228/article/view/255097
- DOI: https://doi.org/10.18822/byusu20240151-61
- ID: 255097
Cite item
Full Text
Abstract
Subject of research: the evaluation of the possibility of using the argon arc welding method (ARWM) to obtain unbreakable joints of composite materials AMg2-10%TiC and AMg6-10%TiC.
Purpose of research: obtaining welded joints by argon-arc welding with a non-consumable electrode based on aluminum matrix composite materials AMg2-10%TiC and AMg6-10%TiC using filler rod grade 5356 and comparing the structure and properties of AMKM welded samples with welded samples of AMg2 and AMg6 matrix alloys obtained using the same methods modes.
Methods of research: studies were carried out to control visible and hidden defects, metallographic analysis, as well as an assessment of the mechanical properties of welded joints. It has been established that the level of ARDS weldability of composite materials AMg2-10%TiC and AMg6-10%TiC is at the level of ARDS weldability of matrix alloys AMg2 and AMg6.
Main results of research: it is shown that when using the ARDS method it is possible to dislocate reinforcing particles of titanium carbide in composite materials AMg2-10%TiC and AMg6-10%TiC from the base metal zone to the heat affected zone as well as to the weld zone. It was found that the presence of welded joint in composite material AMg2-10%TiC leads to an increase in hardness and yield strength.
Full Text
ВВЕДЕНИЕ
Наиболее перспективным способом повышения механических характеристик традиционных алюминиевых сплавов является введение в их состав армирующей фазы, в качестве которой чаще всего используют керамические соединения – оксиды, карбиды, нитриды, бориды и т. д. [1, 2]. Для алюминиевой матрицы наиболее подходящей фазой является карбид титана, имеющий максимально близкие к алюминию параметры кристаллической решетки и обладающий высокой твердостью, модулем упругости, низкой плотностью и хорошей смачиваемостью [3, 4]. Наиболее распространенным способом получения таких алюмоматричных композиционных материалов (АМКМ) является метод механического замешивания частиц в расплав алюминия, однако такой подход исключает возможность получения фазы карбида титана высокой дисперсности, поскольку вводимые частицы склонны к агломерированию, а также зачастую содержат примесные адсорбированные соединения, которые препятствуют полноценному усвоению в расплаве. Учитывая перечисленные выше факторы, наиболее целесообразным вариантом является формирование дисперсных частиц карбида титана непосредственно в расплаве, из исходных элементных порошков титана и углерода или их соединений [5-7]. Данная технология, основанная на методе самораспространяющегося высокотемпературного синтеза (СВС), разработана и применяется на кафедре «Металловедение, порошковая металлургия, наноматериалы» Самарского государственного технического университета. По результатам проведенных исследований уже была показана возможность успешного синтеза композиционных материалов составов Al-10%TiC, Al-5%Cu-10%TiC, Al-5%Cu-2%Mn-10%TiC и др., отличающихся повышенными механическими характеристиками [8, 9].
Обзор современных публикаций показал, что наблюдается устойчивая тенденция по армированию фазой карбида титана промышленных сплавов [10]. Например, в исследовании [11] в состав алюминиевого сплава 2014 вводилась лигатура Al-10%TiC, что способствовало увеличению прочности со 118 до 147 МПа, а твердости – с 61 до 94 HV. В работе [12] методом механического замешивания был получен композиционный материал на основе сплава АМг1, содержащий 5 масс.% SiC. Увеличение прочностных характеристик алюминиево-магниевых сплавов чрезвычайно актуально, поскольку они широко используются благодаря невысокой стоимости, хорошей деформируемости, коррозионной стойкости и свариваемости, но при этом не отличаются прочностью [13]. Сплавы серии АМг дополнительно упрочняют с помощью пластической деформации, однако применение наклепа приводит к снижению пластичности, поэтому окончательным этапом является проведение отжига, который предназначен для частичного или полного снятия деформационного упрочнения, в результате чего наблюдается снижение прочности [14, 15]. На основании полученных данных, по результатам литературного обзора на кафедре «Металловедение, порошковая металлургия, наноматериалы» были проведены исследования по получению методом СВС композиционных материалов АМг2-10%TiC и АМг6-10%TiC. В работах [16, 17] показана возможность синтеза АМКМ АМг2-10%TiC и АМг6-10%TiC с повышенными характеристиками твердости, микротвердости и прочности.
Сплавы АМг2 и АМг6 относят к сплавам, подвергаемым сварке методом АРДС. Однако следует отметить, что процесс дуговой сварки АМКМ сопровождается такими проблемами, как: неблагоприятное влияние армирующей фазы на поведение дугового разряда; перераспределение армирующей фазы в сварном шве; растворение армирующей фазы в сварочной ванне; низкая текучесть ванны композиционного материала [18–20]. В работе [21] отмечается, что использование дуговой сварки с присадочным материалом позволяет снизить искажение дуги, вызванное присутствием армирующей фазы карбида кремния. В работах [18, 19] проводились исследования сварки неплавящимся электродом в среде аргона литых АМКМ, армированных частицами SiC, Al2O3, Si3N4. Установлено, что керамический наполнитель сохраняется в металле шва, однако его распределение в матрице зависит от режимов сварки. Также отмечается, что твердость сварных швов оказывается выше твердости исходного АМКМ. Авторами работы [22] отмечается, что при сварке неплавящимся электродом пластин АМКМ 76х40х9 мм полученные швы характеризовались большой пористостью и появлением горячих трещин. Интенсивное порообразование при аргонодуговой сварке АМКМ также подтверждается в работах [18, 19]. В работе [23] при АРДС КМ АЛ25+18%SiC установлено, что сварочная ванна имеет большую вязкость в связи с наличием частиц армирующей фазы. Однако проблема недостаточной жидкотекучести может быть устранена применением присадочных материалов. Например, в работе [23] проводили дуговую сварку композиционного материала АМг5+12%SiC толщиной 3 мм с использованием присадочной проволоки марки 5356, рабочий ток сварки Iсв = 150 А, Vсв = 10-12 м/ч. В результате получены сварные соединения с полным проплавлением и нормальным формированием шва.
В связи с перечисленными проблемами и методами их решения, целью данной работы было поставлено получение сварных соединений методом аргонодуговой сварки неплавящимся электродом на основе алюмоматричных композиционных материалов АМг2-10%TiC и АМг6-10%TiC с использованием присадочного прутка марки 5356 и сравнение структуры и свойств сварных образцов АМКМ со сварными образцами матричных сплавов АМг2 и АМг6, полученных по одинаковым режимам.
РЕЗУЛЬТАТЫ И ОБСУЖДЕНИЕ
Методы и материалы
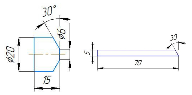
Методика получения композиционных материалов, армированных высокодисперсной фазой карбида титана на основе промышленных сплавов АМг2 и АМг6, полученных методом СВС в расплаве, приведена в работах [16, 17]. Для исследования возможности получения неразъемных соединений композиционных материалов АМг2-10%TiC и АМг6-10%TiC методом АРДС были подготовлены два вида образцов в соответствии с ГОСТ 14806-80 (рисунок 1). Перед проведением сварки производилась зачистка поверхности образцов путем фрезерной обработки. В качестве присадочного материала использовался алюминиевый пруток марки 5356 (таблица 1). Для проведения сварочных работ был использован сварочный аппарат марки CEBORA WIN TIG AC-DC 180M. Рабочий ток сварки на пластинах составлял 80-100 А, на цилиндрах – 20-40 А. Для выявления микроструктуры проводили травление образцов раствором 50% HF+50% HNO3 в течение 10-15 сек. Металлографический и микрорентгеноспектральный анализы осуществляли на растровом электронном микроскопе Jeol JSM-6390A. Количество армирующей фазы в различных зонах сварных соединений оценивалось путем обработки изображений при помощи программы ImageJ. Оценка качества швов методами неразрушающего контроля производилась в соответствии с ГОСТ ISO 17635-2018, ГОСТ ISO 17636-1-2017, ГОСТ Р ИСО 6520-1-2012. Радиографический контроль сварных соединений (ГОСТ 7512-86) производился на аппарате марки РУП 150/300, режим просвечивания представлен в таблице 2. Для контроля соединений из алюминиевых сплавов применялась промышленная рентгеновская пленка KODAK 7200 ASTM E 1815-18 класс I мелкозернистой структуры с повышенной контрастностью. Для измерения изображений дефектов размером до 1,5 мм применяли измерительную лупу (ГОСТ 25706-83), а для дефектов более 1,5 мм – прозрачную измерительную линейку. Оценка механических свойств сварных соединений производилась по ГОСТ 57180-2016. Измерение твердости сварных соединений проводилось по Бринеллю (НВ) на твердомере ЗИП ТК-2М по методу Бринелля (ГОСТ 9012-59): установленная нагрузка 100 кгс, диаметр шарика 2,5 мм, время нагружения 20 сек. Испытания на растяжение проводились на разрывной машине Inspekt 200 на образцах, вырезанных поперек сварного шва, по ГОСТ Р ИСО 4136-2009. Испытания на одноосное сжатие осуществлялись на испытательной машине Instron 5988 по ГОСТ 25.503-97 на образцах III типа. Испытания на статический изгиб проводились в соответствии с ГОСТ 6996-66 (ИСО 4126-89) на образцах, вырезанных поперек шва. Оценка коррозионной стойкости сварных соединений производилась в среде (ГОСТ 58346-2019): водный раствор 5 % NaCl, газовая фаза 1 МПа CO2, 0,5 МПа H2S, 3,5 МПа N2. Температура испытаний составляла 80 ℃, длительность – 240 часов, общее давление – 5 МПа.
Рисунок 1. Вид сварных образцов, подготовленных под сварку методом TIG: а) цилиндрические образцы; б) пластины.
Таблица 1. Химический состав присадочного прутка марки 5356.
Марка | Содержание элемента, масс. % | |||||||
Al | Cr | Cu | Fe | Mg | Mn | Ti | Zn | |
5356 | основа | 0,05-02 | 0,05 | 0,25 | 4,5-5,5 | 0,1-0,2 | 0,06-0,2 | 0,1 |
Таблица 2. Режим просвечивания при радиографическом контроле.
Параметр | Значение |
Напряжение на трубке | 70 В |
Сила тока на трубке | 7 А |
Время просвечивания | 12 сек |
Расстояние до образца | 75 см |
Результаты микроструктурного и микрорентгеноспектрального анализов сварных образцов приведены на рисунках 2-7.
Рисунок 2. Микроструктуры сварного соединения АМг2: а) зона шва; б) зона термического влияния; в) зона основного металла.
Рисунок 3. Микроструктуры сварного соединения АМг2-10%TiC: а) зона шва; б) зона термического влияния; в) зона основного металла.
Рисунок 4. Микрорентгеноспектральный анализ сварного соединения АМг2-10%TiC в зоне шва.
Рисунок 5. Микроструктуры сварного соединения АМг6: а) зона шва; б) зона термического влияния; в) зона основного металла.
Рисунок 6. Микроструктуры сварного соединения АМг6-10%TiC: а) зона шва; б) зона термического влияния; в) зона основного металла.
Рисунок 7. Микрорентгеноспектральный анализ сварного соединения АМг6-10%TiC в зоне шва.
Микроструктурный анализ сварного образца АМг2 показывает присутствие незначительной пористости в зоне шва, вызванной оплавлением зерен магния в результате воздействия высоких температур в процессе сварки и отсутствия нагартовки (рисунок 2, а).
Микроструктурный анализ сварного образца АМг2-10%TiC также показывает присутствие пор, однако их количество незначительно и присутствует в зоне термического влияния (рисунок 3б) и зоне основного металла (рисунок 3в). Присутствие пор в зоне основного металла вызвано активным газовыделением в процессе СВС и, по данным работы [16], составляет 1 %. Наличие пор в зоне термического влияния может быть связано с воздействием высоких температур в процессе сварки, а также образованием оксидов алюминия и магния. Также, по результатам микроструктурного анализа, армирующая фаза карбида титана присутствует во всех трех зонах, однако наибольшее количество расположено в зоне основного металла и убывает по мере приближения к зоне сварного шва, что подтверждается результатами работ [19, 20] и отображено в таблице 3. Данное явление связано с тем, что в процессе кристаллизации сварочной ванны перераспределение армирующего наполнителя происходит вследствие оттеснения фронтом растущей твердой фазы в центральную часть шва.
Таблица 3. Распределение армирующей фазы TiC в различных зона сварного соединения.
АМг2-TiC | Зона сварного шва | Зона термического влияния | Зона основного металла |
5% | 7% | 9% |
По результатам микрорентгеноспектрального анализа (рисунок 4) в зоне сварного шва обнаружены элементы Al, Ti и С, что подтверждает присутствие армирующей фазы TiC в зоне сварного шва.
Микроструктурный анализ сварного образца АМг6, в отличие от сварного образца АМг2, показывает наличие пор во всех трех зонах (рисунок 5).
Микроструктурный анализ сварного образца АМг6-10%TiC также характеризуется наличием пор, однако их количество незначительно и присутствует в зоне термического влияния (рисунок 6б) и зоне основного металла (рисунок 6в). Присутствие пор в зоне основного металла вызвано активным газовыделением в процессе СВС и, по данным работы [17], составляет 1 %. Также по результатам микроструктурного анализа армирующая фаза карбида титана присутствует во всех трех зонах. Следует отметить, что наибольшее количество армирующего наполнителя располагается в зоне основного металла и уменьшается по мере приближения к сварному шву, что отражено в таблице 4.
Таблица 4. Распределение армирующей фазы TiC в различных зона сварного соединения.
АМг6-TiC | Зона сварного шва | Зона термического влияния | Зона основного металла |
5% | 7% | 10% |
По результатам микрорентгеноспектрального анализа (рисунок 7) в зоне сварного шва обнаружены элементы Al, Ti, С, Mg и Mn. Таким образом, подтверждается присутствие армирующей фазы TiC в зоне сварного шва.
Результаты визуально-измерительного контроля приведены в таблице 5.
Таблица 5. Результаты визуально-измерительного контроля.
Образец | Геометрические параметры шва, мм | ||||||
Ширина шва | Выпуклость лицевой стороны | Выпуклость обратной стороны | Вогнутость корня шва | Глубина подреза | Глубина впадин | Размер пор | |
АМг2 | 9,4 | 0,94 | 0,25 | 0,1 | - | - | 0,1-0,5 |
АМг2-10%TiC | 9,9 | 2,18 | 0,15 | 0,1 | - | 0,1 | 0,1-1,2 |
АМг6 | 7,95 | 1,82 | 0,2 | 0,1 | 0,1 | 0,1 | 0,1-1,1 |
АМг6-10%TiC | 10,3 | 1,58 | 0,1 | 0,1 | - | 0,2 | 0,1-1,2 |
Анализируя результаты ВИК, становится очевидно, что во всех образцах присутствует незначительное количество пор, однако их размер не превышает 1,2 мм, а занимаемая площадь – не более 10 %, что не окажет негативного влияния на механические свойствах неразъемных соединений [25].
Результаты радиографического контроля представлены на рисунке 8.
Рисунок 8. Радиографический контроль сварных образцов: а) АМг2; б) АМг2-10%TiC; в) АМг6; г) АМг6-10%TiC.
По результатам РК выявлено два типа дефектов: поры и непровары. Поры располагаются преимущественно в корне шва, а их средний размер составляет не более 1 мм. Так как суммарная площадь пор составляет не более 5 % от площади сечения шва, то данный дефект не оказывает негативного влияния на статическую прочность сварных соединений. Следует отметить, что поры в АМКМ располагаются преимущественно в центральной зоне сварного шва и имеют размер менее 100 мкм, что подтверждается результатами работы [22]. Также во всех образцах присутствует скрытый дефект – непровар. Протяженность непроваров составляет 1/3 образца (~20 мм), однако в образцах АМг2 и АМг6-10%TiC непровар наблюдается по всей длине шва, что окажет негативное влияние на механические свойствах сварных соединений (↓30 %), особенно прочности на растяжение.
Для оценки влияния наличия непроваров в неразъемных соединениях все образцы были подвержены испытаниям по разрушающим методам контроля, а именно: на растяжение, изгиб, ползучесть, сжатие, твердость [24]. Результаты оценки твердости сварных образцов в различных зонах представлены в таблице 6.
Таблица 6. Твердость в различных зонах сварных соединений.
Образец | Твердость образцов в различных зонах, НВ, МПа | |||
Исходный образец | Зона сварного шва | Зона термического влияния | Зона основного металла | |
АМг2 | 509 | 644 (↑26 %) | 510 | 594 (↑17 %) |
АМг2-10%TiC | 594 | 699 (↑17 %) | 550 (↓8 %) | 624 (↑5 %) |
АМг6 | 830 | 761 (↓8 %) | 761 (↓8 %) | 761 (↓8 %) |
АМг6-10%TiC | 909 | 761 (↓16 %) | 830 (↓9 %) | 830 (↓9 %) |
При оценке твердости в сварном образце АМг2 наблюдается прирост твердости в зоне сварного шва и зоне основного металла. В зоне термического влияния показатели твердости не претерпевают изменений. В сварном образце АМг2-10%TiC так же, как и в предыдущем случае, в зоне сварного шва и зоне основного металла наблюдается прирост твердости, что подтверждается результатами работы [20]. В зоне термического влияния твердость падает незначительно, однако следует отметить, что показатели значительно выше, чем в случае матричной основа АМг2. Прирост твердости в зоне основного металла в обоих образцах может быть связан с образованием β-фазы состава Al3Mg2, вызванного нагревом, что подтверждается работами [16, 17]. В сварных образцах АМг6 и АМг6-10%TiC наблюдается падение твердости во всех трех зонах. Так как магний в данных образцах присутствует в большем количестве, чем в образцах на основе сплава АМг2, падение твердости может быть связано с оплавлением зерен Mg вследствие воздействия высоких температур [13].
Результаты испытаний сварных соединений на одноосное статическое сжатие представлены в таблице 7.
Таблица 7. Результаты механических испытаний сварных образцов на одноосное статическое сжатие.
Образец | В исходном состоянии | После сварки | ||||||
Предел текучести, σт, МПа | Отн. деф., % | Степень деформации, ε0 | Коэф. уковки | Предел текучести, σт, МПа | Отн. деф., % | Степень деформации, ε0 | Коэф. уковки | |
АМг2 | 281 | 62 | 32 | 1,5 | 300 (↑7 %) | 68 | 63 | 2,7 |
АМг2-10%TiC | 271 | 60 | 25 | 1,3 | 340 | 64 | 60 | 2,5 |
АМг6 | 401 | 31 | 44 | 1,8 | 392 | 46 | 54 | 2,2 |
АМг6-10%TiC | 403 | 19 | 39 | 1,7 | 364 | 37 | 56 | 2,3 |
Внешний вид неразъемных соединений материалов АМг2 и АМг2-10%TiC после испытаний на одноосное статическое сжатие: присутствие трещин наблюдается на боковых поверхностях образцов и в небольшом количестве. На образцах АМг6 и АМг6-10%TiC трещины присутствуют также на боковой поверхности, однако их глубина и количество больше, чем в предыдущем случае.
Данные из таблицы 7 свидетельствуют о том, что на образцах АМг2 и АМг2-10%TiC после сварки наблюдается повышение предела текучести в сравнении с образцами в литом состоянии. Данное явление может быть обусловлено повышенными значениями твердости и прочности присадочного материала в связи с большим количество магния в составе (~ 5 %). На образцах АМг6 и АМг6-10%TiC после сварки наблюдается незначительное падение предела текучести по сравнению с образцами в литом состоянии. Данное явление также объясняется чуть меньшим содержанием магния в присадочном материале, чем в основном металле.
Результаты испытаний на одноосное статическое растяжение и статический изгиб представлены в таблице 8.
Таблица 8. Результаты механических испытаний сварных образцов на одноосное статическое растяжение и статический изгиб.
Образец | Предел прочности при разрыве, МПа | Коэффициент прочности сварного соединения, φW | N*, кгс | Угол появления первых трещин при изгибе, град. | |
Литой образец | Сварной образец | ||||
АМг2 | 246 | 66 (↓30 %) | 0,22 | 337 | 21 |
АМг2-10%TiC | 158 | 134 (↓25 %) | 0,68 | 682 | 45 |
АМг6 | 367 | 68 (↓81 %) | 0,15 | 348 | 5 |
АМг6-10%TiC | 180 | 120 (↓33 %) | 0,53 | 607 | 9 |
* – допустимое действительное усилие при растяжении на 1 см качественного шва при толщине пластины 5 мм.
Внешний вид излома после испытаний на растяжение сварного образца АМг2 можно охарактеризовать хрупким (блестящий, крупнозернистый излом), разрыв материала происходит по центру шва и имеет «рваный» вид. Внешний вид излома сварного образца АМг2-10%TiC после разрыва имеет матовую и мелкозернистую структуру, следовательно, материал менее хрупкий, что подтверждается результатами в таблице 7, разрыв образца также происходит по центру шва. В отличие от предыдущих образцов, разрыв сварного образца АМг6 произошел по кромке сварного шва. Анализируя внешний вид излома образца АМг6-10%TiC после испытаний на растяжение можно сделать вывод, что материал является менее хрупким, чем матричная основа АМг6, так как излом матовый и имеет мелкозернистый вид, разрыв происходит по центру шва. Следует отметить, что в изломах сварных образцов АМг2-10%TiC и АМг6-10%TiC виден дефект сварного соединения – непровар, который ранее был также определен по результатам РК (рисунок 8, б, г). Как и было спрогнозировано, присутствие непровара приводит к снижению прочности алюминиевых сплавов прямо пропорционально глубине этого непровара, в данном случае, – примерно на 30 %, кроме образца АМг6, где падение прочностных характеристик составляет порядка 80 %.
При испытаниях на изгиб первые трещины на матричном сплаве АМг2 появились при достижении угла в 21 ° между ребрами пластины в центре сварного шва. На композиционном материале АМг2-10%TiC первые трещины при испытании на изгиб появились при достижении угла в 45 ° между ребрами пластины в зоне термического влияния, что говорит о хорошей прочности сварного соединения. На матричном сплаве АМг6 первые трещины появились при достижении угла в 5 ° между ребрами пластины в центре сварного шва. При испытаниях на изгиб первые трещины на композиционном материале АМг6-10%TiC появились при достижении угла в 9 ° между ребрами пластины по кромке сварного шва, по всей длине пластины, что говорит о плохом качестве сплавления материала шва и основного металла.
Результаты испытаний на определение коррозионной стойкости представлены в таблице 9. Анализируя полученные результаты, очевидно, что наличие сварного соединения не приводит к падению уровня коррозионной стойкости материалов.
Таблица 9. Результаты испытаний сварных образцов на коррозионную стойкость.
Образец | Параметр | ||
Изменение толщины, ∆L, м | Скорость коррозии, V, г/м2•ч | Глубинный показатель коррозии, π, мм/год | |
АМг2Н | 0,058 | 0,666 | 0,0021 |
АМг2 (св.) | 0,056 | 0,670 | 0,0021 |
АМг2-10%TiC | 0,350 | 0,416 | 0,0014 |
АМг2-10%TiC (св.) | 0,350 | 0,415 | 0,0014 |
АМг6Н | 0,082 | 0,962 | 0,0030 |
АМг6 (св.) | 0,099 | 1,049 | 0,0035 |
АМг6-10%TiC | 0,057 | 0,627 | 0,0027 |
АМг6-10%TiC (св.) | 0,068 | 0,724 | 0,0028 |
ЗАКЛЮЧЕНИЕ И ВЫВОДЫ
Таким образом, по результатам работы можно сделать следующие выводы:
- Показана возможность применения метода АРДС для получения сварных соединений композиционных материалов АМг2-10%TiC и АМг6-10%TiC. Методами металлографического анализа установлено присутствие армирующей фазы карбида титана не только в зоне основного металла, но также в зоне термического влияния и зоне сварного шва. Установлено, что присутствие армирующей фазы в зоне сварного шва примерно в 2 раза меньше, чем в зоне основного металла. Методами неразрушающего контроля выявлено присутствие незначительного количества пор и присутствие непроваров во всех сварных образцах (АМг2, АМг2-10%TiC, АМг6, АМг6-10%TiC). Методами разрушающего контроля показано, что сварные образцы на основе композиционных материалов АМг2-10%TiC и АМг6-10%TiC показывают более высокие механические свойства, чем сварные образцы АМг2 и АМг6. Доказано, что падение предела прочности при растяжении прямо пропорционально глубине непровара, таким образом, представляется возможным спрогнозировать свойства конечного изделия. Установлено, что наличие сварного шва не приводит к падению коррозионной стойкости композиционных материалов и их матричных основ.
- По результатам проведенного исследования выявлено, что применение метода АРДС для получения неразъемных соединений композиционных материалов возможно в случае материала АМг2-10%TiC, однако не рекомендуется на композите состава АМг6-10%TiC, так как наблюдается значительное падение механических характеристик. В целом, полученные данные позволяют рекомендовать использовать неразъемные соединения, полученные с использованием метода АРДС, на основе композита АМг2-10%TiC для работы в условиях сжимающих нагрузок и агрессивных сред, однако не рекомендуется использование в условиях растягивающих и изгибающих напряжений.
About the authors
Yulia V. Sherina
Samara State Technical University
Author for correspondence.
Email: yulya.makhonina.97@inbox.ru
Post-graduate Student
Russian Federation, SamaraAlfiya R. Lutz
Samara State Technical University
Email: yulya.makhonina.97@inbox.ru
Candidate of Technical Sciences, Associate Professor
Russian Federation, SamaraMaxim V. Bogatov
LLC Scientific and Production Center Samara
Email: yulya.makhonina.97@inbox.ru
Engineer of 1 category
Russian Federation, SamaraEvgeny N. Golubovskiy
OJSC Metallist-Samara
Email: yulya.makhonina.97@inbox.ru
Deputy Chief Metallurgist
Russian Federation, SamaraReferences
- Панфилов, А. А. Проблемы и перспективы развития производства и применения алюмоматричных композиционных сплавов / Е. С. Прусов, В. А. Кечин. – Текст: непосредственный // Труды нижегородского государственного технического университета им. Р. Е. Алексеева. – 2013. – № 2 (99). – С. 210–217.
- Михеев, Р. С. Алюмоматричные композиционные материалы с карбидным упрочнением для решения задач новой техники / Р. С. Михеев, Т. А. Чернышова. – М.: Издание РФФИ, 2013. – 356 с. – Текст: непосредственный.
- Pandey U., Purohit R., Agarwal P., Dhakad S.K., Rana R.S. Effect of TiC particles on the mechanical properties of aluminium alloy metal matrix composites (MMCs) // Materials Today: Proceedings. 2017. № 4. рp. 5452-5460.
- Zhou D., Qiu F., Jiang Q. The nano-sized TiC particle reinforced Al–Cu matrix composite with superior tensile ductility // Mater. Sci. Eng. A. 2015. № 622. рр. 189–193.
- Nath H., Amosov A. P. SHS amidst other new processes for in-situ synthesis of Al-matrix composites: A review // Int. Journal of Self-Propagating High-Temperature Synthesis. 2016. №. 25. рр. 50–58.
- Pramod S.L., Bakshi S.R., Murty B.S. Aluminum-based cast in situ composites: A Review // J. Mater. Eng. Perform. 2015. №. 24(6). рр. 2185–2207.
- Chaubey A.K., Prashanth K.G., Ray N., Wang Z. Study on in-situ synthesis of Al-TiC composite by self - propagating high temperature synthesis process // MSAIJ. 2015. №. 12. рр. 454–461.
- Амосов, А. П. Применение различных порошковых форм углерода для армирования алюмоматричных композиционных материалов углеродом и карбидом титана (обзор) / А. П. Амосов, А. Р. Луц, А. Д. Рыбаков, Е. И. Латухин. – Текст: непосредственный // Известия вузов. Цветная металлургия. – 2020. – № 4. – С. 44–64.
- Луц, А. Р. Самораспространяющийся высокотемпературный синтез наноструктурных композиционных сплавов (Al–2%Mn)–10%TiC и (Al–5%Cu–2%Mn)–10%TiC при легировании порошковым марганцем / А. Р. Луц, А. П. Амосов, Е. И. Латухин. – Текст: непосредственный // Известия вузов. Порошковая металлургия и функциональные покрытия. – 2018. – №. 3. – С. 30–40.
- Lei Wang, Feng Qiu, Qinglong Zhao, Huiyuan Wang, Qichuan Jiang. Simultaneously increasing the elevated-temperature tensile and plasticity of in situ nano-sized TiCx/Al-Cu-Mg composites // Materials. 2017. №. 125. рр. 7-12.
- Anand Kumar, Manas Mohan Mahapatra, Pradeep Kumar Jha. Fabrication and Characterizations of Mechanical Properties of Al-4.5%Cu/10TiC Composite by In-Situ Method // Journal of Minerals and Materials Characterization and Engineering. 2012. №. 11. рр. 1075–1080.
- Курганова, Ю. А. Исследование механических свойств перспективных алюмоматричных композиционных материалов, армированных SiC и Al2O3 / Ю. А. Курганова, А. Г. Колмаков, Ицзинь Чэнь, С. В. Курганов. – Текст: непосредственный // Материаловедение. – 2021. – № 6. – С. 34–38.
- Колачев, Б. А. Металловедение и термическая обработка цветных металлов и сплавов / Б. А. Колачев, М. И. Елагин, В. А. Ливанов. – М.: МИСИС, 2001. – 432 с. – Текст: непосредственный.
- Белов, Н. А. Фазовый состав алюминиевых сплавов / Н. А. Белов. – М.: МИСИС, 2009. – 389 с. – Текст: непосредственный.
- Арзамасов, Б. Н. Материаловедение: учебник для вузов / Б. Н. Арзамасов, В. И. Макарова, Г. Г. Мухин, Н. М. Рыжов, В. И. Силаева. – М.: Изд-во МГТУ им. Н.Э. Баумана, 2008. – 648 с. – Текст: непосредственный.
- Луц, А. Р. Влияние термической обработки на структуру и свойства композиционного материала АМг2-10%TiC, полученного методом самораспространяющегося высокотемпературного синтеза / А. Р. Луц, Ю. В. Шерина, А. П. Амосов, А. Д. Качура. – Текст: непосредственный // Материалы VI Всероссийской научно-практической конференции с международным участием, г. Пермь, 10–14 октября 2022 г. – С. 363–367.
- Шерина, Ю. В. Влияние армирования высокодисперсной фазой карбида титана и последующей термической обработки на структуру и свойства сплава АМг6 / Ю. В. Шерина, А. Р. Луц, П. Е. Кичаев, М. В. Богатов, А. П. Амосов. – Текст: непосредственный // Наукоемкие технологии в машиностроении. – 2023. – №. 5 (143). – С. 15–21.
- Чернышов, Г. Г. Дуговая сварка дискретно армированных композиционных материалов с алюминиевыми матрицами: структур и свойства / Г. Г. Чернышов, Т. А. Чернышова // Заготовительные производства в машиностроении. – 2004. – № 5. – С. 5–9.
- Чернышов, Г. Г. Влияние термического цикла дуговой сварки на структуру и свойства сварных швов дисперсно-наполненных металлокомпозитов / Г. Г. Чернышов, А. М. Рыбачук, Т. А. Чернышова и др. – Текст: непосредственный // Сварочное производство. – 2001. – № 11. – С. 7–13.
- Garcia R., Lopez V.H., Bedolla E., Manzano A. A comparative study of the MIG welding of Al/TiC composites usingчdirect and indirect electric arc processes // Journal of materials science. 2003. № 38. рр. 2771–2779.
- Черепивская, Е. В. Сварка плавлением дисперсно–упрочненных композиционных материалов на основе алюминия, содержащих частицы карбида кремния (обзор) / Е. В. Черепивская, В. Р. Рябов. – Текст: непосредственный // Автоматическая сварка. – 2002. – № 4. – С. 12–18.
- Urena A., Rodrigo P., Gil L., Escalera M.D., Baldonedo J.L. Interfacial reactions in an Al–Cu–Mg (2009)/SiCw composite during liquid processing. Part II. Arc welding // Journal of materials science. 2001. № 36. рр. 429 – 439.
- Рябов, В. Р. Исследование свариваемости дисперсно-упрочнённого композиционного материала Al + SiC / В. Р. Рябов, А. Н. Муравейник, В. П. Будник и др. – Текст: непосредственный // Автоматическая сварка. – 2001. – № 11. – С. 15–19.
- Овчинников, В. В. Дефектация сварных швов и контроль качества сварных соединений: учебник для студ. учреждений сред. проф. Образования / В. В. Овчинников. – М.: Издательский центр «Академия», 2017. – С. 224. – Текст: непосредственный.
- Пат.743175 США МКМ В 23 К 9/23, МКИ 219/137. Method of welding of metal matrix composites / Das. K. Bhadwan. Опубл. 21.06.88.
Supplementary files










