Development of a method for selective determination of the outgoing line and the distance to the place of occurrence of a single-phase earth fault
- Авторлар: Oschepkov V.A.1
-
Мекемелер:
- Omsk State Technical University
- Шығарылым: Том 19, № 3 (2023)
- Беттер: 127-135
- Бөлім: POWER INDUSTRY
- URL: https://journals.rcsi.science/1816-9228/article/view/253741
- DOI: https://doi.org/10.18822/byusu202303127-135
- ID: 253741
Дәйексөз келтіру
Толық мәтін
Аннотация
Subject of research: algorithms for selective determination of the outgoing line in the event of a single-phase earth fault; algorithms for determining the distance to the fault location.
Purpose of research: development of an industrial frequency overlay method for determining the outgoing line with a single-phase earth fault. Development of an algorithm for determining the distance to the place of a single-phase earth fault by the method of standing waves.
Object of research: electrical networks 6-35 kV.
Methods of research: theory of electrical circuits, mathematical analysis and modeling; resonant modes; standing wave method.
Main results of research: An algorithm for the selective determination of the outgoing line with a single-phase earth fault has been developed. An algorithm for determining the distance to the closure site by the standing wave method has been developed.
Негізгі сөздер
Толық мәтін
Введение
Распределительные электрические сети напряжением 6-35 кВ в России работают в режиме изолированной нейтрали. В случае превышения ёмкостного тока замыкания на землю установленных для каждого класса напряжения пределов требуется эксплуатация в режиме компенсированной нейтрали, для чего применяются дугогасящие реакторы. Одним из главных достоинств режима изолированной (компенсированной) нейтрали является высокая степень надежности электрических сетей. Как показывает статистика, до 75% всех повреждений, возникающих в распределительных сетях среднего класса напряжения 6-35 кВ, являются однофазные замыкания на землю. Такой вид повреждения не нарушает треугольник линейных напряжений и не сопровождается большими токами замыкания. В Ханты-Мансийском автономном округе – Югре значительная часть распределительных сетей 6 кВ питает кустовые подстанции предприятий нефтедобывающего сектора. Высокая надёжность электрических сетей требуется для предотвращения перерывов в работе и нарушения технологии добычи нефти. В числе недостатков режима изолированной (компенсированной) нейтрали следует выделить: повышение напряжения на «здоровых» фазах до линейного, возникновение шагового напряжения в месте возникновения замыкания, что является опасным фактором как для персонала, так и для гражданского населения. Таким образом, требуется своевременное определение отходящей линии с замыканием и её отключение. Существенную сложность в решении этих задач представляет тот фактор, что при замыкании на землю ток изменяется незначительно по отношению к нагрузочным токам. В настоящее время разработан ряд методов, основанных на использовании электрических величин промышленной частоты, высших гармоник, «наложенных токов», величин переходного процесса и др. [3].
Особенностью электрических сетей, работающих в режиме изолированной нейтрали, является смещение нейтрали, даже в нормальном режиме работы, что наиболее характерно для воздушных линий электропередачи. Результаты расчетов и моделирования возможных диапазонов смещения нейтрали представлены в статье [6]. Как отмечают авторы в работе [4], в режиме резонансно-компенсированной нейтрали при высокой добротности контура «напряжение нулевой последовательности может превышать номинальное фазное напряжение» [4, c. 60].
В работе [1] авторы указывают на метод определения места замыкания фазы на землю, основанный на использовании параметров электрических величин переходного процесса, как наиболее перспективный. В статье [2] автор приводит подробный анализ построения релейной защиты, основанной на величинах переходного процесса. В статье [5] представлен литературный обзор существующих методов и подходов для определения расстояния от подстанции до места замыкания.
Для электросетевых компаний, обслуживающих распределительные сети 6-35 кВ, работающие в режиме изолированной (резонансно-компенсированной нейтрали) актуальной задачей остается не только селективное определение отходящей линии с однофазным замыканием на землю, но и поиск места замыкания. Особенно сложной является задача поиска места в условиях пересеченной местности, в том числе и для Ханты-Мансийского автономного округа – Югры.
Результаты и обсуждение
Для электрических сетей с изолированной или резонансно-компенсированной нейтралью в качестве одного из методов селективного определения отходящей линии с замыканием на землю необходимо определение результатов измерения токов с частотой резонанса напряжения на защищаемых линиях. На шины (рис. 1), питающие защищаемые воздушные и (или) кабельные линии электропередачи, подается синусоидальное напряжение с переменной частотой. Однофазное замыкание на землю и поврежденная фаза, в таком случае, могут быть определены методом автоматического сравнения измеренного действующего значения высокочастотного тока при достижении резонанса напряжения. Действующее значение тока в поврежденной линии на резонансной частоте будет на порядок превышать действующие значения токов отходящих линий без замыкания на землю.
Рисунок 1 – Схема распределительного устройства
Схема подключения устройства селективного определения представлена на рисунке 2. Генератор непромышленной частоты (Uвч) через согласующий трансформатор и разделительные конденсаторы (СВ) подключается к шинам подстанции (СШ I). На каждой фазе отходящих линий необходимо установить датчики тока на ферритах, которые позволяют измерить действующее значение тока непромышленной частоты.
Рисунок 2 – Схема подключения устройства
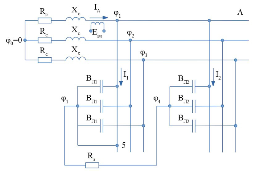
Схема замещения сети будет иметь вид, представленный на рисунке 3.
Рисунок 3 – Схема замещения при ОЗЗ на фазе «А»
Устройство работает в автоматическом режиме, не требует участия персонала – на шины 3 (рис. 1) распределительного устройства 1, от которого отходят защищаемые линии 4, подается синусоидальное напряжение с переменной частотой. Частота меняется устройством автоматически. Частота на генераторе 7 (рис. 2) изменяется до возникновения резонанса напряжения, при котором ток в защищаемых линиях достигает максимального значения. Величина этого тока ограничена активными сопротивлениями системы Rc (рис. 3). В этом случае для схемы, представленной на рисунке 3, угловая резонансная частота будет определяться по формуле:
(1)
где – суммарная эквивалентная ёмкость отходящих линий электропередачи; – приведенная индуктивность рассеяния системы.
Ток на резонансной частоте в защищаемых линиях 4 (рис. 2) будет измеряться ферритовыми датчиками тока 8. На рисунке 4 показаны результаты моделирования в Mathcad работы рассматриваемого метода селективного определения отходящей линии, ток промышленной частоты 50 Гц обозначен «1», а суммарный ток в поврежденном присоединении обозначен «2».
По рисунку 4 видно, что высокочастотная составляющая тока на отходящей линии 5 с замкнутой на землю фазой «А» (рис. 3) существенно больше высокочастотного тока в отходящей линии без замыкания на землю, что позволяет определить с высокой достоверностью поврежденное присоединение.
Описанный выше алгоритм селективного определения отходящей линии графически может быть изложен в виде, представленном на рисунке 5.
Рисунок 4 – Результаты моделирования
Рисунок 5 – Алгоритм селективного определения отходящей линии
Представим численный расчет режима сети с целью обоснования требуемой селективности определения линии с однофазным замыканием на землю. Произведем расчет для схемы распределительного устройства (рис. 2) с двумя отходящими линиями длиной 10 км, схема замещения которого представлена на рисунке 3. Исходные данные для расчета представлены в таблице 1.
Таблица 1. Исходные данные для тестового расчета
Активное сопротивление системы Rc, Ом | Индуктивность системы Lc, Гн | Ёмкость между фазой линии и землей при длине линии 10 км, Сл1=Сл2 мкФ | Активное сопротивление земли Rз, Ом | ЭДС высокочастотного генератора, В |
0,1 | 0,01 | 0,06 | 10 | 1 |
Угловая частота резонансного режима для исследуемой схемы замещения (рис. 2) будет определяться по формуле:
(2)
Частота резонанса будет составлять:
(3)
Для резонансной частоты 2,65 кГц определим параметры схемы замещения. Индуктивное сопротивление системы Хс составит:
(4)
Емкостная проводимость линии на резонансной частоте:
(5)
Для рассматриваемой схемы замещения (рис. 3) можно записать следующие уравнения узловых потенциалов:
(6)
(7)
(8)
(9)
Величины узловых потенциалов составят:
;
;
;
.
Токи IА и I2 равны:
(10)
(11)
Ток I1 может быть определен по первому закону Кирхгофа:
(12)
Амплитудное значение токов I1 и I2:
(13)
(14)
На завершающем этапе определим действующие значения токов I1 и I2:
(15)
(16)
Сравнивая полученные результаты действующих значений токов на резонансной частоте (15-16), отчетливо видно, что значение тока в линии с замыканием на землю (I1) значительно больше, чем в «здоровой» линии (I2), что обеспечивает достаточное условие чувствительности и селективности.
Следует отметить, что применение метода наложения высокочастотного сигнала для решения поставленной задачи:
- не оказывает негативного влияния на работу силового оборудования распределительной сети;
- не вносит изменений в режим работы нейтрали и электрической сети;
- не влияет на работу устройств релейной защиты и автоматики, чей принцип работы основан на измерении токов и напряжений промышленной частоты;
- подключение источника высокочастотного напряжения (индуктор) к электрической сети осуществляется через согласующий трансформатор.
На основе использования метода стоячих волн был разработан алгоритм (рис. 6) работы устройства определения расстояния от подстанции до места ОЗЗ. Алгоритм обеспечивает автоматическую работу устройства без участия персонала.
Рисунок 6 –Алгоритм определения расстояния от ПС до места ОЗЗ
Алгоритм работы устройства может быть представлен следующими этапами.
- Регистрация факта возникновения однофазного замыкания на землю. В соответствии с методом, представленным в настоящей работе, устройство автоматически определяет отходящую линию, где возникло однофазное замыкание на землю.
- Генератор непромышленной частоты (Uвч), представленный на рисунке 2, генерирует синусоидальный высокочастотный сигнал на шинах РУ. При этом используется тот же генератор, что и в алгоритме селективного определения отходящей линии, – установки второго или дублирующего генератора не требуется. В отличие от алгоритма определения отходящей линии, применяется другой диапазон частот, причем сканирование начинается с частоты, соответствующей самой протяженной отходящей линии. Сканирование происходит автоматически без участия персонала.
- В результате сканирования определяется резонансная частота f.
- Расстояние до места повреждения (ОЗЗ) определяется по выражению:
, (17)
где v – фазовая скорость распространения волны (принимается равной скорости света).
В целом, работа устройства по селективному определению отходящей линии и определению расстояния от подстанции до места ОЗЗ является полностью автоматической. На дисплее устройства отображается две позиции: 1) номер отходящей линии (фидера); 2) расстояние в километрах от подстанции.
Высокочастотный генератор не оказывает влияния на работу электрической сети, требования электромагнитной совместимости не нарушаются, дополнительных переключений со стороны персонала не требуется. Алгоритм работы устройства в случае установки в сетях с двухсторонним питанием не изменяется – на каждой подстанции устанавливается комплект генератор – датчики. При возникновении ОЗЗ в сети с двухсторонним питанием, среагирует устройство на каждой подстанции и будет определено расстояние от ПС до места ОЗЗ.
Заключение и выводы
- В статье представлена схема и описан принцип работы устройства селективного определения отходящей линии, где произошло однофазное замыкание на землю. В основе работы разработанного устройства лежит принцип наложения тока непромышленной частоты с последующим сравнением действующих значений токов фаз отходящих линий. На численном примере показано существенное различие между токами поврежденной и здоровой фаз на резонансной частоте.
- Разработан алгоритм определения расстояния до места однофазного замыкания на землю. Алгоритм основан на методе стоячих волн.
Результаты работы могут быть использованы электросетевыми компаниями, эксплуатирующими распределительные сети 6-35 кВ.
Авторлар туралы
Vladimir Oschepkov
Omsk State Technical University
Хат алмасуға жауапты Автор.
Email: energoowa@mail.ru
Associate Professor, Candidate of Technical Science
Ресей, OmskӘдебиет тізімі
- Информационные параметры электрических величин переходного процесса для определения места замыкания на землю в распределительных кабельных сетях напряжением 6–10 кВ / В. А. Шуин [и др.]. – Текст : непосредственный // Вестник Ивановского государственного энергетического университета. – 2017. – № 2. – С. 34-42.
- Левиуш, А. И. Сигнализация и защита в сетях 6–35 кВ, основанных на использовании переходных процессов / А. И. Левиуш. – Текст : непосредственный // Релейная защита и автоматизация. – 2015. – № 1(18). – С. 22-26.
- Мирошник, В. Ю. Методы и алгоритмы для определения места однофазного замыкания на землю в сетях 6–35 кВ с использованием параметров аварийного режима / В. Ю. Мирошник, Д. В. Батулько, А. А. Ляшков. – Текст : непосредственный // Омский научный вестник. – 2017. –№ 1 (151). – С. 62-66.
- Сафонов, Д. Г. Определение напряжения нулевой последовательности с учетом естественной несимметрии параметров воздушной линии электропередачи / Д. Г. Сафонов, В. А. Ощепков, С. С. Гиршин. – Текст : непосредственный // Омский научный вестник. – 2016. – № 1 (145). – С. 58-60.
- Farughian, A. Review of methodologies for earth fault indication and location in compensated and unearthed MV distribution networks / A. Farughian, L. Kumpulainen, K. Kauhaniemi // Electric power systems research. – 2018. – vol. 154, January. – pp. 373-380. doi: 10.1016/j.epsr.2017.09.006.
- Meng, J. Zero-sequence voltage trajectory analysis for unbalanced distribution networks on single-line-to-ground fault condition / J. Meng [et al.] // Electric power systems research. – 2018. – vol. 161, August. – pp. 17-25. doi: 10.1016/j.epsr.2018.03.024.
Қосымша файлдар








