Determination of a damaged connection in single-phase earth fault
- Authors: Vladimirov L.V.1
-
Affiliations:
- Surgut State University
- Issue: Vol 18, No 4 (2022)
- Pages: 85-92
- Section: 2.4/2.4.3 Power Industry (Technical Sciences)
- URL: https://journals.rcsi.science/1816-9228/article/view/253684
- DOI: https://doi.org/10.18822/byusu20220485-92
- ID: 253684
Cite item
Full Text
Abstract
Subject of research: single-phase earth faults in electrical networks of medium voltage class.
Purpose of resarch: the development of a simulation model for the analysis of transient processes that occur during a "metallic" single-phase earth fault in a 35 kV electrical network.
Object of research: distribution electrical networks 6-35 kV operating in isolated neutral mode.
Main results of research: a simulation model was developed in the Matlab Simulink environment, which makes it possible to analyze the oscillograms of currents and voltages during a single-phase earth fault in networks with an isolated neutral. A method for determining the outgoing line with an earth fault is presented, based on the superimposition of non-power frequency currents. The source frequency is determined based on the condition for the occurrence of a resonant mode. Oscillograms are presented, from which it follows that the current in the damaged phase increases by more than 2 times, which makes it possible to selectively determine the damaged connection.
Full Text
Введение
Выбор режима работы нейтрали в отечественных распределительных сетях регламентируется п. 1.2.16 ПУЭ [1]. Режим работы нейтрали определяет величину тока в месте повреждения, возможный уровень перенапряжений на фазах, требования к фазной и линейной изоляции электрооборудования, устройство и принципы действия релейной защиты, вероятность возникновения феррорезонанса при неустойчивом (дуговом) замыкании в месте повреждения.
Наиболее широкое распространение в распределительных сетях получил режим изолированной нейтрали, поскольку в большинстве случаев токи при однофазном замыкании (ОЗЗ) не превышают установленных в ПУЭ пределов. Одно из ее преимуществ – возможность работы сети при ОЗЗ, при этом снижается количество перерывов в электроснабжении потребителей. При ОЗЗ релейная защита действует на сигнал и фиксирует наличие «земли» на секции шин. В дальнейшем поиск повреждения сводится к поочередному отключению каждого присоединения, что усложняет поиск. Реализация других видов защит – в большинстве случаев сложное и дорогостоящее мероприятие.
Однако недостатки изолированной нейтрали более весомы. При неустойчивых ОЗЗ, которые сопровождаются перемежающейся дугой, резко увеличивается вероятность возникновения феррорезонанса, появления перенапряжений высокой кратности, выхода из строя электрооборудования и дальнейшего развития повреждения и перехода его в двухфазное замыкание, или двойное замыкание на землю [2].
На сегодняшний день разработано множество способов определения поврежденного присоединения [3–6]. Наиболее перспективным направлением является применение токовых направленных защит и защит, основанных на наложении токов непромышленной частоты.
Результаты и обсуждение
Прежде чем приступить к исследованию переходных процессов в сетях с изолированной нейтралью в MATLAB Simulink, необходимо составить расчетную схему и определиться с параметрами блоков. Исследование и расчет выходных параметров производились с помощью решателя ode45, окно настройки и выбора которого показано на рисунке 1.
Рисунок 1 – Окно настройки и выбора решателя в MATLAB Simulink
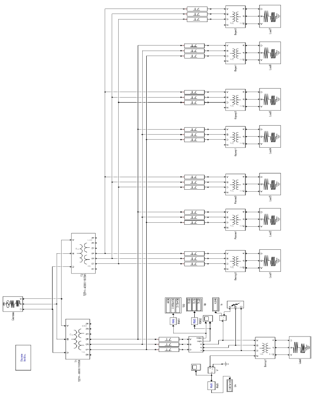
Обычно линии напряжением 35 кВ являются отходящими с подстанций 110/35/6 кВ. Тогда рассмотрим трансформаторную подстанцию с отходящими фидерами, на которой установлен трёхобмоточный трансформатор напряжением 110/35/6 кВ. Имитационная модель данной сети представлена на рисунке 2.
Рисунок 2 – Схема подстанции электрической сети с изолированной нейтралью в MATLAB Simulink
Для начала необходимо внести параметры элементов сети в блоки и рассмотреть их настройки.
Первый используемый блок – Three Phase Source. Это трехфазный источник питания, который имитирует внешнюю электрическую сеть с номинальным напряжением 110 кВ. Параметры блока представлены на рисунке 3.
Рисунок 3 – Параметры блока Three Phase Source
Следующий используемый блок – Three Phase Transformer (Three Windings). Данный блок представляет собой модель трехобмоточного трансформатора с номинальным напряжением 110/35/6 кВ подстанции, которые установлены в количестве двух штук и имеют одинаковые параметры. Конфигурация блока представлена на рисунке 4, а параметры на рисунке 5.
Рисунок 4 – Конфигурация трансформатора 110/35/6 кВ в MATLAB Simulink
Рисунок 5 – Параметры трансформатора 110/35/6 кВ в MATLAB Simulink
В качестве провода для ЛЭП напряжением 35 кВ выбран провод марки АС 120/19. Окно настроек параметров для одного из присоединений показано на рисунке 6. Для каждой фазы используется отдельный блок с одинаковыми параметрами. Протяженность отходящих линий определяет величину емкостного тока сети и тока ОЗЗ. В ходе моделирования возможно изменение параметров сети при отключении отдельных присоединений и изменении конфигурации.
Рисунок 6 – Параметры воздушной линии электропередач в MATLAB Simulink
Воздушную линию электропередачи с распределенными параметрами имитирует блок Pi Section Line. Данный блок представляет из себя RLC элемент.
Для имитации замыканий в сети используется блок Three – Phase Fault. Данный блок позволяет создавать замыкания любой конфигурации, например: ОЗЗ, двухфазное короткое замыкание, замыкания трех фаз на землю и т. д. Настройки блока представлены на рисунке 7.
Рисунок 7 – Параметры блока Three Phase Fault
Также данный блок позволяет имитировать замыкания с переходным сопротивлением. По сути данный блок представляет из себя трехфазный блок выключателей, использующий три отдельных фазных выключателя, которые могут быть индивидуально включены/выключены для моделирования различных замыканий.
Для моделирования режима ОЗЗ выставляется время моделировании 1,5 секунды, поскольку в блоке Three – Phase Fault указан промежуток времени замыкания от 1 до 2 секунд. Если необходимо смоделировать режим работы сети на более длительном промежутке времени, то нужно увеличивать промежуток времени замыкания и увеличивать время моделирования.
С использованием представленной модели выполнено имитационное моделирование «металлического» ОЗЗ фазы А в сети. Осциллограмма данного режима работы представлена на рисунке 8, а данные по токам и напряжениям фаз – в таблице 1.
Рисунок 8 – Осциллограмма «металлического» ОЗЗ в сети
Можно заметить, что напряжение на поврежденной фазе уменьшилось до нуля, а на неповрежденных фазах увеличилось в √3, т. е. до линейного. На неповрежденных фазах при ОЗЗ вследствие переходного процесса видны колебания напряжения, которые затем затухают.
Таблица 1 – Параметры «металлического» ОЗЗ
Режим работы | Фазные токи, А | Фазные напряжения, В | Напряжение нейтрали, В | ||||
А | В | С | А | В | С | ||
«Металлическое» ОЗЗ | 5,2 | 0 | 0 | 0 | 35020 | 35040 | 20230 |
Для определения поврежденного присоединения предлагается осуществить наложение токов непромышленной частоты, при этом источник напряжения должен иметь возможность настройки в резонанс с сетью. Резонансная частота определяется параметрами отходящих присоединений. На рисунке 9 представлена осциллограмма тока в поврежденной фазе и напряжений.
Рисунок 9 – Осциллограмма ОЗЗ при наложении токов непромышленной частоты
Как можно заметить, при наложении токов непромышленной частоты ток в поврежденной фазе более чем в 2 раза выше тока в поврежденной фазе в сети с изолированной нейтралью без наложения и составляет 11,2 А. Это позволяет выделить поврежденное присоединение.
Заключение и выводы
В результате моделирования процесса ОЗЗ в сети с изолированной нейтралью установлено, что наложение высокочастотной составляющей приводит к увеличению действующего значения тока в поврежденной фазе линии, что позволяет выделить поврежденное присоединение.
Применение метода наложения токов непромышленной частоты имеет ряд преимуществ:
- возможна работа защиты на сигнал без отключения поврежденного присоединения;
- не оказывает влияния на работу других устройств релейной защиты и автоматики, основанных на определении величин токов и напряжений основной гармоники;
- предлагаемый метод позволяет селективно определить место повреждения, что подтверждается результатами имитационного моделирования.
About the authors
Leonid V. Vladimirov
Surgut State University
Author for correspondence.
Email: vladimirov_lv@surgu.ru
Candidate of Technical Sciences, Associate Professor of the Department of Radio Electronics and Electric Power Engineering
Russian Federation, SurgutReferences
- Правила устройства электроустановок. – Москва : Изд-во НЦ ЭНАС, 2018. – 564 c.
- Моделирование режима однофазного замыкания на землю в распределительной электрической сети с изолированной нейтралью / Л. В. Владимиров, А. А. Вырва, В. А. Ощепков [и др.]. – Текст : непосредственный // Омский научный вестник Серия 107: «Приборы, машины и технологии». – 2012. – № 1. – С. 197–201.
- Вайнштейн, Р. А. Режимы заземления нейтрали в электрических системах : учебное пособие / Р. А. Вайнштейн, Н. В. Коломиец, В. В Шестакова. – Томск : Изд-во ТПУ, 2006 – 118 с. – Текст : непосредственный.
- Защита от замыканий на землю в компенсированных сетях 6-10 кВ / Р. А. Вайнштейн, С. И. Головко, B. C. Григорьев [и др.]. – Текст : непосредственный // Электрические станции. – 1998. – № 7. – С. 26–30.
- Патент № 2232456 Российская Федерация, МПК Н02Н3/16 (2002.10). Способ распознавания однофазного дугового замыкания на землю и поврежденной фазы в распределительных сетях с резонансно-заземленной нейтралью / В. Е Качесов. – Текст : непосредственный // БИ. – 2004. – № 19. – 7 с.
- Патент № 2254586 Российсквя Федерация, МПК G01R 31/08 (2005.12). Способ определения фидера с однофазным дуговым замыканием на землю в радиальных распределительных кабельных сетях / В. Е. Качесов. – Текст : непосредственный // БИ. – 2005. – № 17. – 9 с.
Supplementary files











