Study of electric drive with thyristor voltage regulator
- 作者: Timoshkin V.V.1, Popov S.S.1
-
隶属关系:
- National Research Tomsk Polytechnic University
- 期: 卷 18, 编号 3 (2022)
- 页面: 99-106
- 栏目: 2.4/2.4.3 Power Industry (Technical Sciences)
- URL: https://journals.rcsi.science/1816-9228/article/view/253665
- DOI: https://doi.org/10.18822/byusu20220399-106
- ID: 253665
如何引用文章
全文:
详细
In the modern world, the electric drive has tasks of different nature, depending on the application and technological process. At the moment, induction electric drives, which operate by direct start, are widely used. This method has negative factors: high starting currents at the launch; impact loads on the mechanical system. During continuous running mode of the electric motor with direct start, its resource and mechanical system is reduced. Thyristor voltage regulators is used extensively to solve this problem. Ramp generators are used for soft start, the parameters of which determine the settling time and how efficiently the peak currents and torques will be reduced.
Object of research: induction electric drive with thyristor voltage regulator.
Purpose of research: research of parameters of ramp generator for electric drive with thyristor voltage regulator.
Methods of research: numerical methods for solving differential equations, functional diagrams, control system topology, electric drive theory.
Main results of research: A generalized algorithm for the control system of thyristor voltage regulator keys is presented. An analysis was made for parameters of ramp generator in the electric drive with thyristor voltage regulator.
全文:
Введение
В системах вентиляции или в электроприводах для перекачки воды довольно часто используется прямой пуск от сети, что приводит к негативным факторам и проблемам при длительной эксплуатации в таких режимах. При прямом пуске наблюдаются большие пусковые токи, ударные нагрузки на механическую систему, а также могут возникать просадки напряжения в сети питания. Большие пиковые токи при прямом пуске приводят к повышенной нагрузке на изоляцию обмоток двигателя и ускоренный ее износ. Для решения данной проблемы в асинхронных электроприводах можно использовать частотные преобразователи (ПЧ) или тиристорные регуляторы напряжения (ТРН). Системы на базе ПЧ имеют большой функционал, значительный диапазон регулирования, позволяют управлять моментом, но по сравнению с ТРН у них высокая стоимость, что в конечном итоге играет ключевую роль при выборе устройства плавного пуска [1–10].
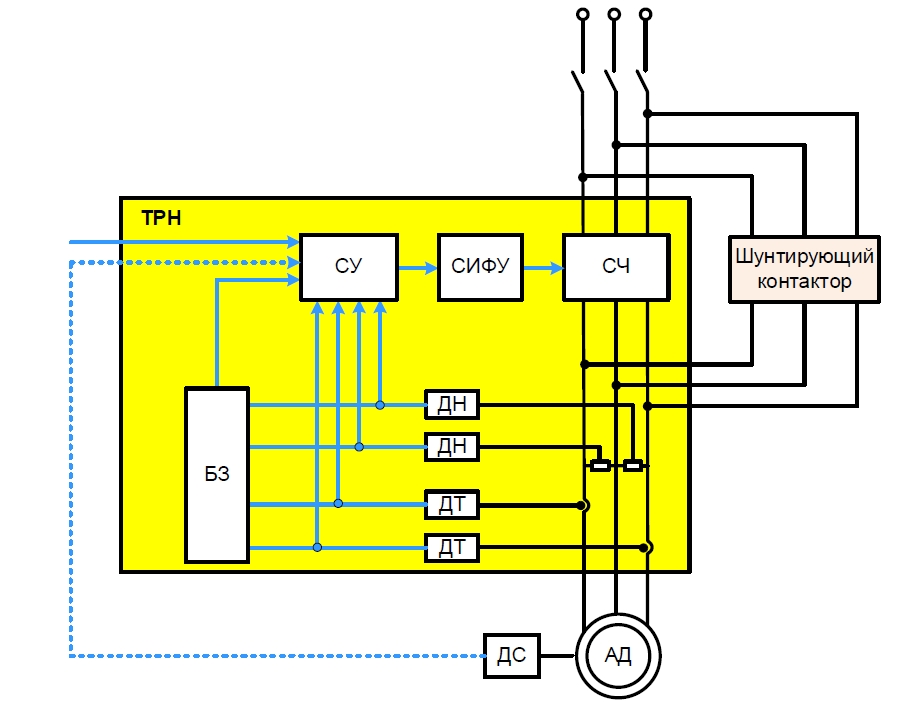
В зависимости от типа производителя и модели ТРН внутреннее устройство силового преобразователя может отличаться. На рис. 1 представлена обобщенная функциональная схема ТРН, где БЗ – блок защиты, СУ – система управления, СИФУ – система импульсно-фазового управления, СЧ- силовая часть, ДН – датчик напряжения, ДТ – датчик тока, ДС – датчик скорости, АД – асинхронный двигатель.
Рисунок 1 – Функциональная схема ТРН-АД
Каждая фаза АД подключена непосредственно к СЧ тиристорного регулятора напряжения. СУ формирует необходимые алгоритмы управления при пуске и торможении для электропривода. СИФУ осуществляет управление тиристорами согласно заданию, полученному с выхода блока СУ. В состав электропривода с тиристорным регулятором напряжения могут входить встроенные датчики тока и напряжения, которые позволяют повысить качество плавного пуска и обеспечить защиту при возникновении аварийных ситуаций с помощью блока БЗ. Для повышения надежности и эффективности в электроприводах с тиристорным регулятором напряжения используют шунтирующий контактор, который позволяет подключить двигатель напрямую в сеть.
Оценить влияние задатчика интенсивности и его параметров на плавный разгон в системе ТРН-АД можно с мощью адекватной математической модели.
Результаты и обсуждение
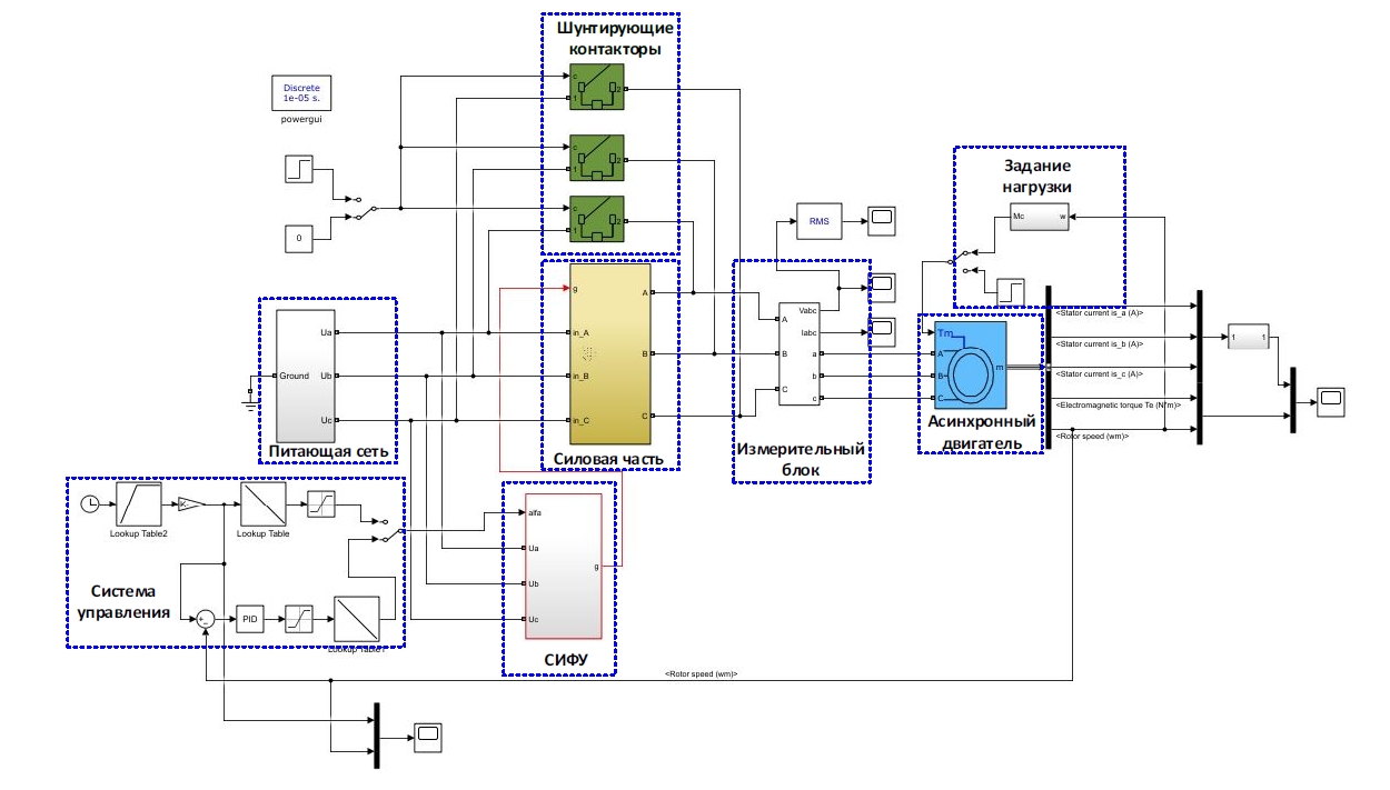
Для исследования переходных процессов в электроприводе ТРН-АД использовалась имитационная модель (рис. 2), которая была реализована в программной среде Matlab Simulink 2021a и включает в себя следующие основные элементы: питающая сеть, система управления, шунтирующие контакторы, измерительный блок, задание нагрузки, асинхронный двигатель.
Рисунок 2 – Имитационная модель асинхронного электропривода по схеме ТРН-АД
Одной из особенностей данной модели является непосредственное управление ключами, в качестве которых здесь выступают тиристоры, взятые из библиотеки силовых элементов Simulink.
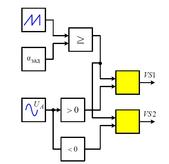
Алгоритм формирования управляющих импульсов для тиристоров показан на рис. 3. Принцип работы данной системы построен на двух основных элементах: источник с пилообразным сигналом и компаратор. Для правильной работы необходимо источник с пилообразным сигналом синхронизировать с соответствующей фазой. Далее на один из входов компаратора подается задающий сигнал, а на второй пилообразный, затем после сравнения этих сигналов формируется задержка для включения тиристора. С помощью логических элементов «И» определяется на какой из тиристоров будет подан управляющий сигнал. Принцип управления для других фаз аналогичен.
Рисунок 3 – Осциллограммы СИФУ
Рисунок 4 – Функциональная схема СИФУ для фазы А
Выбор оптимальных параметров для линейного задатчика интенсивности является важной задачей при обеспечении плавного пуска. К одному из самых простых для настройки можно отнести линейный задатчик интенсивности, который имеет два основных параметра: начальное задание и время нарастания напряжения задания до максимального значения (рис. 2). Изменяя данные параметры, можно добиться наилучших показателей при использовании устройств планового пуска на базе тиристорного регулятора напряжения. Если задать слишком малое значение времени разгона для линейного задатчика интенсивности, то положительный эффект от плавного пуска АД проявляться не будет. При значительном увеличении времени разгона могут возникнуть дополнительные нагрузки на АД и силовой преобразователь, которые будут проявляться в виде нагрева. Помимо этого, увеличивается время разгона двигателя до заданной величины. Стоит разграничивать время разгона двигателя до заданной величины tп и время нарастания напряжения задания до максимального значения tр. Первый параметр может меняться в зависимости от нагрузки на валу двигателя при постоянной величине tр в линейном задатчике интенсивности.
Рисунок 5 – Линейная траектория разгона для ТРН-АД
Структурная схема задатчика интенсивности показана на рис. 6, которая состоит из сумматора, релейного элемента РЭ и интегрального звена «И». Выходное напряжение задатчика интенсивности определяется следующим выражением:
,
где – напряжение ограничения релейного элемента; – постоянная интегрирования интегратора. Время нарастания выходного напряжения до величины определяется выражением:
,
где – напряжение, до которого будет происходить нарастание сигнала.
Рисунок 6 – Структурная схема задатчика интенсивности
Для исследования плавного пуска с задатчиком интенсивности в имитационной модели (рис. 2) использовался блок одномерной матрицы Look-Up Table, который позволяет задать любую траекторию по точкам. В таблице 1 представлены параметры асинхронного двигателя 4А160S2У3, который применялся для исследования плавного пуска.
Таблица 1 – Параметры 4А160S2У3
Pн, кВт | Iн, А | nн, об/мин | η, % | cosφ | Uф, В | J, кг·м2 |
15 | 28,5 | 2940 | 88 | 0,91 | 220 | 0,048 |
В таблице 2 находятся параметры схемы замещения, которые были определены косвенным методом.
Таблица 2 – Параметры схемы замещения
R1, Ом | R`2, Ом | L1, Гн | L`2, Гн | Lm, Гн |
0,1787 | 0,1755 | 0,026 | 0,036 | 0,0904 |
В таблице 3 представлены значения пиковых токов и моментов при разном времени нарастания напряжения в задатчике интенсивности для асинхронного электропривода по схеме ТРН-АД, работающего на вентиляторную нагрузку.
Таблица 3 – Пиковые токи и моменты при регулировании времени разгона
tр, с время разгона при Uнач = 0 В | Разомкнутая система | Замкнутая система по скорости | ||
Пиковый ток | Пиковый момент | Пиковый ток | Пиковый момент | |
0 | 175,3 | 102,3 | 174,08 | 101,3 |
0,5 | 114 | 77,3 | 115 | 77,3 |
1 | 113,3 | 77,3 | 117 | 55 |
1,5 | 113 | 77,3 | 113 | 55 |
2 | 112,7 | 77,3 | 108 | 52 |
2,5 | 112,4 | 77,4 | 104 | 51 |
3 | 111,8 | 76,7 | 100,3 | 50 |
4 | 110,5 | 75 | 99,4 | 50,5 |
При исследовании были рассмотрены разомкнутая и замкнутая система по угловой скорости ротора. Из полученных данных видно, что при t = 0 (прямой пуск) наблюдаются существенные значения пиковых токов и моментов. Разомкнутая система показала при tр = 0,5 улучшение показателей качества, но дальнейшее увеличение tр уже практически не оказывает влияние на пиковые значения токов и моментов. Замкнутая система ожидаемо оказалась более эффективной по сравнению с разомкнутой и показала при tр = 3 c неплохие показатели. Оптимальное время разгона в замкнутой системе определяется непосредственно параметрами регулятора и электропривода.
Вторым важным параметром при настройке линейного задатчика интенсивности является начальное задание Uнач. Это точка, с которой происходит нарастание напряжения в задатчике интенсивности. Из таблицы 4 видно, что для разомкнутой системы до Uнач = 6 В показатели остаются на приемлемом уровне, а дальнейшее увеличение ухудшает их. Из анализа переходных процессов при изменении Uнач было установлено, что данная величина влияет на время переходных процессов в разомкнутой системе, так как при установке оптимального значения напряжения Uнач на валу двигателя формируется нужный момент для быстрого запуска. Крутящий момент на валу двигателя пропорционален квадрату напряжения и если он будет слишком низким при пуске, то электропривод не запустится сразу. В замкнутой системе при вводе начального задания показатели пиковых токов и моментов ухудшаются.
Таблица 4 – Пиковые токи и моменты при регулировании начального задания
Uнач, В начальное значение при tр = 2 с | Разомкнутая система | Замкнутая система по скорости | ||
Пиковый ток | Пиковый момент | Пиковый ток | Пиковый момент | |
0 | 112,8 | 77,35 | 107,5 | 52,6 |
2 | 112,4 | 77,35 | 155,6 | 77,5 |
4 | 111,5 | 76 | 174,05 | 101,36 |
6 | 119,6 | 75.7 | 174,05 | 101,4 |
8 | 171,6 | 90,2 | 174,05 | 101,37 |
10 | 175,3 | 102 | 174,04 | 101,4 |
Стоит отметить, что при использовании систем плавного пуска с оптимально выбранными параметрами задатчика интенсивности, снижаются не только значения пиковых токов и моментов, но и время работы с этими значениями, что положительно влияет на электропривод. Величина пиковых токов и моментов зависит от параметров электропривода, а также в каком режиме осуществляется пуск (на холостом ходу/ под нагрузкой).
Значительно повысить качество пуска можно путем обеспечения заданной траектории разгона, т. е., с замкнутым контуром по угловой скорости ротора, что было показано в ходе данных исследований. Системы плавного пуска на базе ТРН-АД в большинстве случаев не имеют возможностей для реализации обратной связи по скорости. Использовать датчики скорости на основе энкодеров или тахогенераторов нецелесообразно, так как диапазон регулирования небольшой и это может привести к значительному увеличению стоимости электропривода. Перспективным вариантом в данной ситуации является использование косвенных методов для оценки угловой скорости, которые позволяют на основе информации, полученной с датчиков тока и напряжения, рассчитать текущую скорость двигателя и обеспечить обратную связь [11–14].
Заключение и выводы
- При настройке задатчика интенсивности для системы ТРН-АД необходимо учитывать параметры электропривода и выбирать время разгона и начальное задание таким образом, чтобы был не затянутым и ограничивались пиковые значения токов и моментов.
- Для замкнутой системы по угловой скорости использовать начальное задание нецелесообразно в линейном задатчике интенсивности, так как это приводит к негативным факторам, которые ухудшают качество плавного пуска.
- Использование наблюдателей для оценки угловой скорости в системе ТРН-АД является перспективным решением, так как позволяет обеспечить заданную траекторию пуска и улучшить показатели пиковых значений моментов и токов по сравнению с разомкнутой без использования дополнительных датчиков.
作者简介
Vadim Timoshkin
National Research Tomsk Polytechnic University
编辑信件的主要联系方式.
Email: timoshkinvv@tpu.ru
Candidate of Technical Sciences, Associate Professor of the Power Engineering School
俄罗斯联邦, TomskSemen Popov
National Research Tomsk Polytechnic University
Email: ssp14@tpu.ru
Graduate Student of the Power Engineering School
俄罗斯联邦, Tomsk参考
- Плавный пуск группы высоковольтных асинхронных электроприводов центробежных механизмов / В. Копырин, В. Кривовяз, А. Силуков, А. Ткачук. – Текст : непосредственный // Силовая электроника. – 2008. – № 16. – С. 54–57.
- Хашимов, А. А. Энергосберегающие системы автоматизированного электропривода для установок и агрегатов промышленного, сельскохозяйственного и бытового значения / А. А. Хашимов. – Текст : непосредственный // Приводная техника. – 2008. – № 5. – С. 57–65.
- Развитие энергосберегающих электроприводных систем и способов повышения их в технологиях / М. П. Белов, Р. Кахоров, В. А. Новиков, А. А. Прокопов. – Текст : непосредственный // Известия Санкт-Петербургского государственного электротехнического университета ЛЭТИ. – 2016. – Т. 5. – С. 78–89.
- Николаев, В. Г. Энергосберегающие способы управления группой лопастных насосов с регулируемым электроприводом / В. Г. Николаев. – Текст : непосредственный // Техника в сельском хозяйстве. – 2008. – № 3. – С. 18–21.
- Дидыч, В. А. Пути энергосбережения в насосных установках системы мелиорации и орошения / В. А. Дидыч. – Текст : непосредственный // Политематический сетевой электронный научный журнал Кубанского государственного аграрного университета. – 2011. – № 69. – С. 128–150.
- Лысенко, О. А. Режимы энергосбережения установок центробежных насосов с асинхронными двигателями / О. А. Лысенко. – Текст : непосредственный // Известия Томского политехнического университета. – 2014 – Т. 325, № 4. – С. 133–141.
- Толпаров, Д. В. Анализ систем управления насосных станций / Д. В. Толпаров, Ю. Н. Дементьев. – Текст : непосредственный // Известия Томского политехнического университета. – 2007. – № 4. – С. 113–118.
- Свистунов, В. А. Автоматизация насосной станции с применением частотно-регулируемого электропривода / В. А. Свистунов. – Текст : непосредственный // Известия Тульского государственного университета. Технические науки. – 2013. – № 12-2. – С. 135–140.
- Захаров, А. В. Исследование эффективности применения специальных серий частотно-регулируемых асинхронных двигателей в электроприводах центробежных насосов / А. В. Захаров, А. Л. Колосов. – Текст : непосредственный // Электротехника. – 2008. – № 11. – С. 49–53.
- Зюзев, А. М. К построению бездатчикового электропривода системы ТПН-АД / А. М. Зюзев, К. Е. Нестеров. – Текст : непосредственный // Электротехника. – 2005. – № 9. – С. 38–41.
- Браславский, И. Я. Асинхронный тиристорный электропривод с бездатчиковым измерителем скорости / И. Я. Браславский, А. М. Зюзев, К. Е. Нестеров. – Текст : непосредственный // Электромашиностроение и электрооборудование. – 2006. – № 66. – С. 35–36.
- Козлова, Л. Е. Разработка наблюдателя скорости для системы управления асинхронного электропривода с тиристорным регулятором напряжения / Л. Е. Козлова, В. В. Тимошкин, А. С. Глазырин. – Текст : непосредственный // Фундаментальные исследования. – 2012. – № 9-3. – С. 656–661.
- Козлова, Л. Е. Принцип построения архитектуры нейроэмулятора угловой скорости электропривода по схеме ТРН-АД / Л. Е. Козлова. – Текст : непосредственный // Научный вестник Новосибирского государственного технического университета. – 2015. – № 1 (58). – С. 161–170.
- Афанасьев, К. С. Идентификация скорости асинхронного электродвигателя лабораторного стенда с помощью фильтра Калмана и наблюдателя Люенбергера / К. С. Афанасьев, А. С. Глазырин. – Текст : непосредственный // Электротехнические комплексы и системы управления. – 2012. – № 4. – С. 66–69.








