Analysis of non-sinusoidal operating modes of electrical equipment in electrical supply system with 6-pulse transducer
- Authors: Shepelev A.O.1, Shepeleva E.Y.2
-
Affiliations:
- Yugra State University
- Omsk State Technical University
- Issue: Vol 18, No 2 (2022)
- Pages: 68-78
- Section: 2.4/2.4.3 Power Industry (Technical Sciences)
- URL: https://journals.rcsi.science/1816-9228/article/view/253641
- DOI: https://doi.org/10.18822/byusu20220268-78
- ID: 253641
Cite item
Full Text
Abstract
The subject ofresearch: In the article was made the analysis of non-sinusoidal operating modes of electrical equipment in a power supply system with 6-pulse transducer.
Methods and objects of research: The analysis was based on 3 experiments. In the first case, the system of power supply without devices of compensation of currents of higher harmonics was considered. In the second case, the system was simulated with static capacitor banks. In the third case, a power supply system with a tuned filter to the 5th harmonic was considered.
Results of research: Based on the conducted experiments, results were obtained showing that in the presence of higher harmonics in the network and when static capacitor banks are installed, resonance is observed at the 5th harmonic. When installing a tuned filter, the voltage in the network is normalized and is at the required level in accordance with GOST 32144-2013.
Full Text
Введение
Одной из основных задач в настоящее время является поддержание надёжности, безопасности и высокой управляемости электроэнергетических систем с неотъемлемым условием в высококачественной электрической энергии. Среди негативных последствий ухудшения качества электрической энергии отмечаются следующие:
- высокий уровень потерь электроэнергии;
- уменьшение срока службы изоляции электрического оборудования;
- перебои в нормальной работе устройств РЗиА;
- нарушения в работе микропроцессорного оборудования;
- уменьшение устойчивости и надёжности электроснабжения;
- значительное увеличение эксплуатационных издержек.
В последнее время задача по обеспечению качества электрической энергии становится наиболее актуальной в связи с обновлением государственных стандартов [1]. Множество работ направлено на устранение проблем с некачественной электрической энергией на основе повышения формы кривой напряжения [2], [3]. Проверка данных теоретических исследований проводится на основе имитационного моделирования в программном комплексе MATLAB [4], [5, С. 36], что позволяет максимально приблизить условия работы приборов по обеспечению качества электрической энергии к фактическим условиям эксплуатации.
В настоящее время разработаны и широко используются на практике достаточно достоверные методы расчета установившихся и аварийных режимов работы систем электроснабжения. Однако проблема повышения качества электроэнергии стимулирует к разработке и внедрению новых технологий на основе имитационного моделирования объектов.
Необходимость данной разработки объясняется потребностью в изучении несинусоидальных режимов работы электрооборудования с целью получения и использования наиболее полных сведений об эффективности передачи и преобразования электроэнергии. Прогнозирование показателей качества и общего уровня потерь электрической энергии в различных элементах системы электроснабжения требуется для разработки мероприятий по уменьшению уровня этих потерь и обеспечению электромагнитной совместимости электрооборудования [6], [7], [8].
Для достижения этой цели в данной работе решаются задачи численного моделирования несинусоидальных режимов работы электрооборудования в системе электроснабжения на основе инструментальных средств программы MATLAB, а также исследования этой модели в условиях подключения различных источников несинусоидальных искажений и фильтро-компенсирующих устройств. При значительных уровнях несинусоидальности напряжения в электрических сетях могут возникнуть резонансные явления на определённых гармониках. Появление резонансных явлений может возникнуть при некоторых обстоятельствах, которые возникают при определённых значениях сопротивления элементов сети – индуктивного и емкостного сопротивления. Следовательно, действие высших гармоник при этих обстоятельствах приводит к выходу из строя электрооборудования из-за возникновения перенапряжений или сверхтоков.
Методы исследования и результаты, полученные в ходе выполнения работы, могут быть положены в основу создания инженерной методики для решения проблемы уменьшения несинусоидальных искажений напряжения в узлах подключения нагрузок с нелинейными вольт-амперными характеристиками [9].
Результаты и обсуждение
Для моделирования несинусоидальных режимов работы электрооборудования в представленной работе был использован программный комплекс MATLAB/Simulink.
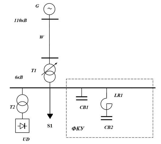
Рассмотрим схему системы энергоснабжения (СЭС), основной нагрузкой которой является полупроводниковый преобразователь, питающий потребителей постоянного тока.
Принципиальная схема системы электроснабжения представлена на рис. 1.
Рисунок 1 – Принципиальная схема рассматриваемой системы электроснабжения
В представленной схеме присутствуют такие элементы, как воздушная линия электропередачи W, силовой понижающий трансформатор 110/6 кВ T1, силовой трансформатор 6/0,4 кВ T2, питающий выпрямительную установку UD, а также фильтрокомпенсирующая установка (ФКУ).
Моделирование в данной системе электроснабжения будет проходить в три этапа:
- ФКУ отключена;
- ФКУ представляется в виде батареи статических конденсаторов;
- ФКУ представлена в виде резонансного фильтра (РФ), настроенного на определённую гармонику.
Рассматриваемая система электроснабжения, построенная в программном продукте MATLAB, представлена на рис. 2.
Рисунок 2 – Имитационная модель рассматриваемой СЭС в MATLAB
Ниже будут представлены осциллограммы токов и напряжений, амплитудные спектры гармоник только на стороне низкого напряжения трансформатора подстанции 110/6 кВ.
Система электроснабжения без подключения ФКУ
Рисунок 3 – Амплитудный спектр высших гармонических составляющих напряжения (без ФКУ)
Рисунок 4 – Амплитудный спектр высших гармонических составляющих тока
Рисунок 5 – Осциллограмма напряжения на стороне НН трансформатора подстанции
Рисунок 6 – Осциллограмма тока на стороне НН трансформатора подстанции
Система электроснабжения с подключенной БСК
Рисунок 7 – Амплитудный спектр высших гармонических составляющих напряжения (с БСК)
Рисунок 8 – Амплитудный спектр высших гармонических составляющих тока (с БСК)
Рисунок 9 – Осциллограмма напряжения на стороне НН трансформатора подстанции (с БСК)
Рисунок 10 – Осциллограмма тока на стороне НН трансформатора подстанции (с БСК)
Система электроснабжения с подключенным РФ
Рисунок 11 – Амплитудный спектр высших гармонических составляющих напряжения (с БСК)
Рисунок 12 – Амплитудный спектр высших гармонических составляющих тока (с БСК)
Рисунок 13 – Осциллограмма напряжения на стороне НН трансформатора подстанции (с БСК)
Рисунок 14 – Осциллограмма тока на стороне НН трансформатора подстанции (с БСК)
Выводы
Таким образом, на основе полученных результатов моделирования рассматриваемой системы электроснабжения c 6-пульсным преобразователем, сравнивая результаты с существующими нормами по обеспечению качества электрической энергии, можно сделать следующие выводы:
- Моделирование несинусоидальных режимов в исходной СЭС без подключения устройств компенсации
На высокой стороне трансформатора главной понизительной подстанции (ГПП) показатели качества электрической энергии по высшим гармоническим составляющим не превышают допустимые. Единственное превышение наблюдается на 37 гармонике, что в целом может быть вызвано погрешностями округления. Значение нормируемого коэффициента искажения синусоидальности кривой напряжения для электрических сетей напряжением 110 кВ находится в допустимых пределах: .
На низкой стороне трансформатора ГПП и высокой стороне трансформатора, от которого получает питание преобразователь, превышают допустимые значения на 5, 7, 11, 19, 23, 37 гармониках, а на 13, 17, 29, 31 находятся в пределах допустимого. Суммарное значение коэффициента искажения превышает предельно допустимые значения для электрических сетей напряжением 6 кВ: .
- Исследование несинусоидальных режимов в СЭС при подключении батареи статических конденсаторов
На высокой стороне трансформатора ГПП коэффициент искажения превышает допустимое значение только на частоте 5 гармоники, а на остальных нормируемых частотах значения находятся в допустимых пределах. Значение нормируемого коэффициента искажения превышает нормально допустимые для электрических сетей напряжением 110 кВ .
На низкой стороне трансформатора ГПП и ВН трансформатора преобразователя значения коэффициентов искажения превышают допустимые значения на частотах 5, 7 гармоник, а на остальных нормируемых частотах находятся в допустимых пределах. Суммарное значение коэффициента искажения превышает предельно допустимые значения для электрических сетей напряжением 6 кВ: для данного класса напряжения. Такие существенные искажения напряжения могут быть обусловлены возникновением резонанса токов в контуре, образованном емкостью БСК и эквивалентной индуктивностью питающей системы на частоте, близкой к частоте 5 гармоники.
- При подключении резонансного фильтра высших гармоник
На стороне ВН, НН трансформатора подстанции, а также ВН трансформатора преобразователя значения коэффициентов искажения напряжения находятся в пределах допустимых значений, устанавливаемых ГОСТ 32144-2013. Значения коэффициентов искажения для рассматриваемых классов напряжения 110 кВ и 6 кВ находятся в пределах нормально допустимого значения: ; .
По результатам исследований можно сделать вывод о том, что для обеспечения надлежащего качества электрической энергии, нормированного существующими государственными стандартами, оптимальным для системы электроснабжения c 6-пульсным преобразователем является подключение в систему электроснабжения резонансного фильтра высших гармоник, настроенного на частоту 5 гармоники.
About the authors
Alexander O. Shepelev
Yugra State University
Author for correspondence.
Email: a_shepelev@ugrasu.ru
Candidate of Technical Sciences, Associate Professor of the Higher Engineering School
Russian Federation, Khanty-MansiyskElena Yu. Shepeleva
Omsk State Technical University
Email: elena.arta2013@yandex.ru
Senior Lecturer of the Energy Institute
Russian Federation, OmskReferences
- ГОСТ 32144-2013. Электрическая энергия. Совместимость технических средств электромагнитная. Нормы качества электрической энергии в системах электроснабжения общего назначения : межгосударственный стандарт : издание официальное : утвержден и введен в действие Приказом Федерального агентства по техническому регулированию и метрологии от 22 июля 2013 г. № 400-ст : введен впервые : дата введения 2014-07-01. – Москва : Стандартинформ, 2014. – 16 с. – Текст : непосредственный.
- Схематическое решение активной фильтрации кривой тока в четырехпроводной трехфазной сети для обеспечения качества электрической энергии / С. Ю. Долингер, В. Н. Горюнов, А. А. Планков, О. А. Сидоров. – Текст : непосредственный // Омский научный вестник. – 2011. – № 3 (103). – С. 214–217.
- Горюнов, В. Н. Определение управляющего воздействия активного фильтра гармоник / В. Н. Горюнов, Д. С. Осипов, А. Г. Лютаревич. – Текст : непосредственный // Электротехника, электроэнергетика, электротехническая промышленность. – 2009. – № 6. – С. 20–24.
- Вопросы моделирования устройств обеспечения качества электрической энергии / А. Г. Лютаревич, В. Н. Горюнов, С. Ю. Долингер, К. В. Хацевский. – Текст : непосредственный // Омский научный вестник. – 2013. – № 1 (117). – C. 168–173.
- Черных, И. В. Моделирование электротехнических устройств в Matlab SimPowerSystem и Simulink / И. В. Черных. – Москва : ДМК Пресс, 2007. – 288 с. – ISBN 5-94074-395-1. – Текст : непосредственный.
- Ершов, С. В. Моделирование параметров фильтров высших гармоник в среде MATLAB / С. В. Ершов, В. Ю. Карницкий. – Текст : непосредственный // Известия Тульского государственного университета. Технические науки. – 2014. – № 8. – С. 25–31.
- К проблеме моделирования несинусоидальных режимов распределительных сетей / Н. Н. Харлов, В. Я. Ушаков, Е. В. Тарасов, Л. Л. Булыга. – Текст : непосредственный // Известия Томского политехнического университета. Инжиниринг георесурсов. – 2016. – Т. 327, № 3. – С. 95–102.
- Горюнов, В. Н. Расчет потерь мощности от влияния высших гармоник / В. Н. Горюнов, Д. С. Осипов, А. Г. Лютаревич. – Текст : непосредственный // Научные проблемы транспорта Сибири и Дальнего Востока. – 2009. – № 2. – С. 268–273.
- Оценка дополнительных потерь мощности от снижения качества электрической энергии в элементах систем электроснабжения / С. Ю. Долингер, А. Г. Лютаревич, В. Н. Горюнов [и др.]. – Текст : непосредственный // Омский научный вестник. – 2013. – № 2 (120). – С. 178–183.
Supplementary files
















