Mathematical modeling of electric power processes in integrated test benches with dc machines operating on the principle of mutual load
- Авторлар: Popov D.I.1
-
Мекемелер:
- Omsk State Transport University
- Шығарылым: Том 18, № 2 (2022)
- Беттер: 61-67
- Бөлім: 2.4/2.4.3 Power Industry (Technical Sciences)
- URL: https://journals.rcsi.science/1816-9228/article/view/253640
- DOI: https://doi.org/10.18822/byusu20220261-67
- ID: 253640
Дәйексөз келтіру
Толық мәтін
Аннотация
The subject of the study is electric power processes in integrated test benches with DC machines and induction machines operating on the principle of mutual loading. The purpose of the study is to obtain a mathematical model that allows us to study the operation of DC machines under specified conditions. Methods of mathematical modeling, well-known mathematical models of elements of two-link frequency converters, numerical methods for solving differential equations systems using the Runge-Kutta method of the fourth order of accuracy implemented in the Mathcad computer algebra system are used for the study. Mathematical modeling takes into account the nonlinearity of the magnetization curve of the magnetic circuits of electric machines and the pulsations of constant voltage supplied to their windings caused by the operation of converters. As a result of the study, mathematical models of electric power processes in test benches were obtained, which allow calculating currents in all branches of the considered electrical circuits, electromagnetic moments and the rotation frequency of the common shaft. The developed mathematical models can be applied in the design of integrated stands for testing DC machines and asynchronous machines by the method of mutual loading.
Негізгі сөздер
Толық мәтін
Введение
Внедрение новых производственных мощностей, предназначенных для проведения испытаний асинхронных двигателей на таких предприятиях, как, например, локомотивные ремонтные депо, требует достаточно крупных капиталовложений. Это является существенным препятствием к внедрению нового оборудования.
Значительно снизить капитальные затраты при решении данной задачи может подход, объединяющий оборудование испытательного комплекса, предназначенного для двигателей постоянного тока, и стенда для испытания асинхронных двигателей методом взаимной нагрузки [1–5].
У испытательных стендов двух обозначенных типов, использующих метод взаимной нагрузки, дублирование функций имеет место в системе управления. Так, у стендов для испытания машин постоянного тока (МПТ) система управления необходима для управляемых выпрямителей, выполняющих функции источников питания [6]. Стенды для испытания асинхронных машин (АМ) имеют систему управления преобразователями частоты [7]. Обе названные системы управления используются для регулирования параметров режима работы испытуемой и нагрузочной машин.
Таким образом, на предприятиях, осуществляющих испытания МПТ и АД, возможно получение технико-экономического эффекта за счет интеграции схем различных испытательных стендов в один электротехнический комплекс с одной общей системой управления вместо двух.
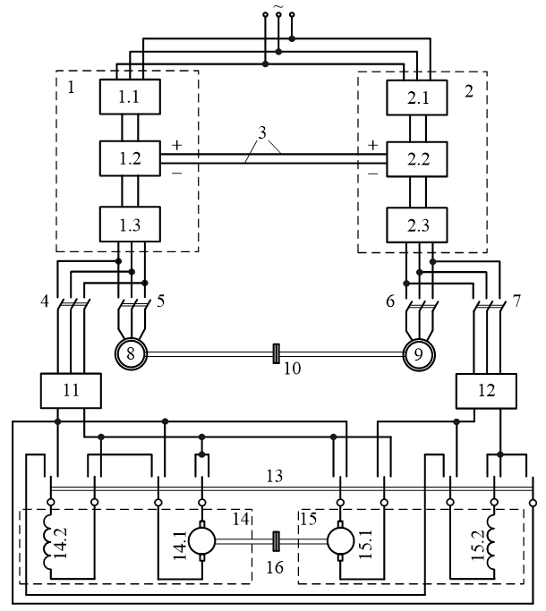
Интегрированная схема испытаний асинхронных машин и машин постоянного тока наиболее общего вида представлена на рисунке 1 [8].
В данной схеме испытаний в качестве устройства для регулирования параметров всех типов электрических машин, входящих в ее состав, использованы преобразователи частоты (ПЧ), имеющие соответствующую систему управления. Использование ПЧ в составе стенда позволяет приблизить условия питания асинхронных тяговых двигателей к условиям эксплуатации за счет применения источника питания такого же типа, который применяется в системе электропривода, например на подвижном составе железных дорог.
Стенд для испытания электрических машин (см. рисунок 1) состоит из следующих элементов: 1 и 2 – ПЧ; 1.1, 2.1 – диодные выпрямители; 1.2, 2.2 – звенья постоянного тока (ЗПТ); 1.3, 2.3 – управляемые инверторы напряжения; 3 – шина постоянного тока, соединяющая ЗПТ двух преобразователей; 4 – 7 –контакторы; 8, 9 – испытуемая и нагрузочная АМ; 10, 16 – соединительные муфты; 11, 12 – неуправляемые выпрямители; 13 – коммутатор (или группа контакторов); 14, 15 – испытуемая и нагрузочная МПТ; 14.1, 15.1 – обмотки якоря; 14.2, 15.2 – обмотки возбуждения.
Особенность работы стенда состоит в том, что коммутатор 13 имеет «правое» и «левое» рабочие положения. В «правом» рабочем положении данная схема (см. рис. 1) позволяет испытать МПТ с параллельным (независимым) возбуждением, в «левом» рабочем положении – МПТ с последовательным возбуждением.
Разработка испытательных стендов с применением данной схемы (см. рисунок 1) требует наличия соответствующих математических моделей. Задачей настоящего исследования является разработка таких моделей.
Рисунок 1 – Силовая часть схемы интегрированного стенда для испытаний асинхронных машин и МПТ с последовательным и параллельным (независимым) возбуждением
Результаты и обсуждение
Воспользуемся разработанным ранее подходом к математическому моделированию элементов стендов, предназначенных для испытаний электрических машин методом взаимной нагрузки, изложенным в [2]. В рассмотренных схемах необходимо учесть то, что питание обмоток испытуемой и нагрузочной машин осуществляется от выпрямителя, на вход которого подается напряжение от преобразователя частоты.
Математическая модель напряжения фазы А на выходе преобразователя частоты представляет собой следующую систему уравнений:
(1)
где – напряжение на выходе выпрямителя,
– пилообразное напряжение системы управления преобразователя частоты,
, , – задающие напряжения системы управления преобразователя частоты [2].
В схеме выпрямления Ларионова в любой момент времени будет открыт тот диод катодной группы, на аноде которого оказался наиболее высокий положительный потенциал. Из диодов анодной группы в любой момент времени будет открыт тот, на катоде которого оказался наибольший по модулю отрицательный потенциал.
Следовательно, для выпрямителей, подключенных к силовым цепям МПТ, можно записать следующие выражения для определения их выходных напряжений:
(2)
Пример расчета напряжений на выходе выпрямителей, питающих МПТ, при Uз max = 0,9Uп max приведен на рис. 2 а, расчет при Uз max = 0,5Uп max – на рис. 2 б.
Анализ полученных напряжений показывает, что частота импульсов напряжения на выходе выпрямителя приближенно соответствует удвоенной частоте пилообразного напряжения в системе управления ПЧ (см. пп. 2.1.1), а среднее значение выпрямленного напряжения является функцией отношения Uз max / Uп max.
Рисунок 2 – Напряжения на выходе выпрямителей, питающих МПТ
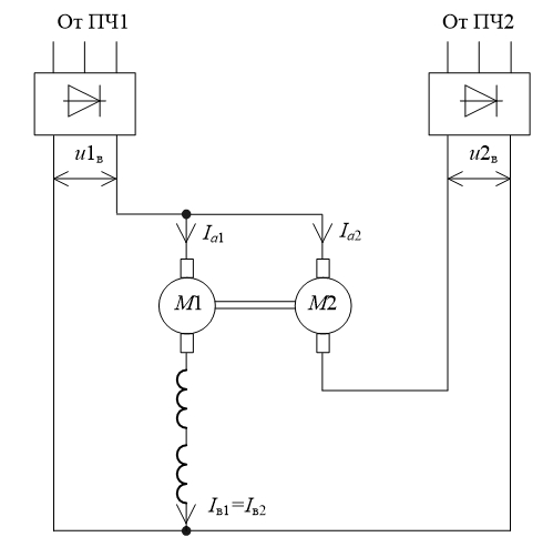
При испытании МПТ при независимом возбуждении электрические цепи обмоток испытуемой и нагрузочной машин имеют схему, представленную на рисунке 3.
Рисунок 3 – Фрагмент схемы интегрированного стенда для испытаний АД и МПТ с независимым (параллельным) возбуждением
Для данной схемы можно составить следующую систему уравнений:
(3)
где , , , – токи якоря и относительные токи возбуждения испытуемой и нагрузочной машин;
, – номинальные моменты испытуемой и нагрузочной машин;
, – номинальные напряжения испытуемой и нагрузочной машин;
, – номинальные токи якоря испытуемой и нагрузочной машин;
, – номинальные токи возбуждения испытуемой и нагрузочной машин;
, – суммарные индуктивности цепей якоря;
, , , – суммарные сопротивления цепей якоря и возбуждения;
, – моменты инерции испытуемой и нагрузочной машин;
, – номинальная угловая частота вращения испытуемой и нагрузочной машин;
, – аппроксимации кривых намагничивания испытуемой и нагрузочной машин.
Полученная система уравнений (3) позволяет изучать физические процессы в МПТ, работающей в интегрированной схеме взаимной нагрузки. При этом МПТ получают питание от неуправляемых выпрямителей, которые в свою очередь питаются от преобразователей частоты. Таким образом, напряжение, подаваемое на обмотки МПТ, может регулироваться с применением системы управления преобразователей частоты.
При испытании ДПТ при последовательном возбуждении электрические цепи обмоток испытуемой и нагрузочной машин выполнены по схеме, представленной на рисунке 4.
Рисунок 4 – Фрагмент схемы интегрированного стенда для испытаний АД и МПТ с последовательным возбуждением
Система уравнений, описывающая работу МПТ в данной схеме, по сравнению с системой (3) будет изменена в части определения тока возбуждения обеих машин и примет следующий вид:
(4)
Заключение и выводы
В результате исследования получены математические модели электроэнергетических процессов в испытательных стендах, позволяющие рассчитать токи во всех ветвях рассматриваемых электрических схем, электромагнитные моменты и частоту вращения общего вала. Разработанные математические модели могут быть применены при проектировании интегрированных стендов для испытаний машин постоянного тока и асинхронных машин методом взаимной нагрузки.
Авторлар туралы
Denis Popov
Omsk State Transport University
Хат алмасуға жауапты Автор.
Email: popovomsk@yandex.ru
Candidate of Technical Sciences, Associate Professor Associate Professor of the Department of Electrical Machines and General Electrical Engineering
Ресей, OmskӘдебиет тізімі
- Коварский, М. Е. Испытание электрических машин / М. Е. Коварский, Ю. И. Янко. – Москва : Энергоатомиздат, 1990. – 320 с. – ISBN 5-283-00528-3. – Текст : непосредственный.
- Бейерлейн, Е. В. Схема испытаний тяговых частотно-регулируемых асинхронных электродвигателей / Е. В. Бейерлейн, О. Л. Рапопорт, А. Б. Цукублин. – Текст : непосредственный // Известия высших учебных заведений. Электромеханика. – 2006. – № 3. – С. 46–48.
- Имитационная модель силовой части стенда для испытания тяговых электродвигателей по принципу взаимной нагрузки / И. В. Дорощенко, М. Н. Погуляев, В. С. Захаренко, В. В. Тодарев. – Текст : непосредственный // Вестник Гомельского государственного технического университета им. П. О. Сухого. – 2018. – № 4 (75). – С. 31–40.
- Казаков, Ю. Б. Экспериментальное и расчетное, на основе полевых моделей, исследование электромеханических процессов в асинхронных машинах, объединенных общим валом, при испытаниях методом взаимной нагрузки / Ю. Б. Казаков, И. А. Палилов. – Текст : непосредственный // Автоматизация в электроэнергетике и электротехнике. – 2016. – Т. 1. – С. 184–189.
- Патент № 2200960 C2 Российская Федерация, МПК G01R 31/34. Устройство для испытаний бесколлекторных электрических машин переменного тока : № 2001101213/09 : заявл. 12.01.2001 : опубл. 20.03.2003 / А. С. Курбасов, И. Л. Таргонский, Э. А. Долгошеев ; заявитель ОАО «ВЭлНИИ». – Текст : непосредственный.
- Бирюков, В. В. Анализ схемных решений силовых цепей мотор-генераторных установок постоянного тока, работающих по методу взаимной нагрузки / В. В. Бирюков. – Текст : непосредственный // Вестник Иркутского государственного технического университета. – 2005. – № 4 (24). – С. 86–89.
- Попов, Д. И. Научные основы создания энергоэффективных методов и средств испытаний электрических машин / Д. И. Попов. – Омск : Омский государственный университет путей сообщения, 2019. – 175 с. : ил. – ISBN 978-5-949-41229-9. – Текст : непосредственный.
- Патент № 184839 Российская Федерация, МПК G01R 31/34. Стенд для испытания асинхронных машин и машин постоянного тока : № 2018126407 : заявл. 17.07.2018 : опубл. 12.11.2018 / Д. И. Попов ; заявитель ОмГУПС : ил. – Текст : непосредственный.
Қосымша файлдар






