Analysis of the flow structure in a supersonic channel with cavity
- Authors: Seleznev R.К.1,2
-
Affiliations:
- Dukhov Automatics Research Institute
- Ishlinsky Institute for Problems in Mechanics of the Russian Academy of Sciences
- Issue: No 1 (2024)
- Pages: 83-90
- Section: Articles
- URL: https://journals.rcsi.science/1024-7084/article/view/262492
- DOI: https://doi.org/10.31857/S1024708424010052
- EDN: https://elibrary.ru/sdutvs
- ID: 262492
Cite item
Full Text
Abstract
The results of numerical study of supersonic flow in a channel with cavity are given. The calculated oscillation spectra are analyzed using the fast Fourier transform. Two types of oscillatory modes can be distinguished in the resulting periodic self-oscillatory regime. The first type of the modes corresponds to acoustic vibrations caused by the passage of sound waves along the cavity and calculated using the modified Rossiter formula. The second type of the modes corresponds to the frequencies of flow-rate oscillations caused by mass transfer between the cavity and the external flow. It is shown that the flow structure is modified when fuel is supplied in front of the cavity. Active combustion occurs in the layer of mixing fuel and oxygen from air. The flow pattern demonstrates the onset of Kelvin–Helmholtz instability on the interface between the main flow and the reacted gas. It is shown that an increase in the supplied fuel pressure leads to a decrease in the oscillation frequency and an increase in the characteristic size of oscillations.
Full Text
ВВЕДЕНИЕ
Течение в сверхзвуковых каналах с кавернами вызывает значительный интерес из-за его актуальности в аэрокосмической технике и динамике горения [1, 2]. Наличие каверн приводит к взаимодействию сложной структуры течения, приводящим к возникновению колебаний. Эти колебания могут иметь критические значения для стабильной работы различных инженерных систем [3], что требует детального понимания лежащих в их основе механизмов. Несмотря на то, что расчетно-теоретические и экспериментальные исследования ведутся с середины прошлого века, до сих пор не существует однозначного понимания о сложных взаимодействующих явлениях в такой каверне и обоснования спектра колебаний давления. Большинство исследований опирались на концепцию Росситера [4] c последующими обобщениями теории Хеллером и Блиссом [5] на случай сверхзвукового канала как на основу для понимания механизмов нестационарного течения внутри каверн. Формула Росситера позволяет определить частоты колебаний, вызванных прохождением звуковых волн вдоль каверны
(0.1)
где m — номер моды колебаний (m = 1, 2, 3...); U∞ и M∞ — скорость и число Маха основного потока соответственно; a = 0.25 и k = 0.57 – эмпирические константы. определенные Хиллером и Дефсом для каверн с L/D = 4; L – длина каверны.
Однако последующие экспериментальные и численные исследования нестационарных течений в каналах с кавернами выявили существенные различия по сравнению с широко принятой теоретической базой [5–12]. Следовательно, возникает острая необходимость выяснения основных характеристик потока, окружающего упомянутую полость.
В работе [8] по моделированию сверхзвукового канала M = 1.5 появляются частоты колебаний, которые нельзя объяснить формулой Росситера. Объяснение природы этих колебаний дано в работе [7]. Расходные колебания, которые вызваны массообменном между полостью и внешним потоком и связаны со скоростью газа в каверне. В статье [7] сделана попытка оценить эту скорость, используя три предположения.
Во-первых, предполагается, что давление в ударном слое на задней стенке каверны pc при формировании ударной волны определяется из законов сохранения на ударной волне
(0.2)
где M — местное число Маха потока, набегающего на заднюю кромку.
Во-вторых, считается, что среднее давление в каверне в этот момент равно давлению основного потока p∞, тогда перепад давления в каверне равен pc - p∞ Скорость V, с которой газ двигается внутри каверны от задней стенки к передней. зависит от скорости звука a∞и определяется так
(0.3)
В-третьих, делается предположение, что скорость течения газа от задней стенки к передней сохраняет свое значение и при движении в обратном направлении. В этом случае частота расходных колебаний определяется следующим соотношением
(0.4)
Для определения числа Маха потока, набегающего на заднюю кромку каверны, в работе из численного эксперимента была получена следующая приближенная зависимость:
(0.5)
В данной работе с учетом полученных численных результатов эта формула была скорректирована
(0.6)
Современные вихреразрешающие методы моделирования [6, 13] также показывают, что возникающие автоколебания имеют различную физическую природу (гидродинамическую, расходно-волновую, резонансную) и взаимосвязаны.
Каверны активно используют в качестве стабилизаторов горения в сверхзвуковых каналах. Что горение может существенно влиять на частоты колебаний в канале с каверной, было показано в экспериментальной работе [12]. Влияние горения на частоты колебаний в сверхзвуковом канале с каверной исследовали в расчетно-теоретических работах Чоя [14–16].
Часто высокоскоростное горение проходит в области стенки. В результате могут образовываться двухслойные течения и неустойчивости Кельвина–Гельмгольца на границе [17–19]. В работах [20, 21] возникают подобные колебания в камерах сгорания на водородном [20] и углеводородном топливе [22]. В данной работе проведен углубленный численный анализ колебательных процессов в сверхзвуковом канале с каверной без горения и с горением.
ПОСТАНОВКА ЗАДАЧИ
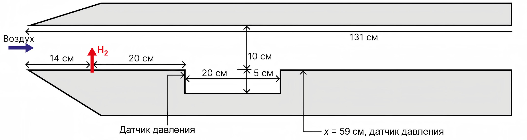
В качестве исследуемой геометрии был выбран прямоугольный канал, как и в работах Чоя [14–16], длиной 131 см и высотой 10 см, показанный на рис. 1.
Рис. 1. Схема камеры сгорания. Стрелками показаны направления основного воздушного потока, места подач топлива и двух зон измерения давления.
Каверна длиной 20 см и глубиной 5 см (L/D = 4) располагалась на расстоянии 20 см ниже по потоку от инжектора. Подача водорода осуществлялась со звуковой скоростью перпендикулярно потоку через миллиметровую щель. Набегающий поток газа поступал в камеру со скоростью 3 Маха, температурой 600 К и давлением 0.1 МПа. Давление подаваемого топлива Pinj было 0.5, 1, и 1.5 МПа, а коэффициент избытка топлива равнялся 0.167, 0.33 и 0.5, соответственно. В отличие от работ Чоя [14–16], в которой осуществлялась подача холодного (151 К) водорода, в данной работе температура подаваемого топлива задавалась 800 К. Измерения давления производились после каверны на нижней стенке при x = 59 см, а также возле всех углов каверны.
В качестве граничных условий на левой границе расчетной области задавались постоянные условия набегающего потока. На стенках камеры задавались граничные условия прилипания. Стенки считались адиабатическими. На правой границе, где течение всегда было сверхзвуковым, задавались нулевые производные компонент скорости, плотности, давления и концентраций химических компонент.
Для численного моделирования использовалась авторская компьютерная программа [23–28], которая реализует численное интегрирование системы уравнений механики вязкого теплопроводного химического реагирующего газа в двумерной постановке. Математическая модель подобно описана в работах [20–23, 29, 30]. На каждом шаге по времени последовательно интегрировались система уравнений неразрывности, усредненные по Рейнольдсу уравнения Навье–Стокса, уравнения сохранения энергии, уравнения сохранения массы химических компонент и уравнений химической кинетики. Уравнения неразрывности и Навье–Стокса интегрировались явным конечно-разностным методом по схеме AUSM [31] с использованием квадратичной аппроксимации чисел Маха и давления для определения параметров течения при приближенном решении задачи о распаде разрыва [32]. Уравнения диффузии и сохранения энергии решались с использованием неявной конечно-разностной схемы 2-го порядка аппроксимации Кранка—Николсона. В качестве модели турбулентности использовалась RANS совместно с алгебраический q–ω-моделью смешения [33]. Как и в работе [20] вводилось искусственное ограничение на максимальную величину турбулентной вязкости (mT < 500).
В качестве модели горения водородовоздушной смеси выбрана предложенная Эвансом и Шекснайдером [34] упрощенная кинетическая схема состоящая из 7 компонент и 8 реакций. Метод решения системы уравнений химической кинетики описан в работе [35].
Численное решение конечно-разностных уравнений проводилось с использованием многоблочной технологии. Количество используемых блоков в данной технологии определяется сложностью геометрии расчетной области. В данном случае была использована расчетная шестиблочная структурированная расчетная сетка размерностью 200×200 в каждом блоке для случая без горения и 100×100 для случая с горением.
РЕЗУЛЬТАТЫ ЧИСЛЕННОГО МОДЕЛИРОВАНИЯ
На первом этапе моделирования проведен расчет течения в канале без вдува топлива. Для того, чтобы проследить за механизмом образования пульсаций давления представлены мгновенные картины рассчитанных параметров числа Маха (рис. 2) и давления (рис. 3) в типичном цикле колебаний. В произвольно выбранный характерный момент времени возникает неустойчивость сдвигового слоя над каверной (рис. 2). Взаимодействие неустойчивости сдвигового слоя с задней стенкой каверны происходит затекание массы газа основного потока внутрь каверны, что приводит к образованию ударной волны на задней стенке (рис. 3a). Эта волна давления впоследствии движется к передней стенке, выпрямляясь на своем пути (рис. 3б). Волна давления также заставляет верхний сдвиговый слой сдвига изгибаться наружу в свободный поток. Этот изгиб наружу приводит к тому, что фронт ударной волны тянется вместе с волной давления вверх по течению. Поскольку этот фронт ударной волны движется против набегающего потока со скоростью волны внутреннего давления в каверне (примерно со скоростью звука в каверне), эффективная скорость против набегающего потока выше скорости набегающего потока. Следовательно, фронт ударной волны наклонен больше, чем это соответствовало бы углу Маха набегающего потока. При достижении передней стенки (рис. 3в) внутренняя волна давления частично отражается и распространяется обратно по каверне (рис. 3г) рассеивая свою энергию внутри каверны, а частично приводит к вытеканию массы из каверны и отклонению сдвигового слоя. Далее процесс циклически повторяется.
Рис. 2. Распределение числа Маха в расчетной области в момент затекания внешнего сверхзвукового течения в область каверны. Анимационный файл поля числа Маха в последовательные моменты времени представлен в приложении Fig_02_Mach_no_H2.avi.
Рис. 3. Распределение давления в расчетной области в последовательные моменты. Анимационный файл поля давления в последовательные моменты представлен в приложении Fig_03_Pres_no_H2.avi.
Рассчитанные колебания давления внутри каверны (на передней стенке возле уступа) и после каверны (на стенке при x = 59 см) носят периодический характер. Представляет интерес выделить основные частоты колебаний и сравнить с аналитическим значениями. Применяя быстрое преобразование Фурье к рассчитанным временным профилям давления, получим спектр колебаний представленный на рис. 4. Заметим, что колебания внутри каверны более интенсивные (рис. 4а), чем колебания после (рис. 4б). Зелеными пунктирными линиями обозначены частоты расходных колебаний (842, 1685, 2527, 3370, 4212, 5055 Гц), рассчитанные по формуле (0.4). Синей пунктирной линией с точкой обозначены частоты акустических колебаний Росситера (1569, 3661, 5754 Гц), рассчитанных по формуле (0.1). Можно заметить, что вторая мода расходных колебаний близка к первой моде акустических, и поэтому на этот интервал частот приходятся наибольшие уровни пульсации (~1600 Гц). При этом вторую моду акустических колебаний (3661 Гц) и четвертая расходных (3370 Гц) удается разрешить (но только в каверне), и поэтому на рис. 4а каждой из них соответствует свой пик. Таким образом, результаты численного исследования позволяют утверждать, что в каверне реализуется одновременно сразу несколько нестационарных процесса.
Рис. 4. Спектр колебаний давления (а) внутри каверны (б) на стеке камеры на расстоянии 59 см от начала камеры. Зелеными пунктирными линиями обозначены частоты расходных колебаний (842, 1685, 2527, 3370, 4212, 5055 Гц). Синей пунктирной линией с точкой обозначены частоты акустических колебаний Росситера (1569, 3661, 5754 Гц).
Вторая серия расчетных данных получена при моделировании подачи топлива (Pinj = 0.5, 1, 1.5 МПа) с его последующим горением. Так как водород подается нагретым до 800 К, то самовоспламенение топлива происходит сразу в области вдува. В этом случае картинка течения сильно отличается от результатов, описанных выше. Активное горение происходит в слое смешения топлива и кислорода из воздуха. Мгновенная картина течения демонстрирует возникновение неустойчивости Кельвина–Гельмгольца на границе раздела основного потока и прореагировавшего газа (рис. 5 и рис. 6).
Рис. 5. Распределение температуры в расчетной области для различных давлений подачи топлива: (а) Pinj = 0.5 МПа, (б) Pinj = 1 МПа, (в) Pinj = 1.5 МПа. Анимационный файл рассчитанного поля температуры для давления подачи топлива Pinj = 1 МПа представлен в приложении Fig_05_Temp _H2.avi.
Рис. 6. Распределение числа Маха в расчетной области для различных давлений подачи топлива: (а) Pinj = 0.5 МПа, (б) Pinj = 1 МПа, (в) Pinj = 1.5 МПа. Анимационный файл рассчитанного числа Маха для давления подачи топлива Pinj = 1 МПа представлен в приложении Fig_05_Mach _H2.avi.
При давлении подачи топлива 0.5 МПа колебания давления на стенке камеры происходят с различной частотой (рис. 7). Однако быстрое преобразование Фурье позволяет выделить основную частоту колебаний 5550 Гц. Одна из причин этому в том, что горение в этом случае хоть и влияет на течение газа в каверне, однако частично можно наблюдать колебательный процесс, наблюдаемый в случае без горения. Этот колебательный процесс приводит к увеличению потока массы из основного потока в каверну, что поднимает температуру в каверне до 1340 К, что превышает значения температуры 1120 К и 1140 К при более высоком давлении подаваемого топлива.
Рис. 7. Временная зависимость безразмерных показаний датчика давления (x = 59 см) для различных давлений подачи топлива: (а) Pinj = 0.5 МПа, (б) Pinj = 1 МПа, (в) Pinj = 1.5 МПа.
Рассчитанные колебания давления на стенке при x = 59 см при давлении подачи топлива Pinj = 1 и 1.5 МПа имеют явно выраженный периодический характер (рис. 7). В спектре колебаний давления можно четко выделить частоту первой моды колебаний 4960 Гц и 3200 Гц, соответственно. Таким образом, при увеличении давления подаваемого топлива частота колебаний уменьшается, а характерный размер колебаний увеличивается.
Анимационный файл рассчитанного поля температуры для давления подачи топлива Pinj = 1 МПа представлен в приложении Fig_05_Temp _H2.avi.
В экспериментальной работе [12] для продолговатой каверны (L/D = 7) наоборот с увеличением давления частота колебаний увеличивалась. Это можно объяснить тем, что структура течения в продолговатой каверне (L/D = 7) отличается от течения в исследуемой (L/D = 4) каверне. Экспериментаторами [12] была отмечена сложность стабилизации горения каверной с L/D = 4. Данное предложение требует дальнейших численных исследований. В работе [21], в которой численно исследуется эксперимент UTRC (с более сложной геометрией расчетной области и каверны) увеличение давления подаваемого топлива увеличивает зону горения, что приводит к увеличению характерного масштаба колебаний, как и в данной работе.
Проведем оценку частоты колебаний, вызванную возникшей неустойчивостью при давлении подачи топлива Pinj = 1.5 МПа. Для этого оценим скорость звука в области прореагировавшего потока возле стенки.
В расчете по области возле стенки средний молекулярный вес MS равен 13 г/моль, а температура TS примерно равна 1100 K. Тогда скорость звука в этой области примерно равна 1000 м/c. Среднее расстояние между гребнями волн неустойчивости Кельвина–Гельмгольца ~ 20 см. Таким образом, частота колебаний вызванная неустойчивостью Кельвина–Гельмгольца ~ 5000 Гц, что соответствует полученному спектру.
ЗАКЛЮЧЕНИЕ
Решение задачи нестационарного сверхзвукового обтекания каверны позволило определить основные структурные особенности течения. Показано, что в камере формируется периодический автоколебательный режим, в котором можно выделить два типа колебательных мод. Первый тип мод соответствует акустическим колебаниям, вызванных прохождением звуковых волн вдоль каверны и рассчитанных с помощью модифицированной формулы Росситера. Второй тип мод соответствует частотам расходных колебаний, которые вызваны массообменном между каверной и внешним потоком.
Показано, что подача топлива с последующим горением сильно влияет на автоколебательный режим. Активное горение происходит в слое смешения топлива и кислорода из воздуха. Мгновенная картина течения демонстрирует возникновение неустойчивости Кельвина–Гельмгольца на границе раздела основного потока и прореагировавшего газа. Увеличение давления подаваемого топлива приводит к уменьшению частоты колебаний и увеличению характерного размера колебаний. При самом низком давлении подаваемого топлива (Pinj = 0.5 МПа) в спектре колебаний наблюдаются дополнительные частоты.
ФИНАНСИРОВАНИЕ
Работа финансирована из средств бюджета института. Никаких дополнительных грантов на проведение или руководство данным конкретным исследованием получено не было.
КОНФЛИКТ ИНТЕРЕСОВ
Автор работы заявляет, что у него нет конфликта интересов.
About the authors
R. К. Seleznev
Dukhov Automatics Research Institute; Ishlinsky Institute for Problems in Mechanics of the Russian Academy of Sciences
Author for correspondence.
Email: rkseleznev@gmail.com
Russian Federation, Moscow; Moscow
References
- Seleznev R.K., Surzhikov S.T., Shang J.S. A review of the scramjet experimental data base // Prog. Aerosp. Sci. Elsevier Ltd, 2019. V. 106. № February. P. 43–70.
- Seleznev R.K. History of scramjet propulsion development // J. Phys. Conf. Ser. 2018. V. 1009. № 1. P. 012028.
- Гарбарук А.В., Стрелец М.Х., Шур М.Л., Дядькин А.А., Михайлов М.В., Рыбак С.П., Даньков Б.Н., Косенко А.П. Двухэтапная RANS-DDES-модель и результаты расчета нестационарных воздействий на возвращаемый аппарат и двигательный отсек космического корабля при их аварийном разделении // Математическое моделирование. 2021. Т.33. № 7. С. 121–138.
- Rossiter J.E. Wind tunnel experiments on the flow over rectangular cavities at subsonic and transonic speeds // Aeronautical Research Council Reports & Memoranda. October 1964. № 3438.
- Beranek B. Aerodynamically induced pressure osillations in cavities – physical mechanisms and suppression concepts // Airf. flight Dyn. Lab. 1975.
- Даньков Б.Н., Дубень А.П., Козубская Т.К. Анализ автоколебательных процессов в каверне с открытым типом течения на основе данных вихреразрешающих расчетов // Изв. РАН. МЖГ. 2023. № 4. С. 156–166.
- Заугольников Н.Л., Коваль М.А., Швец А.И. Пульсации потока газа в кавернах при сверхзвуковом обтекании // Изв. АН СССР. МЖГ. 1990. № 2. С. 121–127.
- Hankey W.L., Shang J.S. Analyses of Pressure Oscillations in an Open Cavity // AIAA J. 1980. Vol. 18, № 8. P. 892–898.
- Vakili A.D., Gauthier C. Control of cavity flow by upstream mass injection // AIAA 22nd Fluid Dyn. Plasma Dyn. Lasers Conf. 1991. 1991. V. 31. № 1.
- Vakili A.D. et al. Active control of cavity aeroacoustics in high speed flows // 33rd Aerosp. Sci. Meet. Exhib. 1995.
- Pandian S., Desikan S.L.N., Niranjan S. Experimental investigation of starting characteristics and wave propagation from a shallow open cavity and its acoustic emission at supersonic speed // Phys. Fluids. 2018. V. 30. № 1.
- Wang H., Wang Z., Sun M. Experimental study of oscillations in a scramjet combustor with cavity flameholders // Exp. Therm. Fluid Sci. Elsevier Inc. 2013. V. 45. P. 259–263.
- Даньков Б.Н., Дубень А.П., Козубская Т.К. Численное моделирование возникновения автоколебательного процесса возле трехмерного обратного уступа при трансзвуковом режиме обтекания // Изв. РАН. МЖГ. 2016. № 4. P. 108–119.
- Choi J.Y., Ma F., Yang V. Combustion oscillations in a scramjet engine combustor with transverse fuel injection // Proc. Combust. Inst. 2005. V. 30 II. P. 2851–2858.
- Choi J.Y., Yang V. Dynamics of reactive fuel-jet in scramjet combustor with a flame-holding cavity // 39th AIAA/ASME/SAE/ASEE Jt. Propuls. Conf. Exhib. 2003. № July. P. 1–7.
- Choi J.Y. et al. Detached Eddy simulation of combustion dynamics in scramjet combustors // Collect. Tech. Pap. – 43rd AIAA/ASME/SAE/ASEE Jt. Propuls. Conf. 2007. V. 1. № July. P. 231–237.
- Калашник М.В., Чхетиани О.Г. Генерация волн на поверхности раздела вихревыми возмущениями в сдвиговом потоке // Изв. РАН. МЖГ. 2014. № 3. С. 98–109.
- Липатов И.И., Тугазаков Р.Я. Образование когерентных структур при сверхзвуковом обтекании пластины конечного размаха // Изв. РАН. МЖГ. 2015. № 6. С. 93–99.
- Липатов И.И., Тугазаков Р.Я. Механизм образования поперечных структур при обтекании тела сверхзвуковым потоком газа // Изв. РАН. МЖГ. 2014. № 5. С. 134–141.
- Surzhikov S.T. On two-dimensional numerical modeling of the Burrows — Kurkov experimental data on hydrogen combustion in a supersonic air flow usingNS/RANS equations // Phys. Kinet. Gas Dyn. 2021. V. 22. № 4. P. 88–124.
- Суржиков С.Т. Термогазодинамика модельной камеры сгорания этилена в сверхзвуковом потоке // Изв. РАН. МЖГ. 2022. № 3. С. 115–134.
- Surzhikov S.T. Results of the Use of Algebraic Models of Turbulence in the Framework of the RANS Model of Heating the Surface of a Sharp Plate in a Supersonic Flow Результаты использования алгебраических моделей турбулентности в рамках RANS модели нагрева поверхности ос. 2023. V. 24. № 3. P. 1–49.
- Seleznev R.K. Numerical study of the flow structure in the supersonic inlet-isolator // J. Phys. Conf. Ser. 2018. V. 1009. P. 012034.
- Селезнев Р.К. Численное исследование ПВРД и ГПВРД режимов работы камеры сгорания HIFiRE-2 // Изв. РАН. МЖГ. 2022. № 6. С. 64–73.
- Seleznev R.K. Validation of 3D model by the example of a supersonic inlet-isolator // J. Phys. Conf. Ser. 2018. V. 1009. P. 012031.
- Seleznev R.K. Validation of two-dimensional model by the example of a supersonic inlet-isolator // J. Phys. Conf. Ser. 2018. V. 1009. P. 012030.
- Surzhikov S. et al. Unsteady Thermo-Gasdynamic Processes in Scramjet Combustion Chamber with Periodical Input of Cold Air // 50th AIAA/ASME/SAE/ASEE Joint Propulsion Conference. Reston, Virginia: American Institute of Aeronautics and Astronautics, 2014. P. 25.
- Селезнев Р.К. Исследование структуры течения в модельном воздухозаборнике ГПВРД с поперечной подачей водородного топлива в сверхзвуковой поток // Изв. РАН. МЖГ. 2021. № 3. С. 30–38.
- Суржиков С.Т. Аэрофизика обтекания затупленного клина конечных размеров // Изв. РАН. МЖГ. 2021. № 5. P. 89–102.
- Суржиков С.Т. Теплообмен и ионизация при неравновесном обтекании затупленной пластины гиперзвуковым потоком // Изв. РАН. МЖГ. 2021. № 6. P. 109–124.
- Edwards J. et al. Low-diffusion flux-splitting methods for flows at all speeds // 13th Computational Fluid Dynamics Conference. Reston, Virigina: American Institute of Aeronautics and Astronautics, 1997. V. 36. № 9.
- Суржиков С.Т. Метод расчета сверхзвукового обтекания сферы на основе AUSM конечно-разностных схем // Вестник МГТУ им. Н.Э. Баумана. 2005. V. 3. № 60. P. 7–34.
- Coakley T. Turbulence modeling methods for the compressible Navier-Stokes equations // 16th Fluid and Plasmadynamics Conference. Reston, Virigina: American Institute of Aeronautics and Astronautics, 1983.
- Evans J.S., Schexnayder C.J. Influence of Chemical Kinetics and Unmixedness on Burning in Supersonic Hydrogen Flames // AIAA J. 1980. V. 18. № 2. P. 188–193.
- Seleznev R., Surzhikov S. Generalized Newton Method For Solving Differential Equations of Chemical Kinetics // 44th AIAA Thermophysics Conference. Reston, Virginia: American Institute of Aeronautics and Astronautics. 2013. P. 1–17.
Supplementary files










