Ammonia Decomposition Over Cobalt-Based Silica-Supported Fischer-Tropsch Synthesis Catalysts
- Authors: Yakovenko R.E.1, Krasnyakova T.V.1,2, Saliev A.N.1, Shilov M.A.1, Volik A.V.1, Savost’yanov A.P.1, Mitchenko S.A.1,2
-
Affiliations:
- Platov South-Russian State Polytechnic University (NPI)
- Litvinenko Institute of Physical Organic Chemistry and Coal Chemistry
- Issue: Vol 64, No 2 (2023)
- Pages: 203-215
- Section: ARTICLES
- URL: https://journals.rcsi.science/0453-8811/article/view/137010
- DOI: https://doi.org/10.31857/S0453881123020090
- EDN: https://elibrary.ru/GNTPBZ
- ID: 137010
Cite item
Full Text
Abstract
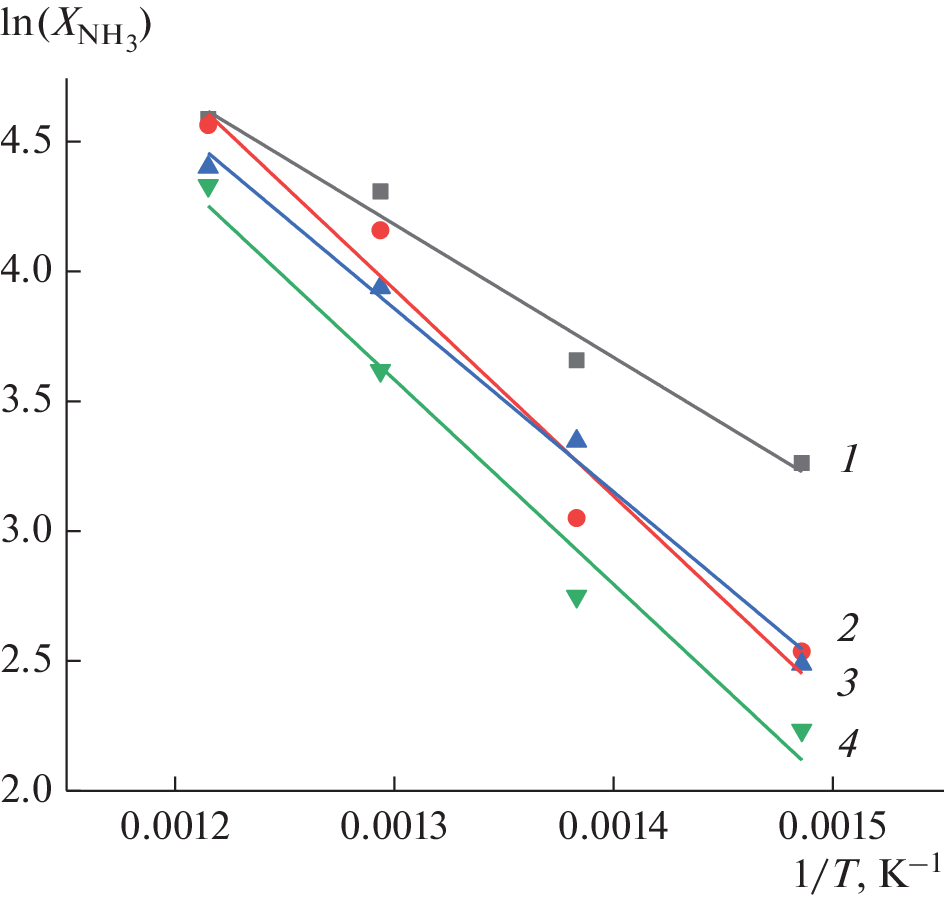
Decomposition of ammonia over silica-supported cobalt catalysts for Fischer–Tropsch synthesis has been studied at a pressure of 0.1 MPa, a gas hourly space velocity range of 1000–6000 h–1 and a temperature range of 400–650°C in a tubular fixed bed reactor in a flow-through mode. It was found that silica-supported cobalt catalysts for hydrocarbons synthesis via the Fischer–Tropsch protocol also exhibit high activity in ammonia decomposition. Both activity and hydrogen productivity decrease in the series: Co–Ru/SiO2 > > Co–Al2O3/SiO2 > Ru/SiO2 > Co–Al2O3/SiO2(35%)/ZSM-5(30%)/Al2O3(35%). The relatively low values of effective activation energies estimated for all catalysts indicate that the reaction can proceed with a high conversion at moderate temperatures.
About the authors
R. E. Yakovenko
Platov South-Russian State Polytechnic University (NPI)
Email: samit_rpt@mail.ru
Russia, 346428, 132, Novocherkassk, Prosveshcheniya Str.
T. V. Krasnyakova
Platov South-Russian State Polytechnic University (NPI); Litvinenko Institute of Physical Organic Chemistry and Coal Chemistry
Email: samit_rpt@mail.ru
Russia, 346428, 132, Novocherkassk, Prosveshcheniya Str.; Russia, 283114, Donetsk, R. Luxembourg Str., 70
A. N. Saliev
Platov South-Russian State Polytechnic University (NPI)
Email: samit_rpt@mail.ru
Russia, 346428, 132, Novocherkassk, Prosveshcheniya Str.
M. A. Shilov
Platov South-Russian State Polytechnic University (NPI)
Email: samit_rpt@mail.ru
Russia, 346428, 132, Novocherkassk, Prosveshcheniya Str.
A. V. Volik
Platov South-Russian State Polytechnic University (NPI)
Email: samit_rpt@mail.ru
Russia, 346428, 132, Novocherkassk, Prosveshcheniya Str.
A. P. Savost’yanov
Platov South-Russian State Polytechnic University (NPI)
Email: samit_rpt@mail.ru
Russia, 346428, 132, Novocherkassk, Prosveshcheniya Str.
S. A. Mitchenko
Platov South-Russian State Polytechnic University (NPI); Litvinenko Institute of Physical Organic Chemistry and Coal Chemistry
Author for correspondence.
Email: samit_rpt@mail.ru
Russia, 346428, 132, Novocherkassk, Prosveshcheniya Str.; Russia, 283114, Donetsk, R. Luxembourg Str., 70
References
- York R., Bell S.E. // Energy Res. Soc. Sci. 2019. V. 51. P. 40.
- Lucentini I., Garcia X., Vendrell X., Llorca J. // Ind. Eng. Chem. Res. 2021. V. 60. № 51. P. 18560.
- Hameer S., Niekerk J.L. // Int. J. Energy Res. 2015. V. 39. № 9. P. 1179.
- Chang F., Gao W., Guo J., Chen P. // Adv. Mater. 2021. V. 33. № 50. P. 2005721.
- Mukherjee S., Devaguptapu S.V., Sviripa A., Lund C.R., Wu G. // Appl. Catal. B: Env. 2018. V. 226. P. 162.
- Silverstein R., Eliezer D., Glam B. // Energy Procedia. 2017. V. 107. P. 199.
- Kobayashi N., Koyama M., Kobayashi K., Hojo T., Akiyama E. // Mater. Transact. 2022. V. 63. № 2. P. 247.
- Robertson I.M., Sofronis P., Nagao A., Martin M.L., Wang S., Gross D.W., Nygren K.E. // Metallurg. Mater. Transact. A. 2015. V. 46. № 6. P. 1085.
- Hwang H.T., Varma A. // Curr. Opin. Chem. Eng. 2014. V. 5. P. 42.
- Фатеев В.Н., Алексеева О.К., Коробцев С.В., Серегина Е.А., Фатеева Т.В., Григорьев А.С., Алиев А.Ш. // Chemical Problems. 2018. № 4. С. 453.
- UTL:https://ar2020.phosagro.ru/download/full-reports/ ar_ru_annual-report_pages_phosagro_2020.pdf (дата обращения: 09.09.2022 г.)
- Lamb K.E., Dolan M.D., Kennedy D.F. // Int. J. Hydrogen Energy. 2019. V. 44. № 7. P. 3580.
- Тарасов Б.П., Лотоцкий М.В., Яртысь В.А. // Российский химический журнал. 2006. Т. 50. № 6. С. 34.
- Le T.A., Do Q.C., Kim Y., Kim T.W., Chae H.J. // Korean J. Chem. Eng. 2021. V. 38. № 6. P. 1087.
- Lendzion-Bielun Z., Narkiewicz U., Arabczyk W. // Materials. 2013. V. 6. № 6. P. 2400.
- Zhang J., Xu H., Ge Q., Li, W. // Catal. Commun. 2006. V. 7. № 3. P. 148.
- Li G., Yu X., Yin F., Lei Z., Zhang H., He X. // Catal. Today. 2022. V. 402. P. 45.
- Podila S., Driss H., Zaman S.F., Alhamed Y.A., AlZahrani A.A., Daous M.A., Petrov L.A. // J. Mol. Catal. A: Chem. 2016. V. 414. P. 130.
- Choudhary T.V., Sivadinarayana C., Goodman D.W. // Catal. Lett. 2001. V. 72. № 3. P. 197.
- Li X.K., Ji W.J., Zhao J., Wang S.J., Au C.T. // J. Catal. 2005. V. 236. № 2. P. 181.
- Liu H., Wang H., Shen J., Sun Y., Liu Z. // Appl. Catal. A: Gen. 2008. V. 337. № 2. P. 138.
- Ertl G., Knözinger H., Weitkamp J. // Weinheim: VCH. 1997. V. 2. P. 427.
- Bell T.E. // Top. Catal. 2016. V. 59. № 15. P. 1438.
- Lendzion-Bieluń Z., Pelka R., Arabczyk W. // Catal. Lett. 2009. V. 129. № 1. P. 119.
- Gu Y.Q., Jin, Z., Zhang H., Xu R.J., Zheng M.J., Guo Y.M., Song Q.S., Jia C.J. // J. Mater. Chem. A. 2015. V. 3. № 33. P. 17172.
- Podila S., Alhamed Y.A., AlZahrani A.A., Petrov L.A. // Int. J. Hydrogen Energy. 2015. V. 40. № 45. P. 15411.
- Savost’yanov A.P., Yakovenko R.E., Sulima S.I., Bakun V.G., Narochnyi G.B., Chernyshev V.M., Mitchenko S.A. // Catal. Today. 2017. V. 279. P. 107.
- Yakovenko R.E., Savost’yanov A.P., Narochniy G.B., Soromotin V.N., Zubkov I.N., Papeta O.P., Svetogorov R.D., Mitchenko S.A. // Catal. Sci. Technol. 2020. V. 10. P. 7613.
- Савостьянов А.П., Яковенко Р.Е., Нарочный Г.Б., Бакун В.Г., Сулима С.И., Якуба Э.С., Митченко С.А. // Кинетика и катализ. 2017. Т. 58. № 1. С. 1.
- Яковенко Р.Е., Зубков И.Н., Нарочный Г.Б., Папета О.П., Денисов О.Д., Савостьянов А.П. // Кинетика и катализ. 2020. Т. 61. № 2. С. 278.
- Яковенко Р.Е., Зубков И.Н., Савостьянов А.П., Соромотин В.Н., Краснякова Т.В., Папета О.П., Митченко С.А. // Кинетика и катализ. 2021. Т. 62. № 1. С. 109.
- Авербух А.Я., Тумаркина Е.С., Мухленов И.П., Копылев Б.А, Румянцева Е.С. Практикум по общей химической технологии: Учебное пособие для студентов вузов. Под ред. И.П. Мухленова. Москва: Высшая школа, 1979. 421 с.
- Young R.A. The Rietveld Method. Oxford University Press, 1995. 298 p.
- Schanke D., Vada S., Blekkan E.A., Hilmen A.M., Hoff A., Holmen A. // J. Catal. 1995. V. 156. № 1. P. 85.
- PDF-2. The powder diffraction file TM. International Center for Diffraction Data (ICDD). PDF-2 Release 2012. web site: www.icdd.com. 2014. № (ICDD 42-1467)
- PDF-2. The powder diffraction file TM. International Center for Diffraction Data (ICDD). PDF-2 Release 2012. web site: www.icdd.com. 2014. № 000-61-0765
- PDF-2. The powder diffraction file TM. International Center for Diffraction Data (ICDD). PDF-2 Release 2012. web site: www.icdd.com. 2014. № 010-75-0921
- Липпенс Б.К., Стеггерда И.И. Активная окись алюминия. Строение и свойства адсорбентов и катализаторов. Москва: Мир, 1973. С. 190.
- Lin H.Y., Chen Y.W. // Mater. Chem. Phys. 2004. V. 85. № 1. P. 171.
- Wong L., Tang L., Scarlett N.V., Chiang K., Patel J., Burke N., Sage V. // Appl. Catal. A: Gen. 2017. V. 537. P. 1.
- Wang C., Liu N., Zhang, C., Liu X., Li X., Zhao X.S. // Appl. Surf. Sci. 2019. V. 497. P. 143776.
- Li J., Liu Z., Wang R. // J. Colloid Interface Sci. 2018. V. 531. P. 204.
- Bruce L.A., Hoang M., Hughes A.E., Turney T.W. // Appl. Catal. A: Gen. 1993. V. 100. № 1. P. 51.
- Prieto G., Concepción P., Murciano R., Martínez A. // J. Catal. 2013. V. 302. P. 37.
- Pei Y., Ding Y., Zhu H., Zang J., Song X., Dong W., Wang T., Lu Y. // Catal. Lett. 2014. V. 144. № 8. P. 1433.
- Steen E., Sewell G.S., Makhothe R.A., Micklethwaite C., Manstein H., Lange M., O’Connor C.T. // J. Catal. 1996. V. 162. № 2. P. 220.
- Li L., Zhu Z.H., Yan Z.F., Lu G.Q., Rintoul L. // Appl. Catal. A: Gen. 2007. V. 320. P. 166.
- Su Q., Gu L., Yao Y., Zhao J., Ji W., Ding W., Au C.T. // Appl. Catal. B: Env. 2017. V. 201. P. 451.
- Li L., Zhu Z.H., Lu G.Q., Yan Z.F., Qiao S.Z. // Carbon. 2007. V. 45. № 1. P. 11.
- Zhang H., Alhamed Y.A., Al-Zahrani A., Daous M., Inokawa H., Kojima Y., Petrov L.A. // Int. J. Hydrogen Energy. 2014. V. 39. № 31. P. 17573.
- Zhang H., Alhamed Y.A., Chu W., Ye Z., AlZahrani A., Petrov L. // Appl. Catal. A: Gen. 2013. V. 464. P. 156.
- Podila S., Driss H., Zaman S.F., Alhamed Y.A., AlZahrani A.A., Daous M.A., Petrov L.A. // J. Mol. Catal. A: Chem. 2016. V. 414. P. 130.
- Podila S., Driss H., Zaman S.F., Ali A.M., Al-Zahrani A.A., Daous M.A., Petrov L.A. // Int. J. Hydrogen Energy. 2017. V. 42. № 38. P. 24213.
- Khan W.U., Alasiri H.S., Ali S.A., Hossain M.M. // Chem. Rec. 2022. V. 22. № 7. P. e202200030.
- Zhang Z.S., Fu X.P., Wang W.W., Jin Z., Song Q.S., Jia C.J. // Sci. China Chem. 2018. V. 61. № 11. P. 1389.
- Torrente-Murciano L., Hill A.K., Bell T.E. // Catal. Today. 2017. V. 286. P. 131.
- Zhang H., Alhamed Y., Kojima Y., Al-Zahrani A.A., Petrov L.A. // Comptes rendus de l’Acad’emie bulgare des Sciences. 2013. V. 66. P. 519.
- Zhang J., Müller J.O., Zheng W., Wang D., Su D., Schlögl R. // Nano Lett. 2008. V. 8. № 9. P. 2738.
- Hu X.C., Wang W.W., Jin Z., Wang X., Si R., Jia C.J. // J. Energy Chem. 2019. V. 38. P. 41.
- Lara-Garcia H.A., Mendoza-Nieto J.A., Pfeiffer H., Torrente-Murciano L. // Int. J. Hydrogen Energy. 2019. V. 44. № 57. P. 30062.
- Huang C., Li H., Yang J., Wang C., Hu F., Wang X., Lu Z.H., Feng G., Zhang R. // Appl. Surf. Sci. 2019. V. 478. P. 708.
- Li G., Zhang H., Yu X., Lei Z., Yin F., He X. // Int. J. Hydrogen Energy. 2022. V. 47. № 26. P. 12882.
- McCullough K., Chiang P.H., Jimenez J.D., Lauterbach J.A. // Materials. 2020. V. 13. № 8. P. 1869.
- Di Carlo A., Vecchione L., Del Prete Z. // Int. J Hydrogen Energy. 2014. V. 39. № 2. P. 808.
Supplementary files









