Controlled circuit with a capacitive cell based on magnetodielectric fluid
- Authors: Kozhevnikov V.M.1, Chuenkova I.Y.1, Larionov Y.A.1
-
Affiliations:
- North Caucasus Federal University
- Issue: Vol 88, No 10 (2024)
- Pages: 1551-1556
- Section: Physics of magnetic fluids and composite materials based on them
- URL: https://journals.rcsi.science/0367-6765/article/view/283364
- DOI: https://doi.org/10.31857/S0367676524100087
- EDN: https://elibrary.ru/DTGJUI
- ID: 283364
Cite item
Full Text
Abstract
We implemented a controlled oscillatory RLC circuit, in which a cell with a layer of magnetodielectric liquid is used as a capacitive element. The possibility of creating self-tuning inductive-capacitive elements based on a thin layer of magnetodielectric liquid is considered. It is shown that changing the properties of a magnetodielectric liquid in electric and magnetic fields makes it possible to create adjustable inductive-capacitive converters.
Full Text
ВВЕДЕНИЕ
Воздействие электрического и магнитного полей на тонкий слой магнитодиэлектрической жидкости (МДЖ) исследовалось в ряде работ [1—6]. Магнитоэлектрическая жидкость представляет собой высокодисперсный коллоид магнетита, диспергированный в углеводороде (керосине) с различной концентрацией твердой фазы. При действии внешнего электрического или магнитного полей в МДЖ, наряду с другими наноструктурами [7—9], формируются различные образования в виде цепочек частиц магнетита, микрокапель, а также областей с повышенной концентрацией твердой фазы, представляющих собой ячеистую структуру [1]. Формирование концентрационных областей свидетельствует о вкладе межчастичных взаимодействий в изменение физических свойств слоя МДЖ, что может быть использовано при создании таких устройств, как индуктивно-емкостные преобразователи, управляемые оптические фильтры.
СВОЙСТВА КОЛЕБАТЕЛЬНОГО КОНТУРА С ЯЧЕЙКОЙ, ЗАПОЛНЕННОЙ МАГНИТОДИЭЛЕКТРИЧЕСКОЙ ЖИДКОСТЬЮ
В работе проведено исследование управляемого колебательного RLC контура, в котором в качестве емкостного элемента используется плоскопараллельная ячейка со слоем магнитодиэлектрической жидкости. Дополнительное воздействие на слой МДЖ постоянным электрическим и/или магнитным полем приводит к структурированию твердой фазы, что позволяет управлять такими параметрами контура, как добротность, резонансная частота, электрическое сопротивление, электроемкость. Возможности управления характеристиками низкочастотного резонансного магнитоэлектрического эффекта в композитных структурах, содержащих механически связанные ферромагнитные и пьезоэлектрические слои, с помощью внешних воздействий были представлены в работе [9].
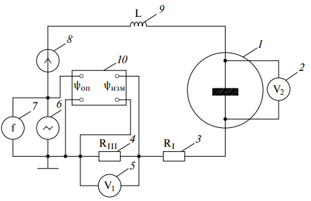
Схема экспериментальной установки представлена на рис. 1. Контур состоял из стандартных катушек индуктивности (0.22 Гн), емкостного элемента и резисторов. Емкостной элемент представлял собой плоскопараллельную стеклянную ячейку с электропроводящим покрытием In2O3∙SnO2, что позволяло одновременно с электрическими измерениями контролировать процессы концентрационных образований в слое МДЖ. Ячейка заполнялась МДЖ на основе керосина с наноразмерными частицами магнетита, концентрация твёрдой фазы изменялась от 2 до 14 об.%, толщина слоя МДЖ составляла от 20 до 220 мкм. На контур подавалось синусоидальное напряжение 1.5 В, частота которого составляла от 2 до 20 кГц (точность измерения частоты ± 30 Гц). Дополнительно поляризующее напряжение UП подавалось на ячейку от постоянного источника (рис. 1). Постоянная и переменная составляющие тока контура вычислялись по падению напряжения на резисторе 4 с погрешностью 1 %. Режим резонанса в контуре достигался изменением частоты приложенного напряжения и определялся по максимуму переменной составляющей тока. При воздействии поляризующего напряжения измерения проводились после выдержки ячейки в электрическом поле от 5 до 10 с.
Рис. 1. Последовательный колебательный контур 1 — ячейка со слоем МДЖ, 2 — вольтметр, 3 — резистор (R1 = 100 Ом), 4 — шунт (RШ = 100 Ом), 5 — вольтметр, 6 — генератор переменной частоты, 7 — частотомер, 8 — постоянный источник ЭДС, 9 — катушки индуктивности с параметрами L = 2×0.11 Гн RL = 2×16 Ом, 10 — измеритель разности фаз.
Экспериментально установлено, что резонансная частота контура зависела от толщины слоя МДЖ d в ячейке и изменялась от 6 кГц при толщине слоя 20 мкм до 19 кГц при d = 220 мкм. Добротность контура, рассчитанная как отношение напряжения на ячейке к входному напряжению контура [2], при действии поляризующего напряжения на ячейку увеличивалась от 4 (при UП =0) до 11 (при UП = 250 В).
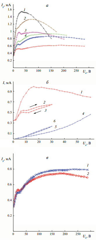
Характер изменения резонансного тока контура от величины постоянного напряжения на ячейке зависел от толщины слоя МЖ (рис. 2а). Кривые IР(UП) при напряжении UП = 20—30 В имели максимум, который смещался в сторону больших напряжений при уменьшении толщины слоя. Максимум резонансного тока в слое МДЖ толщиной d = 80—220 мкм соответствовал переходу ячеистой структуры в лабиринтную. На участке, соответствующем напряжению UП = 90—250 В, резонансный ток IР уменьшался в зависимости от постоянного напряжения UП. При постоянном напряжении UП от 5 до 12 В в слое МДЖ наблюдалась ячеистая структура из частиц магнетита, которая при повышении напряжения UП переходила в лабиринтную структуру. При напряжении UП больше 15 В возникало движение структуры в слое, которое при 30 В формировало вихри [1—3]. В отсутствии поляризующего напряжения величина резонансного тока контура, а, следовательно, и проводимость емкостного элемента при указанных толщинах слоя МДЖ на резонансной частоте в пределах точности измерений не зависели от его толщины и определялись высокомными приэлектродными областями. При первичном воздействии на ячейку с МДЖ максимальное значение резонансного тока соответствовало появлению движения структуры в слое МДЖ (рис. 2б кривая 1). Зависимость Iпост (UП) представлена на рис. 2б кривая 4. При повторном воздействии поляризующим напряжением переменная составляющая тока уменьшалась, зависимость тока от напряжения проявляла гистерезис (рис. 2б кривая 2 — повышение напряжения, 3 — понижение напряжения). Постоянная составляющая тока увеличивалась (рис. 2б кривая 5 — повышение напряжения, 6 — понижение напряжения).
Рис. 2. Зависимость резонансного тока контура от постоянного напряжения UП: при толщине слоя МДЖ (φ = 2%): 1 — d = 20 мкм, 2 — d = 40 мкм, 3 — d = 80 мкм, 4 — d = 110 мкм, 5 — d = 150 мкм, 6 — d = 220 мкм (а); при толщине слоя d = 80 мкм и повторном воздействии постоянного напряжения (б); при толщине слоя d = 150 мкм (φ=2 %) и напряженности магнитного поля: 1 — Н = 0; 2 — Н = 7 кА/м (в).
Дополнительное воздействие магнитным полем на слой МДЖ изменяло значение резонансного тока и резонансной частоты контура (рис. 2в). Вектор напряженности магнитного поля был направлен перпендикулярно поверхности слоя МДЖ. Магнитное поле изменяло зависимость резонансного тока от постоянного напряжения, причем наибольшие изменения наблюдались при напряжении UП более 100 В. Изменение резонансного тока в магнитном поле зависело от концентрации твердой фазы и предыстории воздействия постоянным электрическим полем. Резонансная частота контура при слое МДЖ с концентрацией твердой фазы 2 % составляла 16.0 и 14.2 кГц для слоя МДЖ с концентрацией твердой фазы 14 %. Максимальное изменение резонансной частоты (Δ f ~300 Гц) наблюдалось в магнитных полях напряженностью до 3 кА/м при слое МДЖ с концентрацией твердой фазы φ = 14 об.%, намагниченность насыщения МS = 34 кА∙м-1. Воздействие магнитным полем на слой МДЖ также приводило к увеличению изменению тока в цепи, при этом изменялась добротность контура. После снятия поляризующего напряжения время восстановления электрических свойств ячейки составляло порядка 1 мин. Наблюдаемые структурные превращения в слое МДЖ и изменения его электрических свойств под действием внешних полей могут быть использованы при создании таких устройств, как индуктивно-емкостные преобразователи.
ИНДУКТИВНО-ЕМКОСТНОЙ ПРЕОБРАЗОВАТЕЛЬ НА ОСНОВЕ МАГНИТОДИЭЛЕКТРИЧЕСКОЙ ЖИДКОСТИ
Рассмотрена возможность создания устройства, обеспечивающего неискажающий и согласованный режимы работы электрических цепей для информационных сигналов. Условием неискажающей линии является соотношение для погонных параметров линии
, (1)
где R0, L0, G0, C0 — сопротивление, индуктивность, проводимость и емкость линии на единицу длины. Кроме создания неискажающих линий, существует проблема организации в электрических цепях с распределенными параметрами согласованного режима работы, в котором волновое сопротивление цепи равно сопротивлению нагрузки (Zв = Zн). Обе эти проблемы в электрических цепях с распределенными параметрами решают созданием условий регулирования L0 и C0. Одним из устройств, обеспечивающих регулирование емкости и индуктивности, является каткон (катушка — конденсатор) [10]. Каткон — это пассивный элемент электрической цепи, представляющий собой четырехполюсник, сочетающий одновременно свойства индуктивной катушки и конденсатора. В простейшем случае каткон — это две гальванически несвязанные катушки, изолированные друг от друга соответствующим диэлектриком, индуктивность которых изменяется за счет тока смещения [11]. Недостатком известных решений создания неискажающей и согласованной информационной линии является отсутствие саморегулирования дополнительных элементов индуктивности и емкости. Создание самонастраивающихся индуктивно-емкостных элементов — одна из перспективных задач при реализации неискажающих и согласованных линий передачи информации.
Реализация таких устройств возможна при использовании в качестве активной среды магнитодиэлектрической жидкости, электрические и магнитные свойства которой зависят от концентрации магнитных частиц, температуры, магнитного и электрического полей. Магнитные и оптические измерения указывают, что в МДЖ на основе магнетита, даже в слабых магнитных полях, образуются агрегаты частиц твердой фазы [12]. Как было показано ранее, в магнитном поле изменяются и электрические свойства магнитных коллоидов, что нельзя объяснить только ориентацией частиц дисперсной фазы во внешнем поле, так как форма частиц магнетита в МДЖ близка к сферической, кристаллографическая анизотропия электрических свойств невелика и незначительно влияет на проводимость МДЖ. Зависимость проводимости жидкости от магнитного поля связана с образованием и изменением структуры в ней. Электрическое поле изменяет форму сольватной оболочки частицы магнетита, возникает наведенный заряд. Это приводит к усилению межчастичного взаимодействия с образованием концентрационных структур и формированием приэлектродного высокоомного слоя. Возникновение структурированного слоя и его разрушение происходит в интервале времени, значительно превышающем время релаксации Максвелла—Вагнера заряда в МДЖ с удельной проводимостью 10–6 (Ом·м)–1. Объемный заряд, накапливаемый в приэлектродном слое, вызывает неустойчивость приэлектродного слоя с формированием желобковой гофрировки, наблюдаемой в эксперименте [13, 14]. Постоянная времени разрушения структурированного слоя при снятии воздействия составляет несколько секунд. Эффект воздействия магнитного поля на электропроводность магнитодиэлектрической жидкости, по-видимому, можно объяснить различным соотношением между составляющими проводимостей, обусловленными подвижностью магнитных частиц и образованием цепочек проводимости. Так как воздействие магнитного поля приводит к образованию структур, то подвижность частиц магнетита снижается, вязкость жидкости увеличивается. Эти оба фактора снижают суммарную проводимость.
Экспериментально установлено, что электрические свойства тонкого слоя (меньше 200 мкм) магнитодиэлектрической жидкости отличаются от свойств в объеме (расстояние между электродами более 0.5 мм). Для выяснения вопроса максимальной эффективности управления электрическими и магнитными свойствами слоя МДЖ, используемого в катконе в качестве активной среды, был проведен сравнительный эксперимент со слоем МДЖ большей толщины (8 мм). В эксперименте оценивалась эффективная диэлектрическая проницаемость и емкость ячейки со слоем МДЖ по измерению силы притяжения между электродами. В качестве магнитодиэлектрической жидкости использовалась жидкость типа «магнетит в керосине» плотностью 1.71 г∙см-3, намагниченностью насыщения 110 кА∙м-1. В случае однородного электрического поля сила, действующая на пластины конденсатора, помешенного в диэлектрическую жидкость, определяется выражением
, (2)
где S — площадь пластины конденсатора, E — напряженность электрического поля.
Силы притяжения между электродами в зависимости от воздействующего постоянного напряжения оценивали по методике, описанной в [15]. Установлено, что в магнитодиэлектрической жидкости коэффициент пропорциональности между силой и напряженностью электрического поля (эффективная диэлектрическая проницаемость, а также емкость ячейки) увеличивался при увеличении электрического поля и уменьшался при дополнительном воздействии магнитного поля (рис. 3).
Рис. 3. Изменение эффективной диэлектрической проницаемости и электрического тока от постоянного напряжения: × — слоя магнитодиэлектрической жидкости, o — магнитодиэлектрической жидкости при дополнительном воздействии магнитного поля 50 Э, ● — в слое керосина, Δ — вольтамперная характеристика.
Согласно данным работы [16], емкость ячейки при толщине слоя МЖ d = 150 мкм, измеренная мостовым методом при частоте воздействующего напряжения 1 кГц, также зависела от величины постоянного напряжения. Максимальное изменение емкости при UП = 12 В составляло 10 %.
На рис. 4 приведены характерные зависимости изменения емкости и проводимости ячейки с МДЖ от UП
; , (3)
где С0 и G0 — емкость и проводимость ячейки при UП = 0. В работе были проведены измерения С с помощью моста переменного тока с параметрами зондирующего напряжения: действующее значение 4 В, частота 1 кГц и сняты зависимости емкости ячейки С и ее проводимости G от величины поляризующего постоянного напряжения (UП) и толщины слоя МДЖ. При этом использовалась ячейка с клинообразным расположением стекол–электродов, что позволило создавать слои толщиной от 1 до 100 мкм при единых внешних условиях. Одно стекло — электрод (60×40 мм2) имело сплошное покрытие, другое было разбито на 10 равных проводящих прямоугольников (6×4 мм2), которые представляли собой противоэлектроды. При воздействии поляризующего постоянного напряжения на ячейку с толщиной слоя МДЖ 80—100 мкм изменение емкости составило 20 %. Однако, емкость ячейки со слоем МДЖ толщиной d = 20—200 мкм, рассчитанная из режима резонанса, при дополнительном воздействии постоянного напряжения UП = 0—300 В, изменялась не более 1 %, но зависела от концентрации твердой фазы МДЖ. Емкость ячейки увеличивалась от 320 до 450 пФ при увеличении концентрации от 2 до 14 об.% [2]. Расхождение результатов в рассмотренных работах могло быть связано с различной частотой воздействующего на слой МДЖ напряжения. Емкость ячейки с МДЖ определяется емкостью приэлектродного слоя (поляризующей емкостью) и геометрической емкостью [5]. Зависимость емкости ячейки от постоянного напряжения можно объяснить в основном изменением поляризующей емкости, связанной с увеличением толщины приэлектродного слоя. Изменение толщины высокоомного приэлектродного слоя также приводит к изменению проводимости ячейки (рис. 4б).
Рис. 4. Изменение электрических параметров ячейки со слоем МДЖ при действии поляризующего напряжения. Изменение емкости ∆C (а). Расстояние между электродами 1—5 мкм; 2—10 мкм; 3—80 мкм; 4—100 мкм. Изменение проводимости ячейки ∆G со слоем МДЖ при действии поляризующего напряжения (б). Расстояние между электродами 2—10 мкм; 3—80 мкм; 4—100 мкм.
Таким образом, обобщая результаты измерения емкости ячейки со слоем МДЖ и ее зависимости от постоянного напряжения тремя методами, было установлено: 1) полярность поляризующего напряжения не влияет на характер зависимости и ; 2) емкость ячейки, заполненной чистым керосином, не зависит от постоянного напряжения (рис. 4); 3) в ячейке с толщиной слоя МДЖ 500 мкм и более обнаружить изменение емкости от постоянного напряжения не удалось; 4) необходимость учитывать кажущееся увеличение емкости конденсатора, даже если он имеет малую индуктивность, при приближении к резонансной частоте
, (4)
где СЭ — эффективная емкость, С — действительная емкость, f — частота, L — индуктивность. Полученные результаты свидетельствуют о том, что эффективное управление емкостью индуктивно-емкостных преобразователей на основе ячейки с МДЖ может осуществляться на частотах 1 кГц и в широком диапазоне изменения поляризующего напряжения.
Воздействие постоянным напряжением на тонкий слой магнитодиэлектрической жидкости приводит к процессам интенсивных структурных изменений, которые приводят к возникновению дополнительных магнитных контуров (ячеек). В случае лабиринтной и кольцевой структур, наблюдаемых в слое МДЖ, которые можно рассматривать как элементарные ячейки, оценка величины его индуктивности дает величину порядка 10−9 Гн. Деление магнитного контура на n-контуры увеличивает основной магнитный поток Ф в n раз, следовательно, индуктивность как коэффициент связи между Ф и током, который остается постоянным, должна возрастать.
Конструкция индуктивно-емкостного преобразователя может представлять собой параллельное, последовательное либо последовательно-параллельное соединение ячеек со слоем МДЖ. Воздействие поляризующим напряжением увеличивает диапазон изменения емкости и сопротивления плоскопараллельных элементов индуктивно — емкостного преобразователя.
ЗАКЛЮЧЕНИЕ
Параллельное, последовательное либо последовательно-параллельное соединение ячеек со слоем МДЖ может быть использовано при разработке индуктивно-емкостного управляемого преобразователя. Определен интервал частот и напряжений, при которых управление ячейки со слоем МДЖ наиболее эффективно. Как один из вариантов реализации индуктивно-емкостного преобразователя рассмотрен RLC колебательный контур, в котором в качестве емкостного элемента использована ячейки с со слоем магнитодиэлектрической жидкости. В режиме резонанса при дополнительном воздействии постоянного электрического и/или магнитного поля достигнуты изменения добротности в 2.8 раза, резонансной частоты в 3.1 раза. Показано, что эти результаты напрямую связаны со структурными изменениями, проходящими в слое МДЖ под действием внешних полей.
About the authors
V. M. Kozhevnikov
North Caucasus Federal University
Author for correspondence.
Email: vkozhevnikov@ncfu.ru
Russian Federation, Stavropol
I. Yu. Chuenkova
North Caucasus Federal University
Email: vkozhevnikov@ncfu.ru
Russian Federation, Stavropol
Yu. A. Larionov
North Caucasus Federal University
Email: vkozhevnikov@ncfu.ru
Russian Federation, Stavropol
References
- Кожевников В.М., Ларионов Ю.А., Чуенкова И.Ю. // 18-я междунар. Плесская научн. конф. по нанодисперсным магнитным жидкостям: Сб. науч. тр. Иваново: ИГЭУ, 2018. С. 121.
- Чуенкова И.Ю. Электрокинетические явления в системах макро- и микрокапель магнитных коллоидов. Дисс… д-ра. физ.-мат. наук. Ставрополь: Северо-Кавказский гос. ун-т, 2010.
- Кожевников В.М., Чуенкова И.Ю., Данилов М.И., Ястребов С.С. // ЖТФ. 2008. Т. 78. № 2. С. 51. // Kozhevnikov V.M., Chuenkova I.Yu., Danilov M.I., Yastrebov S.S. // Tech. Phys. 2008. V. 53. No. 2. P. 192.
- Demin M.S., Morozova T.F. // Magnetohydrodynamics. 2018. V. 54. No. 1—2. P. 91.
- Kandaurova N.V., Chekanov V.V., Chekanov V.S. // Acta Tech. 2018. V. 63. No. 1B. P. 1.
- Kozhevnikov V.M., Chuenkova I.Yu., Danilov M.I., Yastrebov S.S. // Magnetohydrodynamics. 2005. V. 41. No. 3. P. 231.
- Фадеев Е.А., Блинов М.И., Гаршин В.В. и др. // Изв. РАН. Сер. физ. 2019. Т. 83. № 7. С. 917; Fadeev E.A., Blinov M.I., Garshin V.V. et al. // Bull. Russ. Acad. Sci. Phys. 2019. V. 83. No. 7. P. 835.
- Шульга Н.В., Дорошенко Н.А. // Изв. РАН. Сер. физ. 2020. Т. 84. № 5. С. 679; Shulga N.V., Doroshenko R.A. // Bull. Russ. Asad. Sci. Phis. 2020. V. 84. No. 5. P. 563.
- Фетисов Л.Ю.// Изв. РАН. Сер. физ. 2017. Т. 83. № 2. С. 976; Fetisov L.Yu. // Bull. Russ. Acad. Sci. Phys. 2019. V. 83. No.7. P. 891.
- Демирчян К.С., Гусев Г.Г. // Изв. АН СССР. Энерг. и транспорт. 1987. № 2. С. 3.
- Бутырин П.А., Гусев Г.Г., Михеев Д.В. и др. // Изв. РАН. Сер. физ. 2018. Т. 82. С. 1017; Butyrin P.A., Gusev G.G., Mikheev D.V. et al. // Bull. Russ. Acad. Sci. Phys. 2018. V. 82. P. 918.
- Кожевников В.М., Падалка В.В., Райхер Ю.Л. и др. // Изв. АН СССР. Сер. физ. 1987. Т. 51. № 6. С. 1042.
- Kozhevnikov V.M., Larionov Yu.A., Chuenkova I.Yu. // Magnetohydrodynamics. 2018. V. 54. No. 1—2. P. 55.
- Kozhevnikov V.M., Larionov Yu.A., Chuenkova I.Yu., Antonova A.A. // Magnetohydrodynamics. 2018. V. 54. No. 1—2. P. 85.
- Кожевников В.М. Электрокинетические свойства магнитодиэлектрических коллоидных систем и разработка устройств на их основе. Дисс… докт. техн. наук. Ставрополь.: Ставр. гос. техн. ун-т, 1998.
- Аверьянов П.В., Кожевников В.М., Морозова Т.Ф. // Изв. вузов Сев.-Кавк. р-на. Техн. науки. 2004. № 1. С. 49.
Supplementary files







