Monitoring of the current operating condition and forecasting of the residual life of high-voltage insulators
- Authors: Golenishchev-Kutuzov V.A.1, Golenishchev-Kutuzov A.V.1, Semennikov A.V.1, Kalimullin R.I.1, Ivanov D.A.1
-
Affiliations:
- Kazan State Power Engineering University
- Issue: Vol 87, No 12 (2023)
- Pages: 1823-1827
- Section: Articles
- URL: https://journals.rcsi.science/0367-6765/article/view/232558
- DOI: https://doi.org/10.31857/S0367676523703143
- EDN: https://elibrary.ru/QLIKVU
- ID: 232558
Cite item
Full Text
Abstract
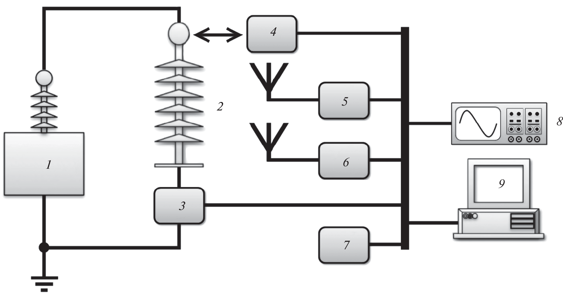
The features of the developed complex remote method for diagnosing the current operating condition and predicting the residual life of high-voltage insulators under operating conditions are considered. The basis is the registration and subsequent computer analysis of a set of experimentally established diagnostic parameters of partial discharges. To find and localize the location, type and degree of danger of defects, a two-channel contactless method of registering partial discharges using electromagnetic and acoustic sensors as part of narrow-focused antennas is used. Special attention is paid in the article to the influence of the most dangerous defects arising due to induced electric fields created by previous partial discharges.
About the authors
V. A. Golenishchev-Kutuzov
Kazan State Power Engineering University
Email: campoce6e@gmail.com
Russia, 420066, Kazan
A. V. Golenishchev-Kutuzov
Kazan State Power Engineering University
Email: campoce6e@gmail.com
Russia, 420066, Kazan
A. V. Semennikov
Kazan State Power Engineering University
Author for correspondence.
Email: campoce6e@gmail.com
Russia, 420066, Kazan
R. I. Kalimullin
Kazan State Power Engineering University
Email: campoce6e@gmail.com
Russia, 420066, Kazan
D. A. Ivanov
Kazan State Power Engineering University
Email: campoce6e@gmail.com
Russia, 420066, Kazan
References
- Hikita M., Yamada K., Nakamura A. et al. // IEEE Trans. Electr. Insul. 1990. V. 25. No. 3. P. 453.
- Morshuis P.H.F., Kreuger F.H. // J. Phys. D. 1990. V. 23. No. 12. P. 1562.
- Аввакумов М.В., Голенищев-Кутузов А.В. // Изв. вузов. Пробл. энерг. 2003. № 9–10. С. 134.
- Вдовико В.П. Частичные разряды в диагностировании высоковольтного оборудования. Новосибирск: Наука, 2007. 155 с.
- Коробейников С.М., Овчинников А.Г. Физические механизмы частичных разрядов. Новосибирск: Издательство НГТУ, 2022. 266 с.
- Голенищев-Кутузов А.В., Голенищев-Кутузов В.А., Семенников А.В. и др. // Изв. РАН. Сер. физ. 2022. Т. 86. № 11. С. 1660; Golenishchev-Kutuzov V.A., Golenishchev-Kutuzov A.V., Semennikov A.V. et al. // Bull. Russ. Acad. Sci. Phys. 2022. V. 86. No. 11. P. 1376.
- Кузьмин Г.Н. // в кн: Физическая энциклопедия. Т. 4. М.: БРЭ, 1994. С. 544.
- Рашба Э.И. // в кн: Физическая энциклопедия. Т. 1. М.: Советская энциклопедия, 1988. С. 598.
- Голенищев-Кутузов А.В., Голенищев-Кутузов В.А., Иванов Д.А. и др. // Дефектоскопия. 2018. № 10. С. 10; Golenishchev-Kutuzov A.V., Golenishchev-Kutuzov V.A., Ivanov D.A. et al. // Russ. J. Nondestruct. Test. 2018. V. 54. No. 10. P. 682.
- Florkowski M.I. // Measurement. 2022. V. 196. Art. No. 111198.
- Nikonov V., Bartnicas R., Wertheimer M.R. // IEEE Transact. Plasma Sci. 2001. V. 29. No. 6. P. 866.
- Голенищев-Кутузов В.А., Голенищев-Кутузов А.В., Семенников А.В. и др. // Изв. вузов. Пробл. энерг. 2023. Т. 25. № 1. С. 154.
Supplementary files







