Studies of Isotopic Fractionation of D/H Water Ice in Lunar Regolith
- Authors: Sevastyanov V.S.1, Krivenkо А.P.2, Voropaev S.А.2, Marov M.Y.3
-
Affiliations:
- Vernadsky Institute of Geochemistry and Analytical Chemistry, Russian Academy of Sciences, Moscow, Russia
- Vernadsky Institute of Geochemistry and Analytical Chemistry of Russian Academy of Sciences
- Vernadsky Institute of Geochemistry and Analytical Chemistry, Russian Academy of Sciences, 119991, Moscow, Russia
- Issue: Vol 57, No 6 (2023)
- Pages: 491-502
- Section: Articles
- URL: https://journals.rcsi.science/0320-930X/article/view/148070
- DOI: https://doi.org/10.31857/S0320930X23060063
- EDN: https://elibrary.ru/CVUIKG
- ID: 148070
Cite item
Full Text
Abstract
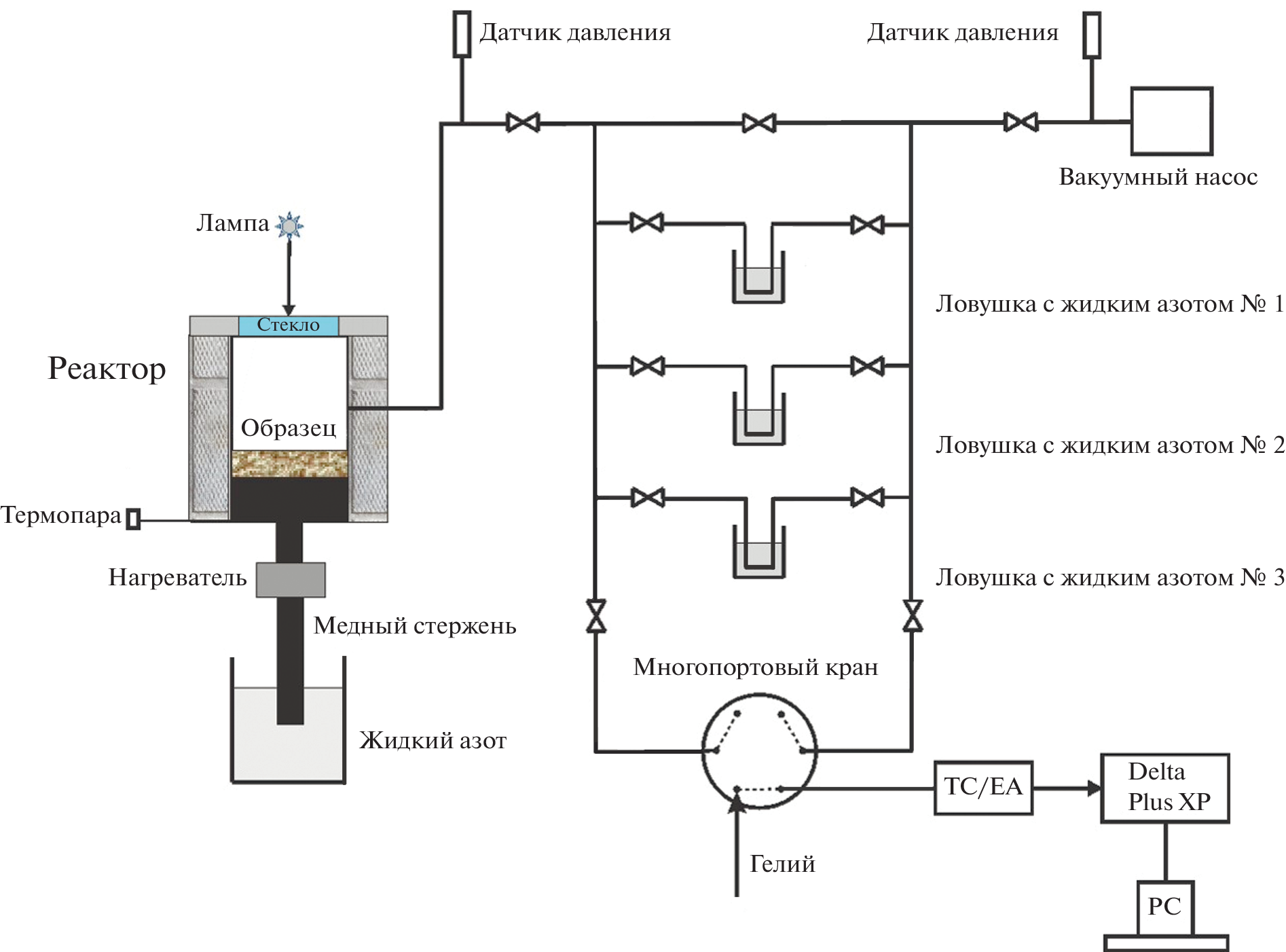
In order to study the processes related to the origin and retention of water on the surface of the Moon, an experimental setup has been created at the Vernadsky Institute of Geochemistry and Analytical Chemistry, Russian Academy of Sciences (GEOKHI RAS), for the analysis of (re)sublimation processes of water ice in a vacuum at low temperatures. The temperature range for (re)sublimation varies from –100 to 0°C. The setup is connected to an Isotope Ratio Mass Spectrometer (IRMS), which allows for measuring the isotopic composition of the vapor of the evaporating substance and providing an estimation of the (re)sublimation rate under specific physicochemical conditions. The direct introduction of gases into the mass spectrometer in real-time mode sets the developed setup apart from foreign counterparts. The setup is equipped with a transparent quartz window through which the surface of the studied substance can be heated using a halogen lamp, simulating the movement of solar rays on the surface of mineral grain compositions under conditions similar to those on the lunar surface. In addition to studying gas (de)sorption on the surfaces of mineral grains of various compositions, the setup can also be used for researching the (re)sublimation of gas hydrates and CO2.
Keywords
About the authors
V. S. Sevastyanov
Vernadsky Institute of Geochemistry and Analytical Chemistry, Russian Academy of Sciences, Moscow, Russia
Email: vsev@geokhi.ru
Россия, Москва
А. P. Krivenkо
Vernadsky Institute of Geochemistry and Analytical Chemistry of Russian Academy of Sciences
Email: krivenko@geokhi.ru
Russia, Moscow
S. А. Voropaev
Vernadsky Institute of Geochemistry and Analytical Chemistry of Russian Academy of Sciences
Email: voropaev@geokhi.ru
Russia, Moscow
M. Ya. Marov
Vernadsky Institute of Geochemistry and Analytical Chemistry, Russian Academy of Sciences, 119991, Moscow, Russia
Author for correspondence.
Email: marovmail@yandex.ru
Россия, Москва
References
- Барсуков В.Л., Дмитриев Л.В., Гаранин А.В. Основные черты геохимии лунных пород // Грунт из материкового района Луны. М.: Наука, 1979. 708 с.
- Виноградов А.П., Лаврухина А.К., Горин В.Д., Устинова Г.К. Космогенные 26Al и 22Na в лунном реголите, доставленном “Луной-16” // Докл. АН СССР. 1972. Т. 202. № 2. С. 437–440.
- Виноградов А.П. Кратко о Луне // Вестник МГУ. 1973. Вып. 4. С. 3–11.
- Галимов Э.М. Геохимия стабильных изотопов углерода. М.: Наука, 1968. 324 с.
- Маров М.Я., Ипатов С.И. Формирование Земли и Луны: влияние малых тел // Геохимия. 2021. Т. 66. № 11. С. 964–971.
- Маров М.Я., Воропаев С.А., Ипатов С.И., Бадюков Д.Д., Слюта Е.Н., Стенников А.В., Федулов В.С., Душенко Н.В., Сорокин Е.М., Кронрод Е.В. Формирование Луны и ранняя эволюция Земли. М.: Изд. URSS, 2019. 314 с.
- Маров М.Я., Колесниченко А.В., Скоров Ю.В. Численное моделирование газопылевого потока в приповерхностном слое кометной атмосферы // Астрон. вестн. 1995. Т. 29. № 3. С. 243–252. (Sol. Syst. Res. V. 29. № 3. P. 167–172.)
- Alexander C.M.O.D., McKeegan K.D., Altwegg K. Water reservoirs in small planetary bodies: meteorites, asteroids, and comets // Space Sci. Rev. 2018. V. 214. id. 36.
- Berezhnoy A.A., Kozlova E.A., Sinitsyn M.P., Shangaraev A.A., Shevchenko V.V. Origin and stability of lunar polar volatiles // Adv. Space Res. 2012. V. 50. № 12. P. 1638–1646.
- Brown Robert H., Lauretta Dante S., Schmidt Britney, Moores John. Experimental and theoretical simulations of ice sublimation with implications for the chemical, isotopic, and physical evolution of icy objects // Planet. and Space Sci. 2012. V. 60. № 1. P. 166–180.
- Bryson Kathryn L., Chevrier Vincent, Sears Derek W.G., Ulrich Richard. Stability of ice on Mars and the water vapor diurnal cycle: Experimental study of the sublimation of ice through a fine-grained basaltic regolith // Icarus. 2008. V. 196. P. 446–458.
- Carr M. D/H on Mars: Effects of flood, volcanism, impacts and polar proceses // Icarus. 1990. V. 87. P. 210–227.
- Colaprete A., Schultz P., Heldmann J., Shirley M, Wooden D. Detection of water in the LCROSS ejecta plume // Science. 2010. V. 330. P. 463–468.
- Colaprete A., Elphic R.C., Heldmann J., Ennico K. An overview of the Lunar Crater Observation and Sensing Satellite (LCROSS) // Space Sci. Rev. 2012. V. 167. № 1–4. P. 3–22.
- Crotts A. Water on the Moon. II. Origins & resources // Astron. Rev. 2012. V. 7. № 1. P. 36–47.
- Dartois E., Thi W.F., Geballe T.R., Deboffle D., d’Hendecourt L., van Dishoeck E. Revisiting the solid HDO/H2O abundances // Astron. and Astrophys. 2003. V. 399. P. 1009–1020.
- Davidsson Björn J.R., Hosseini Sona. Implications of surface roughness in models of water desorption on the Moon // Mon. Notic. Roy. Astron. Soc. 2021. V. 506. № 3. P. 3421–3429.
- De Wit J.C., Van der Straaten C.M., Mook W.G. Determination of the absolute isotopic ratio of V-SMOW and SLAP // Geostand. Geoanal. Res. 1980. V. 4. P. 33–36.
- Dhingra D. The new Moon: Major advances in lunar science enabled by compositional remote sensing from recent missions // Geosciences. 2018. V. 8. № 12. P. 498.
- Feldman W.C., Maurice S., Binder A.B., Barraclough L. Fluxes of fast and epithermal neutrons from Lunar Prospector: Evidence for water ice at the lunar poles // Science. 1998. V. 281. P. 1496–1500.
- Jouzel J., Merlivat L. Deuterium and oxygen 18 in precipitation' modeling of the isotopic effects during snow formation // J. Geophys. Res.: Atmospheres. 1984. V. 89. № D7. P. 11749–11757.
- Geiss J., Gloeckler G. Abundances of deuterium and helium-3 in the proto-solar cloud // Space Sci. Rev. 1998. V. 84. P. 239–250.
- Huebner W.F. The KOSI experiments // Geophys. Res. Lett. 1991. V. 18. № 2. P. 243–244.
- Eberhardt P., Reber M., Krankowsky D., Hodges R.R. The D/H and O18/O16 ratios in water from comet P/Halley // Astron. and Astrophys. 1995. V. 302. P. 301–316.
- Lamb K., Pieters C., Feldmann D. Laboratory measurements of HDO/H2O isotopic fractionation during ice deposition in simulated cirrus clouds // Proc. Nat. Acad. Sci. 2017. V. 114. P. 5612–5617.
- Lécuyer Christophe, Royer Aurélien, Fourel François, Seris Magali, Simon Laurent, Robert François. D/H fractionation during the sublimation of water ice // Icarus. 2017. V. 285. P. 1–7.
- Merlivat L., Nief G. Fractionnement isotopique lors des changements d’etat solide-vapeur et liquide-vapeur de l’eau Á des temperatures inferieures Á °C // Tellus. 1967. V. 19. P. 122–127.
- Merlivat L. Molecular diffusivities of H216O, HD16O, and H218O in gases // J. Chem. Phys. 1978. V. 69. № 7. P. 2884–2871.
- Mitrofanov I.G., Sanin A.B., Boynton W.V., Chin G., Garvin J., Golovin D.D., Evans L.G., Harshman K., Kozyrev A.S., Litvak M., and 23 co-authors. Hydrogen mapping of the lunar south pole using the LRO Neutron Detector Experiment LEND // Science. 2010. V. 330. № 6003. P. 483–486.
- Moores John E., Brown Robert H., Lauretta Dante S., Smith Peter H. Experimental and theoretical simulation of sublimating dusty water ice with implications for D/H ratios of water ice on comets and Mars // Planet. Sci. 2012. V. 1. № 2. P. 1–30.
- Mortimer James, Lecuyer Christophe, Fourel François, Carpenter James. D/H fractionation during sublimation of water ice at low temperatures into a vacuum // Planet. and Space Sci. 2018. V. 158. P. 25–33.
- Pieters C.M., Kremer C.H., Mustard J.F., Crawford J.H. Character and spatial distribution of OH/H2O on the surface of the Moon seen by M3 on Chandrayaan-1 // Science. 2009. V. 326. P. 568–572.
- Sanin A.B., Mitrofanov I.G., Litvak M.L., Petrukobich A.L. Hydrogen distribution in the lunar polar regions // Icarus. 2017. V. 283. P. 20–30.
- Sears D.W.G., Kochan H.W., Huebner W.F. Laboratory simulation of the physical processes occurring on and near the surfaces of comet nuclei // Meteoritics and Planet. Sci. 1999. V. 34. № 4. P. 497–525.
- Skorov Yu.V., Marov M.Ya. Models of gas flow in porous cometary gas nucleus // Proc. IAU Colloq. № 168. P. 21–29 1998. Nanjing, China.
- Van Hook W.A. Vapor pressures of the isotopic waters and ices // J. Phys. Chem. 1967. V. 72. P. 1234–1244.
Supplementary files










