The Effect of Low-Temperature Media on Surface Quality after Combined Processing
- Authors: Yakovleva A.P.1, Albagachiev A.Y.2, Voronov V.A.1, Borisenko A.V.1, Ivanova Y.S.1
-
Affiliations:
- Bauman Moscow State Technical University, Moscow, Russia
- Mechanical Engineering Research Institute of the Russian Academy of Sciences, Moscow, Russia
- Issue: No 2 (2023)
- Pages: 28-33
- Section: МЕХАНИКА МАШИН
- URL: https://journals.rcsi.science/0235-7119/article/view/137572
- DOI: https://doi.org/10.31857/S0235711923020116
- EDN: https://elibrary.ru/COSLTV
- ID: 137572
Cite item
Full Text
Abstract
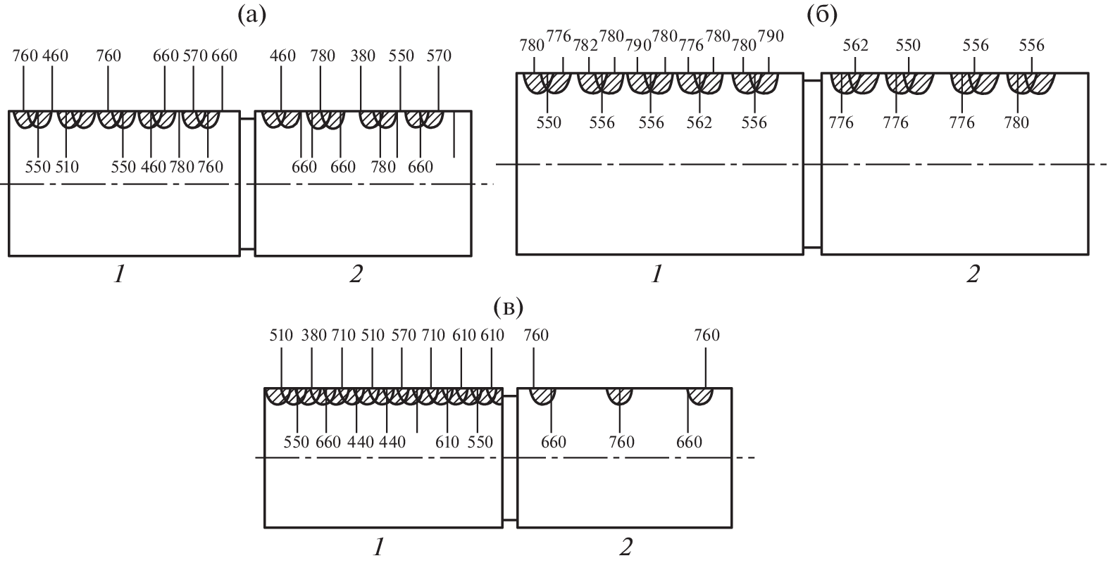
According to the estimation of experts, the number of breakdowns and accidents, as well as wear of parts of standard equipment, is 3–5 times (in some cases 8–10 times) greater during operation at low temperatures than under temperate climate conditions. Therefore, enhancing the quality of surfaces of various machines and mechanisms operating in the Arctic is relevant. This article suggests a method of combined processing that allows one to increase hardness, reduce roughness, obtain optimal residual stresses, and create regular surface microrelief to keep the lubricant on the surface. However, these properties must be maintained at temperatures down to –50°C. The effect of low temperatures on the surface layer of details after combined processing is studied. This work is useful for experts engaged in the design of machines for operation in the Arctic.
Keywords
About the authors
A. P. Yakovleva
Bauman Moscow State Technical University, Moscow, Russia
Email: yakovleva525@mail.ru
Россия, Москва
A. Yu. Albagachiev
Mechanical Engineering Research Institute of the Russian Academy of Sciences, Moscow, Russia
Email: yakovleva525@mail.ru
Россия, Москва
V. A. Voronov
Bauman Moscow State Technical University, Moscow, Russia
Email: yakovleva525@mail.ru
Россия, Москва
A. V. Borisenko
Bauman Moscow State Technical University, Moscow, Russia
Email: yakovleva525@mail.ru
Россия, Москва
Yu. S. Ivanova
Bauman Moscow State Technical University, Moscow, Russia
Author for correspondence.
Email: yakovleva525@mail.ru
Россия, Москва
References
- Kalia S. Cryogenic processing: a study of materials at low temperatures // J. of Low Temperature Physics. 2010. V. 158 (5). P. 934.
- Makhutov N.A., Moskvichev V.V., Fomin V.M. Designing machinery for the arctic: a problem of socioeconomic development of russia’s eastern regions // Herald of the Russian Academy of Sciences. 2015. V. 85 (1). P. 79.
- Rokosh K. Technology of surface treatment of metals and alloys // Metals. 2019. V. 9 (11). P. 1134.
- Григорьев Р.С., Ларионов В.П., Уржумцев Ю.С. Методы повышения работоспособности техники в северном исполнении. Новосибирск: Наука, 1987. 256 с.
- Ларионов В.П., Кузьмин В.Р., Слепцов О.И. Хладостойкость материалов и элементов конструкций: результаты и перспективы. Новосибирск: Наука, 2005. 290 с.
- Surberg C.H., Stratton P.F., Lingenhöl K. The effect of cryogenic treatment on the properties of AISI D2 // Mater. Manuf. Process. 2009. V. 24. P. 863.
- Villa M., Somer M.A.J. Cryogenic treatment of steel: From concept to metallurgical understanding // In Proceedings of the 24th Int. Feration for Heat Treatment and Surface Engineering Congress, Nice, France, 26–29 June 2017.
- Fedorov S., Albagachiev A., Isaenkova M., Yakovleva A., Zaripov V., Minushkin R. The effect of combined processing 278 schedules on the value and nature of residual stresses in the surface layer of cylindrical friction pairs // IOP Conf. Ser.: Mater. Sci. 279 Eng. 2019. T. 589. P. 012032. https://doi.org/10.1088/1757-899X/589/1/012032. 280
- Yakovleva A.P. Improving the durability of machine parts using a combined method // Materials Science Forum. 2019. T. 946. P. 37. https://doi.org/10.4028/www.scientific.net/MSF.946.37
- Yakovleva A., Isaenkova M., Minushkin R. The Effect of Combined Processing on Residual Stresses in the Surface Layer of Power Plant Parts // Materials. 2022. V. 15 (2). P. 420.
- Yakovleva A.P., Albagachiev A.Y. Theoretical Investigation of the Influence of Combined Machining Modes on the Value and Character of Residual Stresses in the Surface Layer of Cylindrical Friction Pairs // J. of Machinery Manufacture and Reliabilitythis link is disabled. 2020. V. 49 (3). P. 237.
- Perlovich Y., Isaenkova M., Bunge H.J. The fullest description of the structure of textured metal materials with generalized pole figures: The example of rolled Zr alloys // Mater. Sci. Forum. 2001. V. 378–381. P. 180.
- Perlovich Y., Isaenkova M. Effects of dynamical deformation ageing on structure and texture of hot-rolled sheets from alloyed BCC metals // Int. J. Mater. Form. 2010. V. 3. P. 1143.
- Dasa D., Duttab A.K., Rayc K.K. Correlation of microstructure with wear behavior of deepcryogenically treated AISI D2 steel // Wear. 2009. V. 267. P. 1371.
- Dasa D., Rayb K.K., Dutta A.K. Influence of temperature of sub-zero treatments on the wear behavior of die steel // Wear. 2009. V. 267. P. 1361.
- Barron R.F. Cryogenic treatment of metals to improve wear resistance // Cryogenics. 1982. V. 22. P. 409.
- Dumasia C.A., Kulkarni V.A., Sonar K.A. Review on the effect of cryogenic treatment on metals // Int. Res. J. Eng. Technol. 2017. V. 4. P. 2402.
- Podgornik B., Paulin I., Zajec B., Jacobson S., Leskovšek V. Deep cryogenic treatment of tool steels // J. Mater. Process. Technol. 2016. V. 229. P. 398.
- Gogte C.L., Likhite A., Peshwe D., Bhokarikar A., Shetty R. Effect of cryogenic processing on surface roughness of age hardenable AA6061 alloy // Mater. Manuf. Process. 2014. V. 29. P. 710.
- Bensely A., Prabhakaran A., Mohan Lal D., Nagarajan G. Enhancing the wear resistance of case carburized steel (En 353) by cryogenic treatment // Cryogenics. 2006. V. 45. P. 747.
- Barron R.F., Burt W., Byrns R., Clapp M., Clark A., Daniels A., Frederking T., Hassenzahll W., Kittell P., Klipping C. et al. Cryogenic engineering conference/international cryogenic materials conference // Boston, MA, USA. Cryogenics. 1986. V. 26. P. 49.
- Das D., Dutta A.K., Ray K.K. Sub-zero treatments of AISI D2 steel: Part I // Microstructure and hardness. Mater. Sci. Eng. A 2010. V. 527. P. 2182.
- Das D., Dutta A.K., Ray K.K. Sub-zero treatments of AISI D2 steel: Part II // Wear behavior. Mater. Sci. Eng. A. 2010. V. 527. P. 2194.
- Darwin J.D., Mohan Lal D., Nagarajan G. Optimization of cryogenic treatment to maximize the wear resistance of 18% Cr martensitic stainless steel by Taguchi method // J. Mater. Process. Technol. 2008. V. 195. P. 241.
Supplementary files







