Устройство для проверки аппаратов защиты от последовательного и параллельного дуговых пробоев и искровых промежутков
- Авторы: Ерашова Ю.Н.1, Тюрин А.Н.2, Гарифуллина Н.А.1, Мусина Л.Ф.1
-
Учреждения:
- ФГБОУ ВО «Казанский государственный энергетический университет»
- АО «Татэлектромонтаж»
- Выпуск: Том 30, № 4 (2024)
- Страницы: 621-629
- Раздел: Автоматика. Информатика. Управление. Приборы
- URL: https://journals.rcsi.science/0136-5835/article/view/278154
- DOI: https://doi.org/10.17277/vestnik.2024.04.pp.621-629
- ID: 278154
Цитировать
Полный текст
Аннотация
На основе требований по монтажу и эксплуатации устройств защиты от дуговых пробоев (УЗДП) предложено проводить их испытания на эффективность срабатывания. Проанализированы виды дуговых пробоев, модели установок для испытаний УЗДП. Представлено устройство для проверки аппаратов защиты от всех видов пробоев, в котором были устранены недостатки существующих подобных устройств. Для подтверждения работоспособности устройства проведены эксперименты, включающие в себя создание контролируемой ситуации дугового пробоя. Отмечено, что с помощью устройства для проверки аппаратов защиты от дуговых пробоев возможно создать условия, близкие к реальным. Представлены результаты, подтверждающие работоспособность предлагаемого устройства и сделаны выводы.
Полный текст
Введение
Среди основных причин возникновения возгорания электрооборудования следует отметить искрение и дуговые пробои. Для обнаружения и предотвращения пожаров в современных условиях привлекаются новейшие разработки и инновационные технологии, в соответствии с документом [1]. Для предупреждения пожаров, связанных с возникновением опасных искрений и дуговых пробоев, в соответствии с приказом Минстроя России №1005/пр от 28.12.2023 г., в электроустановках жилых и общественных зданий должно быть использовано специальное устройство защиты от дуговых пробоев (УЗДП), которое при обнаружении пробоя отключает поврежденную цепь. Необходимые требования, предъявляемые к УЗДП, и процедуру испытаний для таких устройств устанавливает ГОСТ IEC 62606–2016 [2]. В ходе эксплуатации УЗДП выявлен ряд сложностей, связанных с выбором и настройкой алгоритма обнаружения опасного искрения, а также отсутствием практики применения УЗДП в России, установки их в реальные электрические щиты. В этой связи появилась необходимость проведения испытаний, перечень которых устанавливает ГОСТ IEC 62606–2016. Процедуру этих испытаний практически подтверждают требования положений «Рекомендации по применению устройств защиты от дугового пробоя в электроустановках жилых и общественных зданий» СП 256.1325800.2016 «Электроустановки жилых и общественных зданий. Правила проектирования и монтажа» [3, 4]. Проведем анализ имеющегося оборудования, которое может быть использовано для испытания УЗДП
на своевременное срабатывание при возникновении опасного искрения, переходящего в дуговой пробой. Для этого необходимо разобраться, какие виды пробоев существуют и как при этом отрабатывают средства защиты, имеющиеся в арсенале энергетиков.
Литературный обзор
На рисунке 1 представлены виды существующих дуговых пробоев. Подробно виды пробоев и вероятность срабатывания устройств защиты рассмотрены в работе [5].
Рис. 1. Виды повреждений в электрических сетях до 1 кВ: 1, 2 – последовательный дуговой пробой «плохой контакт»; 3 – параллельный дуговой пробой; 4 – параллельный дуговой пробой на землю
Например, при последовательном дуговом пробое ни одно устройство защиты не сработает из-за значительного сопротивления в месте плохого контакта, где и происходит горение дуги. Значение тока в такой цепи не превышает номинальное, а для большинства автоматов защиты данный режим не считается аварийным, следовательно, отключения не произойдет. Параллельный дуговой разряд представляет собой короткое замыкание в цепи «питание – нагрузка». Такое замыкание встречается достаточно часто. Причинами возникновения параллельной дуги могут быть: перелом кабеля, повреждение кабеля фиксатором, нарушение изоляционного слоя из-за высокой влажности в помещении или длительного воздействия ультрафиолетового излучения, оголение и пережатие провода. Ток при параллельном дуговом разряде определяется только сопротивлением проводов системы электроснабжения. Если на ток параллельной дуги автомат защиты от токов коротких замыканий, вероятно, сработает, то на значение тока при последовательном дуговом разряде автоматический выключатель не сработает, что приведет к возгоранию провода.
Устройство защиты от дуговых пробоев относится к микропроцессорной технике. В состав УЗДП входит микроконтроллер, который выполняет цифровую обработку сигнала, поступающего из сети. Алгоритм расчета, заложенный производителем, на 80 % предназначен для определения последовательных дуговых пробоев. Оставшиеся 20 % отведены на определение параллельной дуги. Следовательно, в случае параллельного дугового пробоя УЗДП повышает надежность защиты, в случае последовательного пробоя УЗДП является единственным устройством защиты.
Стандартом [2] устанавливается предельное время срабатывания УЗДП. В ходе испытаний измеряемое время не должно превышать времени отключения по табл. 1.
Таблица 1
Предельные значения времени отключения для УЗДП на Uном = 230 В
Испытательный ток дуги, А | 2,5 | 5,0 | 10,0 | 6,0 | 32,0 | 63,0 |
Максимальное время | 1,00 | 0,50 | 0,25 | 0,15 | 0,12 | 0,12 |
Авторы работы [6] предлагают модель для испытаний УЗДП на эффективность срабатывания при последовательном пробое. В качестве основного звена испытательной цепи используется дуговой генератор, который создает дуговой пробой, по своим характеристикам наиболее близкий к реальным. Существует генератор дуги для проведения эмиссионного спектрального анализа вещества в режиме дуги постоянного тока. Для решения поставленной задачи у известного генератора дуги есть существенный недостаток – он работает только в режиме дуги постоянного тока. Данный недостаток устранен в модели генератора электрической дуги [7], позволяющего генерировать электрическую дугу в электроустановках переменного тока, с последующим применением его для диагностики аппаратов защиты от дугового пробоя и искровых промежутков (рис. 2).
Рис. 2. Генератор электрической дуги
Генератор электрической дуги подключен к источнику переменного напряжения и нагрузке. При разведении электродов с помощью регулировочного привода между подвижным латунным и неподвижным угольно-графитовым электродами возникает устойчивая электрическая дуга. На рисунке 3 представлены осциллограммы, полученные при работе дугового генератора. Характер дугового процесса, на который ориентируются производители УЗДП при настройке алгоритма работы микроконтроллера (рис. 4), полностью совпадает с полученными графическими данными. Подробно устройство и работа генератора дуги рассмотрены в работе [8].
Рис. 3. Осциллограммы тока в искровом промежутке (а) и напряжения генератора дуги (б)
Ранее создан испытательный стенд для проверки аппаратов защиты от дуговых пробоев и искровых промежутков [9]. Предлагаемое устройство должно обеспечить безопасную проверку на заявленные характеристики всех типов аппаратов защиты от последовательного дугового пробоя. В рассматриваемом устройстве опасная дуга создается с помощью генератора дуги (см. рис. 2). Недостатком этого устройства является отсутствие возможности испытывать УЗДП на эффективность срабатывания при параллельном пробое. Недостатки существующего устройства учтены и устранены в модели, представленной на рис. 5.
Рис. 4. Общий характер процесса при возникновении дуги в цепи переменного тока низкого напряжения
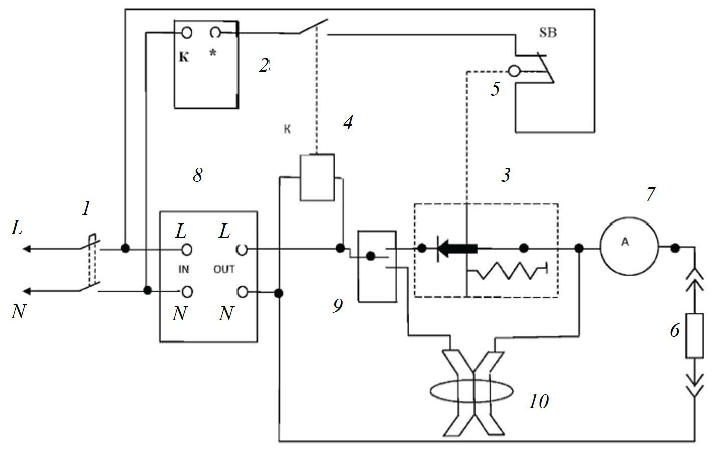
Рис. 5. Устройство для проверки аппаратов защиты от последовательного и параллельного дуговых пробоев и искровых промежутков
Эффект от внедрения устройства для проверки УЗДП достигается тем, что помимо источника электрической дуги, включенного последовательно в цепь, добавляется источник для параллельного дугового пробоя в виде образца кабеля с параллельными проводниками (см. рис. 5). В поврежденном образце кабеля при протекании тока формируется карбонизированный проводящий путь через изоляцию между двумя его проводниками. Ток короткого замыкания зависит от характера нагрузки и ее величины. Схема предлагаемого устройства представлена на рис. 6.
Рис. 6. Схема устройства для проверки аппаратов защиты от последовательного и параллельного дуговых пробоев и искровых промежутков
Устройство для проверки аппаратов защиты от последовательного и параллельного дуговых пробоев и искровых промежутков
Устройство для проверки аппаратов защиты от последовательного и параллельного дуговых пробоев и искровых промежутков работает следующим образом. При включении автоматического выключателя 1 на вход устройства подается напряжение сети. С помощью переключателя 9, работающего в ручном режиме, выбирается вид пробоя. При выборе последовательного дугового пробоя срабатывает пускатель 4, подготавливая цепь секундомера 2 и генератора дуги 3. Ток, протекающий через замкнутый генератор дуги 3 и подключенную нагрузку 6, измеряется амперметром 7. После того как замеры тока сделаны, электроды размыкают при помощи регулировочного винта генератора дуги, создавая искровой промежуток с последующим возникновением устойчивой электрической дуги. Одновременно с этим замыкается концевой выключатель 5 и запускается секундомер 2. Под воздействием дуги на исправном аппарате защиты происходит его срабатывание с отключением секундомера и прекращение горения дуги, при этом секундомер фиксирует время срабатывания аппарата.
Рис. 7. Испытательная установка для тестирования УЗДП на эффективность срабатывания при параллельном дуговом пробое
Заключение
В случае параллельного дугового пробоя переключатель 9 переводит питание сети с генератора дуги на кабель с параллельными проводниками 10. В образце кабеля формируется дуговой пробой, ток которого определяется величиной и характером регулируемой нагрузкой 6. Одновременно с этим запускается секундомер. Значение протекающего тока контролируется амперметром 7. Исправный аппарат защиты под воздействием параллельного дугового пробоя срабатывает, что приводит к прекращению горение дуги. Секундомер фиксирует время, в течение которого сработал аппарат защиты. В случае неисправности аппарата защиты, независимо какой выбран дуговой пробой – параллельный или последовательный, отключение не происходит и цепь размыкается принудительно.
Результаты эксперимента
Проводились испытания стенда в двух режимах – последовательном и параллельном дуговых пробоях. При проверке УЗДП на эффективность срабатывания от последовательного дугового пробоя использовалась активная нагрузка 3 А при напряжении сети 230 В. Секундомер зафиксировал время срабатывания испытуемого аппарата защиты tсраб = 0,66 с, когда максимальное время срабатывания по табл. 1 при токе дуги I = 2,5 А составляет tmax = 1 с. Измеряемое время не превышает предела, установленного стандартом.
Для производителя УЗДП проводились испытания на параллельный дуговой пробой. При этом использовали образец кабеля с повреждением, включенный параллельно с нагрузкой на 100 А и 75 А (рис. 7). Время срабатывания при нагрузке 100 А tсраб = 0,1 с, а при нагрузке 75 А tсраб = 0,12 с, что также не превышает максимального значения по ГОСТу.
Таким образом, преимуществом предлагаемого устройства для проверки аппаратов защиты от последовательного и параллельного дуговых пробоев является то, что устройство позволяет проверить на заявленные характеристики УЗДП как при последовательном, так и параллельном дуговых пробоях. Следует отметить, что для обеспечения безопасной проверки УЗДП в устройстве присутствуют защита от токов короткого замыкания и перегрузки. В устройстве предусмотрена возможность регулирования значения и характера тока нагрузки, что позволяет повысить точность проверки на заявленные характеристики для всех типов УЗДП.
Об авторах
Юлия Николаевна Ерашова
ФГБОУ ВО «Казанский государственный энергетический университет»
Автор, ответственный за переписку.
Email: yuliya.kostina@mail.ru
старший преподаватель кафедры «Теоретические основы электротехники»
Россия, КазаньАлександр Николаевич Тюрин
АО «Татэлектромонтаж»
Email: yuliya.kostina@mail.ru
кандидат технических наук, главный технолог
Россия, КазаньНадежда Александровна Гарифуллина
ФГБОУ ВО «Казанский государственный энергетический университет»
Email: yuliya.kostina@mail.ru
старший преподаватель кафедры «Теоретические основы электротехники»
Россия, КазаньЛилия Фаритовна Мусина
ФГБОУ ВО «Казанский государственный энергетический университет»
Email: yuliya.kostina@mail.ru
преподаватель кафедры «Теоретические основы электротехники»
Россия, КазаньСписок литературы
- Основы государственной политики Российской Федерации в области пожарной безопасности на период до 2030 года : Указ Президента Российской Федерации от 01.01.2018 № 2 // Собрание законодательства Российской Федерации. 2018. № 2. Ст. 411.
- ГОСТ IEC 62606–2016. Устройства защиты бытового и аналогичного назначения при дуговом пробое. Общие требования. – Введ. 25–10–1916. – М. : Стандартинформ, 2017. – 30 с.
- Об утверждении изменения № 6 к СП 256.1325800.2016 «Электроустановки жилых и общественных зданий. Правила проектирования и монтажа» от 29 августа 2016 г. № 602/пр : приказ Минстрой России от 28 декабря 2023 г. № 1005/пр // Офиц. сайт Минстрой России. URL: https://minstroyrf.gov.ru/ docs/361147/ (дата обращения: 10.10.2024).
- Об утверждении перечня национальных стандартов и сводов правил (частей таких стандартов и сводов правил), в результате применения которых на обязательной основе обеспечивается соблюдение требований Федерального закона «Технический регламент о безопасности зданий и сооружений» от 30.12.2009 № 384-ФЗ (последняя редакция) : постановление Правительства Российской Федерации от 28.05.2021 г. № 815 // Собрание законодательства Российской Федерации. 2021. № 23. Ст. 4060.
- Испытания устройства защиты от дугового пробоя и искровых промежутков на срабатывание / Ю. Н. Ерашова, И. В. Ившин, И. И. Ившин, А. Н Тюрин // Известия высших учебных заведений. Проблемы энергетики. – 2021. – № 3(23). – С. 168 – 180.
- Королев, И. В. Моделирование срабатывания УЗДП в электрических сетях 0,4 кВ / И. В. Королев, П. В. Валуев, Д. А. Бурдюков // Электроэнергия. Передача и распределение. – 2019. – № 6(57). – С. 124 – 127.
- Пат. 199462 U1 РФ, МПК H02H 7/00 G01R 31/12 G01R 31/08. Генератор электрической дуги / Тюрин А. Н., Солуянов Ю. И., Шмуклер М. И., Ившин И. В.; заявл. 25.05.2020; опубл. 02.09.2020, Бюл. № 25. 5 с.
- Генератор электрической дуги для диагностики аппаратов защиты от дугового пробоя / Ю. Н. Ерашова, А. И. Вассунова, И. И. Ившин, А. Н. Тюрин // Тинчуринские чтения – 2021 «Энергетика и цифровая трансформация». В 3 т. Т. 1. Электроэнергетика и электроника: матер. Междунар. молод. науч. конф. (Казань, 28 – 30 апр. 2021) / под общ. ред. Э. Ю. Абдуллазянова. – Казань, 2021. – С. 104 – 108.
- Пат. на полезную модель RU200084U1. Генератор электрической дуги: / Тюрин А. Н., Солуянов Ю. И., Шмуклер М. И., Ившин И. В.; заявл. 22.05.2020 ; опубл. 05.10.2020, Бюл. № 28. 5 с.
Дополнительные файлы










