Processes Occurring in a Coolant Spray Cone
- Authors: Komov A.T.1, Zakharenkov A.V.1, Tolmachev V.V.1, Shteling V.S.1
-
Affiliations:
- National Research University Moscow Power Engineering Institute
- Issue: Vol 61, No 3 (2023)
- Pages: 410-418
- Section: Articles
- URL: https://journals.rcsi.science/0040-3644/article/view/232662
- DOI: https://doi.org/10.31857/S0040364423020102
- ID: 232662
Cite item
Full Text
Abstract
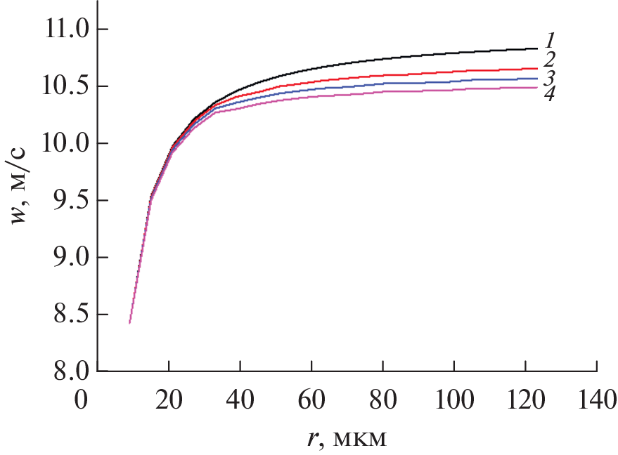
The study considers generation of a dispersed coolant flow; the size distribution of droplets in the flow depending on the flow rate, pressure, and thermophysical properties of the coolant; the breakup and coagulation of droplets; and droplet size ranges resistant to breakup. A computer code for calculating the evolution of the spray cone parameters was developed based on the momentum equation and distribution of droplets along the radius in the flow at the atomizer nozzle.
About the authors
A. T. Komov
National Research University Moscow Power Engineering Institute
Email: komovat@mpei.ru
Moscow, Russia
A. V. Zakharenkov
National Research University Moscow Power Engineering Institute
Email: komovat@mpei.ru
Moscow, Russia
V. V. Tolmachev
National Research University Moscow Power Engineering Institute
Email: komovat@mpei.ru
Moscow, Russia
V. S. Shteling
National Research University Moscow Power Engineering Institute
Author for correspondence.
Email: komovat@mpei.ru
Moscow, Russia
References
- Варава А.Н., Дедов A.В., Захаренков А.В., Комов А.Т., Мирнов С.В., Люблинский И.Е. Применение диспергированного газожидкостного потока для охлаждения лимитера токамака Т-15 // ВАНТ. Сер. Термоядерный синтез. 2018. Т. 41. Вып. 1. С. 57.
- Lyublinski I.E., Vertkov A.V., Zharkov M.Yu. et al. Complex of Lithium and Tungsten Limiters for 3 MW of ECR Plasma Heating in T-10 Tokamak. Design, First Results // Nuclear Fusion. 2017. V. 57. № 6. 066006.
- Исаченко В.П., Кушнырев В.И. Струйное охлаждение. М.: Энергоатомиздат, 1984. 216 с.
- Xu R., Wang G., Jiang P. Spray Cooling on Enhanced Surfaces: A Review of the Progress and Mechanisms // J. Electron. Packag. 2022. V. 144. P. 010802-1.
- Liang G., Mudawar I. Review of Spray Cooling. Part 1: Single-Phase and Nucleate Boiling Regimes, and Critical Heat Flux // Int. J. Heat Mass Transfer. 2017. № 115. P. 1174.
- Liang G., Mudawar I. Review of Drop Impact on Heated Walls // Int. J. Heat Mass Transfer. 2017. № 106. P. 103.
- Lin L.C., Ponnappan R. Cooling in a Closed Loop // Int. J. Heat Mass Transfer. 2003. № 46(20). P. 3737.
- Benther J.D., Pelaez-Restrepo J.D., Stanley C., Rosengarten G. Heat Transfer During Multiple Droplet Impingement and Spray Cooling: Review and Prospects for Enhanced Surfaces // Int. J. Heat Mass Transfer. 2021. V. 178. 121587.
- Bernardin J.D., Stebbins C.J., Mudavar I. Mapping of Impact and Heat Transfer Regimes of Water Drops Impinging on a Polished Surface // Int. J. Heat Mass Transfer. 1997. V. 40. № 2. P. 247.
- Liu L., Zhang Y., Cai G., Tsai P.A. High-Speed Dynamics and Temperature Variation During Drop Impact on a Heated Surface // Int. J. Heat Mass Transfer. 2022. V. 189. 122710.
- Cheng W.L., Zhang W.W., Chen H., Hu L. Spray Cooling and Flash Evaporation Cooling: The Current Development and Application // Renewable Sustainable Energy Rev. 2016. № 55. P. 614.
- Sehmbey M.S., Chow L.C., Pais M.R., Mahefkey V. High Heat Flux Spray Cooling of Electronics // AIP Conf. Proc. 1995. № 324(1). P. 903.
- Chen R.-H., Chow L.C., Naved J.E. Effects of Spray Characteristics on Critical Heat Flux in Subcooled Water Spray Cooling // Int. J. Heat Mass Transfer. 2002. № 45. P. 4033.
- Chow L.C., Sehmbey M.S., Pais M.R. High Heat Flux Spray Cooling // Ann. Rev. Heat Transfer. 1997. № 8. P. 291.
- Rini D.P., Chen R.-H., Chow L.C. Bubble Behavior and Nucleate Boiling Heat Transfer in Saturated FC-72 Spray Cooling // J. Heat Transfer. 2002. № 24. P. 63.
- Rini D.P., Chen R.-H., Chow L.C. Bubble Behavior and Heat Transfer Mechanism in FC-72 Pool Boiling // Exp. Heat Transfer. 2001. № 14. P. 27.
- Toda S. A Study of Mist Cooling, 1st Report: Investigation of Mist Cooling // Heat Transfer – Jpn. Res. 1972. V. 1. P. 39.
- Toda S. A Study of Mist Cooling, 2nd Report: Theory of Mist Cooling and its Fundamental Experiments // Heat Transfer – Jpn. Res. 1974. V. 3. P. 1.
- Toda S., Uchida H. Study of Liquid Film Cooling with Evaporation and Boiling // Heat Transfer – Jpn. Res. 1973. V. 2. P. 44.
- Tilton D.E. Spray Cooling. Ph.D. Diss. Lexington: University of Kentucky, 1989.
- Kopchikov L.A., Voronin G.I., Kolach T.A., Labuntsov D.A., Lebedev P.D. Liquid Boiling in a Thin Film // Int. J. Heat Mass Transfer. 1969. V. 12. P. 791.
- Pais M.R., Chow L.C., Mahefkey E.T. Surface Roughness and its Effect on the Heat Transfer Mechanism in Spray Cooling // Int. J. Heat Transfer. 1992. V. 114. P. 211.
- Estes K.A., Mudawar I. Correlation of Sauter Mean Diameter and Critical Heat Flux for Spray Cooling of Small Surfaces // Int. J. Heat Mass Transfer. 1995. V. 38. P. 2985.
- Sehmbey M.S., Chow L.C., Hahn O.J., Pais M.R. Spray Cooling of Power Electronics at Cryogenic Temperatures // AIAA J. Thermophys. Heat Transfer. 1995. V. 9. P. 123.
- Баталов В.Г., Степанов Р.А., Сухановский А.Н. Оптические измерения размеров капель в факеле распыла топливной форсунки // Вестн. Пермск. ун-та. 2017. Вып. 3(37). С. 40.
- Степанов Р.А., Баталов В.Г. Определение размеров капель спрея методом вейвлет-анализа интерферометрических изображений // Измерительная техника. 1921. № 9. С. 23.
- Kelbaliyev G., Ceylan K. Estimation of the Minimum Stable Drop Sizes, Break-up Frequencies, and Size Distributions in Turbulent Dispersions. Turkey: Inonu University, 2006.
- Левич В.Г. Физико-химическая гидродинамика. Изд. 3-е, испр. Сер. Нефтегазовый инжиниринг. М.–Ижевск: ИКИ, 2016.
Supplementary files











