Зависимость параметров высокочастотного ускорителя с замкнутым дрейфом электронов от схемы организации емкостного высокочастотного разряда
- Авторы: Задириев И.И.1, Швыдкий Г.В.1, Вавилин К.В.1, Кралькина Е.А.1, Никонов А.М.1
-
Учреждения:
- Физический факультет МГУ им. М.В. Ломоносова
- Выпуск: Том 61, № 1 (2023)
- Страницы: 3-10
- Раздел: Исследование плазмы
- URL: https://journals.rcsi.science/0040-3644/article/view/138597
- DOI: https://doi.org/10.31857/S0040364423010015
- ID: 138597
Цитировать
Полный текст
Аннотация
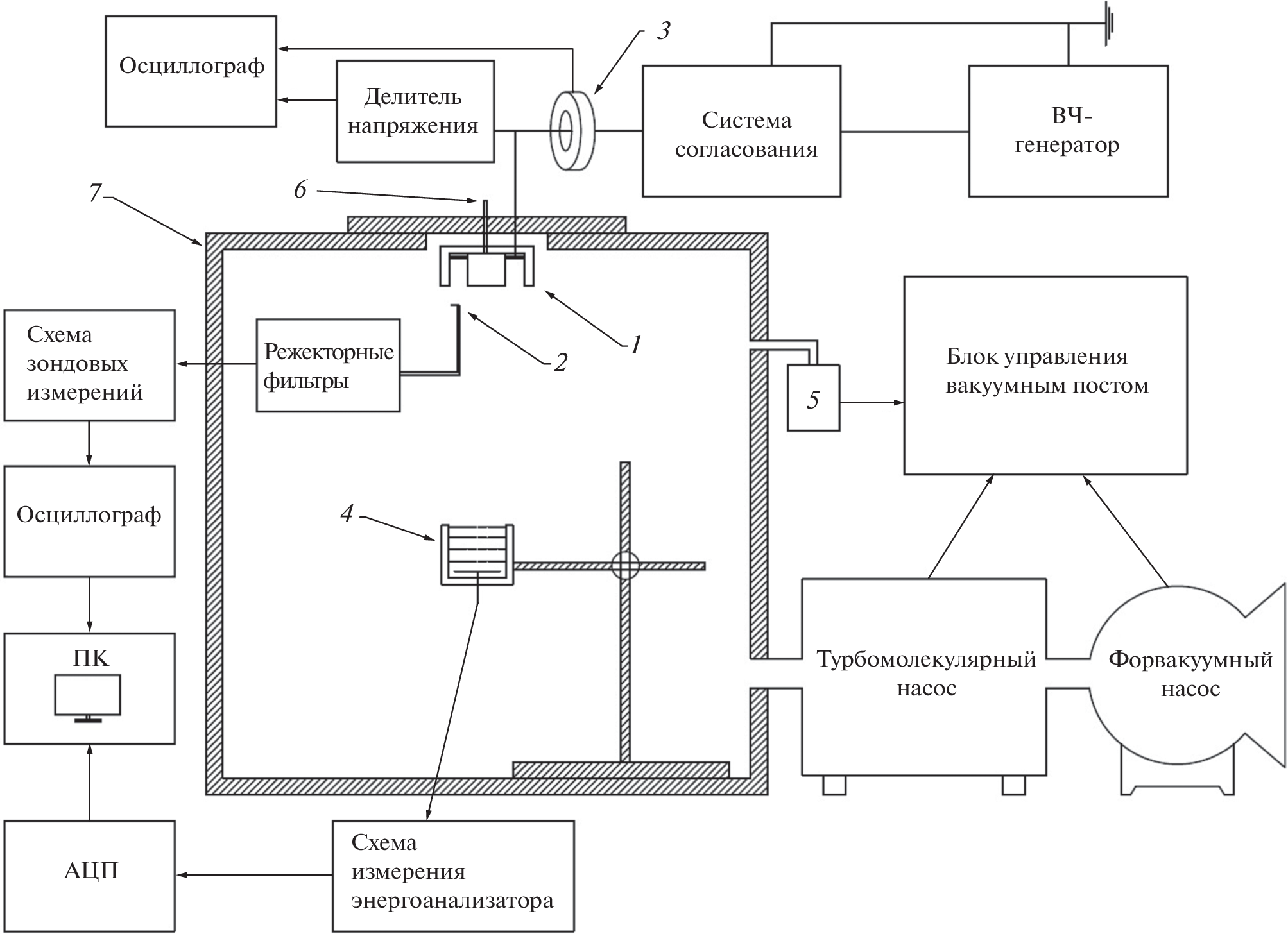
Экспериментально изучены параметры емкостного высокочастотного разряда, зажигаемого в геометрии ускорителя с замкнутым дрейфом электронов с протяженной зоной ускорения при различных схемах организации разряда, а именно, при разомкнутых и замкнутых по постоянному току электродax, а также при дополнительной подаче постоянного смещения на нагруженный электрод. В разомкнутой схеме реализуется минимальная концентрация плазмы, энергия ионов в струе на выходе из прототипа порядка 25 эВ. Замыкание по постоянному току нагруженного электрода увеличивает как плотность плазмы, так и энергию ионов до 250 эВ. Дальнейшее увеличение или уменьшение этих параметров возможно при подаче соответственно положительного или отрицательного постоянного смещения на нагруженный электрод.
Об авторах
И. И. Задириев
Физический факультет МГУ им. М.В. Ломоносова
Email: iizadiriev@yandex.ru
Россия, Москва
Г. В. Швыдкий
Физический факультет МГУ им. М.В. Ломоносова
Email: iizadiriev@yandex.ru
Россия, Москва
К. В. Вавилин
Физический факультет МГУ им. М.В. Ломоносова
Email: iizadiriev@yandex.ru
Россия, Москва
Е. А. Кралькина
Физический факультет МГУ им. М.В. Ломоносова
Email: iizadiriev@yandex.ru
Россия, Москва
А. М. Никонов
Физический факультет МГУ им. М.В. Ломоносова
Автор, ответственный за переписку.
Email: iizadiriev@yandex.ru
Россия, Москва
Список литературы
- Goebel D.M., Katz I. Fundamentals of Electric Propulsion: Ion and Hall Thrusters. USA: Jet Propulsion Laboratory, California Institute of Technology, 2008. 493 p.
- Горшков О.А., Муравлев В.А., Шагайда А.А. Холловские и ионные плазменные двигатели для космических аппаратов. М.: Машиностроение, 2008. 292 с.
- Mazouffre S. Electric Propulsion for Satellites and Spacecraft: Established Technologies and Novel Approaches // Plasma Sources Sci. Technol. 2016. V. 25. 033002.
- Goebel D.M., Hofer R.R., Mikellides I.G., Katz I., Polk J.E., Dotson B.N. Conducting Wall Hall Thrusters // IEEE Trans. Plasma Sci. 2015. V. 43. № 1. P. 118.
- Zhurin V.V. Industrial Ion Sources. Broadbeam Gridless Ion Source Technology. Weinheim: John Wiley & Sons Limited, 2012. 312 p.
- Морозов А.И. Введение в плазмодинамику. М.: Физматлит, 2006. 576 с.
- Архипов А.С., Ким В.П., Сидоренко Е.К. Стационарные плазменные двигатели Морозова. М.: Изд-во МАИ, 2012. 292 с.
- Ким В.П. Конструктивные признаки и особенности рабочих процессов в современных стационарных плазменных двигателях Морозова // ЖТФ. 2015. Т. 85. № 3. С. 45.
- Filatyev A.S., Yanova O.V. The Control Optimization of Low-Orbit Spacecraft with Electric Ramjet // Acta Astronautica. 2019. V. 158. P. 23.
- Zheng P., Wu J., Zhang Yu., Wu B. A Comprehensive Review of Atmosphere-Breathing Electric Propulsion Systems // Int. J. Aerospace Eng. 2020. V. 2020. 8811847.
- Гордеев С.В., Канев С.В., Суворов М.О., Хартов С.А. Оценка параметров прямоточного высокочастотного ионного двигателя // Тр. МАИ. 2017. № 96.
- Filatyev A.S., Golikov A.A., Erofeev A.I., Khartov S.A., Lovtsov A.S., Padalitsa D.I., Skvortsov V.V., Yanova O.V. Research and Development of Aerospace Vehicles with Air Breathing Electric Propulsion: Yesterday, Today, and Tomorrow // Progress in Aerospace Sciences. 2023. V. 136. 100877.
- Задириев И.И., Рухадзе А.А., Кралькина Е.А., Павлов В.Б., Вавилин К.В., Тараканов В.П. Математическое моделирование емкостного ВЧ-разряда низкого давления, помещенного во внешнее радиальное магнитное поле посредством программы КАРАТ // ЖТФ. 2016. Т. 86. № 11. С. 1.
- Задириев И.И., Кралькина Е.А., Вавилин К.В., Швыдкий Г.В., Александров А.Ф. Комбинация емкостного высокочастотного разряда и разряда постоянного тока для использования в плазменном ускорителе с замкнутым дрейфом электронов. Ч. I. Вольт-амперная характеристика и импеданс разряда // Прикл. физика. 2018. № 2. С. 10.
- Köhler K., Coburn J.W., Horne D.E., Kay E., Keller J.H. Plasma Potentials of 13.56 MHz RF Argon Glow Discharges in a Planar System // J. Appl. Phys. 1985. V. 57. P. 59.
- Райзер Ю.П., Шнейдер М.Н., Яценко Н.А. Высокочастотный емкостный разряд. М.: Изд-во МФТИ, Наука–Физматлит, 1995. 320 с.
- Savinov V.P. Physics of Radiofrequency Capacitive Discharge. CRC Press, 2018. 342 p.
- Lieberman M.A., Lichtenberg A.J. Principles of Plasma Discharges and Materials Processing. Hoboken, New Jersey: John Wiley & Sons, Inc., 2004. 800 p.
- Задириев И.И., Кралькина Е.А., Вавилин К.В., Швыдкий Г.В., Александров А.Ф. Комбинация емкостного высокочастотного разряда и разряда постоянного тока для использования в плазменном ускорителе с замкнутым дрейфом электронов. Ч. II. Функции распределения ионов по энергиям // Прикл. физика. 2018. № 3. С. 5.
- Задириев И.И., Кралькина Е.А., Вавилин К.В., Швыдкий Г.В., Александров А.Ф. Комбинация емкостного высокочастотного разряда и разряда постоянного тока для использования в плазменном ускорителе с замкнутым дрейфом электронов. Ч. III. Математическое моделирование // Прикл. физика. 2018. № 5. С. 33.
- Shvydkiy G.V., Zadiriev I.I., Kralkina E.A., Vavilin K.V. Acceleration of Ions in a Plasma Accelerator with Closed Electron Drift Based on a Capacitive Radio-frequency Discharge // Vacuum. 2020. V. 180. 109588.
Дополнительные файлы









