Extractive Distillation of an Ethyl Acetate–Ethanol–Water Azeotropic Mixture in the Presence of Boric Acid Amino Ester
- Authors: Klinov A.V.1, Khairullina A.R.1, Malygin A.V.1, Davletbaeva I.M.1
-
Affiliations:
- Kazan National Research Technological University
- Issue: Vol 57, No 6 (2023)
- Pages: 697-707
- Section: Articles
- Published: 01.11.2023
- URL: https://journals.rcsi.science/0040-3571/article/view/232296
- DOI: https://doi.org/10.31857/S0040357123060118
- EDN: https://elibrary.ru/HGBSXV
- ID: 232296
Cite item
Full Text
Abstract
The effect of boric acid amino ester, which was obtained from triethanolamine, boric acid, and triethylene glycol, on the conditions of vapor–liquid equilibrium in the ethyl acetate–ethanol and ethyl acetate–isopropanol azeotropic binary mixtures and the ethyl acetate–ethanol–water ternary mixture was studied both by experimental methods of open evaporation with a Świętosławski ebulliometer, and by modeling using the UNIFAC method. Parameters of the interaction of the CCOO group (in ethyl acetate) with the
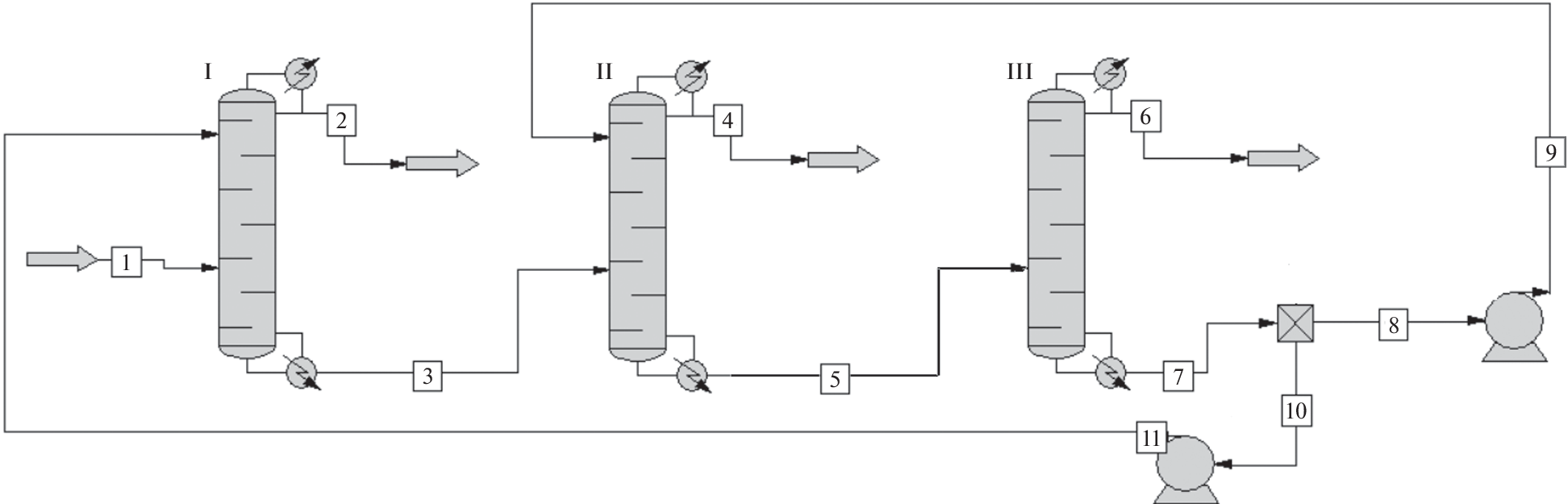
boron group B were determined, which are absent in the literature. A process for separating the ethyl acetate–ethanol–water azeotropic mixture by extractive distillation was proposed.
About the authors
A. V. Klinov
Kazan National Research Technological University
Email: alklin@kstu.ru
Kazan, 420015 Russia
A. R. Khairullina
Kazan National Research Technological University
Email: alklin@kstu.ru
Kazan, 420015 Russia
A. V. Malygin
Kazan National Research Technological University
Email: alklin@kstu.ru
Kazan, 420015 Russia
I. M. Davletbaeva
Kazan National Research Technological University
Author for correspondence.
Email: alklin@kstu.ru
Kazan, 420015 Russia
References
- Wang J., Liu W.B., Tan S.Y. Present situation and trend of technology of ethyl acetate // Applied Science and Technology. 2003. V. 3. P. 51.
- Hu W.W., Zhang X.H., Zhang Q.G., Liu Q.L., Zhu A.M. Pervaporation dehydration of water/ethanol/ethyl acetate mixtures using poly (vinyl alcohol)–silica hybrid membranes // J. Applied Polymer Science. 2012. V. 126. № 2. P. 778. https://doi.org/10.1002/app.36962
- Zhang X.H., Qing L.L., Ying X., Zhu A.M., Chen Yu, Zhang Q.G. Pervaporation dehydration of ethyl acetate/ethanol/water azeotrope using chitosan/poly (vinyl pyrrolidone) blend membranes // J. Membrane Science. 2009. 327. № 1–2. P.274. https://doi.org/10.1016/j.memsci.2008.11.034
- Otera J., Nishikido J. Esterification: methods, reactions, and applications. 2nd completely rev. and enl. ed. Weinheim: Wiley-VCH, 2010. P. 374.
- Справочник нефтехимика. Т. 1 / Под ред. Огородникова С.К. Л.: Химия, 1978.
- Lange’s Handbook of Chemistry, 10th ed. NY: McGraw-Hill, 1923. P. 1919.
- Bruno Thomas J., Haynes, William M., Lide David R., CRC Handbook of Chemistry and Physics, 44th ed. Город: издательство. Год. P. 2643.
- Огородников С.К., Лестева Т.М., Коган В.Б. Азеотропные смеси. Справочник / Под ред. Когана В.Б. Л.: Химия, 1971. С. 848.
- Gmehling J., Menke J., Krafczyk J., Fischer K. Azeotropic Data. N.Y.: Wiley-VCH Verlag GmbH & Co. KGaA: Weinheim, 1994.
- Bastidas P.A., Gil I.D., Rodríguez G. Comparison of the main ethanol dehydration technologies through process simulation // European Symposium on Computer Aided Process Engineering, 20th. 2010.
- Lei L. A combined process of salt extraction with azeotropic distillation for separation of acetic acid−water mixture // A Novel Process for Purification of Ethyl Acetate Petrochem. Technol. 1990. V. 11. P. 749.
- Zhang Z., Zhang W., Yang Z., Cui X. Solvent for separating ethyl acetate-ethanol by extractive distillation // J. Chemical industry and engineering-China-. 2004. V. 55. № 2. P. 226.
- Xu X.E. Advance in Catalytic Distillation // Petrochem. Technol. 1989. V. 18. P. 642.
- Lei Z., Li C., Chen B. Extractive Distillation: A Review // Sep. Purif. ReV. 2003. V. 32. P. 121.
- Gu Z., Zhi H., Ma Z., Yao H. Study on composite extractive distillation of ethyl acetate-ethanol-water // Computers and applied chemistry. 2005. V. 22. № 6. P. 466.
- Zhang D.L., Deng Y.F., Li C.B., Chen J. Separation of Ethyl Acetate-Ethanol Azeotropic Mixture Using Hydrophilic Ionic Liquids // Ind. Eng. Chem. Res. 2008. V. 47. P. 1995. https://doi.org/10.1021/ie070658m
- Chen J., Deng Y.F., Zhang D.L. Method for extracting and separating ethyl acetate-ethanol system using ion liquid. Patent 1962571 A. Китай. 2007.
- Hasanoğlu A., Salt Y., Keleşer S., Özkan S., Dinçer S. Pervaporation separation of ethyl acetate–ethanol binary mixtures using polydimethylsiloxane membranes // Chemical Engineering and Processing: Process Intensification. 2005. V. 44. №. 3. P. 375. https://doi.org/10.1016/j.cep.2004.06.001
- Gerbaud V., Rodriguez-Donis I., Hegely L., Lang P., Denes F., You X. Review of extractive distillation. Process design, operation, optimization and control // Chemical Engineering Research and Design. 2019. V. 141. P. 229. https://doi.org/10.1016/j.cherd.2018.09.020
- Lei Z. et al. Extractive distillation with ionic liquids: a review // AIChE J. 2014. V. 60. № 9. P. 3312. https://doi.org/10.1002/aic.14537
- Davletbaeva I.M., Klinov A.V., Khayrullina A.R., Malygin A.V., Dulmaev S.E., Davletbaeva A.R., Mukhametzyanov T.A. Organoboron ionic liquids as extractants for distillation process of binary ethanol + + water mixtures // Processes. 2020. V. 8. №. 5. P. 628. https://doi.org/10.3390/pr8050628
- Klinov A.V., Malygin A.V., Khayrullina A.R., Dulmaev S.E., Davletbaeva I.M. Alcohol Dehydration by Extractive Distillation with Use of Aminoethers of Boric Acid // Processes. 2020. V. 8. № 11. P. 1466. https://doi.org/10.3390/pr8111466
- Davletbaeva I.M., Klinov A.V., Khayrullina A.R., Malygin A.V., Madaminov N.V. Vapor–Liquid Equilibrium in Binary and Ternary Azeotropic Solutions Acetonitrile-Ethanol-Water with the Addition of Amino Esters of Boric Acid // Processes. 2022. V. 10. № 10. P. 2125. https://doi.org/10.3390/pr10102125
- Gmehling J., Kleiber М., Kolbe В., Rarey J. Chemical Thermodynamics for Process Simulation / Weinheim, Germany: WILEY-VCH. 2019. P. 808.
- Swietoslawski W. Azeotropy and Polyazeotropy. NY: Macmillan Company, 1963.
- Fredenslund A., Jones R.L., Prausnitz J.M. Group–contribution estimation of activity coefficients in nonideal liquid mixtures // AIChE J. 1975. V. 21. №. 6. P. 1086. https://doi.org/10.1002/aic.690210607
- Морачевский А.Г., Куранов Г.Л., Балашова И.М., Пиотровская Е.М., Пукинский И.Б.. Алексеева М.В., Викторов А.И., Смирнова Н.А., Термодинамика равновесия жидкость–пар. Л.: Химия. 1989.
- Li Z. et al. Prediction of phase equilibria in tributyl phosphate extraction system using the unifac group contribution method // Thermochimica acta. 1990. V. 169. P. 287. https://doi.org/10.1016/0040-6031(90)80155-r
- http://ddbonline.ddbst.com/DDBSearch/onlined-dboverview.exe
- Reid R.C., Prausnitz J.M., Poling B.E. The Properties of Gases and Liquids. McGraw-Hill, 1987. P. 753 ISBN 10:0070517991.
- Abrams D.S., Prausnitz J.M. Statistical thermodynamics of liquid mixtures: a new expression for the excess Gibbs energy of partly or completely miscible systems // AIChE j. 1975. V. 21. № 1. P. 116. https://doi.org/10.1002/aic.690210115
- Bondi A. Van der Waals Volumes and Radii // The J. Physical Chemistry. 1964. V. 68. № 3. P. 441.
- Arce A., Alonso L., Vidal I. Liquid-liquid equilibria of the systems ethyl acetate + ethanol+ water, butyl acetate + ethanol + water, and ethyl acetate + butyl acetate + + water // J. Chemical Engineering of Japan. 1999. V. 32. № 4. P. 440. https://doi.org/10.1252/jcej.32.440
- Beech D.G., Glasstone S. Solubility influences. Part V. The influence of aliphatic alcohols on the solubility of ethyl acetate in water // J. Chemical Society. 1938. P. 67.
- Lin H., Yeh Ch., Hong G., Lee M. Enhancement of liquid phase splitting of water + ethanol + ethyl acetate mixtures in the presence of a hydrophilic agent or an electrolyte substance // Fluid phase equilibria. 2005. V. 237. № 1–2. P. 21. https://doi.org/10.1016/j.fluid.2005.08.009
- Serafimov L.A., Zharov V.T., Timofeev V.S. // Acta chim. Hungar. 1971. V. 69. P. 383.
- Kiva V.N., Hilmen E.K., Skogestad S. Azeotropic phase equilibrium diagrams: a survey // Chemical engineering science. 2003. V. 58. № 10. P. 1903. https://doi.org/10.1016/S0009-2509(03)00018-6
- Qunsheng Li, Jiguo Zhang, Zhigang Lei, Jiujuan Zhu, and Fengying Xing. Isobaric Vapor-Liquid Equilibrium for Ethyl Acetate + Ethanol + 1-Ethyl-3-methylimidazolium Tetrafluoroborate // J. Chem. Eng. Data 2009. V. 54. № 2. P. 193.https://doi.org/10.1021/je800175s
Supplementary files











