Physical Feasibility and Synthesis of Heat Exchange Systems According to Thermodynamic Parameters
- Autores: Tsirlin A.M.1
-
Afiliações:
- Ailamazyan Institute of Program Systems, Russian Academy of Sciences
- Edição: Volume 57, Nº 4 (2023)
- Páginas: 454-466
- Seção: Articles
- ##submission.datePublished##: 01.07.2023
- URL: https://journals.rcsi.science/0040-3571/article/view/138520
- DOI: https://doi.org/10.31857/S0040357123040152
- EDN: https://elibrary.ru/VEQGFT
- ID: 138520
Citar
Texto integral
Resumo
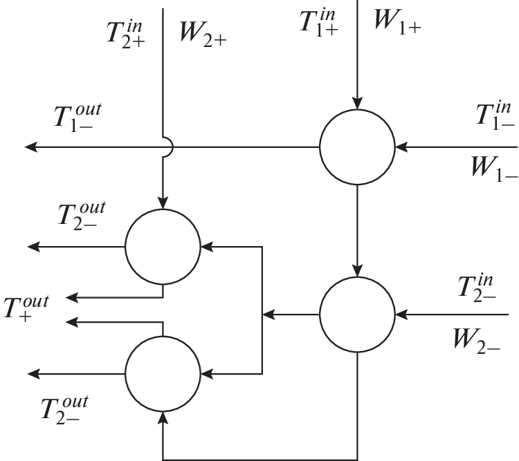
The region of physical feasibility of heat exchange systems in the space of their thermodynamic indicators (heat load, dissipation, and thermal conductivity) is constructed in this work. Criteria of thermodynamic perfection for typical two-flow cells are calculated. A condition of thermodynamic equivalence of heat exchange systems is given, and an algorithm for constructing a multiflow system equivalent to a two-flow heat exchanger is proposed. The cases of variable heat capacity, change of the phase state, and different flow hydrodynamics are considered. The constraints on the temperatures of all or some of the flows at the inlet and outlet of the heat exchange system are taken into account. The synthesis involves the choice of the structure of contacts, the values of free parameters of flows, and the distribution of contact areas and heat loads between two-flow heat exchange cells.
Sobre autores
A. Tsirlin
Ailamazyan Institute of Program Systems, Russian Academy of Sciences
Autor responsável pela correspondência
Email: tsirlin@sarc.botik.ru
152021, Ves’kovo, Pereslavl raion, Yaroslavl oblast, Russia
Bibliografia
- Островский Г.М., Зиятдинов Н.Н., Емельянов И.И. Синтез оптимальных систем простых ректификационных колонн с рекуперацией тепла // Докл. РАН. 2015. Т. 461. № 2. С. 189–192. Ostrovskii G.M., Ziyatdinov N.N., Emel’yanov I.I. Synthesis of Optimal Systems of Simple Distillation Columns with Heat Recovery // Doklady Chemistry. 2015. V. 461. Part 1. P. 89–92.
- Зиятдинов Н.Н., Островский Г.М., Емельянов И.И. Построение системы теплообмена при реконструкции и синтезе оптимальных систем ректификационных колонн // Теоретические основы химической технологии. 2016. Т. 50. № 2. С. 184–193. Ziyatdinov N.N., Ostrovskii G.M., Emel’yanov I.I. Designing a Heat Exchange System upon the Reconstruction and Synthesis of Optimal Systems of Distillation Columns // Theoretical Foundations of Chemical Engineering. 2016. V. 50. № 2. P. 178–187.
- Kafarov V.V., Meshalkin V.P., Perov V.L. Mathematical foundations of computeraided design of chemical plants. Ximiya. 1979.
- Brodjanskiy V.M., Fratsher V., Mikhalek K. Exergy methods and its applications. Moscow: Energoatomizdat, 1988.
- Berry R.S., Kasakov V.A., Sieniutycz S., Szwast Z., Tsirlin A.M. Themodynamic. Optimization of Finite Time Processes. Wiley Chichester. 1999.
- Tsirlin A.M., Mironova W.A., Amelkin S.A., Kazakov V.A. Finite-time thermodynamics: Conditions of minimal dissipation for thermodynamic processes with given rate. Phys.Rev. E, 58, (1998).
- Цирлин А.М. Оптимальное управление необратимыми процессами тепло и массопереноса. Известия АН СССР, Техническая кибернетика, 2, 171–179, 1991. Tsirlin A.M. Optimal control of the irreversible processes of heat and mass transfer, Soviet journal of computer and systems sciences. 1991. V. 2. P. 171–179.
- Andresen B., Gordon J.M. Optimal heating and cooling strategies for heat exchangers design. // J. Appl Phys. 1992. V. 1. P. 71–78.
- Salamon P., Nitzan A., Andresen B., Berry R.S. Minimum entropy production and the optimization of heat engines // Phys. Rev. 1980. V. 21. P. 2115.
- Цирлин А.М., Ахременков А.А., Григоревский И.Н. // Минимальная необратимость, оптимальное распределение поверхности и тепловой нагрузки теплообменных систем // Теоретические основы химической технологии. 2008. № 42. С. 1–8.
- Tsirlin A.M. Ideal heat exchange Systems // J. Engineering Physics and Thermophysics, 2017. V. 90. № 5.
- Prigogin D. Kondepudi Modern Thermodunamiks. J.Wiley and Sons, 1999.
- Цирлин А.М., Ахременков Ан.А. Оптимальный теплообмен при изменении фазового состояния хладагента // Теоретические основы химической технологии. 2018. Т. 52. № 5. С. 1–8.
- Петухова Б.С. Справочник по теплообменникам. Москва: Энергоатомиздат, 1987.
- Кафаров В.В., Мешалкин В.П., Перов В.Л. Математические основы автоматизированного проектирования химических производств. Москва: Химия, 1979.
- Миронова В.А., Амелькин С.А., Цирлин А.М. Математические методы термодинамики при конечном времени. М.: Химия, 2000.
- Цирлин А.М. Методы оптимизации в необратимой термодинамике и микроэкономике. М.: Физматлит, 2003.
- Цирлин А.М. Оптимальное управление процессами необратимого тепло и массопереноса // Изв. АНСССР. Техническая кибернетика. 1991. № 2. С. 81–86.
- Bosnjakovic F. Technical Thermodynamics. Holt R&W: New York, 1965.
- Tsirlin A.M., Mironova V.A., Amelkin S.A., Kazakov V.A. Finite-time thermodynamics. Conditions of minimal dissipation for thermodynamics process with given rate // Phys. Rev. E. 1998. V. 58. № 1.
- Tsirlin A M. Ideal heat exchange Systems // J. Engineering Physics and Thermophysics. V. 90. № 5. 2017.
- Tsirlin A.M., Vasilyev A.V. Thermodynamic entropy balance in the ideal mixing regime // J. Engineering Physics and Thermophysics. V. 92. № 2. 2023
- Linnhoff B., Hindmarsh E. The pinch design method for heat exchanger networks // Chemical Engineering Science, 38 (5), 745–763, 1983.
- Smith R. Chemical Process: Design and Integration // Chichester, West Sussex, UK: John Wiley and Sons, Ltd., 2005.
- Kemp I.C. Pinch Analysis and Process Integration: A User Guide on Process Integration for the Efficient Use of Energy, 2nd edition. Includes spreadsheet software // Butterworth-Heinemann. ISBN 0750682604, 2006. (1st edition: Linnhoff et al., 1982).
Arquivos suplementares










