Effect of External Magnetic Fields on the Amplitude‒Time Characteristics of Penning Ion Sources
- Autores: Maslennikov S.P.1, Mamedov I.M.1
-
Afiliações:
- National Research Nuclear University Moscow Engineering Physics Institute
- Edição: Volume 68, Nº 5 (2023)
- Páginas: 487-491
- Seção: PHYSICAL PROCESSES IN ELECTRONIC DEVICES
- URL: https://journals.rcsi.science/0033-8494/article/view/138247
- DOI: https://doi.org/10.31857/S0033849423050133
- EDN: https://elibrary.ru/UHZSXJ
- ID: 138247
Citar
Texto integral
Resumo
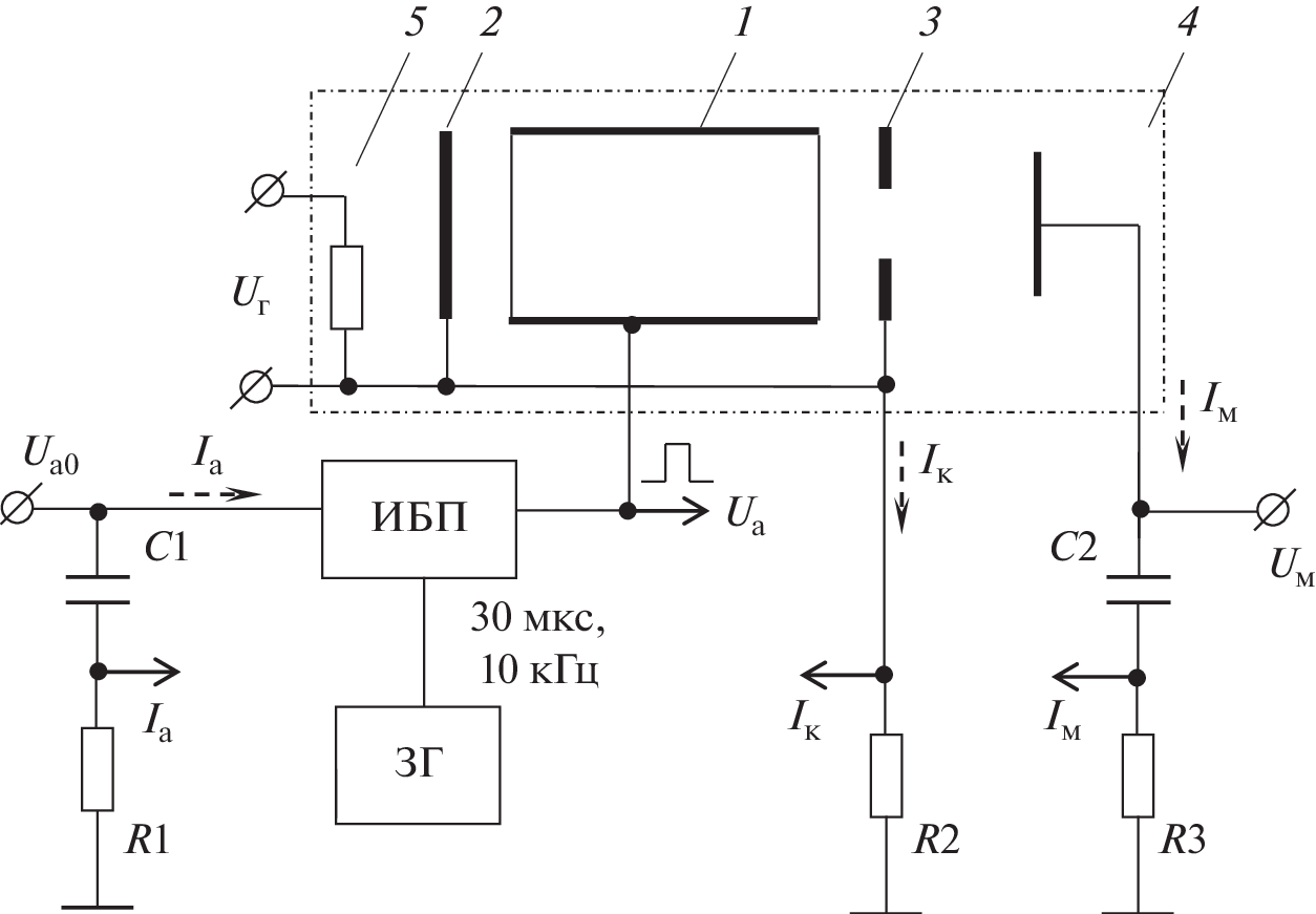
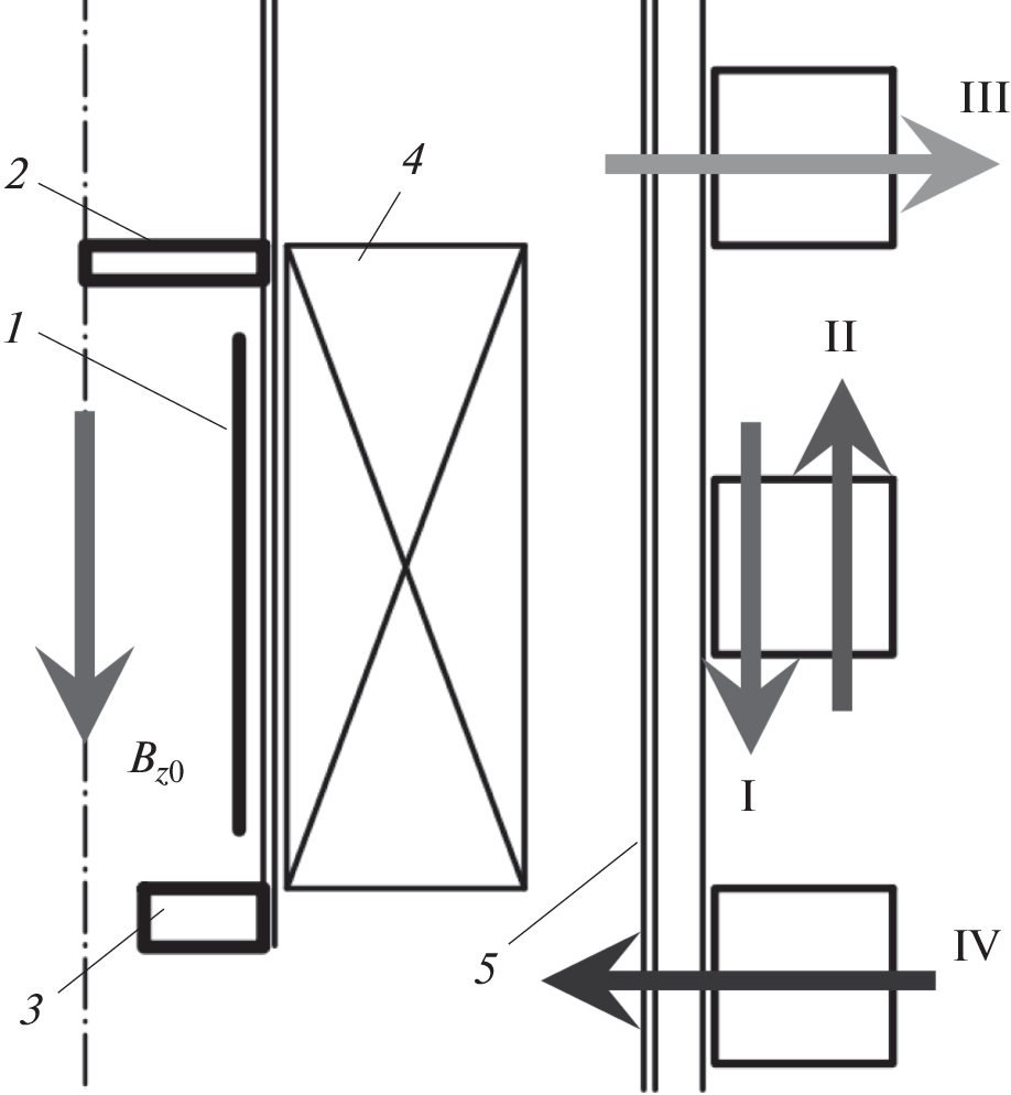
The operation modes of pulsed Penning ion sources under the action of external magnetic fields corresponding to the operating conditions of geophysical well survey equipment are discussed. The obtained dependences of the amplitude‒time characteristics of the ion sources on the magnetic field value and configuration are reported. Based on the data obtained, options of neutron tube magnetic systems are proposed, which ensure an increase in the operation stability of neutron generators.
Sobre autores
S. Maslennikov
National Research Nuclear University Moscow Engineering Physics Institute
Email: spmaslennikov@mephi.ru
Moscow, 115409 Russia
I. Mamedov
National Research Nuclear University Moscow Engineering Physics Institute
Autor responsável pela correspondência
Email: spmaslennikov@mephi.ru
Moscow, 115409 Russia
Bibliografia
- Бармаков Ю.Н., Боголюбов Е.П., Миллер В.В. и др. // Каротажник. 2006. № 10‒11 (151–152). С. 174.
- Юрков Д.И., Боголюбов Е.П., Миллер В.В. и др. // Каротажник. 2013. № 9(231). С. 77.
- Valkovic V. 14 MeV Neutrons. Physics and Applications. Boca Raton: CRC Press, 2016.
- Zhou X., Lu J., Liu Y., Ouyang X. // Nuclear Instruments and Methods in Physics Research A. 2021. V. 987. Article No. 164836. https://doi.org/10.1016/j.nima.2020.164836
- Liu W., Li M., Gao K., Gu D. // Nuclear Instruments and Methods in Physics Research A. 2014. V. 768. P. 120. https://doi.org/10.1016/j.nima.2014.09.052
- Hooper E.B. // Adv. Electronics and Electron Phys. 1970. V. 27. P. 295. https://doi.org/10.1016/S0065-2539(08)60040-2
- Chen F.K. // J. Appl. Phys. 1984. V. 56. № 11. P. 3191. https://doi.org/10.1063/1.333882
- Мамедов Н.В., Масленников С.П., Солодовников А.А., Юрков Д.И. // Физика плазмы. 2020. Т. 46. № 2. С. 172. https://doi.org/10.31857/S0367292120020067
- Mamedov N.V., Gubarev A.V., Zverev V.I. et al. // Plasma Sources Sci. Technol. 2020. № 2. Article No. 025001. https://doi.org/10.1088/1361-6595/ab6758
- Рачков Р.С., Пресняков А.Ю., Юрков Д.И. // Атомная энергия. 2019. Т. 126. № 6. С. 334.
- Масленников С.П., Серебрякова А.С. // РЭ. 2018. Т. 63. № 1. С. 80. https://doi.org/10.7868/S0033849417010119
- Комаров Д.А., Масленников С.П. // РЭ. 2019. Т. 64. № 1. С. 77. https://doi.org/10.1134/S0033849419010091
- Мамедов Н.В., Масленников С.П. Пресняков Ю.К. и др. // ЖТФ. 2019. Т. 89. № 9. С. 1367. https://doi.org/10.21883/JTF.2019.09.48062.34-19
- Мамедов Н.В., Щитов Н.Н., Колодко Д.В и др. // ЖТФ. 2018. Т. 88. № 8. С. 1164. https://doi.org/10.21883/JTF.2018.08.46304.2396
- Масленников С.П., Мамедов И.М. // РЭ. 2022. Т. 67. № 7. С. 722. https://doi.org/10.31857/S0033849422070117
- Mamedov N.V., Rohmanenkov A.S., Solodovnikov A.A. // J. Phys.: Conf. Ser. 2021. V. 2064. Article No. 012039. https://doi.org/10.1088/1742-6596/2064/1/012039
Arquivos suplementares








