Активные полосно-заграждающие RC-фильтры четвертого порядка с регулируемой полосой задерживания и неравномерностью амплитудно-частотной характеристики
- Авторы: Денисенко Д.Ю.1,2, Прокопенко Н.Н.1,3
-
Учреждения:
- Донской государственный технический университет
- Южный федеральный университет
- Институт проблем проектирования в микроэлектронике РАН
- Выпуск: Том 68, № 2 (2023)
- Страницы: 195-201
- Раздел: НОВЫЕ РАДИОЭЛЕКТРОННЫЕ СИСТЕМЫ И ЭЛЕМЕНТЫ
- URL: https://journals.rcsi.science/0033-8494/article/view/138121
- DOI: https://doi.org/10.31857/S0033849423020043
- EDN: https://elibrary.ru/LBZCKG
- ID: 138121
Цитировать
Полный текст
Аннотация
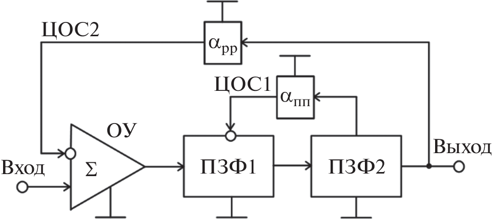
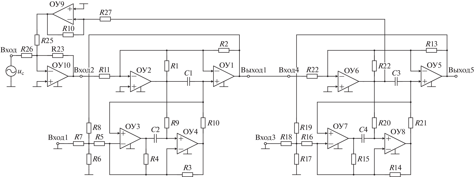
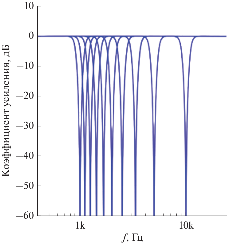
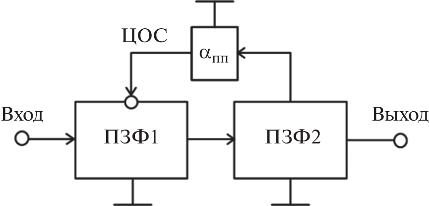
Рассмотрены перспективные структурные схемы полосно-заграждающих фильтров (ПЗФ) четвертого порядка. Приведены уравнения для коэффициентов их передаточных функций. Представлена графическая интерпретация параметров амплитудно-частотной характеристики (АЧХ) предлагаемых ПЗФ. Исследован пример реализации ПЗФ четвертого порядка и выполнено его компьютерное моделирование в среде Micro-Cap12, подтверждающее возможность независимой подстройки неравномерности АЧХ в полосе пропускания и полосы задержания.
Ключевые слова
Об авторах
Д. Ю. Денисенко
Донской государственный технический университет; Южный федеральный университет
Email: prokopenko@sssu.ru
Российская Федерация, 344003, Ростов-на-Дону, пл. Гагарина, 1; Российская Федерация, 344006, Ростов-на-Дону, ул, Большая Садовая, 105/42
Н. Н. Прокопенко
Донской государственный технический университет; Институт проблем проектирования в микроэлектронике РАН
Автор, ответственный за переписку.
Email: prokopenko@sssu.ru
Российская Федерация, 344003, Ростов-на-Дону, пл. Гагарина, 1; Российская Федерация, 124365, Москва, Зеленоград, ул. Советская, 3
Список литературы
- B. Carter, R. Mancini, “Op Amps for everyone”, Newnes, 2017. P. 464.
- Картер Б., Манчини Р. Операционные усилители для всех. Сер.: Схемотехника / Пер. с англ. М.: Додэка XXI, 2011.
- Zumbahlen H. Bainter Notch Filter. Mini Tutorial MT‑203. Norwood: Analog Devices, 2012. 2p.
- Carter B. Filter Design in Thirty Seconds. Application Report SLOA093. Dallas: Texas Instruments, 2001, 14 p.
- Ana Gasca Sienes. Didactic and Interactive Material as a Complement to the Filter Theory. Bachelor thesis. Barcelona: Escola Tècnica Superior d’Enginyeria Industrial, 2021. 104 p. https://upcommons.upc.edu/bitstream/handle/2117/338200/memoria-tfg-ana-gasca.pdf? sequence=2&isAllowed=y
- Фролов А.В. Цифровая обработка биомедицинских сигналов и изображений. Минск: БГУИР, 2016.
- Денисенко Д.Ю., Прокопенко Н.Н., Иванов Ю.И. Режекторный фильтр четвертого порядка // Пат. РФ № 2760930. Опубл. офиц. бюл. “Изобретения. Полезные модели” № 34 от 01.12.2021.
- Денисенко Д.Ю., Прокопенко Н.Н., Бутырлагин Н.В., Клейменкин Д.В. Режекторный фильтр четвертого порядка // Пат. РФ № 2749400. Опубл. офиц. бюл. “Изобретения. Полезные модели” № 16 от 09.06.2021.
- Денисенко Д.Ю., Прокопенко Н.Н., Бутырлагин Н.В., Титов А.Е. Режекторный фильтр четвертого порядка // Пат. РФ № 2748608. Опубл. офиц. бюл. “Изобретения. Полезные модели” № 16 от 28.05.2021.
- Денисенко Д.Ю., Прокопенко Н.Н., Бугакова А.В. Режекторный фильтр четвертого порядка // Пат. РФ № 2754924. Опубл. офиц. бюл. “Изобретения. Полезные модели” № 25 от 08.09.2021.
- Ланнэ А.А. Справочник по расчету и проектированию ARC-схем. М.: Радио и связь, 1984.
- Мошиц Г., Хорн П. Проектирование активных фильтров / Пер. с англ. М.: Мир, 1984.
- Капустян В.И. Проектирование активных RC-фильтров высокого порядка. М.: Радио и связь, 1985.
- Демин А.А., Макркин В.В., Масленников В.В., Сироткин А.П. Активные избирательные устройства радиоаппаратуры. М.: Радио и связь, 1987.
- Остапенко А.Г. Анализ и синтез линейных радиоэлектронных цепей с помощью графов. М.: Радио и связь, 1985.
- Сигорский В.П., Петренко А.И. Основы теории электронных схем. Киев: Вища школа, 1971.
- Коледов Л.А. Технология и конструирование микросхем, микропроцессоров и микросборок: Учебник для вузов. М.: Радио и связь, 1989.
- Крутчинский С.Г., Иванов Ю.И., Крикун И.Я. // Радиотехника. 1989. № 8. С. 15.
- Micro-Cap 12 Analog / Digital Simulator Electronic Circuit Analysis Program, June 2018. https:// www.spectrum-soft.com/download/mc12_brochure.pdf.
Дополнительные файлы










