Analysis of a Passive Current-Controlled Frequency Mixer
- Авторлар: Korotkov A.S.1, Chan T.D.1
-
Мекемелер:
- Peter the Great St. Petersburg Polytechnic University
- Шығарылым: Том 68, № 1 (2023)
- Беттер: 83-94
- Бөлім: NEW ELECTRONIC SYSTEMS AND ELEMENTS
- URL: https://journals.rcsi.science/0033-8494/article/view/138041
- DOI: https://doi.org/10.31857/S0033849423010072
- EDN: https://elibrary.ru/CCZIBX
- ID: 138041
Дәйексөз келтіру
Толық мәтін
Аннотация
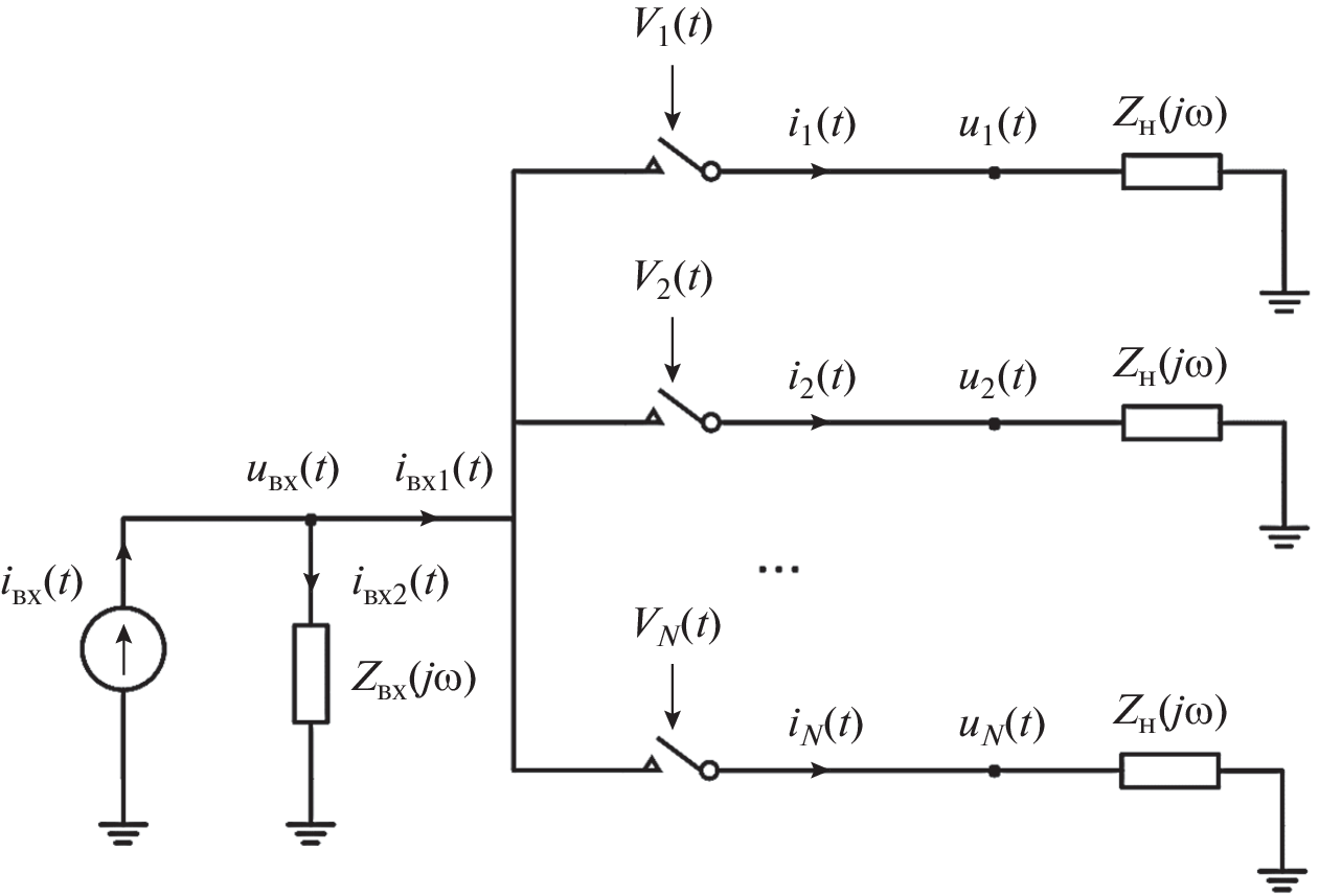
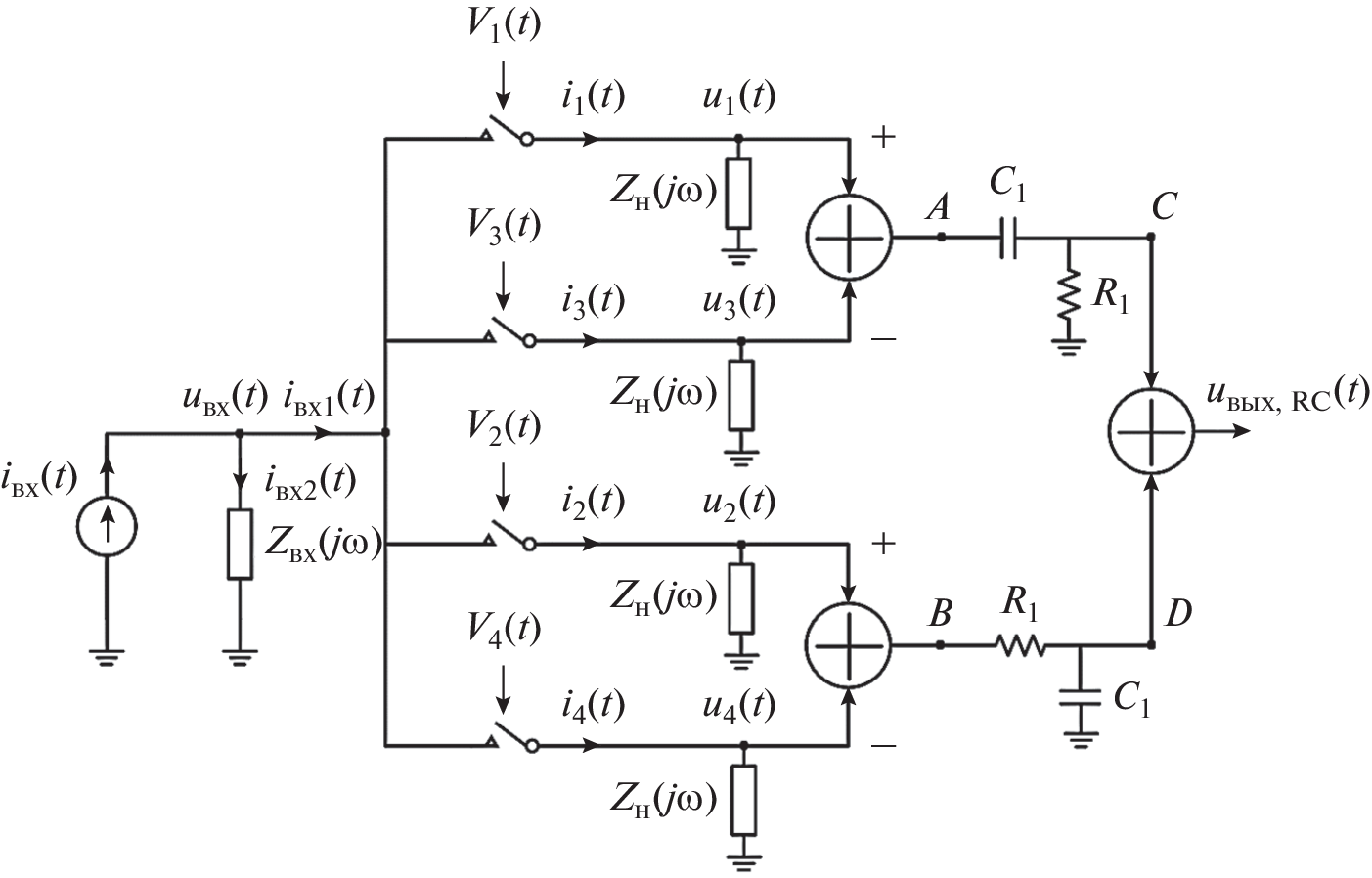
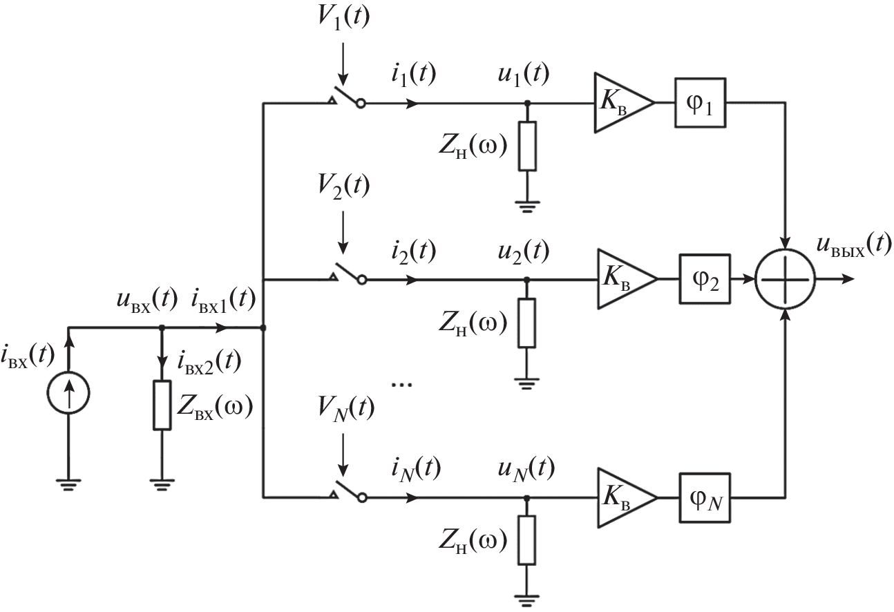
The paper presents a generalized technique for calculating a passive current-controlled frequency mixer at an arbitrary intermediate frequency, taking into account the complex input impedance of the current source and output load. The results of simulation in the Micro-Cap environment and comparison with the
calculation are presented. The frequency dependences of the transfer impedance are considered.
Негізгі сөздер
Авторлар туралы
A. Korotkov
Peter the Great St. Petersburg Polytechnic University
Email: korotkov@spbstu.ru
St. Petersburg, 195251 Russia
T. Chan
Peter the Great St. Petersburg Polytechnic University
Хат алмасуға жауапты Автор.
Email: korotkov@spbstu.ru
St. Petersburg, 195251 Russia
Әдебиет тізімі
- Lin F., Mak P. I., Martins R.P. // IEEE Circuits and Systems Magazine. 2015. V. 15. № 1. P. 12.
- Дроздов А.В., Дроботун Н.Б., Гошин Г.Г., Хорошилов Е.В. // Докл. Томск. гос. ун-та систем управления и радиоэлектроники. Т. 20. № 1. С. 23.
- Аверина Л.И., Бобрешов А.М., Шапошникова Ж.В. // Физика волновых процессов и радиотехнические системы. 2010. Т. 13. № 4. С. 51.
- Коколов А.А., Помазанов А.В., Шеерман Ф.И. и др. // Тр. XV Межд. научн.-практ. конф. “Электронные средства и системы управления”. Томск. 20–22 ноября 2019. Томск: В-Спектр. 2019. Т. 1. С. 60.
- Романюк В.А., Аунг Б.Б.Х. // Изв. вузов. Электроника. 2012. № 4. С. 60.
- Коротков А.С. // Микроэлектроника. 2011. Т. 40. № 2. С. 140.
- Darabi H., Abidi A. // IEEE J. Solid-State Circuits. 2000. V. 35. № 1. P. 15.
- Mirzaei A., Darabi H., Leete J. et al. // IEEE Trans. 2010. V. CS-I-57. № 9. P. 2353.
- Wu C.Y., Chen Y.T., Liao Y.T. // IEEE Access. 2021. V. 9. P. 94203.
- Krishnamurthy S., Niknejad A.M. // IEEE Radio Frequency Integrated Circuits Symp. Los Angeles. 4–6 Aug. N.Y.: IEEE, 2020. P. 275.
- Bae S., Kim D., Kim D. et al. // IEEE Trans. 2021. V. CS-I-68. № 2. P. 892.
- Mirzaei A., Darabi H. // IEEE Trans. 2011. V. CS-I-58. № 5. P. 879.
- Soer M.C.M., Klumperink E.A.M., de Boer P. et al. // IEEE Trans. 2010. V. CS-I-57. № 10. P. 2618.
- Коротков А.С. // Микроэлектроника. 2006. Т. 35. № 4. С. 321.
- Kenneth S.M. // Mathematics Magazine. 1981. V. 54. № 2. P. 67.
Қосымша файлдар









