Активное подавление пульсаций выходного напряжения высоковольтных источников напряжения
- Authors: Сергеев A.И.1
-
Affiliations:
- Уральский федеральный университет им. первого Президента России Б.Н. Ельцина
- Issue: No 6 (2024)
- Pages: 65–68
- Section: ЭЛЕКТРОНИКА И РАДИОТЕХНИКА
- URL: https://journals.rcsi.science/0032-8162/article/view/288475
- DOI: https://doi.org/10.31857/S0032816224060077
- EDN: https://elibrary.ru/ELGZYS
- ID: 288475
Cite item
Full Text
Abstract
Описаны работа и результаты испытаний действующего макета высоковольтного источника питания с активным подавлением пульсаций выходного напряжения. Частота задающего генератора источника 90 кГц, величина емкостей диодно-емкостной схемы умножения 10 нФ. Испытания устройства проведены при выходном напряжении 1кВ и токе нагрузки 1мА. Указаны настройки, с помощью которых достигнутая амплитуда пульсаций выходного напряжения от пика до пика не превышает 150 мкВ при выходном сопротивлении источника по постоянному току не более 20 кОм.
Full Text
1. ВВЕДЕНИЕ
Амплитуда пульсаций выходного напряжения является важной характеристикой высоковольтных источников питания блоков детектирования ионизирующего излучения (ИИ). Обычно такие источники напряжения имеют в своем составе генератор сигналов, высокочастотный трансформатор и диодно-емкостную схему умножения напряжения. Амплитуда пульсаций выходного напряжения обратно пропорциональна частоте генератора и величине емкостей схемы умножения. В работе [1] описан высоковольтный источник питания блоков детектирования ИИ. Для обеспечения малой амплитуды пульсаций частота генератора выбрана в интервале от 80 до 150 кГц, а величина емкостей схемы умножения — 100 нФ. На выходе схемы умножения использован сглаживающий R–C–R–C-фильтр. Амплитуда пульсаций выходного напряжения источника от пика до пика не превышает 1мВ при выходной мощности от 0.5 до 1.5 Вт и частоте генератора 100 кГц. Выходное сопротивление источника по постоянному току составляет 23 кОм.
Обеспечить малую амплитуду пульсаций можно путем их подавления сигналами противоположной полярности. В работе [2] описан источник питания с незаземленной вторичной обмоткой повышающего трансформатора. Точка соединения вторичной обмотки и “вывода низкого потенциала схемы умножения” подключена к выходу источника “компенсирующего напряжения”. Это напряжение формируется в результате сравнения сигналов с выхода схемы умножения источника высокого напряжения и выхода внутреннего источника эталонного напряжения. На выходе схемы умножения использован сглаживающий R–C–R–C-фильтр. Емкости конденсаторов схемы умножения (на четыре) относительно невелики — две емкости 15 нФ и две 3.3 нФ. Амплитуда пульсации выходного напряжения при частоте генератора 110 кГц и максимальном токе нагрузки 1 мА не превышает 3.3 мВ. Выходное сопротивление источника по постоянному току 220 кОм.
Ниже описаны работа и результаты испытаний действующего макета высоковольтного источника напряжения с заземленной вторичной обмоткой трансформатора и активным подавлением пульсаций выходного напряжения.
Основное внимание уделено вопросу уменьшения амплитуды пульсаций выходного напряжения источника, поэтому не рассматриваются возможная схемотехника установки и стабилизация величины выходного напряжения источника.
2. ЭЛЕКТРИЧЕСКАЯ СХЕМА И ПРИНЦИП ДЕЙСТВИЯ
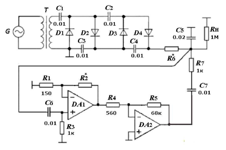
Схема источника питания с заземленной вторичной обмоткой трансформатора показана на рис. 1. На схеме буквой “G” обозначен генератор синусоидальных колебаний ГЗ-118.
Рис. 1. Схема источника напряжения с заземленной вторичной обмоткой трансформатора и активным подавлением пульсаций.
Частота выходных сигналов генератора составляет 90 кГц. Регулировка выходного напряжения ручная; Т — малогабаритный ферритовый трансформатор с Ш-образным сердечником. Все конденсаторы—высоковольтные керамические Hitano KF3F103Z-L016BD15.5 с допуском Z (–20...+80%). Емкости имеют следующие значения: C6 = 20 нФ, остальные — по 10 нФ. Используются диоды UF4007 (D1–D4). Сопротивления имеют следующие значения: R1 = 150 Ом; R3, R7 = 1 кОм; R4 = 560 Ом; R5 = 68 кОм; R2* и R6* — переменные сопротивления. Эти сопротивления имеют тип С2-29 или МЛТ 0.125 с допуском 5%. Используются операционные усилители (ОУ) ADA4817, корпус soic 8 [3].
Из доступных высокочастотных ОУ эти усилители имеют минимальное время задержки сигнала, что в данном случае имеет решающее значение для обеспечения устойчивости устройства. Питание ОУ двухполярное (+5 В и –5 В).
Уменьшение амплитуды пульсаций выходного напряжения достигается их подавлением сигналами противоположной полярности.
Работа схемы на рис. 1 аналогична работе основной инвертирующей схемы включения ОУ, где возмущение на инвертирующем входе ОУ, вызванное внешним сигналом, подавляется сигналом обратной связи с выхода ОУ. Чем больше собственный коэффициент усиления ОУ и коэффициент усиления основной инвертирующей схемы включения, тем сильнее подавляется возмущение на инвертирующем входе ОУ.
Напряжение с выхода схемы умножения через сопротивление R6 поступает на выход устройства. Переменная составляющая выходного сигнала (пульсации) выделяется дифференцирующей цепью C6R3, усиливается со сменой полярности и поступает на выход устройства через цепь C7R7. Усиление двухкаскадное. Первый каскад усиления на основе ОУ DA1 в неинвертирующем включении с высоким входным сопротивлением, второй каскад на основе ОУ DA2 в инвертирующем включении.
3. ЭКСПЕРИМЕНТАЛЬНАЯ ЧАСТЬ И РЕЗУЛЬТАТЫ ИЗМЕРЕНИЙ
Все измерения проводились двухлучевым аналоговым электронным осциллографом (ЭО). Погрешность таких измерений обычно принимается равной 10%. Амплитуда пульсаций напряжения измерялась от пика до пика. Горизонтальная чувствительность ЭО для приведенных ниже осциллограмм равна 5 мкС/дел.
Для оценки эффективности описанной схемотехники предварительно без применения активного подавления пульсаций измерялась их амплитуда на выходе схемы умножения и на выходе интегрирующей цепи R6 C5, нагруженных на сопротивление 1МОм при напряжении 1кВ.
При измерении амплитуды пульсаций на выходе схемы умножения разрывалась связь между ее выходом и сопротивлением R6.
Рис. 2. Осциллограммы сигналов на выходе генератора и выходе схемы умножения.
Для измерения использовался широкополосный делитель напряжения с коэффициентом деления (Кдел) 100 : 1 (1 МОм, 200 пФ : 10 кОм, 20 нФ), который и являлся нагрузкой. Сопротивление входа делителя относительно земли Rдел = 1.01 МОм. Постоянная составляющая напряжения на выходе делителя, равная 10.1 В, устанавливалось при открытом входе ЭО (гальваническая связь). На рис. 2 верхняя осциллограмма — это первый канал ЭО (сигнал на выходе генератора), чувствительность ЭО по вертикали равна 10 В/дел, двойная амплитуда синусоидального сигнала 19 В; нижняя осциллограмма — это второй канал ЭО, закрытый вход ЭО (емкостная связь) — пульсации выходного напряжения схемы умножения. Пульсации имеют импульсную форму. Амплитуда пульсаций с учетом Кдел и вертикальной чувствительности ЭО 20мВ/дел равна 4.3 В.
При измерении амплитуды пульсаций на выходе интегрирующей цепи R6 C5 эта цепь подключалась к выходу схемы умножения. Нагрузкой служил указанный выше делитель напряжения. Выходное напряжение делителя равно 10.1 В. Элементы схемы C7, R7 и Rн отключены от выхода интегрирующей цепи R6C5. Сопротивление R6 = 1.8 кОм, емкость C5 = 20 нФ. Амплитуда пульсаций с учетом Кдел и вертикальной чувствительности ЭО В/дел равна 400 мВ, что в 10.75 раза меньше, чем в предыдущем эксперименте.
Испытания источника напряжения по схеме рис. 1 с активным подавлением пульсаций проведены также при нагрузке Rн = 1 МОм и выходном напряжении Uвых = 1 кВ.
Рис. 3. Осциллограммы сигналов на выходе ОУ DA₂ и на входе ОУ DA₁.
Амплитуда пульсаций выходного напряжения зависит как от общего усиления обоих каскадов, так и от соотношения между сопротивлениями R6 и R7. Коэффициент усиления второго каскада Кус2 = 121.4, он выбирался экспериментально. Изменение общего коэффициента усиления обоих каскадов осуществлялось изменением величины сопротивления обратной связи R2 первого каскада, т.е. изменением Кус1, а изменение соотношения между сопротивлениями R и R7 — изменением R6. Амплитуда пульсаций, уменьшается при увеличении как Кус1, так и сопротивления R6.
Измерение зависимости амплитуды пульсаций от величины Кус1 проводилась при сопротивлении R6 = 1.8 кОм. Установлено, что при R2 = 560 Ом и Кус1 = 4.8 амплитуда пульсаций равна 3.1 мВ, при R2 = 1. 35 кОм и Кус1 = 10.0 амплитуда пульсаций равна 1.8 мВ, при R2 = 2.1 кОм и Кус1 = 15.0 амплитуда пульсаций равна 1.3 мВ.
На рис. 3 верхняя осциллограмма (первый канал ЭО) — это сигнал на выходе ОУ DA2, чувствительность ЭО по вертикали равна 1 В/дел, амплитуда сигнала равна 2.4 В; нижняя осциллограмма (второй канал ЭО) — это сигнал на входе ОУ DA1 (пульсации выходного напряжения устройства), чувствительность ЭО по вертикали равна 1 мВ/дел, Кус1 = 15.0, пульсации напряжения имеют импульсную форму с амплитудой 1.3 мВ.
Импульсная форма пульсаций выходного напряжения объясняется следующим. Максимальный размах переменного напряжения в устройстве наблюдается между выходом схемы умножения и выходом ОУ DA2. Поэтому значительная часть переменной составляющей выходного тока схемы умножения протекает через сопротивление R7, создавая на нем падение напряжения импульсной формы.
Дальнейшее значительное увеличение Кус1 приводит к потере устойчивости устройства. Наблюдается генерация в мегагерцевой области. Следует отметить, что устройство, несмотря на свою простоту и малые размеры, весьма критично к монтажу. Требуется либо планарный монтаж, либо приближенный к нему (испытания проводились именно в таком случае). С учетом высокой частоты единичного усиления и малой задержки ОУ ADA4817 возможной причиной генерации могут являться погрешности монтажа и, как следствие, паразитные связи.
Измерение зависимости амплитуды пульсаций от величины сопротивления R6 проводилось при Кус1 = 15. Для измерения амплитуды пульсаций величиной менее 1.0 мВ второй канал ЭО подключался к выходу первого каскада усиления. Амплитуда пульсаций определялась с учетом коэффициента усиления первого каскада Кус1 и чувствительности (В/дел) второго канала ЭО по вертикали Кус1 = 15. Установлено, что при R6 = 1.8 кОм амплитуда пульсаций равна 1.3 мВ, при R6 = 5.6 кОм амплитуда пульсаций равна 450 мкВ, при R6 = 17 кОм амплитуда пульсаций равна 130 мкВ.
4. ВЫВОДЫ
Описанное схемотехническое решение активного подавления пульсаций позволяет эффективно уменьшить амплитуду этих пульсаций без использования конденсаторов большой емкости в диодно-емкостных схемах умножения с выходными сглаживающими R–C–R–C-фильтрами, имеющими большую постоянную времени.
About the authors
A. И. Сергеев
Уральский федеральный университет им. первого Президента России Б.Н. Ельцина
Author for correspondence.
Email: aistkot@bk.ru
Russian Federation, 620002, Екатеринбург, ул. Мира, 19
References
- Артюх А.Г., Кононенко Г.А., Саламатин А.В., Середа Ю.М. Препринт Объединенного института ядерных исследований. Дубна, 2022. http://www1.jinr.ru/Preprints/2022/033(P13-2022-33). pdf
- Колобов В.В., Баранник М.Б. // Приборы и техника эксперимента. 2021. № 6. С. 15. https://doi.org/10.31857/S0032816221050219
- Операционный усилитель ADA4817. https://www.alldatasheet.com/datasheet-pdf/pdf/254592/AD/ADA4817-1.html
Supplementary files





