Невырожденный параметрический СВЧ-усилитель на контактах Джозефсона Nb/AlOX/Nb с квантовым уровнем шумов для обработки квантовой информации
- Authors: Беседин И.С.1, Пологов И.Е.1, Филиппенко Л.В.2, Кошелец В.П.2, Карпов А.В.1
-
Affiliations:
- Национальный исследовательский технологический университет МИСИС
- Институт радиотехники и электроники им. В. А. Котельникова Российской академии наук
- Issue: No 5 (2024)
- Pages: 60-68
- Section: ЭЛЕКТРОНИКА И РАДИОТЕХНИКА
- URL: https://journals.rcsi.science/0032-8162/article/view/285711
- DOI: https://doi.org/10.31857/S0032816224050067
- EDN: https://elibrary.ru/ETYZJG
- ID: 285711
Cite item
Full Text
Abstract
Представлены результаты разработки сверхпроводящего параметрического СВЧ-усилителя на контакте Джозефсона (ДПУ), предназначенного, в частности, для считывания состояний сверхпроводящих кубитов. Продемонстрированы добавленный шум усилителя, близкий к квантовому пределу, и режим невырожденного четырехволнового усиления. Создание схемы ДПУ на основе ниобиевой технологии представляет значительный практический интерес в связи с долговечностью ниобиевых схем и с более высокой критической температурой материала по сравнению с распространенной алюминиевой технологией. Невырожденный режим работы ДПУ удобен для частотного разделения каналов сигнала и накачки. Микросхема усилителя состоит из четвертьволнового копланарного резонатора с массивом из трех СКВИДов.
Full Text
1. ВВЕДЕНИЕ
Считывание состояния квантовой системы – один из важнейших этапов любой работы в активно развивающейся области CQED (сircuit quantum electrodynamics). Точное считывание необходимо при наблюдении квантовых прыжков [1], квантовых траекторий [2, 3], реализации квантовой коррекции ошибок [4] и наблюдении неклассических состояний света [5]. Мощность считывающего сигнала во всех этих приложениях очень мала (порядка нескольких фотонов в полосе), и сигнал должен быть усилен, чтобы быть обнаруженным измерительной аппаратурой. Как известно, любой усилитель добавляет к сигналу шум, и в случае столь слабых сигналов вопрос о шумовой температуре усилителя встает особенно остро.
Минимально возможный добавленный шум усилителя (так называемый квантовый предел) равен [6], где h – постоянная Планка, kB – постоянная Больцмана, f – частота усиливаемого сигнала. На частоте 8 ГГц квантовый предел эквивалентной температуры шума усилителя составляет примерно 190 мК. Реальные усилители могут уступать идеальной схеме по ряду причин. Например, дополнительный шум в усилителе может быть обусловлен тепловым излучением элементов схемы, потерями в схеме, низкой квантовой эффективностью, дробовыми шумами, флуктуациями и особенностями транспорта носителей в образце.
Параметрический СВЧ-усилитель на контакте Джозефсона (ДПУ) при температуре 10–50 мК и при оптимальном дизайне схемы может быть лишен всех этих дополнительных источников шума, он позволяет усиливать СВЧ-сигналы с минимальным добавлением шума – на уровне квантового предела шума. Тем не менее в реальных измерениях следует учитывать уровень шумов следующего за ДПУ каскада усиления, где обычно используются криогенные транзисторные усилители. При усилении ДПУ, равном 10 дБ, и при эквивалентной шумовой температуре последующего каскада, равной 3 К, вклад транзисторного усилителя в шумы цепочки может составить 300 мК, т. е. быть примерно равным 1.5TQ на 8 ГГц, тогда как при усилении ДПУ 20 дБ вклад будет 30 мК, т. е. малым по сравнению с TQ.
В данной работе мы представляем результаты разработки ДПУ, сделанного из ниобия и состоящего из четвертьволнового копланарного резонатора с массивом из трех СКВИДов [7]. Мы демонстрируем наличие невырожденного четырехволнового усиления [8–12] и добавленный шум, близкий к квантовому пределу. Создание схемы ДПУ на основе ниобиевой технологии представляет значительный практический интерес в связи с ее долговечностью и с более высокой критической температурой материала по сравнению с аналогичными параметрами распространенной алюминиевой технологии. Невырожденный режим работы ДПУ удобен для частотного разделения каналов сигнала и накачки.
2. ОПИСАНИЕ ОБРАЗЦА И ИЗМЕРИТЕЛЬНОЙ УСТАНОВКИ
Образец усилителя был изготовлен при помощи оптической литографии в стандартном Nb/AlOx/Nb-процессе [13, 14]. Принципиальная схема усилителя изображена на рис. 1а. Усиливаемый сигнал подается на вход усилителя через емкостной элемент связи, далее он поступает в копланарный четвертьволновый резонатор, нагруженный на массив из трех СКВИДов постоянного тока. Индуктивность контактов Джозефсона зависит от величины приложенного магнитного поля на СКВИДе. В результате рабочая частота усилителя перестраивается внешним магнитным полем. Обычно в эксперименте регистрируется ток через соленоид, создающий магнитное поле на СКВИДе в усилителе, и, как следствие, экспериментальные данные представляются как зависимость резонансной частоты схемы усилителя от тока через соленоид. Диапазон перестройки резонансной частоты схемы усилителя совпадает с рабочей полосой усилителя. Критический ток контактов Джозефсона был около 3.4 мкА. Сигнал накачки подается через отдельную копланарную линию передачи, индуктивно связанную со СКВИДами.
Рис. 1. Дизайн образца усилителя на контакте Джозефсона: а – принципиальная схема усилителя состоит из четвертьволнового резонатора и трех СКВИДов, сигнал и накачка подаются через два независимых канала; б – фотография образца с двумя схемами усилителя в экспериментальной установке. Размер чипа 4 × 4 мм2. Вход сигнала – слева, вход накачки – справа.
Корпус усилителя является частью испытательной установки (рис. 2). В зависимости от размера полости корпуса над образцом возможно возбуждение объемной моды, сильно взаимодействующей со схемой испытуемого устройства (например, [15]). Мы проводили первичные испытания (рис. 3) в держателе, описанном в работе [15], с относительно высокой резонансной полосой полости (около 30 ГГц), заметно превышающей рабочие частоты усилителя. Для реализации невырожденного усилителя был использован корпус с размерами полости, обеспечивающими резонанс вблизи 7.9 ГГц. В этом случае за счет объемного резонанса корпуса была получена двухконтурная резонансная схема, необходимая для работы невырожденного усилителя.
Рис. 2. Экспериментальная установка для измерения характеристик усилителя на контакте Джозефсона.
Рис. 3. Измеренная АЧХ цепи параметрического усилителя в зависимости от приложенного внешнего магнитного поля (постоянного тока в соленоиде). Резонансная частота усилителя проявляется в виде особенности на плоскости коэффициентов отражения.
2. СХЕМА ЭКСПЕРИМЕНТАЛЬНОЙ УСТАНОВКИ И РЕЗУЛЬТАТЫ ИЗМЕРЕНИЙ
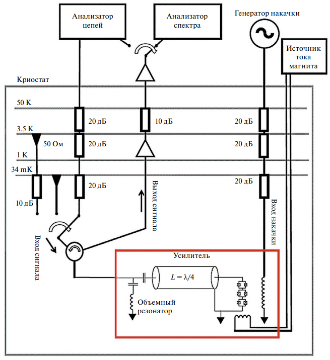
Усилитель помещен в криостат и находится при температуре 34 мК. Сигнал накачки и сигнал от анализатора цепей поступают на вход накачки и вход сигнала усилителя через охлаждаемые аттенюаторы, препятствующие прохождению тепловых шумов. Контакты Джозефсона включены в контур СКВИДа. Резонанс в полости над схемой усилителя представлен последовательным контуром. Источником калиброванного шума служат согласованные нагрузки, находящиеся при физических температурах 34 мК и 3.5 К. Для удобства эксперимента “горячая” нагрузка, температура которой составляет 3.5 К, подключена ко входу усилителя через охлажденный до 34 мК аттенюатор с ослаблением 10 дБ. Коэффициент усиления измеряется анализатором цепей; мощность шумов на выходе усилителя измеряется анализатором спектра.
3. ПЕРЕСТРОЙКА УСИЛИТЕЛЯ ПО ЧАСТОТЕ
В основе параметрического усилителя лежит эффект зависимости индуктивности СКВИДа, включенного в цепь микроволнового резонатора, от внешнего магнитного потока. Магнитное поле, проходящее через СКВИД, имеет постоянную и переменную компоненты. Постоянная компонента магнитного потока создается с помощью соленоида, намотанного вокруг держателя образца. Переменная компонента магнитного потока создается с помощью источника СВЧ-излучения, подключенного к порту накачки цепи параметрического усилителя. Приложение внешнего магнитного поля к соленоиду уменьшает резонансную частоту резонатора. Зависимость резонансной частоты от приложенного поля определена методом измерения коэффициента отражения микроволнового излучения от входа сигнала параметрического усилителя при выключенной накачке.
Измеренные зависимости резонансной частоты усилителя от тока в управляющем соленоиде представлены на рис. 3. Данные получены как серии амплитудно-частотных характеристик (АЧХ) схемы, измеренных при разных значениях тока в соленоиде. Ширина и интенсивность линии на плоскости АЧХ говорят о силе связи резонатора в схеме усилителя с источником сигнала. Исследованный образец имеет полосу перестройки от 7 ГГц до 9.2 ГГц и потенциально может усиливать в этом диапазоне, однако размытие отклика на АЧХ в полосе 8.5–9.2 ГГц может указывать на неоптимальную связь резонатора с источником сигнала в этом поддиапазоне.
Расчетная АЧХ параметрического усилителя с резонансом в полости корпуса (рис. 4) отличается расщеплением резонанса вблизи собственной частоты резонанса корпуса и иллюстрирует возможность реализации двухконтурной схемы невырожденного усилителя. Цветовая шкала рис. 4а показывает уровень коэффициента отражения от входа в схему усилителя без накачки. Область расщепления резонанса выделена штриховой линией (рис. 4а). Расчет проводился для эквивалентной схемы рис. 2. Частотная зависимость коэффициента отражения от входа схемы при различных значениях магнитного потока в СКВИДах (рис. 4б) в выделенной области демонстрирует возможность создания двухконтурной схемы, необходимой для невырожденного усилителя. Соответствующие эксперименты, подтверждающие предложенную модель, представлены ниже.
Рис. 4. а – Расчетная АЧХ входной цепи параметрического усилителя в зависимости от приложенного внешнего магнитного поля для схемы с резонансом в полости корпуса, как в эксперименте на рис. 2. Область АЧХ, использованная для обеспечения невырожденного режима усилителя, выделена штриховой линией (соответствующий эксперимент представлен на рис. 6). б – Расчетный частотный отклик схемы усилителя при различных значениях магнитного потока в СКВИДах для области, выделенной штриховой линией на рис. 4а.
4. ОПТИМИЗАЦИЯ УПРАВЛЯЮЩИХ ПАРАМЕТРОВ ПАРАМЕТРИЧЕСКОГО УСИЛИТЕЛЯ
С точки зрения применения, для улучшения точности единовременного считывания кубита важна задача оптимизации управляющих тока, частоты и мощности ДПУ. Измерение точности считывания состояния кубита достаточно трудоемко, так как оно требует одновременного управления и кубитом, и параметрическим усилителем. Близкой по смыслу величиной, характеризующей полезность усилителя для подобного применения, является отношение сигнал/шум. В линейном приближении эта характеристика имеет зависимость лишь от частоты сигнала. Линейная модель справедлива при малой мощности пробного сигнала. Характерной величиной уровня мощности, ниже которого справедливо линейное приближение, является мощность насыщения – точка компрессии 1 дБ.
При использовании параметрического усилителя для единовременного дисперсионного считывания состояния кубита полоса усилителя должна значительно превышать полосу считывающего сигнала, которая, в свою очередь, определяется полосой считывающего резонатора. Поэтому оптимизация частоты и мощности накачки, а также тока соленоида должна проводиться для разных частот пробного сигнала, мощность которого соответствует мощности считывающего сигнала. В данном эксперименте оптимизация проводилась в диапазоне частот 7.4–8.2 ГГц с мощностью пробного сигнала –120 дБм. Для определения относительной величины отношения сигнал/шум проводилось многократное измерение коэффициента прохождения с помощью векторного анализатора цепей. Отношение сигнал/шум пропорционально стандартному отклонению этой величины. Результаты оптимизации параметров показаны на рис. 5. Как и ожидалось, для невырожденного усилителя частота накачки отличается от частоты сигнала на 150–200 МГц (рис. 5а).
Рис. 5. Зависимость оптимальных параметров накачки и тока в электромагните от целевой частоты (частоты усиливаемого сигнала).
Измеренные частотные зависимости усиления ДПУ для каждой целевой частоты оптимизации представлены на рис. 6. При измерениях использовались оптимальные параметры режима из рис. 5. Для каждой частоты оптимизации наблюдаются два максимума усиления (в полосе сигнала и в зеркальной), характерные для невырожденного параметрического усилителя. Усиление более 15 дБ наблюдается на выбранной для оптимизации частоте (нижняя красная полоска), а также на зеркальной частоте (верхняя красная полоска). Частота накачки лежит между нижней и верхней полосами усиления (средняя линия). Разница между частотой накачки и полосами усиления достигает 200 МГц, что достаточно для частотного разделения каналов сигнала и накачки.
Рис. 6. Измеренные частотные зависимости усиления ДПУ для каждой целевой частоты оптимизации (при оптимальных параметрах режима из рис. 5). Усиление более 15 дБ наблюдается на выбранной для оптимизации частоте (нижняя красная полоска), а также на зеркальной частоте (верхняя красная полоска). Частота накачки лежит между нижней и верхней полосами усиления (средняя линия). Разница между частотой накачки и полосами усиления достигает 200 МГц.
5. ИЗМЕРЕНИЕ КОЭФФИЦИЕНТА УСИЛЕНИЯ И ЭКВИВАЛЕНТНОЙ ШУМОВОЙ ТЕМПЕРАТУРЫ
Измерения коэффициента усиления и шумовой температуры ДПУ проводились методом эталонных источников шумового сигнала. В качестве эталонного источника шума использовалось абсолютно черное тело, а именно две согласованные нагрузки величиной 50 Ом, находящиеся при известной температуре с известными эффективными температурами. Нагрузки поочередно подключаются ко входу усилителя, при этом с помощью анализатора спектра измеряется мощность сигнала на выходе. Эталонные нагрузки излучают шумовой сигнал в широком диапазоне частот, в том числе и на зеркальной частоте. Поэтому следует учитывать, что шумовая мощность на выход параметрического усилителя поступает через сигнальный и через зеркальный каналы. Мощность, измеренная анализатором спектра в полосе частот B, для линейного параметрического усилителя описывается формулами
(1)
, (2)
где GS, GI – усиление на частоте сигнала и на зеркальной частоте, T1in и T2in – эквивалентные шумовые температуры черного тела (в терминах Рэлея–Джинса). Измеряемая эквивалентная шумовая температура усилителя Tn характеризует канал сигнала. В случае, когда GS, GI равны по величине и заметно превышают 1:
(3)
, (4)
что дает следующую эквивалентную шумовую температуру усилителя на частоте сигнала:
. (5)
Мощность P1out, P2out измерена при двух различных температурах эталонного черного тела T1in, T2in, подключенного ко входу параметрического усилителя. Решение системы двух линейных уравнений (3) и (4) относительно неизвестных GTn иbG чувствительно к ошибкам величин T1in – T2in и T1in P2out – T2in P1out , поэтому желательно выбирать T1in и T2in таким образом, чтобы их разность и среднее были соразмерны с Tn.
Преимуществом описанного метода измерения шумовой температуры и коэффициента усиления является возможность получения абсолютных калиброванных на температуру эталонной нагрузки значений. Недостатком метода является численная неустойчивость системы уравнений по отношению к флуктуациям мощности и ошибкам линейной модели. Для вычисления мощности шума эталонных нагрузок использовалась эффективная температура нагрузок Teff, соответствующая спектральной плотности мощности шума в терминах Рэлея–Джинса. Величина Teff вычислялась по соотношению Каллена и Велтона [16]:
(6)
При частоте 8 ГГц эффективная температура холодной нагрузки T2in была около 190 мК. “Горячая” нагрузка, находящаяся при температуре 3.5 К, присоединена к опорной плоскости перед усилителем через аттенюатор L = 10 дБ, находящийся при температуре 34 мК. Суммарная мощность шума “горячей” нагрузки получалась в результате сложения излучения холодного аттенюатора и ослабленного аттенюатором излучения нагрузки:
(7)
При частоте 8 ГГц температура излучения от горячей нагрузки составила примерно T1in = 350 мК + 170 мК = 520 мК.
Другой подход к измерению шума и коэффициента усиления основан на измерении коэффициента прохождения сигнала с помощью векторного анализатора. Этот метод не требует решения уравнений и дает быстрый результат. Основной недостаток этого метода – получаемые значения усиления и шумовой температуры не абсолютные, а относительные. В принципе, сопоставляя уровень усиления с результатом, получаемым методом двух согласованных нагрузок при различных температурах, мы можем откалибровать этот результат. Второй метод использовался для быстрой диагностики усилителя.
Результаты измерения коэффициента усиления и эффективной шумовой температуры цепи, состоящей из параметрического усилителя и усилителя с высокой электронной подвижностью на ступени 3.5 К криостата, методом эталонных источников шумового сигнала показаны на рис. 7, 8 соответственно.
Рис. 7. Результат измерения коэффициента усиления цепи, состоящей из ДПУ и усилителя на транзисторе с высокой подвижностью электронов. Усиление определяется как превышение над калибровочной кривой, оно достигает 15–17 дБ. Целевая частота сигнала для оптимизации – f0.
Рис. 8. Результат измерения эквивалентной шумовой температуры цепи, состоящей из ДПУ и усилителя на транзисторе с высокой подвижностью электронов. Целевая частота сигнала для оптимизации – f0 .
Видно, что усиление невырожденное [8, 10]: вместо одного лоренцевского пика с максимумом на частоте накачки наблюдаются два пика с равноудаленными от частоты накачки максимумами. Раздвоенный частотный отклик является характерной частотной характеристикой схемы, состоящей из двух связанных резонаторов, в данном случае схемы, составленной из объемного резонатора в корпусе усилителя и планарной схемы усилителя. В результате резонанс контура усилителя расщепляется на два, тем самым меняя вид кривой усиления и полосу усиления [11, 12]. Невырожденное усиление является чрезвычайно удобным при использовании усилителя для измерения сверхпродящих кубитов. Поскольку накачка сильно отстроена от частоты сигнала, исключается ее влияние на исследуемую систему.
Полученная в эксперименте частотная зависмость коэффициента усиления (рис. 7) находится в хорошем соответствии с расчетным откликом для двухконтурной схемы невырожденного усилителя (рис. 4б). Частоты с максимальным усилением рис. 7 соответствуют частотам резонансных пиков рис. 4б.
Измеренное усиление достигает величины 15–17 дБ, а минимальный шум усилительной цепи приближается к 0.4–0.5 К. Здесь вклад транзисторного усилителя в измеренный шум системы около 0.2–0.3 К, тогда как добавленный шум ДПУ достигает 0.2 К и приближается к квантовому пределу для рабочей частоты 7.8 ГГц.
6. МОЩНОСТЬ НАСЫЩЕНИЯ
Мощность насыщения усилителя измерена с помощью векторного анализатора цепей. Абсолютные значения мощности получены из совмещения результатов измерений коэффициента усиления двумя методами. В качестве точки, соответствующей насыщению, была выбрана точка компрессии в 1дБ, т. е. мощность на входе цепи параметрического усилителя, при которой коэффициент усиления уменьшается на 1 дБ по сравнению с коэффициентом усиления в пределе малой мощности сигнала. Результаты измерения показаны на рис. 9.
Рис. 9. Уровень мощности сигнала при компрессии 1 дБ в зависимости от частоты центра полосы усиления перестраиваемого параметрического усилителя.
Измеренное значение мощности насыщения составило – 124 ± 2 дБм, что соответствует примерно 10 фотонам частоты сигнала при времени накопления 0.1 мкс. Достигнутые значения мощности насыщения позволяют использовать разработанный усилитель для определения квантового состояния кубита методом дисперсионного считывания.
7. ЗАКЛЮЧЕНИЕ
В данной работе представлены характеристики разработанного параметрического СВЧ-усилителя, состоящего из четвертьволнового копланарного резонатора с массивом из трех СКВИДов. Измеренные значения эквивалентной шумовой температуры разработанного СВЧ-усилителя на контакте Джозефсона по величине существенно меньше шумов криогенного усилителя на транзисторе с высокой подвижностью носителей заряда (2–3 К), это подтверждает полезность разработанного усилителя для построения схем считывания состояний кубитов. Наиболее достоверное измерение абсолютной величины эквивалентной шумовой температуры усилительной цепочки, состоящей из ДПУ и транзисторного усилителя, сделано методом эталонных источников шума. В качестве источника эталонного сигнала использовались два абсолютно черных тела (поглотителя) с эквивалентной температурой шума 190 мК и 520 мК. Минимальная измеренная шумовая температура усилителя приближается (с точностью измерений) к квантовому пределу, она составила 400–500 мК.
Продемонстрирован невырожденный режим работы усилителя, характерный для схемы, состоящей из двух связанных резонаторов. Частотное разделение полосы усиления и полосы накачки в невырожденном усилителе удобно для изоляции считываемого кубита от мощности накачки усилителя. Измеренный уровень мощности насыщения соответствует мощности сигнала примерно в 10 фотонов за время накопления 0.1 мкс, он достаточен для работы с типичной мощностью сигналов при считывании состояний кубитов.
ФИНАНСИРОВАНИЕ РАБОТЫ
Исследование выполнено при финансовой поддержке Российского научного фонда (проект № 21-72-30026, https://rscf.ru/en/project/21-72-30026/). Изготовление экспериментальных образцов сверхпроводящей микросхемы усилителя поддержано грантом Российского научного фонда (проект № 21-42-04421, https://rscf.ru/project/21-42-04421/).
About the authors
И. С. Беседин
Национальный исследовательский технологический университет МИСИС
Email: alexandre.karpov@yahoo.com
Лаборатория сверхпроводниковых квантовых технологий
Russian Federation, 119049, Москва, Ленинский просп., 4, с. 1И. Е. Пологов
Национальный исследовательский технологический университет МИСИС
Email: alexandre.karpov@yahoo.com
Лаборатория сверхпроводниковых квантовых технологий
Russian Federation, 119049, Москва, Ленинский просп., 4, с. 1Л. В. Филиппенко
Институт радиотехники и электроники им. В. А. Котельникова Российской академии наук
Email: alexandre.karpov@yahoo.com
Russian Federation, 125009, Москва, ул. Моховая, 11, к. 7
В. П. Кошелец
Институт радиотехники и электроники им. В. А. Котельникова Российской академии наук
Email: alexandre.karpov@yahoo.com
Russian Federation, 125009, Москва, ул. Моховая, 11, к. 7
А. В. Карпов
Национальный исследовательский технологический университет МИСИС
Author for correspondence.
Email: alexandre.karpov@yahoo.com
Лаборатория сверхпроводниковых квантовых технологий
Russian Federation, 119049, Москва, Ленинский просп., 4, с. 1References
- Gambetta J., Blais A., Boissonneault M, Houck A.A., Schuster D.I., Girvin S.M. // Phys. Rev. A. 2008. V. 77. P. 012112. http://doi.org/10.1103/PhysRevA.77.012112
- Roch N., Schwartz M.E., Motzoi F. et al. // Phys. Rev. Lett. 2014. V. 112. P. 170501. http://doi.org/10.1103/PhysRevLett.112.170501
- Weber S.J., Murch K.W., Kimchi-Schwartz M.E., Roch N., Siddiqi I. // Compt. Rend. Phys. 2016. V. 17. P. 766. http://doi.org/10.1016/j.crhy.2016.07.007
- Reed M.D., Dicarlo L., Nigg S.E. Sun L, Frunzio L., Girvin S.M., Schoelkopf R.J. // Nature. 2012. V. 482. P. 382. http://doi.org/10.1038/nature10786
- Eichler C, Bozyigit D, Lang C, Baur M, Steffen L, Fink J.M., Filipp S., Wallraff A. // Phys. Rev. Lett. 2011. V. 107. P. 113601. http://doi.org/10.1103/PhysRevLett.107.113601
- Clerk A.A., Devoret M.H., Girvin S.M., Marquardt F., Schoelkopf R.J. // Rev. Mod. Phys. 2010. V. 82. P. 1155. http://doi.org/10.1103/RevModPhys.82.1155
- Eichler C., Wallraff A. // EPJ Quantum Technol. 2014. V. 1. № 2. http://doi.org/10.1140/epjqt2
- Eichler C., Salathe Y., Mlynek J., Schmidt S., Wallraff A. // Phys. Rev. Lett. 2014. V. 113. P. 110502. http://doi.org/10.1103/PhysRevLett.113.110502
- Roy A., Devoret M. // Compt. Rend. Phys. 2016. V. 17(7). P. 740. http://doi.org/10.1016/j.crhy.2016.07.012
- Devoret M., Roy A. // Compt. Rend. Phys. 2016. V. 17. №. 7. P. 740. http://doi.org/10.1016/j.crhy.2016.07.012
- Mutus J.Y., White T.C., Barends R. et al. // Appl. Phys. Lett. 2014. V. 104. P. 263513. http://doi.org/10.1063/1.4886408
- Roy T., Kundu S., Chand M. et al. // Appl. Phys. Lett. 2015. V. 107. P. 262601. http://doi.org/10.1063/1.4939148
- Dmitiriev P.N., Ermakov A.B., Kovalenko A.G. et al. // IEEE Trans. Appl. Supercond. 1999. V. 9. P. 3970. http://doi.org/10.1109/77.783897
- Filippenko L.V., Shitov S.V., Dmitriev P.N. et al. // IEEE Trans. Appl. Supercond. 2001. V. 11. P. 816. http://doi.org/10.1109/77.919469
- Averkin A.S., Karpov A., Shulga K., Glushkov E., Abramov N., Huebner U., Il'ichev E., Ustinov A.V. // Rev. Sci. Instrum. 2014. V. 85. P. 104702. https://doi.org/10.1063/1.4896830
- Kerr A.R., Feldman Pan M.J. S.-K. NRAO electronics division internal report № 304 (also distributed as MMA Memo № 161), 1996. https://www.gb.nrao.edu/electronics/edir/edir304.pdf
Supplementary files











