Ограничитель тока высоковольтного пробоя
- Authors: Гонтарев С.В.1
-
Affiliations:
- Институт океанологии им. П.П. Ширшова Российской академии наук
- Issue: No 4 (2024)
- Pages: 215-216
- Section: ПРИБОРЫ, ИЗГОТОВЛЕННЫЕ В ЛАБОРАТОРИЯХ
- URL: https://journals.rcsi.science/0032-8162/article/view/280175
- DOI: https://doi.org/10.31857/S0032816224040265
- EDN: https://elibrary.ru/NXEXDP
- ID: 280175
Cite item
Full Text
Full Text
Ограничитель тока высоковольтного пробоя разработан для проведения исследований поляризации и устойчивости к воздействию высокого напряжения диэлектрических пленок для датчиков вибраций. В процессе исследований высокая напряженность поля может приводить к деградации пленок различного состава с разной скоростью и, соответственно, вызвать электрический пробой пленки через неопределенное время в ходе эксперимента. Ограничение тока и времени воздействия разряда позволяет свести к минимуму тепловое разрушение пленки и тем самым сохранить возможность дальнейшего исследования пленки.
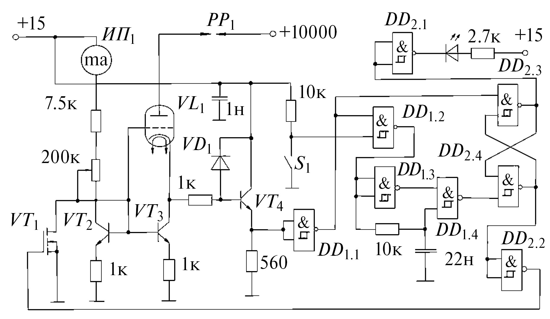
Электрическая схема приведена на рис. 1. Ограничение тока разряда выполняется лампой VL1. В качестве регулирующего элемента VL1 используется высоковольтный триод ГП-5 [1]. Высокое быстродействие ограничения тока разряда достигается включением VL1 и зеркала тока на транзисторах VT2, VT3 по схеме компаратора токов. Величина тока ограничения задается резисторами сопротивлением 7.5 кОм и 200 кОм. Резистор сопротивлением 7.5 кОм ограничивает максимальную величину тока защиты.
Рис. 1. Электрическая схема ограничителя тока высоковольтного пробоя: триод VL1 – ГП-5, транзистор VT1 – 12N10, транзисторы VT2, VT3 – кт940, транзистор VT4 – кт3102Д, диод VD1 – кд522, микросхемы DD1, DD2 – К1561ТЛ1.
Схема отключения тока выполнена на микросхемах DD1, DD2. В приборе использованы микросхемы К1561ТЛ1. Напряжение с катода VL1 через эмиттерный повторитель VT4 подается на компаратор DD1.1. Амплитуда импульса ограничивается быстродействующим диодом VD1. DD1.1 переключает триггер защиты на элементах DD2.3, DD2.4 и ключ на транзисторе VT1. VT1 уменьшает управляющий ток токового зеркала до нуля, что приводит к запиранию лампы VL1. Сброс защиты выполняется формирователем импульса DD1.3, DD1.4. Элемент DD1.2 запрещает сброс защиты при превышении заданной величины тока разряда. Индикация срабатывания защиты осуществляется светодиодом HL1.
При проведении исследований пленка устанавливается между электродами РР1. Настройка величины тока ограничения проводится по показаниям прибора ИП1. В процессе измерений возможно возникновение разрядов различной природы с различной амплитудой токов. Регулируемый порог ограничения дает возможность не отключать высокое напряжение для разрядов, не разрушающих пленку. При увеличении тока пленки над заданным порогом устройство переходит в режим отключения тока. Для проведения нового цикла измерений необходимо понизить испытательное напряжение до нуля и на короткое время замкнуть переключатель S1.
Ограничение тока высоковольтного пробоя позволяет проводить длительные исследования поляризации и устойчивости пленок к воздействию высокого напряжения без постоянного контроля со стороны экспериментатора. Отсутствие теплового повреждения при пробое делает возможным дальнейшее исследование пленок. Преимуществом устройства является отсутствие зависимости тока стабилизации и порога отключения от испытательного напряжения. Ограничение тока допускает использование в эксперименте высоковольтных источников питания, не имеющих защиты от многократного короткого замыкания разрядом.
Прибор имеет следующие характеристики: максимальная величина испытательного напряжения короткого замыкания разрядом составляет 10 кВ, а максимальный ограничиваемый ток – 2 мА.
About the authors
С. В. Гонтарев
Институт океанологии им. П.П. Ширшова Российской академии наук
Author for correspondence.
Email: svg@ocean.ru
Russian Federation, Москва
References
Supplementary files



