Блок электроники для научной аппаратуры “Солнце–Терагерц”
- Authors: Филиппов М.В.1, Махмутов В.С.1,2, Максумов О.С.1, Квашнин А.А.1, Квашнин А.Н.1, Разумейко М.В.1, Логачев В.И.1, Мизин С.В.1, Соков С.В.1
-
Affiliations:
- Физический институт им. П.Н. Лебедева Российской академии наук
- Московский физико-технический институт
- Issue: No 3 (2024)
- Pages: 108-117
- Section: ФИЗИЧЕСКИЕ ПРИБОРЫ ДЛЯ ЭКОЛОГИИ, МЕДИЦИНЫ, БИОЛОГИИ
- URL: https://journals.rcsi.science/0032-8162/article/view/277678
- DOI: https://doi.org/10.31857/S0032816224030147
- EDN: https://elibrary.ru/OUSXKN
- ID: 277678
Cite item
Full Text
Abstract
Описаны цели и задачи планируемого космического эксперимента “Солнце–Терагерц” на борту Российского сегмента МКС. Эксперимент направлен на изучение излучения Солнца в неисследованном терагерцевом диапазоне на частотах 1012–1013 Гц, а также получение новых данных о терагерцевом излучении Солнца, солнечных активных областях и солнечных вспышках. Разрабатываемая научная аппаратура представляет собой совокупность восьми детекторов, чувствительных к излучению различной частоты: 0.4, 0.7, 1.0, 3.0, 5.0, 7.0, 10.0 и 12.0 ТГц. Рассмотрены основные компоненты блока электроники научной аппаратуры: усилители, драйверы оптических прерывателей, плата питания, плата электроники. Проведены расчет точности измерений сигналов с помощью аналого-цифрового преобразователя на плате электроники и оценка чувствительности научной аппаратуры.
Full Text
1. ВВЕДЕНИЕ
Солнце является источником электромагнитного излучения в широком диапазоне частот и энергий. В настоящее время проводятся наземные и внеатмосферные наблюдения излучения практически по всему солнечному спектру [1–4] за исключением излучения терагерцевого диапазона, которое почти полностью поглощается земной атмосферой. Космический эксперимент “Солнце–Терагерц” на борту Российского сегмента МКС направлен на изучение излучения Солнца в терагерцевом диапазоне на частотах 1012–1013 Гц [5]. Главная цель эксперимента — получение новых данных о терагерцевом излучении Солнца, солнечных активных областях и солнечных вспышках [6–14] одновременно на 8 частотах в диапазоне 0.4–12.0 ТГц. Эти данные необходимы для выяснения природы солнечной активности, определения физического механизма ускорения заряженных частиц на Солнце и других астрофизических объектах.
Разрабатываемая аппаратура представляет собой совокупность восьми детекторов, чувствительных к излучению различной частоты: 0.4, 0.7, 1.0, 3.0, 5.0, 7.0, 10.0 и 12.0 ТГц.
В состав каждого детектора входят
- оптический телескоп [15], концентрирующий излучение на оптоакустическом преобразователе (ОАП);
- система последовательных фильтров, пропускающая излучение в заданном частотном диапазоне для каждого детектирующего модуля, обеспечивающая таким образом селективность;
- оптический прерыватель, модулирующий излучение на входном окне приемника с частотой 10 или 20 Гц [16];
- ОАП, входящий в состав приемника излучения.
Блок электроники для научной аппаратуры (НА) “Солнце—Терагерц” представляет собой совокупность следующих электронных плат: платы усилителей, драйверы оптических прерывателей, плата электроники, плата питания, автоматическая система обеспечения теплового режима (АСОТР).
Плата питания вырабатывает вторичные напряжения для питания электронных схем НА.
Платы усилителей (по одной на каждый приемник) устанавливаются в приемники и предназначаются для усиления и фильтрации сигналов ОАП.
Драйверы оптических прерывателей предназначены для возбуждения и поддержания колебательного процесса в оптических прерывателях.
Плата электроники предназначена для измерения (преобразование сигналов приемников в цифровой вид), их предварительной обработки, хранения и передачи на борт МКС.
В данной работе приведены основные компоненты блока электроники НА. Приведены расчеты точностных характеристик измерительных каналов на плате электроники и дана предварительная оценка чувствительности НА.
Старт космического эксперимента “Солнце–Терагерц” запланирован на 2024–2025 гг.
2. ПЛАТА УСИЛИТЕЛЯ
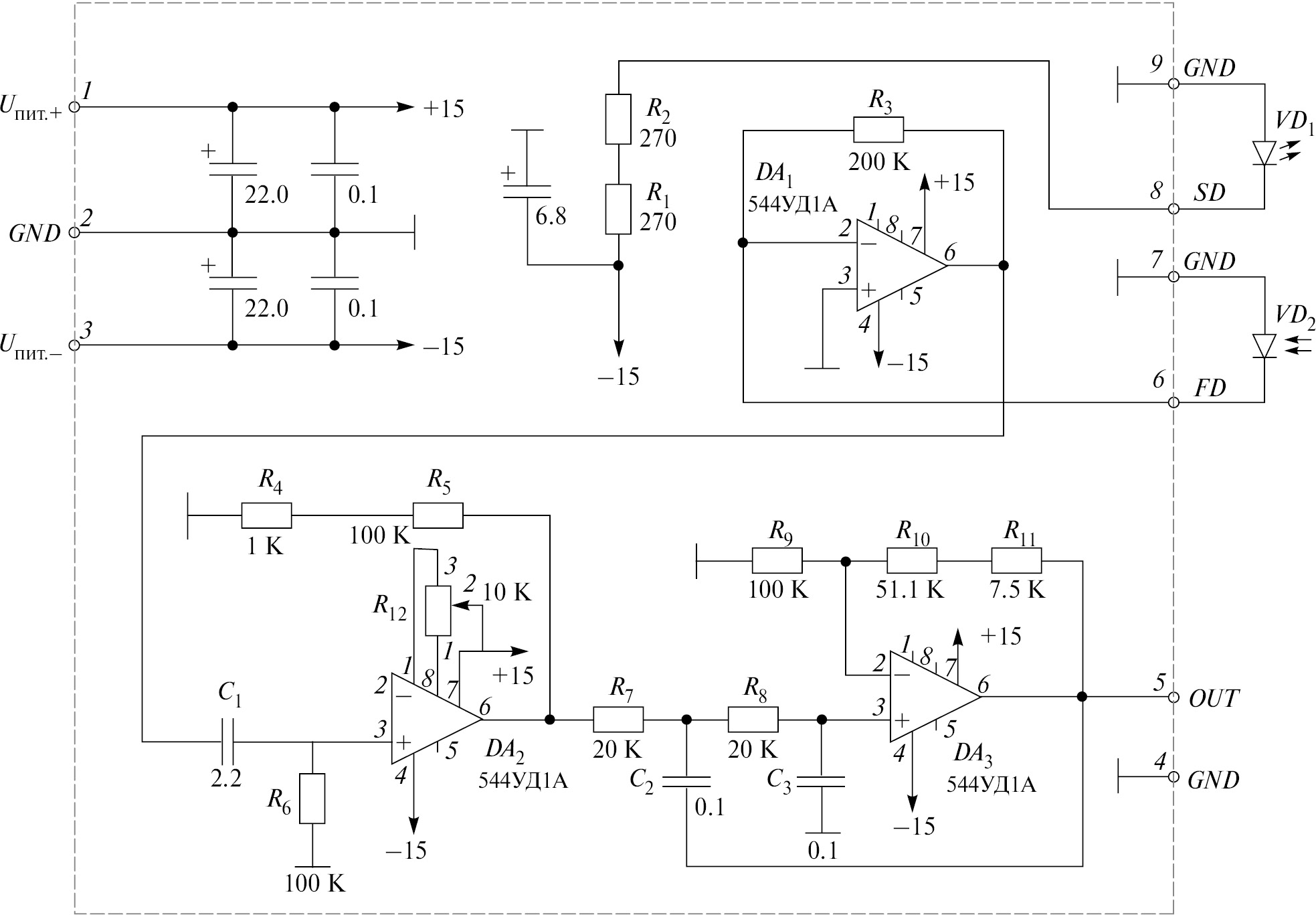
Плата усилителя служит для усиления сигналов ОАП и входит в состав приемников. На рис. 1 приведена принципиальная схемы платы усилителя. Серой штриховой линией обозначены элементы, входящие непосредственно в состав платы, остальное — подключаемые к ней устройства. В частности, VD1 и VD2 являются парой светодиод–фотодиод, входящей в состав ОАП.
Рис. 1. Принципиальная схема платы усилителя.
В первом каскаде (DA1) операционного усилителя (ОУ) происходит преобразование обратного тока фотодиода в напряжение, далее это напряжение через разделительную RC-цепь (R6C1) поступает на второй каскад (DA2), в котором предусмотрена балансировка смещения на выходе. И, наконец, усиленное напряжение поступает на двухполюсный фильтр (фильтр Баттерворта [17]) низкой частоты (DA3), где происходят его фильтрация и дополнительное усиление.
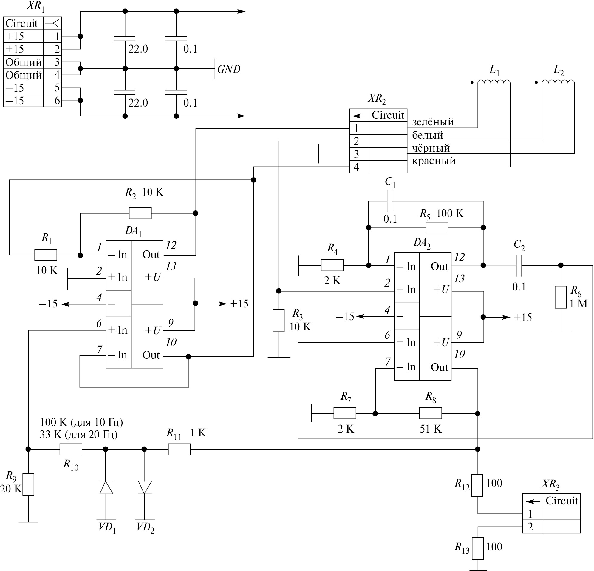
3. ДРАЙВЕРЫ ОПТИЧЕСКИХ ПРЕРЫВАТЕЛЕЙ
Драйверы оптических прерывателей предназначены для возбуждения и поддержания колебательного процесса в оптических прерывателях, они физически разделены на две одинаковые платы по четыре канала. Для каждого канала используются две микросхемы операционных усилителей 140УД20А (DA1 и DA2). На рис. 2 приведена принципиальная схема одного канала.
Рис. 2. Принципиальная схема одного канала платы драйвера оптических прерывателей.
Оптический прерыватель представляет собой механическую колебательную систему с резонансной частотой 10 Гц (или 20 Гц), в состав которой входят две катушки индуктивности L1 и L2 [16]. Будем считать катушку L1 основной, а L2 – катушкой обратной связи. Катушка L1 включена между выходами инвертора (контакты 1, 2 и 12 DA1) и повторителя (контакты 6, 7 и 10 DA1). Выход повторителя (контакт 10) соединен со входом инвертора (контакт 1). Такое включение приводит к тому, что напряжение с выхода DA1 (поданное на один конец L1) инвертируется и подается на другой конец этой же катушки.
Предположим, что на выходе DA1 возникло небольшое положительное смещение, которое будет приложено к одному концу катушки L1. Это смещение сразу инвертируется и подается на другой конец катушки, в результате окажется, что к катушке L1 приложено небольшое напряжение. Возникшее в L1 магнитное поле приведет к движению лопаток этой катушки. Одновременно это поле вызовет ЭДС в катушке обратной связи L2. Возникшее в L2 напряжение усиливается последовательно двумя усилителями на микросхеме DA2. Возникшее напряжение обратной связи поступает обратно на повторитель (контакт 6) DA1. В результате происходит генерация колебаний оптического прерывателя. Диоды VD1 и VD2 (2Д510А) служат для ограничения напряжения обратной связи на уровне ±1.12 В.
Необходимость регулировки амплитуды напряжения обратной связи с помощью делителя R9R10 вызвана тем, что оно различное для оптических прерывателей на частотах 10 и 20 Гц. Напряжение обратной связи для оптических прерывателей с частотой 20 Гц равно примерно ± 300 мВ, для оптических прерывателей с частототой10 Гц равно примерно ± 150 мВ.
4. ПЛАТА ПИТАНИЯ
Плата питания служит для выработки вторичных питающих напряжений для НА: +5 В и +12 В — для питания платы электроники, ± 15 В — для питания драйверов оптических прерывателей и ± 15 В — для питания приемников.
5. ПЛАТА ЭЛЕКТРОНИКИ
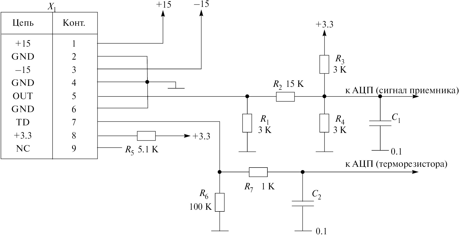
Плата электроники предназначена для измерения (преобразования сигналов приемников в цифровой вид), их предварительной обработки, хранения и передачи на борт МКС. В основе платы лежит 32-разрядный микроконтроллер 1986ВЕ94Т, обладающий 16-канальным 12-разрядным встроенным аналого-цифровым преобразователем (АЦП). Восемь каналов задействованы для измерения сигналов приемников и восемь каналов — для измерений сигналов датчиков температуры (терморезисторов), встроенных в корпуса приемников.
На рис. 3 показаны входные цепи платы электроники для измерения размаха сигналов приемника и датчика температуры, также входящего в его состав. Разъем X1 служит для питания приемников (± 15 В, GND), передачи сигнала приемников (OUT) и датчиков температуры (TD).
Рис. 3. Принципиальная схема входных цепей АЦП платы электроники.
Резисторы R2 и R4 являются делителем напряжения (в 6 раз), они установлены для согласования выходного сигнала приемника с динамическим диапазоном АЦП микроконтроллера. Таким образом, максимальная величина размаха сигнала приемников, измеряемая с помощью АЦП на плате электроники, при величине опорного напряжения = 3300 мВ примерно равна
. (1)
Для преобразования двухполярного сигнала приемника в однополярный установлен делитель напряжения R3R4, напряжение в средней точке которого составляет примерно 1.65 В, т. е. половину опорного напряжения АЦП. Коэффициент передачи фильтра нижних частот, построенного на RС-цепи (R2 и C1), равен 0.99 на частоте оптического прерывателя F = 10 Гц и 0.98 на частоте F = 20 Гц.
Электронная часть ОАП представляет собой пару фотодиод–светодиод (ФД-24К и 3Л107Б соответственно) и терморезистор RT (ТМ-293-06), сопротивление которого при 0°C составляет 500 Ом [18]. Данный терморезистор необходим для контроля температуры ОАП, он установлен непосредственно на его корпус. На терморезистор RT подается напряжение 3.3 В через резистор R5. Таким образом формируется резистивный делитель, средняя точка которого является выходом датчика температуры.
6. ПОГРЕШНОСТЬ ИЗМЕРЕНИЙ С ПОМОЩЬЮ АЦП
Для оценки погрешности АЦП, встроенного в микроконтроллер, воспользуемся данными из спецификации [19] (ниже МЗР обозначает младший значимый разряд):
- дифференциальная нелинейность АЦП (не более), МЗР 2,
- интегральная нелинейность АЦП (не более), МЗР 3,
- ошибка смещения АЦП (не более), МЗР 6,
- ошибка усиления АЦП (не более), % 1.
МЗР — наименьшее значение, которое теоретически может быть измерено с помощью данного АЦП:
(2)
где – разрядность АЦП. При = 3300 мВ и = 12 имеем МЗР = 0.81 мВ на входе АЦП, что соответствует размаху сигнала приемника 4.83 мВ.
Ошибки смещения и усиления являются систематическими ошибками, они компенсируются с помощью калибровки приемников. Аналогично компенсируются отклонения фактических значений номиналов элементов входных цепей и источника опорного напряжения платы электроники от заявленных. Таким образом, случайная ошибка измерения АЦП включает в себя интегральную и дифференциальную нелинейности и ошибку квантования:
, (3)
где – абсолютная случайная погрешность измерения АЦП, = 2 · МЗР = 1.62 мВ, = 3 · МЗР = 2.42 мВ. Следовательно, получаем = 2.94 мВ.
7. ПОГРЕШНОСТЬ ОПРЕДЕЛЕНИЯ РАЗМАХА СИГНАЛА ПРИЕМНИКОВ
Сигналы приемников представляют собой квазисинусоиду. Нагляднее убедиться в том, что исходный сигнал подобен функции синуса, можно, построив спектр сигнала (рис. 4). На данном рисунке приведен спектр сигнала приемника, полученный с помощью одноканального макета [20], в котором также установлены оптический прерыватель на 20 Гц, система фильтров и телескоп с шероховатыми зеркалами. В качестве источника излучения использован имитатор черного тела [20] при температуре 773 K. Спектр получен с помощью USB-осциллографа АКИП-72204А, запущенного в режиме измерения спектра.
Рис. 4. Спектр сигнала приемника при частоте оптического прерывателя 20 Гц.
Видно, что основная гармоника соответствует частоте оптического прерывателя (20 Гц) и имеет амплитуду около 6 дБВ. Кратная ее гармоника на частоте 40 Гц обладает амплитудой, примерно равной –27 дБВ. Гармоника с частотой 50 Гц и амплитудой около –35 дБВ является шумом по цепи первичного питания. Таким образом, амплитуда основной гармоники более чем в 40 раз превышает амплитуду кратной гармоники и шумов. Таким образом, сигнал приемника можно считать синусоидальным.
Аналого-цифровой преобразователь платы электроники оцифровывает исходные сигналы с частотой дискретизации Fд = 1кГц. Целью измерений является определение точек локального экстремума [20]. В ОЗУ при этом сохраняется разность соседних экстремумов. Чтобы оценить точность определения экстремумов при заданной частоте дискретизации Fд, рассмотрим сигнал приемников как синусоидальный с постоянной амплитудой (при постоянном потоке Фд поступающего на детекторы излучения), тогда
V(t) = A sin(wt), (4)
где t [с] – время, V(t)[мВ] – текущее значение сигнала, A[мВ] – амплитуда сигнала, w [рад/c] = 2πF – угловая частота, F [Гц] – резонансная частота оптического прерывателя.
Пусть tэ – момент времени, в который сигнал на выходе приемника V(tэ) достигает точки экстремума, tи – момент времени, соответствующий близлежащему измерению АЦП. Ошибка будет максимальна при условии, если Δt = (tи – tэ) = ±1/Fд, где wtэ = π/2+πk, k ∈ Z, V(tэ) = ±A, Δt – временной сдвиг между экстремумом и близлежащим к нему измеренным значением сигнала, Δt = ±1 мс. Воспользовавшись формулой Тейлора [21], можно записать
V(tи) = V(tэ) + Aw cos(wtэ) · (Δt) – Aw2sin(wtэ) × (Δt)2/2 + o((Δt)3). (5)
Следовательно, ΔV ≈ ± Aw2(Δt)2/2, где ΔV[мВ] – разность измеренного сигнала и сигнала в точке экстремума (абсолютная погрешность измерения). Тогда относительная погрешность измерения значения в точке экстремума
δV = |ΔV/V(tэ)| = w2(Δt)2/2, (6)
δV (10 Гц) = 0.002, δV (20 Гц) = 0.008. Поскольку выходными данными приемников является размах сигнала (разность измеренных значений сигналов близлежащих локальных экстремумов, ),
, (7)
где – абсолютная погрешность размаха сигнала, обусловленная временной дискретизацией АЦП на плате электроники, – абсолютная погрешность измеренной величины сигнала в точке локального экстремума 2i-1, обусловленная временной дискретизацией АЦП на плате электроники, – абсолютная погрешность измеренной величины сигнала в точке локального экстремума 2i, обусловленная временной дискретизацией АЦП на плате электроники, – номер измерения. Поскольку исходный сигнал был принят как синусоида с амплитудой A, , , следовательно, , где .
Погрешность измерения размаха сигнала на плате электроники () включает в себя случайную ошибку измерений АЦП (3) и ошибку вследствие дискретизации сигнала по времени:
. (8)
Исходная случайная ошибка измерения сигнала АЦП () для данного соотношении взята с коэффициентом 2, так как размах сигнала является разностью двух измерений [20]. Коэффициент 1 + R2 / R4 = 6 приводит измеренное значение АЦП к исходной величине сигнала со входа делителя напряжения R2R4. Основной вклад в величину погрешности измерения размаха сигнала вносит . Например, при максимальном размахе сигнала, допустимом платой усилителя, = 19.8 В, величина 0.16 В, что составляет около 1%. Погрешность можно снизить, увеличив частоту дискретизации АЦП.
8. СТРУКТУРА СОХРАНЯЕМЫХ И ПЕРЕДАВАЕМЫХ НА БОРТ ДАННЫХ
Для промежуточного хранения данных на плате электроники установлены две (основная и резервная) микросхемы статической ОЗУ 1645РУ1А емкостью 1 Мбит. Данные за период 1 с формируются в кадры. Содержимое одного кадра данных приведено в табл. 1. Общий объем полезной информации на один кадр составляет 214 байт, т. е. 18.48 Мбайт за сутки.
Таблица 1. Содержимое одного кадра данных
Название | Назначение | Единица измерения | Размер, байт |
Номер кадра | ед. | 4 | |
Время, прошедшее с 00:00:00 6 января 1980 года | с | 4 | |
Дробная часть времени | нс | 4 | |
Температура приемника | дискретный код АЦП | 2×8 | |
Размах сигнала приемника | дискретный код АЦП | 2×8×10 | |
Сигнал приемника (среднее за кадр) | дискретный код АЦП | 2×8 | |
Состояние системы АСОТР | ед. | 1×10 |
Поля (относительное время в секундах) и (дробная часть в наносекундах) несут информацию о временной принадлежности текущего кадра. Полное относительное время с точностью до наносекунд можно вычислить по формуле
. (9)
В поле (дискретный код АЦП) содержится информация об измерениях температуры приемников (8 каналов). В памяти хранятся средние значения за прошедшую секунду (усреднение по 1000 измерений для каждого канала). Поскольку значение поля получено путем усреднения по 1000 значениям АЦП, случайная ошибка при измерении температуры ( [мВ]) равна
, (10)
= 0.09 мВ. Таким образом, случайной ошибкой АЦП при измерении температуры можно пренебречь ввиду ее малости относительно измеряемых величин.
С одной стороны, измеренная величина напряжения на терморезисторе ( [мВ]) выражается через значение в поле следующим соотношением:
. (11)
С другой стороны, величина напряжения на терморезисторе определяется делителем напряжения следующим выражением:
. (12)
Из соотношений (11) и (12) следует, что
, (13)
где – сопротивление терморезистора по данным измерений АЦП-платы электроники.
Температурная зависимость терморезистора ТМ-293-06 подчиняется следующему закону:
, (14)
где 500 Ом, a – температурный коэффициент электрического сопротивления.
Индивидуальные градуировочные характеристики для терморезисторов ТМ-293-06 приводятся в паспорте на каждое изделие.
Из соотношений (13) и (14) получим следующую формулу для вычисления температуры ( [°C] ) на корпусе ОАП внутри приемника:
. (15)
Систематические погрешности при вычислении температуры можно не учитывать, так как они компенсируются в процессе калибровки чувствительности приемников от показаний терморезисторов на корпусах ОАП. В свою очередь, для функционирования системы АСОТР не требуется высокой абсолютной точности измеренных значений температуры.
Поле (дискретный код АЦП) содержит данные о размахе сигнала за текущий кадр (10 последовательно измеренных значений).
Измеренная с помощью АЦП на плате электроники величина размаха сигнала (U[мВ]) выражается через поле следующим соотношением для каждого из восьми приемников:
. (16)
Поле содержит информацию о среднем значении сигналов для каждого приемника за текущий кадр (среднее арифметическое по 10000 измерениям АЦП за период 1 с). Данные о среднем значении сигналов используются для проверки исправности АЦП, так как в отсутствие приемника (или при низком уровне сигнала приемника) АЦП измеряет постоянное значение напряжения на делителе , которое равно приблизительно половине опорного напряжения (), т. е. примерно 2048 единиц АЦП.
Величина среднего сигнала [мВ] выражается через поле следующим соотношением для каждого из восьми приемников:
. (17)
Случайная погрешность измерения среднего значения сигнала на плате электроники ( [мВ]) определяется формулой
. (18)
Поле содержит информацию (флаг статуса) состояния системы АСОТР: –1, если АСОТР был выключен в течение прошедших 100 мс, и 1, если АСОТР был включен. Каждый кадр содержит данные о 10 последовательных состояниях системы. Данные передаются на борт МКС по интерфейсу RS-422 через микросхемы-приемопередатчики (основной и резервный каналы) 2011ВВ024.
9. ОЦЕНКА ЧУВСТВИТЕЛЬНОСТИ АЦП-ПЛАТЫ ЭЛЕКТРОНИКИ
Мерой измерения потоков солнечного излучения является стандартная единица спектральной плотности потока солнечного электромагнитного излучения SFU (solar flux unit), равная 10–22 · Вт · м–2 · Гц–1 [11].
В табл. 2 приведены результаты расчета потоков солнечного электромагнитного излучения для каждого детектора. В первом столбце указаны номера каналов, во втором столбце — центральная частота пропускания системы фильтров в данном канале. В третьем столбце приведены спектральные плотности потоков солнечного электромагнитного излучения в полосе пропускания систем фильтров для каждого канала [20], что является расчетным значением фонового излучения спокойного Солнца. В четвертом и пятом столбцах приведены расчетные значения максимальных (при размахе сигналов приемника, примерно равных 19.8 В, что соответствует уровню насыщения АЦП на плате электроники) спектральных плотностей потоков солнечного электромагнитного излучения в полосе пропускания систем фильтров для каждого канала. Данные приведены для случаев использования оптических прерывателей на частотах 10 и 20 Гц соответственно. В шестом и седьмом столбцах приведены отношения расчетных значений максимальных спектральных плотностей потоков солнечного электромагнитного излучения в полосе пропускания систем фильтров для каждого канала к числу уровней квантования АЦП, т. е. МЗР в единицах SFU. Как видно, величина МЗР примерно соответствует величине SFU от спокойного Солнца (фон).
Таблица 2. Результаты расчета потоков солнечного электромагнитного излучения для каждого детектора
Канал | , ТГц | SFU | SFUmax (10 Гц) | SFUmax (20 Гц) | SFUmax (10 Гц) /212 | SFUmax (20 Гц) /212 |
1 | 0.37 | 4.92·105 | 3.00·109 | 5.34·109 | 7.31·105 | 1.30·106 |
2 | 0.79 | 5.22·106 | 3.26·1010 | 6.06·1010 | 7.97·106 | 1.48·107 |
3 | 1.00 | 1.18·107 | 6.95·1010 | 1.27·1011 | 1.70·107 | 3.10·107 |
4 | 2.97 | 4.20·108 | 1.96·1012 | 3.31·1012 | 4.78·108 | 8.08·108 |
5 | 4.82 | 1.70·109 | 6.18·1012 | 8.87·1012 | 1.51·109 | 2.17·109 |
6 | 6.78 | 6.78·109 | 2.10·1013 | 3.12·1013 | 5.12·109 | 7.62·109 |
7 | 9.93 | 9.19·109 | 3.14·1013 | 4.87·1013 | 7.67·109 | 1.19·1010 |
8 | 11.17 | 7.43·109 | 2.22·1013 | 3.02·1013 | 5.43·109 | 7.37·109 |
10. ЗАКЛЮЧЕНИЕ
В работе представлены описание и схемотехническая реализация блока электроники опытного образца научной аппаратуры “Солнце–Терагерц”. Проведен расчет точности измерения сигналов детекторов АЦП блока электроники, а также чувствительности аппаратуры к электромагнитному излучению Солнца. Можно сделать вывод, что НА “Солнце–Терагерц” будет чувствительна к возрастанию потоков солнечного электромагнитного излучения во время вспышечной активности в диапазоне от нескольких раз до 3–4 порядков относительно фонового уровня электромагнитного излучения (спокойного Солнца).
About the authors
М. В. Филиппов
Физический институт им. П.Н. Лебедева Российской академии наук
Author for correspondence.
Email: mfilippov@frtk.ru
Russian Federation, 119991, Москва, Ленинский просп., 53
В. С. Махмутов
Физический институт им. П.Н. Лебедева Российской академии наук; Московский физико-технический институт
Email: mfilippov@frtk.ru
Russian Federation, 119991, Москва, Ленинский просп., 53; 141701, Долгопрудный, Московская обл., Институтский пер., 9
О. С. Максумов
Физический институт им. П.Н. Лебедева Российской академии наук
Email: mfilippov@frtk.ru
Russian Federation, 119991, Москва, Ленинский просп., 53
А. А. Квашнин
Физический институт им. П.Н. Лебедева Российской академии наук
Email: mfilippov@frtk.ru
Russian Federation, 119991, Москва, Ленинский просп., 53
А. Н. Квашнин
Физический институт им. П.Н. Лебедева Российской академии наук
Email: mfilippov@frtk.ru
Russian Federation, 119991, Москва, Ленинский просп., 53
М. В. Разумейко
Физический институт им. П.Н. Лебедева Российской академии наук
Email: mfilippov@frtk.ru
Russian Federation, 119991, Москва, Ленинский просп., 53
В. И. Логачев
Физический институт им. П.Н. Лебедева Российской академии наук
Email: mfilippov@frtk.ru
Russian Federation, 119991, Москва, Ленинский просп., 53
С. В. Мизин
Физический институт им. П.Н. Лебедева Российской академии наук
Email: mfilippov@frtk.ru
Russian Federation, 119991, Москва, Ленинский просп., 53
С. В. Соков
Физический институт им. П.Н. Лебедева Российской академии наук
Email: mfilippov@frtk.ru
Russian Federation, 119991, Москва, Ленинский просп., 53
References
- Kinnison J., Vaughan R., Hill P., Raouafi N., Guo Y. and Pinkine N. // IEEE Aerospace Conference. 2020. P. 1. https://doi.org/10.1109/AERO47225.2020.9172703
- Howard R.A., Vourlidas A., Korendyke C.M., Plunkett S.P., Carter M.T., Wang D., Rich N., McMullin D.R., Lynch S., Thurn A., Clifford G., Socker D.G., Thernisien A.F., Chua D., Linton M.G. et al. // Solar Physics and Space Weather Instrumentation V. 2013. V. 8862. https://doi.org/10.1117/12.2027657.
- Domingo V., Fleck B., Poland A.I. // Space Science Reviews. 1995. V. 72. P. 81. https://doi.org/10.1007/BF00768758
- Davila J.M, Rust D.M, Pizzo V.J., Liewer P.C. // Proc. SPIE. 1996. V. 2804. https://doi.org/10.1117/12.259724
- Калинин Е.В., Филиппов М.В., Махмутов В.С., Максумов О.С., Стожков Ю.И., Квашнин А.А., Измайлов Г.Н., Озолин В.В. // Космические исследования. 2021. № 1. C. 3. https://doi.org/10.1134/S0010952521010032
- Kaufmann P., Raullin J.-P., de Castro C.G.G., Levato H., Gary D.E., Costa J.E.R., Marun A., Pereyra P., Silva A.V.R., Correia E. // Astrophysical Journal. 2004. V. 603. P. L121. https://doi.org/10.1086/383186
- Kaufmann P., Correia E., Costa J.E.R., Zodi Vaz A.M., Dennis B.R. // Nature. 1985. V. 313. P. 380. https://doi.org/10.1038/313380a0
- Kaufmann P. // AIP conference Proceed. V. 374. Р. 379. 1996. https://doi.org/10.1063/1.50945
- Kaufmann P., Costa J.E.R., Castro C.G.G., Hadano Y.R., Kingsley J.S., Kingsley R.K., Levato H., Marun A., Raulin J.P., Rovira M., Correia E., Silva A.V.R. // Proceed. of the 2001 SBMO/IEEE MTT-S International Microwave and Optoelectronics Conference. 2001. V. 1. P. 439. https://doi.org/10.1109/SBMOMO.2001.1008800
- Kaufmann P., Castro C.G.G., Makhmutov V.S., Raulin J.P., Schwenn R., Levato H., Rovira M. // J. Geophys. Res. 2003. V. 108. P. 1280. https://doi.org/10.1029/2002JA009729.
- Krucker S., Castro C.G.G., Hudson H.S., Trottet G., Bastian T., Hales A., Sparova J.K., Klein K.-L., Kretzschmar M., Luthi T., Mackinnon A.L. Pohjolainen S., White S.M. // Astron Astrophys Review. 2013. V. 21. P. 58. https://doi.org/10.1007/s00159-013-0058-3
- Luthi T., Magun A., Miller M. // Astronomy and Astrophysics. 2004. V. 415. P. 1123. https://doi.org/10.1051/0004-6361:20034624.
- Makhmutov V.S., Raulin J.P., Castro C.G.G., Kaufmann P., Correia E. // Solar Physics. 2003. V. 218. P. 211. https://doi.org/10.1023/B:SOLA.0000013047.26419.33
- Махмутов В.С., Курт В.Г., Юшков Б.Ю., Гречнев В.В., Кауфманн П., Ролан Ж.П., Базилевская Г.А., Стожков Ю.И. // Изв. РАН. Сер. физическая. 2011. №75(6). С. 796. EDN: NXQNJP.
- Квашнин А.А., Логачев В.И., Филиппов М.В., Махмутов В.С., Максумов О.С., Стожков Ю.И., Калинин Е.В., Орлов А.А., Озолин В.В., Измайлов Г.Н., Гайфутдинова А.Г., Криволапова О.Ю. // Космическая техника и технологии. 2021. № 4(35). C. 22. EDN: HGXXGN.
- Филиппов М.В., Махмутов В.С., Максумов О.С., Квашнин А.А., Калинин Е.В., Логачев В.И., Гайфутдинова А.Г., Криволапова О.Ю. // Космическая техника и технологии. 2023. № 1(40). C. 30. EDN: WZAMJN.
- Хоровиц П., Хилл У. Искусство схемотехники в 2-х томах. Т. 1, Москва: Мир, 1983.
- Характеристики терморезистора ТМ293-06 https://npoit-katalog.ru/magazin/product/datchik-temperatury-tm-293#shop2-tabs-10
- Спецификация микроконтроллеров серии 1986ВЕ9x и К1986ВЕ9x. https://ldm-systems.ru/f/doc/catalog/LDM-BB-K1986BE92QI/Spec_Seriya_1986BE9x.pdf
- Филиппов М. В., Махмутов В. С., Логачев В. И., Разумейко М. В. // Журнал технической физики. 2023. Т. 93. № 9. C. 1377. https://doi.org/10.21883/JTF.2023.09.56226.167-23https.
- Тер-Крикоров А.М., Шабунин М.И. Курс математического анализа: Учеб. Пособие для вузов. Москва: Изд-во МФТИ, 2000.
Supplementary files






