Устройство для исследований спектров излучения люминофоров для лазерных осветительных систем
- Authors: Зуев С.М.1, Варламов Д.О.2
-
Affiliations:
- МИРЭА – Российский технологический университет
- Московский политехнический университет
- Issue: No 2 (2024)
- Pages: 103–109
- Section: ОБЩАЯ ЭКСПЕРИМЕНТАЛЬНАЯ ТЕХНИКА
- URL: https://journals.rcsi.science/0032-8162/article/view/266097
- DOI: https://doi.org/10.31857/S0032816224020148
- EDN: https://elibrary.ru/QSFUYS
- ID: 266097
Cite item
Full Text
Abstract
Представлено устройство для исследования спектров излучения люминофоров для лазерных осветительных систем при влиянии на них лазерного излучения с λ = 405–450 нм с разными значениями мощности и тока. Подробно описана схема драйвера устройства и его компонентной базы. При использовании лазерного устройства были получены значения светового потока в зависимости от различных значений тока и электрической мощности. Использование тепловизора позволяло регистрировать тепловые поля, образующиеся при данного рода воздействии. По результатам работы был сделан вывод о том, что полученная конструкция лазерного устройства с регулируемыми силой тока и электрической мощностью позволяет осуществлять различные прикладные научные исследования, связанные с изучением воздействия лазерного излучения на вещество.
Full Text
1. Введение
В настоящее время широкое распространение в части развития научных исследований в области светотехники получили лазерные осветительные устройства. Действительно, экспериментальные исследования разных научных групп показали, что хорошим вариантом для достижения яркого белого света является замена светоизлучающих диодов (СИД) лазерными диодами (ЛД), причем световой поток у таких лазерных систем выше, чем у светодиодов при высокой плотности тока [1]. В связи с этим системы освещения на основе лазера считаются наиболее перспективным направлением в области развития твердотельного освещения. Рассмотрим их преимущества и недостатки более подробно. К преимуществам относятся высокая яркость, компактность, направленное излучение и очень маленькое время достижения рабочего режима (лазерное излучение легко захватывается и фокусируется) [2].
Однако получение белого света непосредственно от отдельных красных, зеленых и синих лазерных излучателей затруднительно из-за проблемы “зеленого зазора” и дискретной системы обратной связи с несколькими излучателями. К счастью, этот вопрос можно решить с помощью одноцветного излучателя в сочетании с соответствующим люминофором. Люминесцентные преобразователи ближнего УФ- или синего света с длиной волны λ = 380–450 нм были разработаны для генерации белого света с высокой яркостью, характеризуются отсутствием спекл-шума, а также имеют низкую стоимость.
Поскольку плотность мощности у лазерных диодов на несколько порядков выше, чем у светодиодов, люминофоры, используемые в лазерном освещении (далее называемые лазерные люминофоры), возбуждаются гораздо более высокой плотностью фотонов, сопровождаемой большими тепловыми нагрузками [3]. Серьезное насыщение люминесценции часто происходит из-за теплового и/или оптического насыщения, которое становится наиболее важным ограничивающим фактором в части развития технологии лазерного освещения. Кроме того, требуется сильное светорассеяние для повышения эффективности вывода света и его однородности с учетом сфокусированного излучения от лазерного источника. Это не относится к белым светодиодам, так как сильное рассеяние приведет к потерям при выводе света [4]. Следовательно, необходимо тщательно выбирать и перерабатывать термически стойкие и высокоэффективные преобразователи люминофора для новой развивающейся технологии лазерного освещения [5]. В связи с этим разработка устройства, позволяющего анализировать физико-химические параметры лазерных люминофорных систем [6] при влиянии на них лазерного излучения с λ = 405-450 нм с разными значениями мощности и тока, является важной задачей в области современной светотехники.
2. Методы
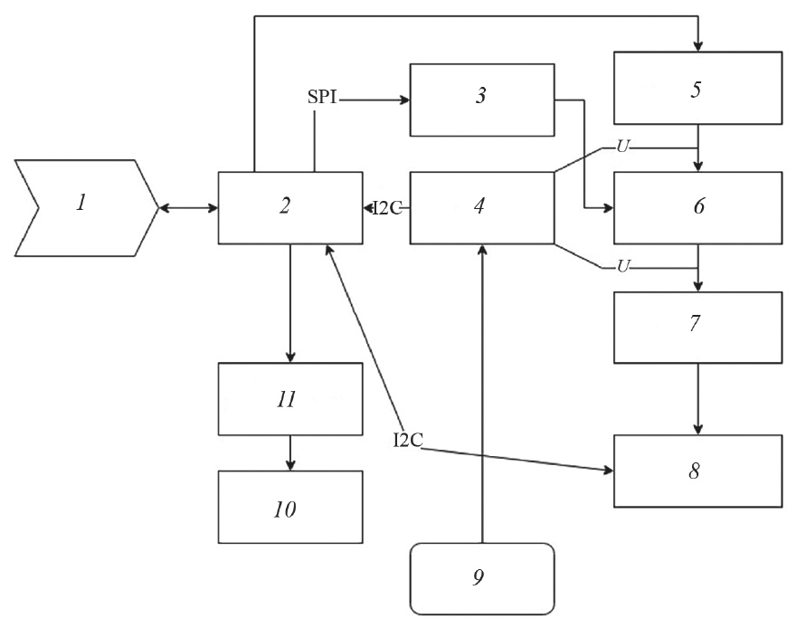
Авторами было разработано устройство, позволяющее анализировать физико-химические параметры лазерных люминофорных систем при влиянии на них лазерного излучения с λ = 405–450 нм и разными значениями мощности и тока. Его блок-схема представлена на рис. 1. Принцип работы установки для управления полупроводниковым лазером описывается блок-схемой, представленной на рис. 2. В устройстве устанавливаются индикаторы для отображения значений тока, напряжения и мощности лазера, также температуры в пятне лазера. Необходимый задаваемый ток через лазер составляет от 10 мА до 1.6 А.
Рис. 1. Блок-схема устройства, позволяющего анализировать физико-химические параметры лазерных люминофорных систем при влиянии на них лазерного излучения с λ = 405–450 нм с разными значениями мощности и тока: 1 – общий вид приложения для управления электрическими параметрами лазерного диода; 2 – драйвер, управляющий характеристиками лазерного диода; 3 – лазерный диод с λ = 405–450 нм; 4 – система люминофор – стеклянная подложка.
Рис. 2. Блок-схема драйвера устройства: 1 – USB – UART, 2 – микроконтроллер, 3 –регулятор тока, 4 – аналого-цифровой преобразователь, 5 – выключатель лазера, 6 – лазер, 7 – термопара DT, 8 – преобразователь термопары, 9 – шунт.
Управляющим микроконтроллером был выбран микроконтроллер Atmega 328P от компании Microchip (рис. 3).
Рис. 3. Управляющий микроконтроллер Atmega328P-PN.
В высокопроизводительном 8-разрядном AVR-RISC-Atmega328P реализована технология управления питанием picoPower. Микроконтроллер имеет 32 кБ flash-памяти с поддержкой чтения во время записи, 1 кБ EEPROM и 2 кБ ОЗУ. Доступны 27 линий ввода/вывода общего назначения, 32 регистра общего назначения, пять таймеров/счетчиков с расширенным функционалом и гибкими настройками, внутренние и внешние прерывания, 8-канальный 10-разрядный АЦП, программируемый сторожевой таймер с отдельным генератором, последовательные интерфейсы USART, TWI и SPI. Микроконтроллер сохраняет полную работоспособность в широком диапазоне напряжений питания (от 1.8 В до 5.5 В). Основные характеристики микроконтроллера представлены в табл. 1 и на блок-схеме.
Таблица 1. Характеристики микроконтроллера Atmega328P
Характеристика | Atmega 328P |
Количество выходов | 28/32 |
Память, байт | 32к |
SRAM, байт | 2к |
EEPROM, байт | 1к |
SPI | 2 |
TWI (I2C) | 1 |
USART | 1 |
ADC | 10-bit 15kSPS |
ADC Channels | 8 |
8-bit Timer/Counters | 2 |
16-bit Timer/Counters | 1 |
Частота, МГц | 20 |
Рабочее напряжение, В | 1.8–5.5 |
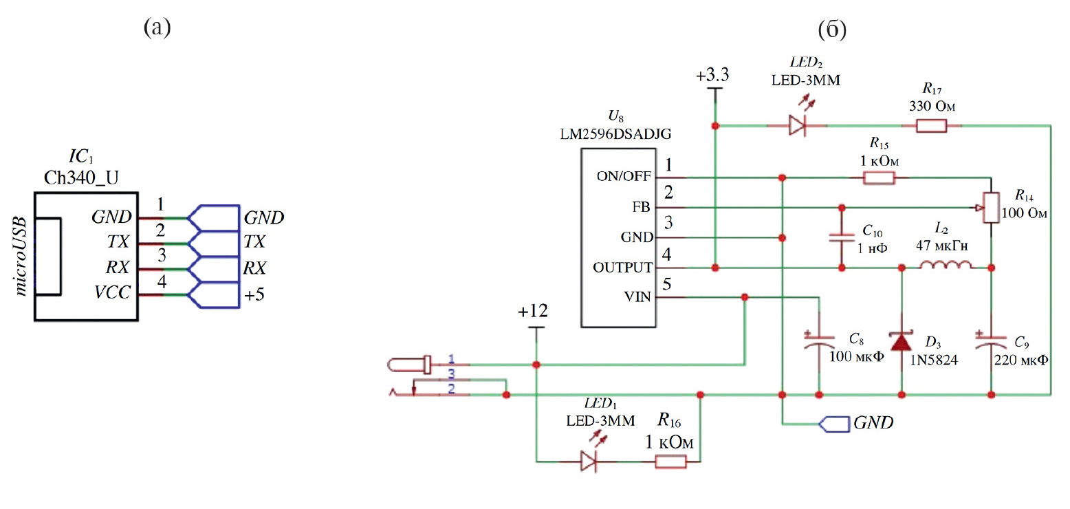
Для фильтрации высокочастотных помех используется керамический конденсатор С11 с емкостью 0.1 пФ. Для обеспечения стабильности работы микроконтроллера используется электролитический конденсатор С5 емкостью 100 мкФ. Для обеспечения работы устройства на частоте 16 МГц используется внешний кварцевый резонатор Х1 со стабилизирующими конденсаторами С1 и С2 емкостью по 33 мкФ каждый. Для связи микроконтроллера с ПК используется USB-конвертер на основе схемы CH340 (описание выводов микросхемы CH340 приведено в табл. 2).
Таблица 2. Описание выводов микросхемы CH340
Название | Тип | Описание |
UD+ | USB-сигнал | Сигнал “DATA+” шины USB |
UD- | USB-сигнал | Сигнал “DATA-” шины USB |
GND | Питание | Общий провод |
RTD# | Выход | Дополнительный сигнал “Request To Send” шины UART |
VCC | Питание | Напряжение питания чипа |
TXD | Выход | Линия передачи данных из CH340N на шину UART |
RXD | Вход | Линия передачи данных на CH340N c шины UART |
V3 | Питание | Выход внутреннего стабилизатора на 3.3 В |
Микросхема CH340 (рис. 4а) представляет собой преобразователь интерфейсов USB–UART [7] с интегрированным тактовым генератором и схемой начального сброса при включении питания (Power-On Reset). Данный чип позволяет легко подключить микроконтроллер к любому современному компьютеру при помощи USB-кабеля. При этом на стороне ПК создается виртуальный COM-порт, работа с которым (с точки зрения пользователя и разработчика ПО) полностью аналогична работе с аппаратным COM-портом, что позволяет использовать существующие приложения для COM-портов без изменений и доработок [8].
Рис. 4. USB-конвертер (а) и стабилизатор напряжения (б).
Для питания микроконтроллера используется импульсный стабилизатор напряжения на основе микросхемы LM 2596 (рис. 4б).
Микросхема обладает следующими характеристиками:
- напряжение входа – от 2.4 до 40 В;
- напряжение выхода – от 1.2 до 37 В, его можно регулировать и фиксировать с помощью потенциометра R14 , установлено значение 3.3 В;
- ток выхода – максимум 3 А;
- преобразовательная частота – 150 кГц;
- КПД – до 95%.
Для регулирования значения тока через лазерный диод применяется транзистор КТ819Г, степень открытия которого контролирует операционный усилитель LM358 (рис. 5а).
Рис. 5. Схема ограничителя тока с цифровым потенциометром (а) и выключатель лазера (б).
Операционный усилитель управляет транзистором так, чтобы на резисторе R13 было такое же напряжение, как и на прямом входе [9]. Напряжение на прямой вход операционного усилителя задает цифровой потенциометр MCP41010, который получает код от микроконтроллера по SPI-интерфейсу.
Сопротивление RAB между выводами PB0 и РА0 микросхемы MCP41010 составляет 10 кОм. Сопротивление R9 между напряжением питания и РА0 составляет 10 кОм.
Сопротивление между PW0 и РВ0 определяется по формуле
, (1)
где n – разрядность, N – код, поступающий от микроконтроллера по SPI-интерфейсу, RW – сопротивление потенциометра при коде “0”, оно находится в пределах 100 Ом.
Для того чтобы полностью исключить протекание тока через лазерный диод при N = 0, в схеме установки используется электромагнитное реле TIANBO TR5V (рис. 5б). Для управления реле используется биполярный транзистор 2N39, а для защиты от ЭДС самоиндукции катушки реле используется диод 1N4934. Ток, идущий по цепи без реле, составляет примерно 10 мА.
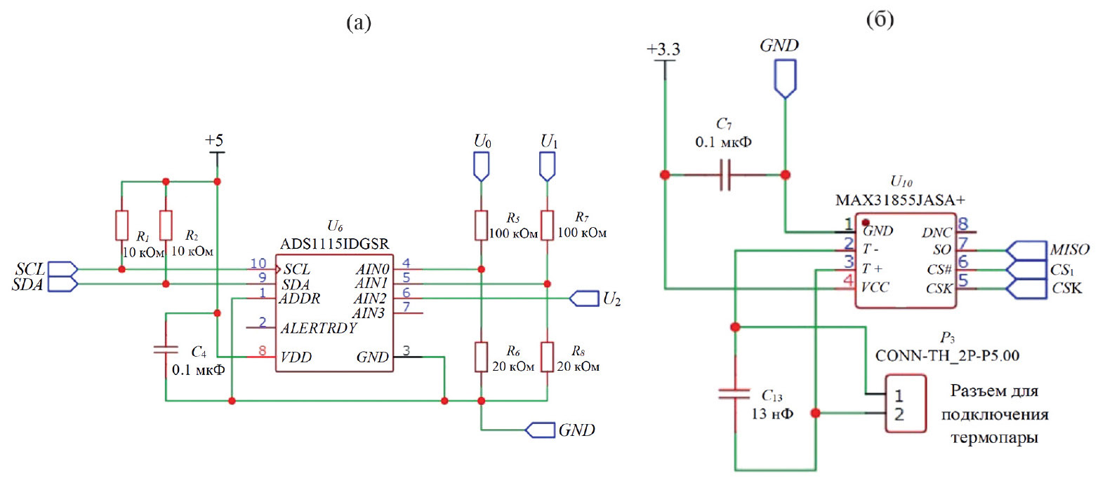
Для измерения напряжения и тока через светодиод используется аналого-цифровой преобразователь (АЦП) ADS1115 [10] (рис. 6а).
Рис. 6. Аналого-цифровой преобразователь (а) и преобразователь сигнала термопары (б).
ADS1115 – это четырехканальный 16-битный АЦП, он обеспечивает точность, энергоэффективность, простоту в реализации электрической схемы устройства, выполняет преобразование с программируемыми скоростями обработки данных до 860 выборок/с. Потребляемый ток питания составляет всего 150 мкА, а рабочее напряжение – до 2 В. Встроенный усилитель с программируемым коэффициентом усиления (PGA) имеет диапазоны входных сигналов от ±256 мВ до ±6.144 В, что позволяет проводить точные измерения больших и малых напряжений.
Для измерения температуры поверхности, на которую воздействует лазер, используется термопара К-типа, подключенная к микросхеме преобразователя сигнала термопары MAX31855.
Высокоточный цифровой преобразователь MAX31855 (рис. 6б) предназначен для преобразования в цифровую форму сигналов с термопар K-типов, он обеспечивает компенсацию их опорных спаев. Преобразователь имеет цифровой SPI-совместимый интерфейс, функционирующий в режиме чтения данных в знаковом четырнадцатиразрядном формате. MAX31855 позволяет проводить измерения как при низких (от -270 °С), так и высоких температурах (до +1800 °С), что обеспечивает точность ±2 °С в температурном диапазоне от -200 °С до +700 °С для термопар К-типа без необходимости проведения дополнительной калибровки.
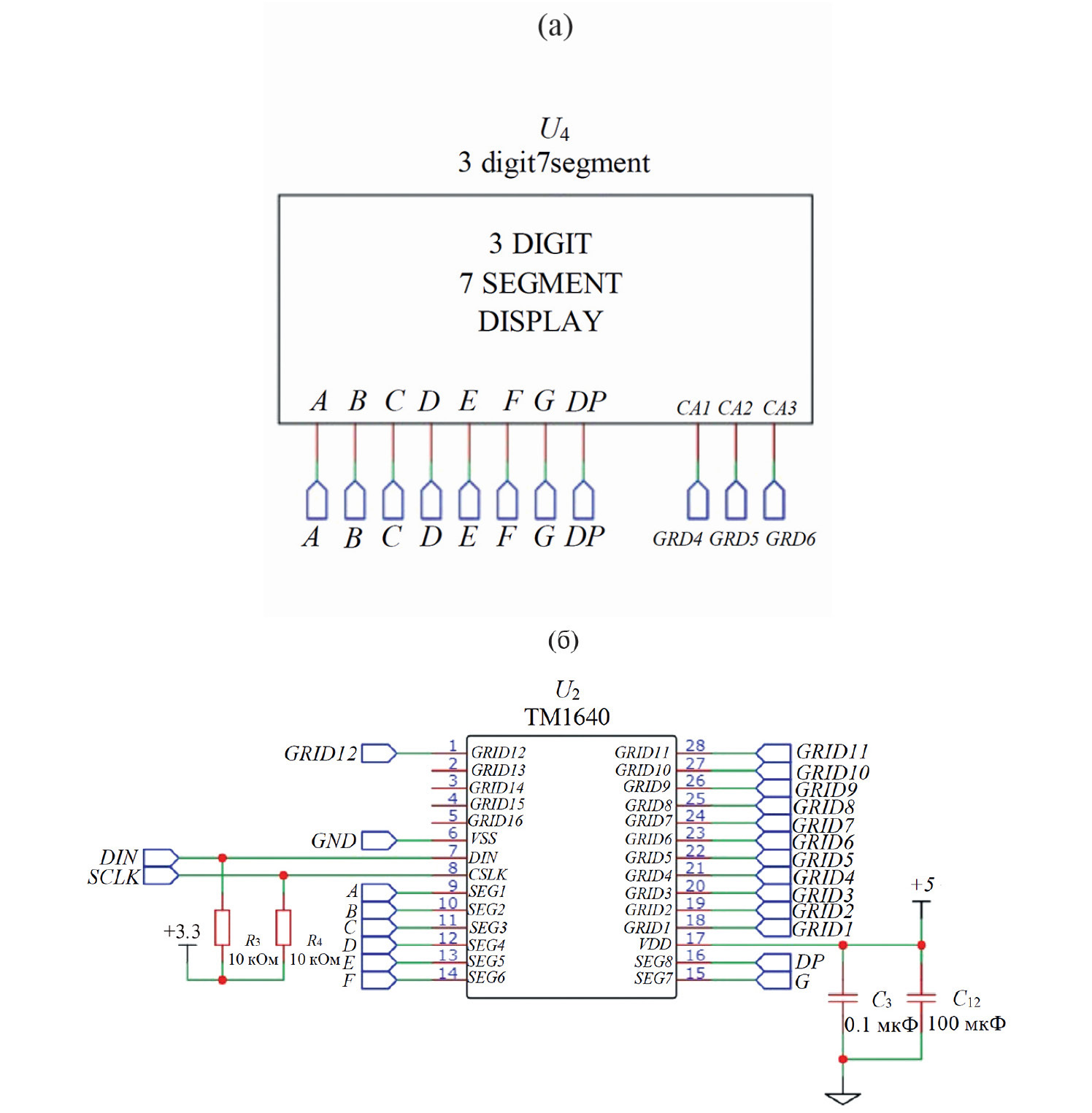
Помимо отправки данных на ПК, управляющий микроконтроллер отображает на сегментарных индикаторах значения напряжения, тока, идущего через лазерный диод, рассеиваемую на светодиоде электрическую мощность и температуру в пятне лазера (рис. 7а).
Рис. 7. Сегментарный индикатор (а) и драйвер сегментных индикаторов (б).
Для управления сегментарными индикаторами используется микросхема ТМ1640 (рис. 7б). Микросхема TM1640 – это управляющий драйвер для светодиодных индикаторов, LED-матриц, семисегментных индикаторов и раздельных светодиодов. Сам драйвер TM1640 управляется микроконтроллером по шине I2C. Напряжение питания составляет 5 ± 10% В. Драйвер поддерживает 8 секций по 16 бит с общим катодом. Входной сигнал передается через двухпроводной последовательный интерфейс CLK, DATA. Также имеется возможность регулировать яркость в пределах 8 рабочих циклов устройства.
3. Исследование
В ходе экспериментов авторы работы использовали лазерное устройство, описанное выше. С помощью него были получены численные значения светового потока в зависимости от разных значений тока и электрической мощности на образце, который представлял собой систему из люминофора и стекловидного лака. Люминофорные системы наносились на подложку из стекла, в роли которой выступала чашка Петри. На рис. 8а представлена зависимость светового потока от тока, подаваемого на лазерный диод (λ = 450 нм), для системы люминофор российского производства ЛСИД-560 – стекловидный лак – стеклянная подложка, полученная с использованием разработанного лазерного устройства (рис. 1). После генерации лазерного излучения на люминофорный образец с помощью спектрометра OHSP350 фиксировались форма спектра излучения и световой поток (рис. 8б). Использование тепловизора позволяло регистрировать тепловые поля, образующиеся при воздействии данного рода (рис. 8в).
Рис. 8. Зависимость светового потока от тока, подаваемого на лазерный диод (λ = 450 нм), для системы люминофор ЛСИД560 – стекловидный лак – стеклянная подложка (а). Спектр излучения системы люминофор ЛСИД560 – стекловидный лак – стеклянная подложка при воздействии на него лазерного излучения с длиной волны λ = 450 нм и с током I = (0.25–1.25) А (б). Тепловой градиент на образце при воздействии на него лазерного излучения от устройства (в).
Результаты работы позволяют определять физико-технические параметры лазерных люминофорных систем, а также безопасные режимы их работы.
4. Выводы
Полученная конструкция лазерного устройства с регулируемой силой тока и электрической мощностью позволяет осуществлять различные прикладные научные исследования, связанные с изучением воздействия лазерного излучения на вещество. Использование результатов данной работы позволит сэкономить время на разработку аналогичных устройств для применения в научных исследованиях по смежным тематикам.
Финансирование работы
Исследование выполнено при поддержке Российского научного фонда (грант № 23-29-00079, https://rscf.ru/project/23-29-00079/).
Конфликт интересов
Авторы заявляют об отсутствии конфликта интересов, требующего раскрытия в данной статье.
About the authors
С. М. Зуев
МИРЭА – Российский технологический университет
Author for correspondence.
Email: sergei_zuev@mail.ru
Russian Federation, 119454, Москва, просп. Вернадского, 78
Д. О. Варламов
Московский политехнический университет
Email: sergei_zuev@mail.ru
Russian Federation, 432700, Москва, ул. Б. Семёновская, 38
References
- Verzellesi G., Saguatti D., Meneghini M., Bertazzi F., Goano M., Meneghesso G., Zanoni E. // J. Appl. Phys. 2013. V. 114. P. 71101. https://doi.org/10.1063/1.4982594
- Зуев С.М., Варламов Д.О., Кукса В.В. // ПТЭ. 2021. № 6. С. 57. https://doi.org/10.31857/S0032816221060148
- Зуев С.М., Кретушев А.В. // Оптика и спектроскопия. 2023. Т. 131. № 3. С. 370. http://dx.doi.org/10.21883/OS.2023.03.55387.4616-22
- Зуев С.М., Варламов Д.О., Лавриков А.А., Малеев Р.А., Шматков Ю.М. Электрооборудование и электроника автомобилей. Краткий толковый русско-английский терминологический словарь-справочник / Под общ. ред. С.М. Зуева. Москва: ИНФРА-М, 2021. https://doi.org/10.12737/1242228
- Chang C.-Y., Majewska N., Chen K.-C., Huang W.-T., Leśniewski T., Leniec G., Kaczmarek S.M., Pang W.K., Peterson V.K., Cherng D.-H., Lu K.-M., Mahlik S., Liu R.-S. // Chem. Mater. 2022. V. 34 (22). Р. 10190. https://doi.org/10.1021/acs.chemmater.2c03045
- Хортов В.П., Скворцов А.А., Зуев С.М. Лазерное осветительное устройство. Патент РФ № 184953, 2018.
- Nakamura S., Senoh M., Nagahama S., Iwasa N., Yamada T., Matsushita T., Kiyoku H., Sugimoto Y., Kozaki T., Umemoto H., Sano M., Chocho K. // Jpn. J. Appl. Phys. 1998. V. 37. P. 309. http://dx.doi.org/10.1143/JJAP.37.L309
- Скворцов А.А., Зуев С.М. Светопередающий модуль системы беспроводной связи по технологии VLC. Патент РФ № 197045, 2020.
- George N.C., Denault K.A., Seshadri R. // Annu. Rev.Mater. Res. 2013. V. 43. P. 481. http://dx.doi.org/10.1146/annurev-matsci-073012-125702
- Хортов В.П., Скворцов А.А., Зуев С.М. Лазерная лампа освещения. Патент РФ № 167485, 2017.
Supplementary files










